NXT partlist.pdf - 第85页
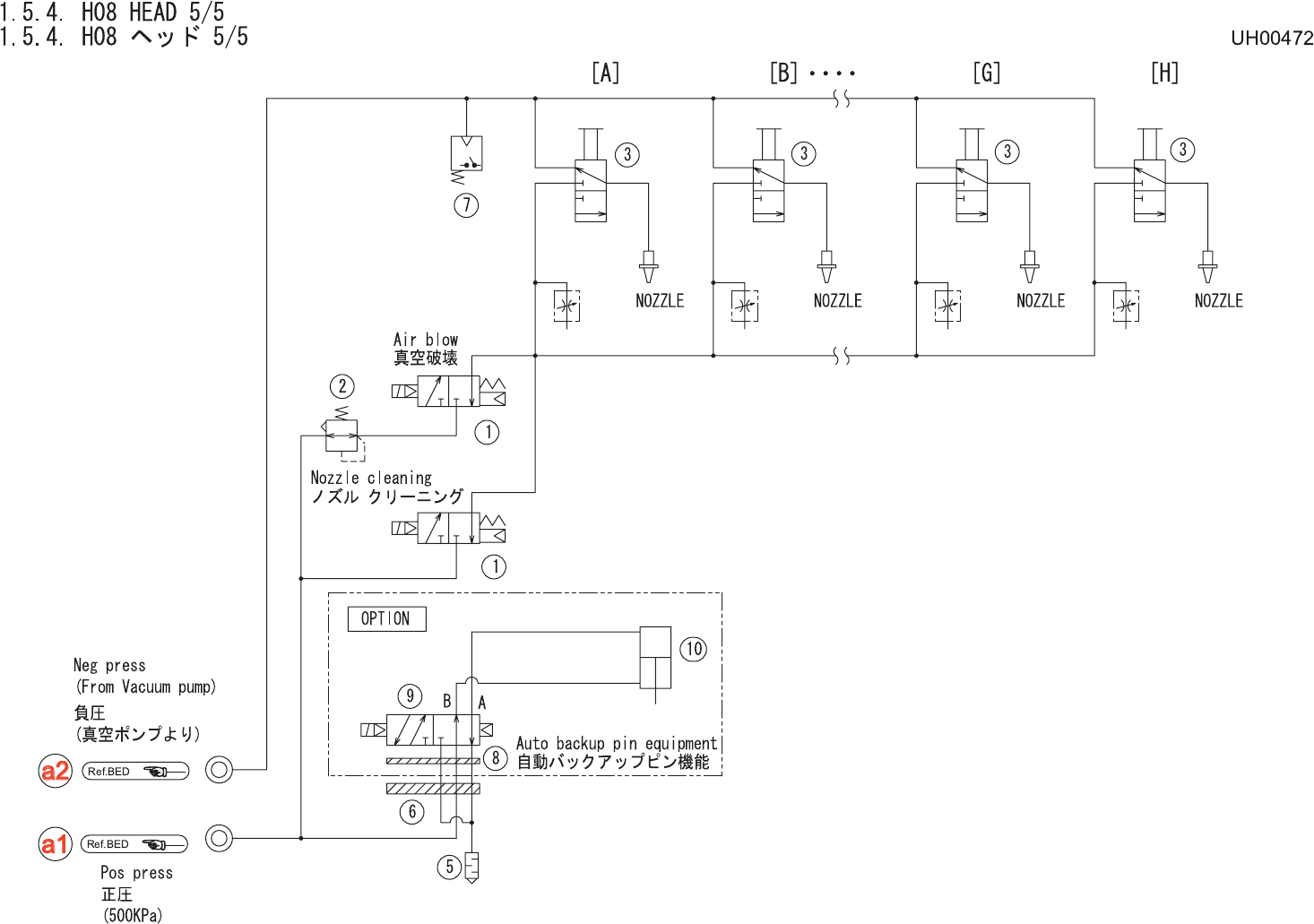
1.5.4. H08 HEAD 5/5 1.5.4. H08 ヘッド 5/5 UH00472 No. Drg.No. & Code No. QTY Description Rating Materials Remarks 番号 図番 & コード番号 個数 品名 規格 材質 備考 1 H1124S 2 VALVE, SOL バルブ SOL VQZ115R-5G-CP-X44 OT 2 XB00762 1 VALVE, P…

1. PARTS PLACING / 部品装着 84 PTS-NXT-09JE

1.5.4. H08 HEAD 5/5
1.5.4. H08 ヘッド 5/5
UH00472
No. Drg.No. & Code No. QTY Description Rating
Materials
Remarks
番号 図番 & コード番号 個数 品名 規格 材質 備考
1 H1124S 2 VALVE, SOL バルブ SOL VQZ115R-5G-CP-X44 OT
2 XB00762 1 VALVE, PRESSURE REDUCING バルブ 減圧 OT
3 XS01181 8 SPOOL スプール OT
5 S1058B 1 SILENCER サイレンサ AN120-M3 OT
6 H3176D 1 PLATE プレート SYJ3000-21-2A OT
7 XS00841 1 SENSOR, PRESSURE センサ 圧力 OT
8 PJ06031 1 PLATE, ACRYLIC プレート アクリル OT
9 H1122D 1 VALVE, SOL バルブ SOL SYJ3140-5M0U OT
10 XS01841 1 CYLINDE
R
シリン
ダ
OT
1. PARTS PLACING / 部品装着 85 PTS-NXT-09JE

1. PARTS PLACING / 部品装着 86 PTS-NXT-09JE