KE-2050_2060操作手册.pdf - 第170页
第4章 生产程序制作 Rev00 4-3-4 贴片数据 输入与贴片元件的贴片坐标有关的信息。 多电路板时,输入相对于“基准电路”的信息。 贴片点数 最多为 3,000 点,分割基板时最多可输入 10,000 点。 4-3-4-1 贴片数据画面的显示 制作基板数据后,单击画面上方的“贴片数据”标签,显示贴片数据制作画面(下图为制作完 成例)。 图 4-3- 7贴片数据画面 4-3-4-2 输入项目 输入 “元件ID” 、 “X”、 “Y”…

第4章 生产程序制作 Rev00
范围检查
数据切换(选择从[基板数据]到[贴片数据],或从[贴片数据]到[元件数据])时,
检查输入的 BOC 标记与坏板标记坐标是否在基板内(或电路内)或电路是否在基板内的
范围。
错误时出现下面警告信息。
●确定继续进行数据切换。
●退出中止数据切换。
※在出现上述警告信息的情况下,请重新检验[基板数据]或[贴片数据]的输入值。
(特别是定位孔基准、基板设计偏移量、首电路位置、电路设计偏移量、电路配置
的各坐标)
4-25

第4章 生产程序制作 Rev00
4-3-4 贴片数据
输入与贴片元件的贴片坐标有关的信息。
多电路板时,输入相对于“基准电路”的信息。
贴片点数 最多为 3,000 点,分割基板时最多可输入 10,000 点。
4-3-4-1 贴片数据画面的显示
制作基板数据后,单击画面上方的“贴片数据”标签,显示贴片数据制作画面(下图为制作完
成例)。
图 4-3- 7贴片数据画面
4-3-4-2 输入项目
输入“元件ID”、“X”、“Y”、“角度”、“元件名”。在其他项目(贴片头、标记、忽略、
试打、分层)中将自动输入初始值。请仅对必要的项目进行变更。
另外,坐标位置是从“基板数据”决定的“基板位置基准”(多电路板时为基准电路的“电路
原点”)开始的距离。
1) 元件 ID
为参照贴片位置而设置的记号。 对于贴片动作没有直接影响。
“元件ID” 最多可输入8个文字(仅限于英文和数字)。
另外,也可单击其他项目(X坐标等)而省略输入。此时将自动输入“#”。
4-26

第4章 生产程序制作 Rev00
2) X、Y
输入贴片位置(X、Y)。输入的方法有键盘数值输入和HOD的示教输入。
※ 示教务必在完成BOC校准后进行。
尺寸是从“基板数据”决定的“基板位置基准”(多电路板时为“电路原点”)到贴片位置的(坐
标中心)距离。
3) 角度
以“元件数据”的“元件供给角度”为基准,输入贴片角度。(参见4-3-5-2-2的5)章)
4) 元件名称
输入元件名称(最多20个字符),大写字符、小写字符将被作为相同的数据处理。
5) 贴片头
指定贴片用的贴片头。
按输入顺序生产时,要贴片的贴片头可从一览表中选择。
初始值为“自动选择”,在制作程序后通过实行“优化”,自动选择最合适的贴片头。
选择贴片头时,请按编辑键(键盘的“F2”键)或鼠标的右键,从一览表中选择。此外,在选
择多行时,如果从弹出式菜单中指定,则所选中行的所有设置都将被改变。(图为选择多行时
的例子)
6) 标记(标记 ID)
设定贴片时根据基准领域标记,进行贴片位置的校正。
由于可以用贴片元件的附近配置的标记进行校正,所以经常用于精度要求高的元件。
基准领域标记可以用一组标记数据校正多个贴片数据(贴片点)。(一组 两个标记、或者 一组
三个标记)
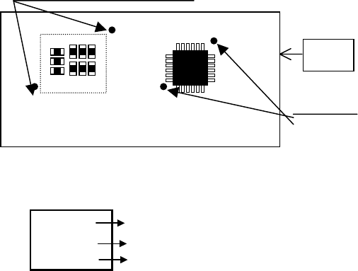
基准领域标记
基板
IC标记
①标记ID的选择
在“标记”输入区单击鼠标右键,会显示以下列表。
No. 设定为不使用。
编辑 基准领域标记数据编辑。
参见 为了选择基准领域标记,打开基准领域画面(不能编辑)
4-27