YAMAHA-XG高级维护培训1.pdf - 第8页
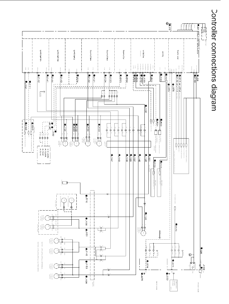
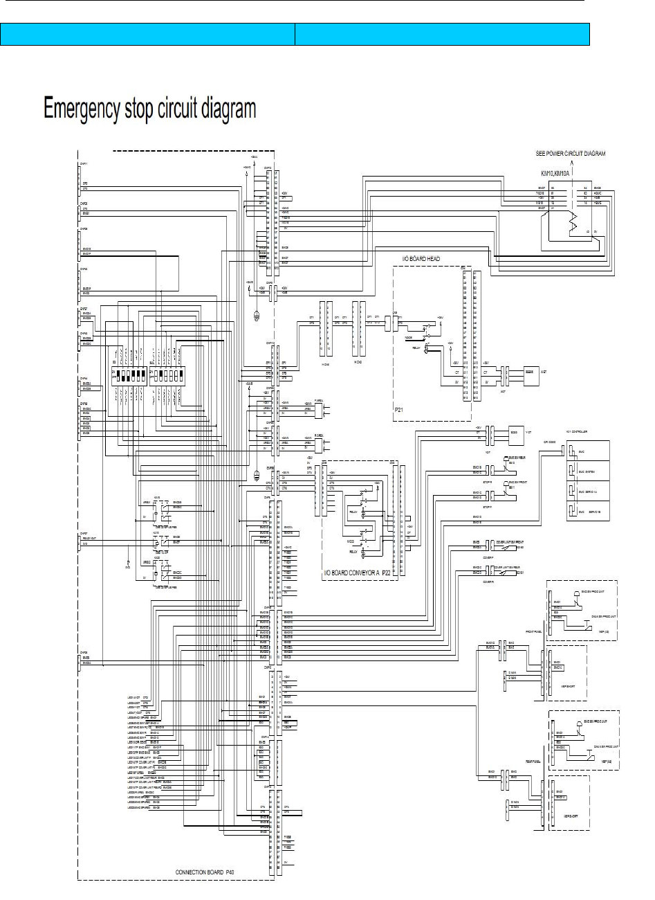
Y AMAHA Xg 高级维护指导 - 8 - Part2 急停控制 A.急停控制电路 B.急停控制信号在设备后部的 CONNECT Board 控制机器的急停及安全信号,查 找相应的 LED 灯的开关,可以诊断相应的急停或安全条件是否已经触发,如 下列表。

YAMAHA Xg 高级维护指导
- 7 -

YAMAHA Xg 高级维护指导
- 8 -
Part2 急停控制
A.急停控制电路
B.急停控制信号在设备后部的 CONNECT Board 控制机器的急停及安全信号,查
找相应的 LED 灯的开关,可以诊断相应的急停或安全条件是否已经触发,如
下列表。

YAMAHA Xg 高级维护指导
- 9 -