hsdx_e.pdf - 第6页
PA G E 4 HSD-X (KV6) Con fi dential & Proprietary KV6-000-CN1 I/O conveyor unit -A- I/O CONVEYOR UNIT DO6 CN3 CN2 DC24VIN CNX1 COMU1 See PAGE 1 I/O CORE A CN2_A CNX1_A CNX2 COMU2 CNX2_A DO5 CN15 T1834/T1835/T1836 ORG/…

PAGE
3
HSD-X (KV6)
Confi dential & Proprietary
KV6-000-CN1
I/O head
CN5
See PAGE 1
I/OI/O
FLEXIBL
DUCT X
+24V
CN5
+24V
CN15
DC24V IN
EMG
CNX1
COMU1
I/O HEAD
I/O CORE
LIGHT1
CN11
DI4
CN4
ORG/OT
N2120
N2122N2123N2124
N2126
N2130N2131N2132
EMPTY1EMPTY2EMPTY3
X ORGR1 ORG
R2 ORG
R3 ORG
X OT DOWN 1
DOWN 2DOWN 3EMPTY1EMPTY2EMPTY3
N2140N2141N2142
X OT
R3 ORG
R2 ORG R1 ORG X ORG DOWN 3 DOWN 2 DOWN 1
CNX1
H/CN5 CN11
CN6
PLATE of the HEAD
HCN5
CN13
LIGHT
CN13
T2900
T2901T2902
CN6
DO0,3
BLOW 1
BLOW 2BLOW 3
BLOW 3 BLOW 2 BLOW 1
CN6
DI3
CN10
CN10
CNX2
COMU2
CN2
DISPENCE EMPTY SENSOR (OPTION)
H001
H001 H002 H003
H002H003
1
2
3
SQ220
HEAD 1
DOWN
SQ221
HEAD 2
DOWN
SQ222
HEAD 3
DOWN
YV21
HEAD 1
BLOW
YV22
HEAD 2
BLOW
YV23
HEAD 3
BLOW
J303
SQ230
DISPENCE
EMPTY 1
SQ204
R3 ORG
SQ231
DISPENCE
EMPTY 2
SQ232
DISPENCE
EMPTY 3
SQ242
THERMAL SENSOR
HEAD3
J156
H003
HEATER
HEAD3
J157
LED1
FIDUCIAL LIGHT
J158
1234
ON
OFF
5678
SQ240
THERMAL SENSOR
HEAD1
J44J114
H001
HEATER
HEAD1
J172
12
ON
OFF
SQ203
R2 ORG
J305 J302
SQ241
THERMAL SENSOR
HEAD2
SQ200
X AXIS
ORG
SQ202
R1 ORG
H002
HEATER
HEAD2
SQ206
X AXIS
OT
J301 J306
CONNECTION BOARD (CNF16)
CONNECTION BOARD (CNF10)
SYSTEM BOARD (I/02)
HEATER HNS (XDUCT)

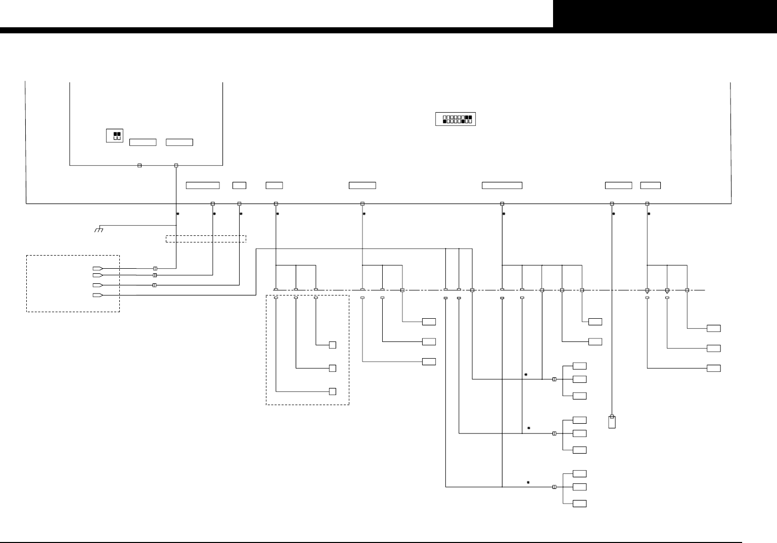
PAGE
4
HSD-X (KV6)
Confi dential & Proprietary
KV6-000-CN1
I/O conveyor unit -A-
I/O CONVEYOR UNIT
DO6
CN3
CN2
DC24VIN
CNX1
COMU1
See PAGE 1
I/O CORE
A
CN2_A
CNX1_A
CNX2
COMU2
CNX2_A
DO5
CN15
T1834/T1835/T1836
ORG/OT
Y FLEX
CN16
CN16_A
CN3_ACN15_A
See PAGE 1
CN8
EMG/INT
N1030
N1031
N1032
N1033
N1034
N1035
N1036
N1037
N1040
CN1
DI3
N1000
N1001
N1004
N1060
N1061
N1062
CN22
DI SPARE
CN7
DI1
CN8_A
CN22_A
CN1_A CN7_A
See PAGE 1
SERVO ON
N1016
T1820...T1833
+24V
F AREA (OPTION)
W1 ORG
PIN1
PIN2
Y1OT/Y1ORG
Y1OT/Y1ORG
Y1 ORG
Y1 OT
CN5
HCN5
CN5
See PAGE 1
N1011 Full Keyboard Service Key
N1015 SERVICE KEY
N1012
F.AREA
DOT LEDT1845 DOT LED
DOT MOTOR
T1844
DOT MOTOR
DOT LIGHTDOT LIGHT
MOTOR
DOT STATION (OPTION)
N1042
N1043
N1045
N1046
T1845 T1845
N1005
N1006
N1007
N1012
F.FDR1
F.FDR2
N1064
N1065
N1067
N1066
RLY1
RLY5
RLY9
RLY13
+24V +24V +24V
0V
+24V
0V
AREA-B
AREA-B
+24V
N1012
CN4_A
CN4
DI2
1
10-
11-
12-
13+
14+
15+
16+
1-
2-
3-
4-
5+
6+
7+
8+
9-
SQ95
CONVEYOR EXIT 1
J701
SQ02
W1 ORG
LED50
LED
SQ01
Y ORG
SQ97
LOCATE PIN1 UPPER
SQ05
Y OT
SQ98
LOCATE PIN2 UPPER
J701
SQ71
SYLINGE
PRESSURE 2
J703
SQ96
CONVEYOR EXIT 2
SQ72
SYLINGE
PRESSURE 3
J172
J171
J170
J705
SQ25A
LASER
J203
J702
SQ25B
J254
J161
J702
12
ON
OFF
J30
J702
J41
M50
MOTOR
J253
SQ90
CONVEYOR ENT.
J704
J101
KA50
RELAY DOT
J252
SQ91
SUB POS1
J704
0V
1234
ON
OFF
56
J220
SQ92
SUB POS2
XT50
+24V
QF50 1A
SQ70
SYLINGE
PRESSURE 1
SQ93
SET POSITION
J181
J102
SQ94
WORK OUT
CONNECTION BOARD (CNF12)
CONNECTION BOARD (CNF16)
CONNECTION BOARD (CNF8)
SYSTEM BOARD (I/O1)
CONV I/O B (CNX1)
CONNECTION BOARD (CNF22)
To HEAD I/O
CONNECTION
(CNF10)
CONNECTION BOARD
(CNF30)
1
1

PAGE
5
HSD-X (KV6)
Confi dential & Proprietary
KV6-000-CN1
I/O conveyor unit -B-
I/O CONVEYOR UNIT
CN3
CN2
DC24VIN
CNX1
COMU1
See PAGE 1
I/O CORE
B
CN2_B
CNX1_B
CNX2
COMU2
ORG/OT
CN3_B
See PAGE 1
CN8
EMG/INT
DO5
N1102
CN7
DI1
CN8_B CN7_B
+24V
R AREA (OPTION)
PU ORG
T1920
T1921
T1922
T1923
T1924
T1925
T1926
T1927
T1930
T1931
T1932
T1933
AIR
PRESSURE
SENSOR
SP11
N1111
N1112
CN15
CN15_B
N1113...N1115
R.AREA
AIR
AIR
(OPTION)
N1160
N1161
DOT STATION
N1160
N1161
CN22
DI SPARE
CN22_B
R.FDR1
R.FDR2
N1105
N1106
N1107
N1110
N1112
+24V
AREA-B
AREA-B
See PAGE 1
CN4_B
N1120
CN4
DI2
1
P
12
ON
OFF
YV01
MAIN STOPPER
YV03
LOCATE PIN
YV04
EDGE CLAMP
J162
YV05
PUSH IN
J30
J205
J260
1234
ON
OFF
56
YV06
STOPPER OF ENTRANCE
YV07
STOPPER OF EXIT
SQ37
DOT STATION
ALARM
SQ36
DOT STATION
SENSOR
PNP CNGER
PNP CNGER
J259
J707
SQ31A
LASER
SQ31B
J41 J102
SQ08
PU ORG
J258
CONNECTION BOARD (CNF16)
CONNECTION BOARD (CNF22)
CONV I/O A(CNX2)
BUSY IN/BA IN/BP IN
LR IN