hsdx_e.pdf - 第7页

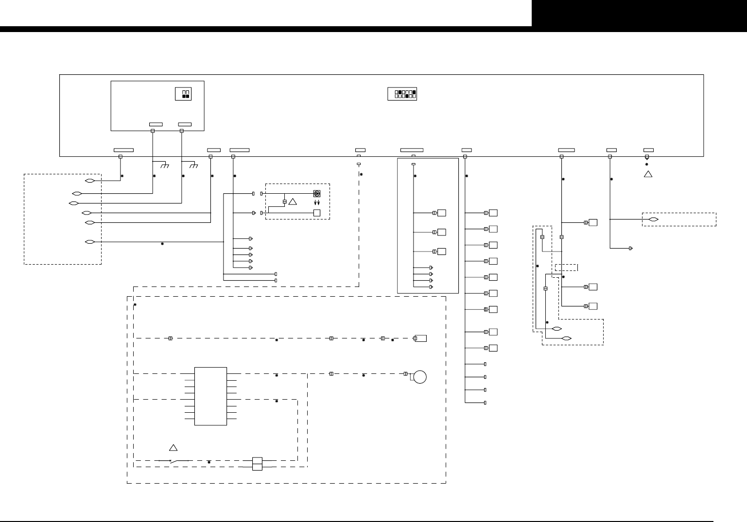
PA G E 5 HSD-X (KV6) Con fi dential & Proprietary KV6-000-CN1 I/O conveyor unit -B- I/O CONVEYOR UNIT CN3 CN2 DC24VIN CNX1 COMU1 See PAGE 1 I/O CORE B CN2_B CNX1_B CNX2 COMU2 ORG/OT CN3_B See PAGE 1 CN8 EMG/INT DO5 N1…

100%1 / 11
PAGE
4
HSD-X (KV6)
Con dential & Proprietary
KV6-000-CN1
I/O conveyor unit -A-
I/O CONVEYOR UNIT
DO6
CN3
CN2
DC24VIN
CNX1
COMU1
See PAGE 1
I/O CORE
A
CN2_A
CNX1_A
CNX2
COMU2
CNX2_A
DO5
CN15
T1834/T1835/T1836
ORG/OT
Y FLEX
CN16
CN16_A
CN3_ACN15_A
See PAGE 1
CN8
EMG/INT
N1030
N1031
N1032
N1033
N1034
N1035
N1036
N1037
N1040
CN1
DI3
N1000
N1001
N1004
N1060
N1061
N1062
CN22
DI SPARE
CN7
DI1
CN8_A
CN22_A
CN1_A CN7_A
See PAGE 1
SERVO ON
N1016
T1820...T1833
+24V
F AREA (OPTION)
W1 ORG
PIN1
PIN2
Y1OT/Y1ORG
Y1OT/Y1ORG
Y1 ORG
Y1 OT
CN5
HCN5
CN5
See PAGE 1
N1011 Full Keyboard Service Key
N1015 SERVICE KEY
N1012
F.AREA
DOT LEDT1845 DOT LED
DOT MOTOR
T1844
DOT MOTOR
DOT LIGHTDOT LIGHT
MOTOR
DOT STATION (OPTION)
N1042
N1043
N1045
N1046
T1845 T1845
N1005
N1006
N1007
N1012
F.FDR1
F.FDR2
N1064
N1065
N1067
N1066
RLY1
RLY5
RLY9
RLY13
+24V +24V +24V
0V
+24V
0V
AREA-B
AREA-B
+24V
N1012
CN4_A
CN4
DI2
1
10-
11-
12-
13+
14+
15+
16+
1-
2-
3-
4-
5+
6+
7+
8+
9-
SQ95
CONVEYOR EXIT 1
J701
SQ02
W1 ORG
LED50
LED
SQ01
Y ORG
SQ97
LOCATE PIN1 UPPER
SQ05
Y OT
SQ98
LOCATE PIN2 UPPER
J701
SQ71
SYLINGE
PRESSURE 2
J703
SQ96
CONVEYOR EXIT 2
SQ72
SYLINGE
PRESSURE 3
J172
J171
J170
J705
SQ25A
LASER
J203
J702
SQ25B
J254
J161
J702
12
ON
OFF
J30
J702
J41
M50
MOTOR
J253
SQ90
CONVEYOR ENT.
J704
J101
KA50
RELAY DOT
J252
SQ91
SUB POS1
J704
0V
1234
ON
OFF
56
J220
SQ92
SUB POS2
XT50
+24V
QF50 1A
SQ70
SYLINGE
PRESSURE 1
SQ93
SET POSITION
J181
J102
SQ94
WORK OUT
CONNECTION BOARD (CNF12)
CONNECTION BOARD (CNF16)
CONNECTION BOARD (CNF8)
SYSTEM BOARD (I/O1)
CONV I/O B (CNX1)
CONNECTION BOARD (CNF22)
To HEAD I/O
CONNECTION
(CNF10)
CONNECTION BOARD 
(CNF30)
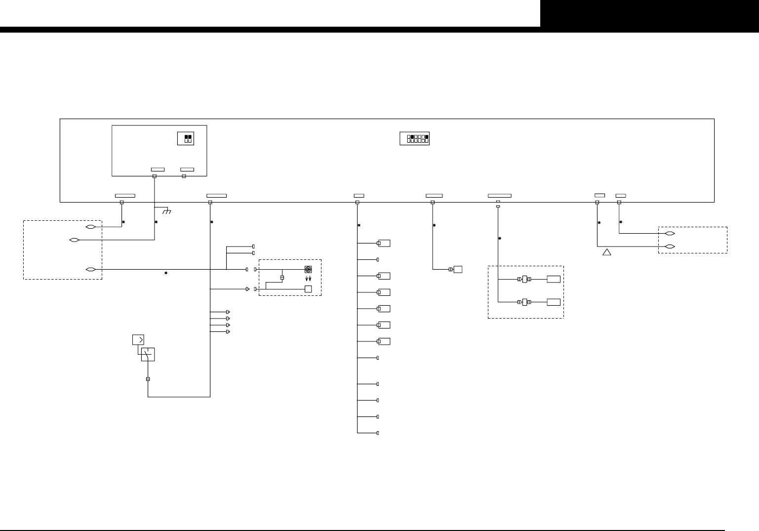
1
1
PAGE
5
HSD-X (KV6)
Con dential & Proprietary
KV6-000-CN1
I/O conveyor unit -B-
I/O CONVEYOR UNIT
CN3
CN2
DC24VIN
CNX1
COMU1
See PAGE 1
I/O CORE
B
CN2_B
CNX1_B
CNX2
COMU2
ORG/OT
CN3_B
See PAGE 1
CN8
EMG/INT
DO5
N1102
CN7
DI1
CN8_B CN7_B
+24V
R AREA (OPTION)
PU ORG
T1920
T1921
T1922
T1923
T1924
T1925
T1926
T1927
T1930
T1931
T1932
T1933
AIR
PRESSURE
SENSOR
SP11
N1111
N1112
CN15
CN15_B
N1113...N1115
R.AREA
AIR
AIR
(OPTION)
N1160
N1161
DOT STATION
N1160
N1161
CN22
DI SPARE
CN22_B
R.FDR1
R.FDR2
N1105
N1106
N1107
N1110
N1112
+24V
AREA-B
AREA-B
See PAGE 1
CN4_B
N1120
CN4
DI2
1
P
12
ON
OFF
YV01
MAIN STOPPER
YV03
LOCATE PIN
YV04
EDGE CLAMP
J162
YV05
PUSH IN
J30
J205
J260
1234
ON
OFF
56
YV06
STOPPER OF ENTRANCE
YV07
STOPPER OF EXIT
SQ37
DOT STATION
ALARM
SQ36
DOT STATION
SENSOR
PNP CNGER
PNP CNGER
J259
J707
SQ31A
LASER
SQ31B
J41 J102
SQ08
PU ORG
J258
CONNECTION BOARD (CNF16)
CONNECTION BOARD (CNF22)
CONV I/O A(CNX2)
BUSY IN/BA IN/BP IN
LR IN
PAGE
6
HSD-X (KV6)
Con dential & Proprietary
KV6-000-CN1
Power transformer terminal
240V
230V
208V
200V
190V
240V
230V
208V
200V
190V
0V0V
240V
230V
208V
200V
190V
0V
240V
230V
208V
200V
190V
0V
240V
230V
208V
190V
200V
0V
240V
230V
208V
200V
0V
190V
W50
N
V50
U50
200V
S1
R1
T1
240V
230V
208V
200V
190V
240V
230V
208V
200V
190V
0V0V
240V
230V
208V
200V
190V
0V
240V
230V
208V
200V
190V
0V
240V
230V
208V
190V
200V
0V
240V
230V
208V
200V
0V
190V
W50
N
V50
U50
208V
S1
R1
T1
240V
230V
208V
200V
190V
240V
230V
208V
200V
190V
0V0V
240V
230V
208V
200V
190V
0V
240V
230V
208V
200V
190V
0V
240V
230V
208V
190V
200V
0V
240V
230V
208V
200V
0V
190V
W50
N
V50
U50
230V
S1
R1
T1 240V
230V
208V
200V
190V
240V
230V
208V
200V
190V
0V0V
240V
230V
208V
200V
190V
0V
240V
230V
208V
200V
190V
0V
240V
230V
208V
190V
200V
0V
240V
230V
208V
200V
0V
190V
W50
N
V50
U50
240V
S1
R1
T1
240V
230V
208V
200V
190V
240V
230V
208V
200V
190V
0V0V
240V
230V
208V
200V
190V
0V
240V
230V
208V
200V
190V
0V
240V
230V
208V
190V
200V
0V
240V
230V
208V
200V
0V
190V
W50
N
V50
U50
380V
S1
R1
T1
240V
230V
208V
200V
190V
240V
230V
208V
200V
190V
0V0V
240V
230V
208V
200V
190V
0V
240V
230V
208V
200V
190V
0V
240V
230V
208V
190V
200V
0V
240V
230V
208V
200V
0V
190V
W50
N
V50
U50
400V
S1
R1
T1
240V
230V
208V
200V
190V
240V
230V
208V
200V
190V
0V0V
240V
230V
208V
200V
190V
0V
240V
230V
208V
200V
190V
0V
240V
230V
208V
190V
200V
0V
240V
230V
208V
200V
0V
190V
W50
N
V50
U50
416V
S1
R1
T1
TM11: The selection of POWER SOURCE
200V
240V
230V
208V
200V
190V
0V
240V
230V
208V
200V
190V
0V
0V
100V
200V
220V
V10
U10
U20
R1
S1
208V
240V
230V
208V
200V
190V
0V
240V
230V
208V
200V
190V
0V
0V
100V
200V
220V
V10
U10
U20
R1
S1
230V
240V
230V
208V
200V
190V
0V
240V
230V
208V
200V
190V
0V
0V
100V
200V
220V
V10
U10
U20
R1
S1
240V
240V
230V
208V
200V
190V
0V
240V
230V
208V
200V
190V
0V
0V
100V
200V
220V
V10
U10
U20
R1
S1
380V
240V
230V
208V
200V
190V
0V
240V
230V
208V
200V
190V
0V
0V
100V
200V
220V
V10
U10
U20
R1
S1
400V
240V
230V
208V
200V
190V
0V
240V
230V
208V
200V
190V
0V
0V
100V
200V
220V
V10
U10
U20
R1
S1
416V
240V
230V
208V
200V
190V
0V
240V
230V
208V
200V
190V
0V
0V
100V
200V
220V
V10
U10
U20
R1
S1
TC11: The selection of POWER SOURCE
TC11 TC11 TC11 TC11 TC11 TC11
TM11 TM11 TM11 TM11 TM11TM11 TM11
TC11