JM-10_OperationManual_Rev01_C.pdf - 第45页
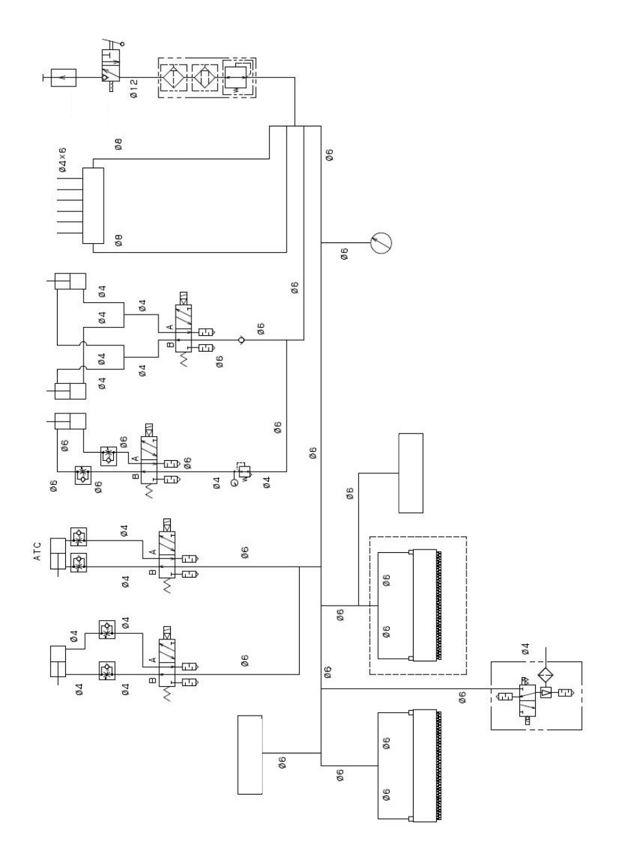
操作手册 3-5 (1) 管道系统图(标准) 耦合器 手动阀 空气组合箱 吸嘴 喷射泵单元 Head 上升汽缸 检查阀 BU 台 压力表 顶推针(前) GAL 块 顶推针(后) 止动器 连接器 BR (后 ) 连接器 BR (前) 选择式(选择 BW 供料器台架时时无) 送 料针 ( 后 ) 送 料针 ( 前 )

操作手册
3-4
1) 请确认没有漏气
1) 主机接通电源后,请选择「手动控制」项目,检查下列各项目的动作状况。
① ATC 单元
② 支撑台
③ 定位销
④ 止动器
✎
手动控制✎
在确认各项动作、检查传感器的开/关情况时,执行手动控制模式。
有关手动控制的详细内容,请参见使用说明书“第 7 章 手动控制”。
2) 如若动作有问题,请参考下页「管道系统图」进行检查。
检查项目
3-2-3 管道及接头
实施频度 :每周
检查内容 检查气压管道部分是否漏气
检查项目
3-2-4 各单元汽缸
实施频度 :每周
检查内容 检查各汽缸的动作
<正面盖内>
指状阀
漏气检查位置
在主画面上选择 后,
会显示手动控制模式。

操作手册
3-5
(1) 管道系统图(标准)
耦合器
手动阀
空气组合箱
吸嘴
喷射泵单元
Head 上升汽缸
检查阀
BU 台
压力表
顶推针(前)
GAL 块
顶推针(后)
止动器
连接器 BR(后)
连接器 BR(前)
选择式(选择 BW 供料器台架时时无)
送
料针
(
后
)
送
料针
(
前
)

操作手册
3-6
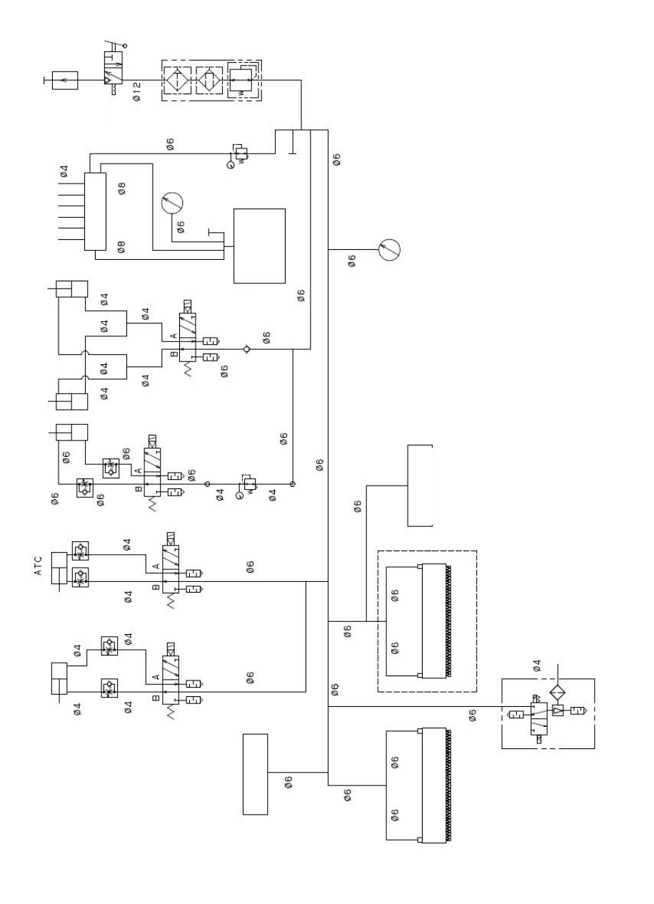
(2)管道系统图(真空泵选购项时)
耦合器
手动阀
空气
组合箱
真空表
吸嘴
喷
射泵单元
真空泵
Head 上升汽缸
检查阀
压力表
BU 台
GAL 块
止动器
顶推针(前)
顶推针(后)
连接器 BR(后)
连接器 BR(前)
选择式(选择 BW 供料器台架时时无)
送
料针
(
后
)
送
料针
(
前
)