YSM40R-000-KMB_cwd_je.pdf - 第6页
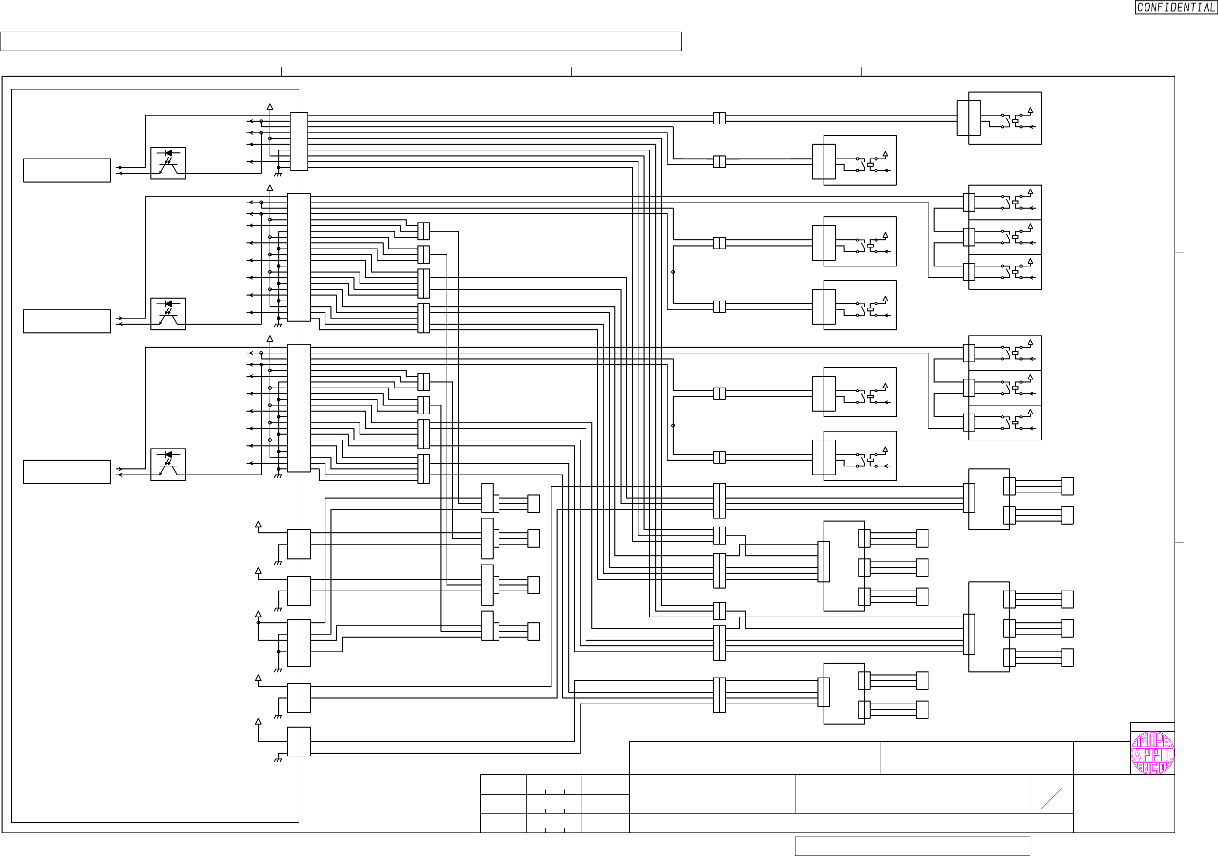
NAKATS U KMB-000-CC 6 SYSTEM C/R & CONVEYOR C/R 1 2 3 IM 技術 (S/M) TEL 053-460-6116 PART No機械番号 PART ▲ △ APPD. dcba 名称補足 STAFF CODE SHEE T NO. NAME機械名称 CHCK. DESN. PA NUMBER SECTION NAME APPD. Ver. RECORDED IN ANY MED…

WINCAD Ver.E14-0006
YAMAHA MOTOR CO.,LTD. IM OPERATIONS
ヤマハ発動機株式会社IM事業部
FAX 053-460-6155
結線図用図面 A3
THIS DRAWING AND THE INFORMATION THEREIN ARE THE PROPERTY OF YAMAHA MOTOR CO.,LTD.(YMC) AND SHALL NOT BE REPRODUCED,COPIED,
RECORDED IN ANY MEDIA. USED FOR ANY OTHER PURPOSE OR DELIVERED AND/OR DISCLOSED TO ANY THIRD PARTY WITHOUT WRITTEN CONSENT OF YMC.
Ver.
APPD.
SECTION NAMEPA NUMBER
DESN.
CHCK.
NAME機械名称
SHEET NO.
STAFF CODE
名称補足
dcba
APPD.
△▲
PART No機械番号 PART
TEL 053-460-6116
IM 技術 (S/M)
3
2
1
EMERGENCY
CIRCUIT -1-
EMERGENCY
CIRCUIT -1-
EMERGENCY
CIRCUIT -1-
FR GOOD IN
FR GOOD OUT
FGOODOUT
F GOOD IN
RGOODOUT
R GOOD IN
2
3
4
5
6
7
8
9
10
1
2
3
4
5
6
7
8
9
10
1
A1
B1
A2
B2
A3
B3
A1
B1
A2
B2
A3
B3
A5A5
A4 A4
B4B4
B6B6
B5
A6
B5
A6
A8
B8
A9
B9
A8
B8
A9
B9
A7
B7 B7
A7
A11
B11
A11
B11
A10
B10 B10
A10
CN33
+24V-32
CN33
CN31 CN31
+24V-30
A1
B1
A2
B2
A3
B3
A1
B1
A2
B2
A3
B3
A5A5
A4 A4
B4B4
B6B6
B5
A6
B5
A6
A8
B8
A9
B9
A8
B8
A9
B9
A7
B7 B7
A7
A11
B11
A11
B11
A10
B10 B10
A10
+24V-31
CN32 CN32
3
2
1
3
2
1
3
2
1
3
2
1
4
5
4
5
3
2
1
3
2
1
4
5
4
5
XA OT
XC OT
3
2
1
3
2
1
YA OT
YC OT
3
2
1
3
2
1
3
2
1
3
2
1
4
5
4
5
3
2
1
3
2
1
4
5
4
5
3
2
1
3
2
1
YB OT
YD OT
XB OT
XD OT
1
2
1
2
CV EMG
1
2
1
2
IF GOOD
GOOD
A1A1
B1
A2
B2
A3
B3 B3
A3
B2
A2
B1
CVP CN2
1
2
3
GOOD
1
2
3
1
2
3
GOOD
1
2
3
SRV1 GOOD
1
2
3
GOOD
1
2
3
SRV2 GOOD
GOOD
A1
B1
A2
B2
・
B10
A1
B1
A2
B2
・
B10
1
2
3
GOOD
1
2
3
SRV3 GOOD
1
2
3
GOOD
1
2
3
SRV4 GOOD
1
2
3
GOOD
1
2
3
I/O CONVEYOR BOARD ASSY P021
PC1
SYSTEM CONTROL BOX A01
SERVO CONTROL BOX-1 A02
SERVO CONTROL BOX-2 A03
P091
D.POWER BOARD
D.POWER BOARD
SERVO BOARD 2
SERVO BOARD 3
SERVO BOARD 4
SERVO BOARD 1
SYS C/R GOOD/N0100433
CV C/R GOOD/N0100434
YR SAFE/N0100441
YL SAFE/N0100442
SRV C/R1 GOOD/N0100435
FRONT HEAD GOOD/N0100436
SRV C/R2 GOOD/N0100437
REAR HEAD GOOD/N0100440
YA OT/N0100443
YC OT/N0100444
XA OT-1/N0100445
XA OT-2/N0100446
XC OT-1/N0100447
XC OT-2/N0100450
YB OT/N0100451
YD OT/N0100452
XB OT-1/N0100453
XB OT-2/N0100454
XD OT-1/N0100455
XD OT-2/N0100456
CV C/R POW BOARD ASSY
CN2
SeePage4
SeePage4
SeePage4
PC2
PC3
DPOW GOOD
DPOW GOOD
IF RAS
REMOTE IF BOARD
RAS
GOOD
GOOD
GOOD
GOOD
GOOD
GOOD
EMERGENCY CIRCUIT -2-
5
A1A1
・
・・
・
CN7 CN7
A11 A11
B13 B13
+24V-8
A1A1
・
・・
・
B13 B13
+24V-9
A11 A11
CN8 CN8
B5 B5
B10
B10
A1 A1
CN9 CN9
・・
A5 A5
B9 B9
A10A10
・・
+24V-10
NAKATSU
KMB-000-CC
21
A1
B2
・
A2
C2
A
B
C
YOT
YA OT
A1
B2
・
A2
C2
・
A1
B2
・
A2
C2
・
A1
B2
・
A2
C2
A
B
C
A
B
C
A
B
C
YB OT
YC OT
YD OT
YOT
YOT
YOT
C4
C4
YA OT
SQ021
YB OT
SQ022
YC OT
SQ023
YD OT
SQ024
1
2
1
2
HB EMG
GOOD
A1A1
B1
A2
B2
A3
B3 B3
A3
B2
A2
B1
HEAD B POW BOARD ASSY
P044
CN2HP CN2
1
2
1
2
HD EMG
GOOD
HEAD D POW BOARD ASSY
P050
CN2HP CN2
B3 B3
A3A3
B2 B2
A2A2
B1 B1
A1A1
1
2
1
2
HA EMG
GOOD
A1A1
B1
A2
B2
A3
B3 B3
A3
B2
A2
B1
HEAD A POW BOARD ASSY
P041
CN2HP CN2
1
2
1
2
HC EMG
GOOD
A1A1
B1
A2
B2
A3
B3 B3
A3
B2
A2
B1
HEAD C POW BOARD ASSY
P047
CN2HP CN2
7
8
-
7
8
-
A
B
C
+
・
+
・
JB7 X OT1
A
B
C
JB8 X OT2
IN
XA OT-1
XA OT-2
XT75
SQ025
SQ026
X JUNC IN
JUNCTION BOX
11
・
5
6
7
88
7
6
5
・
XA DI A
B
C
A
B
C
8
7
7
8
-
7
8
-
・・
・
5
6
7
88
7
6
5
・
++
INX JUNC IN
2211
XC DI
3
2
1
YL SAFE
3
2
1
11
XT77
A
B
C
7
A
B
C
8
A
B
C
JB7 X OT1 XC OT-1
SQ029
A
B
C
JB8 X OT2 XC OT-2
SQ030
A
B
C
A
B
C
JB2 Y SAFE YL SAFE
SQ034
2
JUNCTION BOX
A
B
C
JB7 X OT1
A
B
C
JB8 X OT2
XB OT-1
XB OT-2
SQ027
SQ028
11
・
5
6
7
88
7
6
5
・
XB DI
YR SAFE
3
2
1
3
2
1
A
B
C
7
A
B
C
8
A
B
C
2
JUNCTION BOX
XT76
7
8
-
・
+
IN
2
7
8
-
・
+
X JUNC IN
2
11
A1A1
・
A8A8
・
B17
・
B17
・
CN4 CN4
+24V-6
A1A1
・
・・
・
B8 B8
B15 B15
+24V-7
CN5 CN5
7
8
-
7
8
-
A
B
C
+
・
+
・
JB7 X OT1
A
B
C
JB8 X OT2
IN
XD OT-1
XD OT-2
XT78
SQ031
SQ032
X JUNC IN
JUNCTION BOX
11
・
5
6
7
88
7
6
5
・
XD DI A
B
C
A
B
C
7
8
A
B
C
JB2 Y SAFE YR SAFE
SQ033
YSM40R-4 INTERCONNECTION DIAGRAM
V1
16 02 22
YASUHIRO
USUI
'16 02 24

NAKATSU
KMB-000-CC
6
SYSTEM C/R & CONVEYOR C/R
1
2
3
IM 技術 (S/M)
TEL 053-460-6116
PARTNo機械番号PART
▲△
APPD.
dcba
名称補足
STAFF CODE
SHEET NO.
NAME機械名称
CHCK.
DESN.
PA NUMBER SECTION NAME
APPD.
Ver.
RECORDED IN ANY MEDIA. USED FOR ANY OTHER PURPOSE OR DELIVERED AND/OR DISCLOSED TO ANY THIRD PARTY WITHOUT WRITTEN CONSENT OF YMC.
THIS DRAWING AND THE INFORMATION THEREIN ARE THE PROPERTY OF YAMAHA MOTOR CO.,LTD.(YMC) AND SHALL NOT BE REPRODUCED,COPIED,
結線図用図面 A3
FAX 053-460-6155
ヤマハ発動機株式会社IM事業部
YAMAHA MOTOR CO.,LTD. IM OPERATIONS
WINCAD Ver.E14-0006
21
YSM40R-4 INTERCONNECTION DIAGRAM
VIS1 TRG1
VIS1 TRG2
VIS2 TRG1
VIS2 TRG2
IF RAS
USB3
USB2
USB1
IF LAN4
IF LAN3
IF LAN2
IF LAN1
RAS
LAN4
LAN3
LAN2
LAN1
TRG2
TRG1
V2 CAM2
V2 CAM3
CAM3(HALF)
CAM2(FULL)
V2 CAM1
CAM1(HALF)
21
21
VISION 1
VISION 2
SW2
OFF
ON
SW2
REMOTE IF
SYSTEM CONTROL BOX ASSY A01
OFF
ON
TRG2
TRG1
V1 CAM2
V1 CAM3
CAM3(HALF)
CAM2(FULL)
V1 CAM1
CAM1(HALF)
CV DI
N2301000/T2300700
F CV SENSOR 1
SQ072
CN1 AIR MACS BOARD ASSY
CN1 AIR MACS BOARD ASSY
P098
P099
MACS
MACS
F CV1
MACS1
MACS2
J0397
J0398
AIR BASE MACS 2
AIR BASE MACS 1
CVS CN1
See Page 7
SERVO C/R-1
SRV1 ECAT IN
J0172
CN33
See Page 10
I/O CONVEYOR -3-
CN41
See Page 3
DC48V
POWER CIRCUIT -2-
48V/24V/EMG
CVP CN2
CN2
J0390
J0389
48V POW
IC POW
CVP CN1
CVP CN3
CN3
CN1
J0383 CVI CN6
I/O BOARD ASSY P092
DO IN
CVI CN7
CN8
DO1
CN7DO0CN6
CN4
J0253
CV EMG
J0046
CV+24V
CV C/R FAN
FAN 44 CVE CN5
J0391 CVE CN8
CN8 BATTERY
CVD CN4
CVS CN8
CVS CN8
CVD CN5
J0388
J0387
J0386
J0385
POW BOARD ASSY P091
SRV BOARD ASSY P093
DRV BOARD ASSY P094
ENC BOARD ASSY P095
DI1 CN3
VAC CN2
DI2 CN5
CVS CN5
SER ENC2
SER ENC1
CN4
CN5
CAMERA SEL POW
CN8B
CN8A
ETHER OUT
ETHER IN
CVD CN1
CVE CN4
CVE CN3
CVS CN7
CVS CN6
CV C/R SERVO UNIT ASSY
OPTION IF CN1
CN4
CN3
INC ENC 2 CN2
FANCN5 INC ENC 1 CN1
MOTOR 2
MOTOR POW CN1MOTOR 1
S-POWERCN6
DOCN7
CV C/R I/O UNIT ASSY
J0207
IF GOOD
See Page 7
See Page 7
See Page 12,13
See Page 10
J0701(STD)/J0731(OP)
J0253
J0179
J0178
J0177
J0176
SIDE VIEW CAMERA(OPTION)
SIDE VIEW CAMERA(OPTION)
SERVO C/R
SERVO C/R
HEAD CAMERA(STANDARD)
HEAD CAMERA(STANDARD)
I/O CONVEYOR -3-
CAMERA UNIT SEL.
CAMERA UNIT SEL.
HEAD I/O UNIT
CN33
J0396
J0705
J0708
GB11
BAT1 CN2
BATT BOARD ASSY-1 P096
CN2 BATT OUT
CN1 BATT IN
GB12 BAT2 CN2
BATT BOARD ASSY-2 P097
CN2 BATT OUT
CN1 BATT IN
J0068
See Page 12
J0707
See Page 13
J0706
J0702(STD)/J0732(OP)
See Page 17
SeePage17
See Page 16
SeePage16
J0381
J0382CVS CN3
SERVO4 TRG1(XB/XD)
SERVO3 TRG1(YB/YD)
SERVO1 TRG1(YA/YC)
SERVO2 TRG1(XA/XC)
J0202
J0201
J0204
J0203
N2301001/T2300701
F CV SENSOR 2
SQ073
F CV2
N2301002/T2300702
F CV SENSOR 3
SQ074
F CV3
N2301003/T2300703
F CV SENSOR 4
SQ075
F CV4
N2301004/T2300704
F CV SENSOR 5
SQ076
F CV5
N2301005/T2301700
R CV SENSOR 1
SQ079
R CV1
N2301006/T2301701
R CV SENSOR 2
SQ080
R CV2
N2301007/T2301702
R CV SENSOR 3
SQ081
R CV3
N2300000/T2301703
R CV SENSOR 4
SQ082
R CV4
N2300001/T2301704
R CV SENSOR 5
SQ083
R CV5
□42 MAX 500rpm
W2-AXIS 100W
M18
□42 MAX 500rpm
W1-AXIS 100W
M17
□42 MAX 500rpm
CV4-AXIS 100W
M16
□42 MAX 500rpm
CV3-AXIS 100W
M15
□42 MAX 500rpm
CV2-AXIS 100W
M14
□42 MAX 500rpm
CV1-AXIS 100W
M13
W2M
W2P
W1M
W1P
CV4M
CV4P
CV3M
CV3P
CV2M
CV2P
CV1M
CV1P
UPS SIG
J0911
UPS(OPTION)
SeePage2
POWER CIRCUIT -1-
UPS SIGNAL
UPS(OPTION)
SeePage2
POWER CIRCUIT -1-
UPS SIGNAL
V1 CAM4
CAM4(FULL)
J0703(STD)/J0733(OP)
V2 CAM4
CAM4(FULL)
J0704(STD)/J0734(OP)
V1
USB MEMORY
J0214
USB4
I/F4 USB I/F4 USB
SYSTEM
IF I/O
I/O
J0101
See Page 9
J0102
I/O A
I/O CONVEYOR -2-
CN20
J0103
I/O B
J0104
I/O C
SeePage18
I/O
J0939
I/O D
1TURN
E10
FRONT
REAR
FES46 FEEDER STRUCTURE
E38
1TURN
E39
1TURN
LCD1
LCD2
J0680
LCD1
TOUCH PANEL LCD1
RS232C F
SERIAL
VGA
DC12V IN
J0681
LCD2
TOUCH PANEL LCD2
RS232C R
SERIAL
VGA
DC12V IN
SYS3 USB
USB3
USB2
USB1
MOUSE
KEY
RS1
LCD2
LCD1
RS2
SERIAL2
SERIAL1
VGA2
VGA1
SYS LAN3
LAN3
SYS LAN2
LAN2
SYS LAN1
LAN1
SYS USB1
SYS USB2
2TURN
E17 A06
J0215
J0213
J0212
J0211
J0210
SeePage7
1TURN
E12
J0174
J0171
LAN
LAN CABLE
SERVO C/R-2
SRV3 ECAT IN
J0180
KEYBOARD
2TURN
E20
REAR
A42
READER
BARCODE
IT OPTION(OPTION)
A41
READER
BARCODE
FRONT
F
R
E18
E19
J0925
J0926
USB4
KEYBOARD ASSY(OPTION)
16 02 22
AC IN
PE
SYS AC100V
J0663
J0035
SeePage2
POWER CIRCUIT -1-
AC100V
SYS3
YASUHIRO
USUI
'16 02 24

XD-AXIS 400W
XC-AXIS 400W
XA-AXIS 400W
M07
M06
M08
M05
XB-AXIS 400W
INCENC4:-
INCENC3:-
INCENC4:-
INCENC3:-
YCP
YCM
YP
YM
YAP
YAM
J0155
YP
YM
YDM
YDP
J0158
YP
YM
YBM
YBP YP
YM
J0113SRV2 ENC2
M2 J0152
M3
SERENC3:XA
SERENC4:XC
XBP
XM
XAP
XAM
XCP
XCM
XM
J0159
M2 J0154
M3
XBM XM
XDM
J0162
XM
SERENC3:XB
SERENC4:XD
SRV4 ENC2 J0116
XDP
KMB-000-CC
NAKATSU
See Page 10
See Page 6
See Page 10
See Page 10
See Page 10
7
I/O CONVEYOR -3-
See Page 2
POWER CIRCUIT -1-
SYSTEM C/R
CN32
AC100V
AC230V
I/O CONVEYOR -3-
CN39
SYSTEM LAN3
I/O CONVEYOR -3-
See Page 2
POWER CIRCUIT -1-
I/O CONVEYOR -3-
CN39
CN31
AC100V
AC230V
FLEXIBLE
E32
E31
M3
M3
M2
M2
M01
J0117
DUCT YA
YAP
M1
M1
E03
J0112
J0111
SRV1 ENC2
SRV1 ENC1
ENCODER2
ENCODER1
E02
J0151M0
M0
SERVO 1
SERVO CONTROL BOX ASSY-1 A02
SERENC4:-
SERENC3:-
INC ENC4 : PU2
INC ENC3 : PU1
ENCODER2 AXIS
SERENC2:-
SERENC1:-
ENCODER1 AXIS
INCENC2:YC
INCENC1:YA
E34
E33
J0319
J0251
SERVO C/R-1 SIDE-2
FAN32
J0173
TRG2
TRG1
ECAT OUT
SRV1 GOOD
GOOD
SERVO 2
ENCODER2 AXIS
S1 BK+24V
J0205SRV1 BK
BRAKE
ECAT OUT
SRV2 GOOD
GOOD
TRG2
TRG1
D.POWER
ECAT IN
BRAKE
E07
E06
M3
M2
ENCODER2
DPOW GOOD
GOOD
J0664
J0208
J0036
FAN BASE
PE
FAN
S1 AC100V
S1 AC230V J0006
AC100V
AC IN
M12
M11
PU3-AXIS 200W
PU4-AXIS 200W
□54 MAX 4500rpm
□54 MAX 4500rpm
PU4P
PU4M
PU4BK
PU4P
PU3M
PU3BK
PU3PPU3P
M3
M3
M2
M2
M04
M02
E05
E04
DUCT YD
FLEXIBLE
YBP
DUCT YB
FLEXIBLE
M1
M1
J0115SRV3 ENC2
ENCODER2
J0114SRV3 ENC1
ENCODER1
J0153
INC ENC4 : PU4
INC ENC3 : PU3
INCENC2:YD
INCENC1:YB
SERVO 3
SERVO CONTROL BOX ASSY-2 A03
M0
SERENC4:-
SERENC3:-
ENCODER2 AXIS
SERENC2:-
SERENC1:-
ENCODER1 AXIS
M0
E09
E08
J0252
SERVO C/R-2 SIDE-2
FAN37
J0319
SRV4 GOOD
GOOD
TRG2
TRG1
D.POWER
DPOW GOOD
GOOD
J0008
J0665
J0209
S2 AC100V
S2 AC230V
J0036
FAN BASE
PE
FAN
AC100V
AC IN
S3 BK+24V
SRV3 BK J0206
BRAKE
J0175
J0174SRV3 LAN1
TRG2
TRG1
ECAT OUT
ECAT IN
SRV3 GOOD
GOOD
SERVO 4
ENCODER2 AXIS
ENCODER2
ECAT OUT
ECAT IN
BRAKE
M3
M2
M10
M09
M03
PU2-AXIS 200W
PU1-AXIS 200W
□54 MAX 4500rpm
□54 MAX 4500rpm
PU1P PU1P
PU2P
PU2BK
PU2M
PU2P
DUCT YC
FLEXIBLE
PU1BK
PU1M
SERVO C/R
1
2
3
IM 技術 (S/M)
TEL 053-460-6116
PARTNo機械番号PART
▲△
APPD.
dcba
名称補足
STAFF CODE
SHEET NO.
NAME機械名称
CHCK.
DESN.
PA NUMBER SECTION NAME
APPD.
Ver.
RECORDED IN ANY MEDIA. USED FOR ANY OTHER PURPOSE OR DELIVERED AND/OR DISCLOSED TO ANY THIRD PARTY WITHOUT WRITTEN CONSENT OF YMC.
THIS DRAWING AND THE INFORMATION THEREIN ARE THE PROPERTY OF YAMAHA MOTOR CO.,LTD.(YMC) AND SHALL NOT BE REPRODUCED,COPIED,
結線図用図面 A3
FAX 053-460-6155
ヤマハ発動機株式会社IM事業部
YAMAHA MOTOR CO.,LTD. IM OPERATIONS
WINCAD Ver.E14-0006
J0118
J0119
J0120
XBP
XAP
J0121
J0122
J0123
J0124
J0125
J0126
J0127
J0128
J0129
J0131
J0130
J0132
J0163
J0165
J0164
J0166
SRV1 TRG1
See Page 6
CONVEYOR C/R
CV C/R SRV CN8
J0172SRV1 LAN1
ECAT IN
SRV2 TRG1
See Page 6
VISION BOARD
VISION1 TRG1(XA/XC)
J0203
J0204
See Page 6
VISION BOARD
VISION2 TRG1(XB/XD)
MAX 2.4m/s
□60 MAX 4500rpm
□60 MAX 4500rpm
MAX 2.4m/s
MAX 2.4m/s
□60 MAX 4500rpm
□60 MAX 4500rpm
MAX 2.4m/s
21
J0201
J0202
SRV3 TRG1
SRV4 TRG1
FAN5
FAN5
SERVO C/R-1 SIDE-1
FAN31
FAN4
SERVO C/R-1 UNDER-3
FAN30
FAN3
SERVO C/R-1 UNDER-2
FAN29
FAN2
SERVO C/R-1 UNDER-1
FAN28
FAN1
SERVO C/R-2 SIDE-1
FAN36
FAN4
SERVO C/R-2 UNDER-3
FAN35
FAN3
SERVO C/R-2 UNDER-2
FAN34
FAN2
SERVO C/R-2 UNDER-1
FAN33
FAN1
See Page 6
VISION BOARD
VISION2 TRG2(YB/YD)
See Page 6
VISION BOARD
VISION1 TRG2(YA/YC)
YSM40R-4 INTERCONNECTION DIAGRAM
J0157
J0156
J0161
J0160
YA-AXIS 2700W
YC-AXIS 2700W
YB-AXIS 2700W
YD-AXIS 2700W
V1
16 02 22
YASUHIRO
USUI
'16 02 24