文档中心
/
N7205A058E.pdf
N7205A058E.pdf - 第122页
= MEMO =
目录
100%
显示:宽度
宽度
1 / 333
回到旧版
旧版
?
= MEMO
=
EJM9B-TP-00W-04
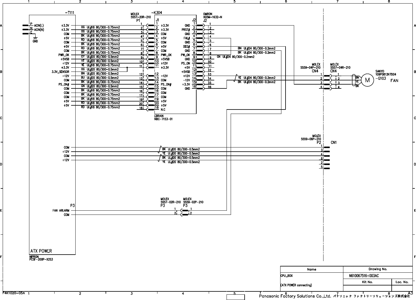
2. CONTROL BOX DIAGRAM
2-2 POWER UNIT
该页面需要启用 JavaScript 才能进行交互式预览。