文档中心
/
N7205A058E.pdf
N7205A058E.pdf - 第209页
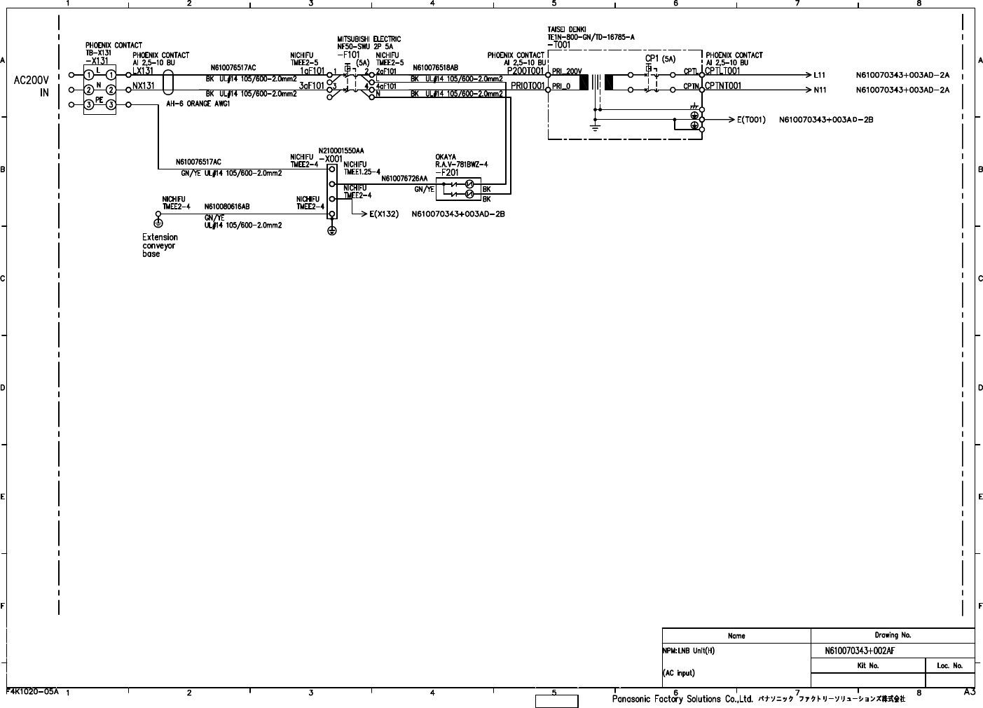
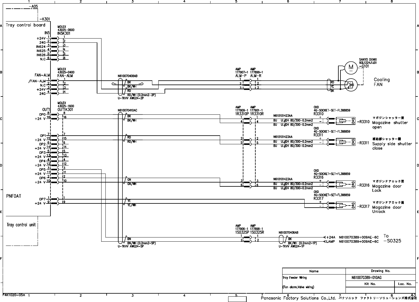
EJM9B-TP-00W-04 4. OPTION 4-7 LNB
目录
100%
显示:宽度
宽度
1 / 333
回到旧版
旧版
?
EJM9B-TP-00W-04
4. OPTION
4-7 LNB
该页面需要启用 JavaScript 才能进行交互式预览。