文档中心
/
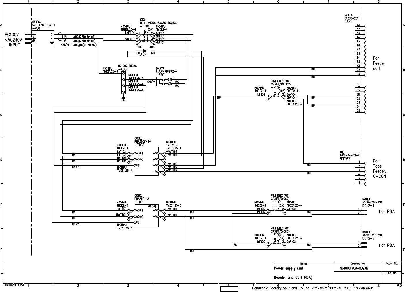
N7205A058E.pdf
N7205A058E.pdf - 第253页
在线预览 N7205A058E.pdf PDF 文档。
目录
100%
显示:宽度
宽度
1 / 333
回到旧版
旧版
?
= MEMO
=
该页面需要启用 JavaScript 才能进行交互式预览。