KE-3010A_KE-3010AC_KE-3020VA_KE-3020VRA-Rev09.pdf - 第179页
- 172 - NOTE( 注記 ) #01.. ..FOR EN EN 用 #02....FOR 30 10A,3010ACL 3010 A,301 0 ACL 用 #03....FOR 30 20VA,3020VRA 30 20 VA,3020 VRA 用 #04....FOR 30 10A(EN),3010ACL(EN) 3010 A(EN) ,301 0 ACL(EN)用 #05....F OR 3020VA( EN),3020…

- 171 -
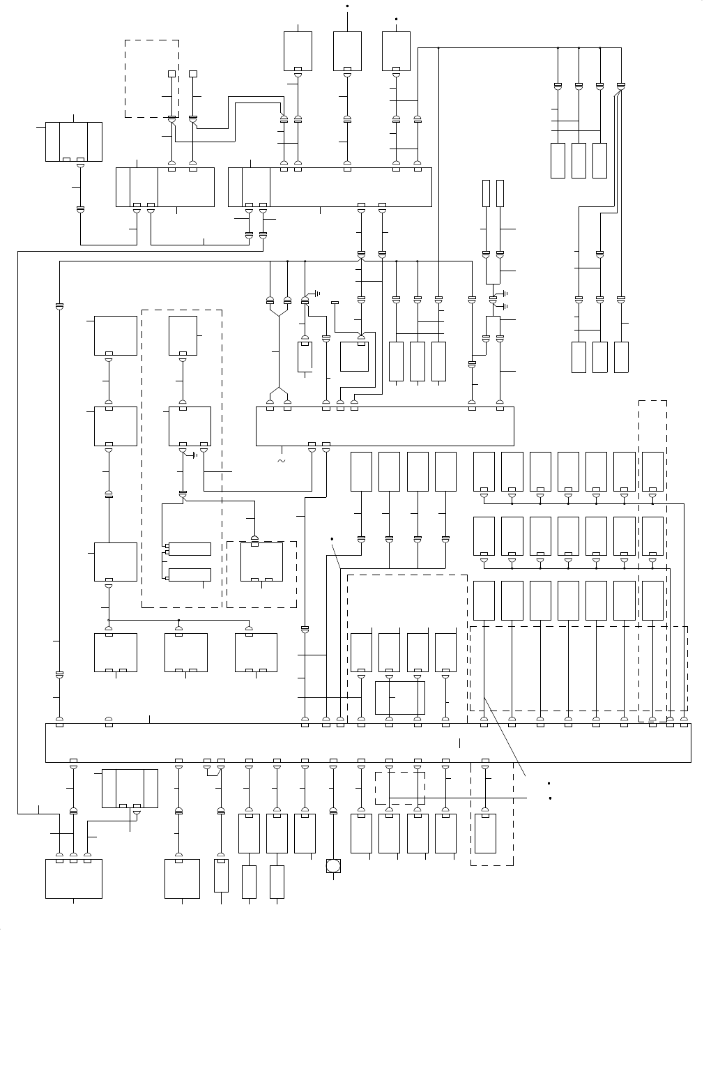
86.SYSTEM DIAGRAM(2)
SYSTEM DIAGRAM(2)
FAN
CN8
CN1223X +LIM
X NEAR
X -LIM
XNEAR
SENSOR
X +LIMIT
SENSOR
X -LIMIT
SENSOR
HEAD IO
2
2626252218
16141210
4
5
3
6
7
8
6
9
11 13 15 17 19 21
20
2827
1
6
29
30 30 30
31
32
39 40
37
45
38
33
36
35
34
42
41
43
46
6
47
50 51 52 53
48 49
5654
55 57 58 58
59
60 61
44
62 65
84 85
83
82
81
80
72
71
70
68
67
66
69
78 78 79
77
76
75
110
110
110
111
112
113
113
114
99
102 103
108 109
104
105
107
106
101
100
8
93
94
95
96
97
98
115
91
92
8
89
90
8
86
87
88
7473
23 24
ETHER MAIN PCB
OCC CAMERA
SLIGHT
CTRL PCB
S-HEAD MAIN
PCB ASM
IP-X7 PCB
TEMPERATURE
SENSOR PWB ASM
OCC C LIGHT PCB ASM
OCC A LIGHT PCB ASM
OCC A LIGHT PCB ASM
IEEE1394a
REPEATER
ONLY 3020V 3020VR
4AXIS SERVO
AMP(1) 2/2
4AXIS SERVO
AMP(2) 2/2
4AXIS SERVO
AMP(3) 2/2
ONLY 3020V 3020VR
4AXIS SERVO
AMP(4) 2/2
OCC
CAMERA
OCC C
LIGHT PCB ASM
OCC A
LIGHT PCB ASM
OCC A
LIGHT PCB ASM
ONLY 3020V 3020VR
IEEE1394
BOARD
SCM3 PCB
ONLY 3020VR
POWER UNIT 3/5
FEEDER PCB
1/2
8-PORT COM
BOARD 1/3
XY05
BASE I/O PCB
1/2
XY-RELAY PCB
2/3
8-PORT COM
BOARD 2/3
OPERATION
PCB (F) 1/2
OPERATION
PCB (R) 1/2
LIGHT-A1 CN10
LIGHT-A2
EN3
EN1
EN2
CN813
EN2
EN1
ETHER
SLAVE
PCB
4-2C
AC3
4-1D
CN478
EN1
CN2
CN32
CN33
HMS
HMS
HEADR
B/M
FIBER
B/M AMP
CN14
CDS
FIBER
CDS AMP
CN20
CN23
OCCL
LIGHT-C
CN12
CN1
CN9
NZ DWN1
CN26
Z1
PRESSURE
SENSOR
CN11
CN27
T7 SLOW
DOWN
SENSOR
CN25
CN41
CN40
CN39
CN38
CN37
CN36
CN35
CN8
CN7
CN6
CN31
CN28
CN16
CN13
CN19
CN15
CN245
1-5A
CN4B CN5
CN4D
CN4B
CN4D
1-5B
CN5
CN4B
CN4D
1-5C
CN5
CN201
LNC60
CN1
FMLA
CN4C CN5
1-5D
CN4D
OCCR
LIGHT-C
LIGHT-A1
LIGHT-A2
Z2
PRESSURE
SENSOR
Z3
PRESSURE
SENSOR
Z4
PRESSURE
SENSOR
Z5
PRESSURE
SENSOR
Z6
PRESSURE
SENSOR
Z7
PRESSURE
SENSOR
Z1 VAC SV
Z2 VAC SV
Z3 VAC SV
Z4 VAC SV
Z5 VAC SV
Z6 VAC SV
Z7 VAC SV
NZ DWN2
NZ DWN3
Z1 BLW SV
Z2 BLW SV
Z3 BLW SV
Z4 BLW SV
Z5 BLW SV
Z6 BLW SV
Z7 BLW SV
CN064
CN32
CN20
ONLY
3020V 3020VR
NOZZLE
DOWN
SENSOR L
NOZZLE
DOWN
SENSOR IC
NOZZLE
UP SV ASM
NOZZLE
DOWN
SENSOR R
3-3B
CN62
CN61
CN19
CN26
CN17
CN064
ION I/O
PUMP-IO
CN68
1-3B
1-5B
SI01
CH1
COM
J4
J8
CH1CH2
CN848
LNC60
IONIZER
ION PWR
SAFTY
UNIT(EN)
EN2
EN1
1-3A
SAFE IO
LED F
LED R
RT FULX
FULX RLY
COPLA LA
PILOT
LAMP
PILOT
LAMP
COPLA
LASER KEY
FULX PWR
FULX RLY1
FULX RLY2
MOTOR
SWITCH
CN901
XY10
XY03
CN16
CN10
MOTOR
SWITCH
CN4
4-5A
CN9
CN7
CN33
CN5
XYEN2
XYEN2
4-2A
ETHER
SLAVE
PCB
4-2A
CN2
CN1
EN2
ETHER
SLAVE
PCB
EN1
ES F
ETHER
SLAVE
PCB
EN2
EN1
3-2A
I/F R
I/F L
MTS I/F
MTC I/F
XY08
XY01
XY02
XY04
CN1247
CN1239
1-4B
SI02
4-4C
3-4A
3-4B
CN14
CN14
CN1241
CN127
Y -LIMIT
SENSOR
Y ++LINIT
SENSOR
Y NEAR
SENSOR
Y -LIMIT
SENSOR
Y ++LINIT
SENSOR
Y NEAR
SENSOR
ONLY 3010A/20VA/20VRA

- 172 -
NOTE( 注記 ) #01....FOR EN EN 用
#02....FOR 3010A,3010ACL 3010 A,3010 ACL 用
#03....FOR 3020VA,3020VRA 3020 VA,3020 VRA 用
#04....FOR 3010A(EN),3010ACL(EN) 3010 A(EN),3010 ACL(EN)用
#05....FOR 3020VA(EN),3020VRA(EN) 3020 VA(EN),3020 VRA(EN)用
#06....EXCEPT 3010ACL 3010 ACL を除く
REF.NO NOTE PART NO D E S C R I P T I O N
品 名
Qty
1 401-30259 S-HEAD MAIN PCB ASM
Sヘッドメイン基板組
1
2 401-49647 ETHER-MAIN PCB ASM
イーサメイン基板組
1
3 401-47903 ETHER CABLE MAIN-XY ASM
イーサケーブルメイン−XY組
1
4 401-47904 ETHER HEAD CABLE ASM
イーサヘッド束線組
1
5 401-47907 ETHER LIGHT CABLE ASM
イーサライト束線組
1
6 401-46388 XY BEAR CABLES ASM
XY ベアケーブル組
1
7 401-08607 S-LIGHT_CTRL PCB ASM
Sライトコントロール基板組
1
8 400-47557 ETHER-SLAVE PCB ASM
ETHER−SLAVE基板組
1
9 401-46374 OCC CABLE ASM
OCC ケーブル組
1
10 400-71300 IPX7 ASM
IPX7組
1
11 401-46355 HIGHT SENSOR RELAY CABLE ASM
ハイトセンサ中継ケーブル組
1
12 401-46354 HMS CABLE ASM
HMSケーブル組
1
13 400-47981 BAD MARK FIBER AMP ASM
バッドマークファイバアンプ組
1
14 HD-0013100-30 FIBER UNIT
ファイバユニット
1
15 400-45484 NOZZLE SENSOR AMP ASM
ノズルセンサアンプ組
1
16 HD-0026000-10 SENSOR
センサ
1
17 401-46370 HDM-TMP SENSOR CABLE ASM
HDM−TMP ケーブル組
1
18 401-28883 THERMAL SENSOR PCB ASM
サーマルセンサ基板組
1
19 401-46385 HEAD FAN RELAY CABLE ASM
ヘッドファン中継ケーブル組
1
20 401-19461 HEAD FAN MOTOR A ASSY
ヘッドファンモータA組
1
21 400-92466 OCC CAMERA L CABLE ASM
OCCカメラLケーブル組
1
22 400-48028 OCC CAMERA
OCCカメラ
1
23 401-09977 OCC LIGHT CABLE ASM
OCCライトケーブル組
1
24 401-09978 OCC LIGHT 3010 CABLE ASM
OCCライト3010ケーブル組
1
25 400-47512 OCC C LIGHT PCB ASM
OCC C ライト基板組
1
26 400-47508 OCC A LIGHT PCB ASM
OCC A ライト基板組
1
27 401-09979 OCC OPASS LIGHT CABLE ASM
OCCライトOPASSケーブル組
1
28
#03
401-13698 T7 SLOW DOWN SENSOR ASM
T7スローダウンセンサケーブル組
1
29 401-09976 HEAD I/O CABLE ASM
ヘッド I/O ケーブル組
1
30 401-29650 4AXIS INTEGRAL TYPE T AXIS DRIVER
4軸一体型軸ドライバ
1
31 401-46398 LNC60 I/F CABLE ASM
LNC60 I/F ケーブル組
1
32 400-45547 LNC60
レーザセンサ
1
33 400-44517 1394 ROBOT CABLE ASM
1394ロボットケーブル組
1
34 400-48078 IEEE1394 REPEATER BOARD
IEEE1394リピータボード
1
35 401-13617 1394 RELAY CABLE ASM
1394中継ケーブル組
1
36 401-50021 IEEE1394 BOARD
IEEE1394ボード
1
37 400-03264 FMLA SENSOR
FMLA センサ
1
38 E9345-721-0A0 CABLE ASM.
LAセンサ−接続ケ−ブル組
1
39 401-09971 LA SENSOR RELAY CABLE ASM
LAセンサ中継ケーブル組
1
40 401-09972 SCM3 PCB PWR CABLE ASM
SCM3電源ケーブル組
1
41 400-92460 SCM3 PCB
SCM3 基板
1
42 401-46373 FMLA SERIAL CABLE ASM
FMLA シリアルケーブル組
1
43 401-35433 8-PORT COM BOARD
8−PORT COM ボード
1
44 401-46395 XY BEAR 1P CABLE ASM
XY ベア 1P ケーブル組
1
45 401-29650 4AXIS INTEGRAL TYPE T AXIS DRIVER
4軸一体型軸ドライバ
1
46 401-09974 HEAD MAIN PWR CABLE ASM
ヘッドメイン電源ケーブル組
1
47 401-46401 NOZZLE UP SV RELAY CABLE ASM
ノズルアップ SV 中継ケーブル組
1
48
#02
401-46413 NOZZLE DOWN CABLE ASM
ノズルダウンケーブル組
1
49
#03
401-13703 NOZZLE DOWN CABLE ASM
ノズルダウンケーブル組
1
50 401-29113 NZL-UP SV CABLE ASM
NZL−UP SV ケーブル組
1
51 401-13702 NOZZLE DOWN SENS IC ASM
ノズルダウンセンサ IC ケーブル組
1
52 400-92495 NOZZLE DOWN SENS L ASM
ノズルダウンセンサ L ケーブル組
1
53 401-13701 NOZZLE DOWN SENS R ASM
ノズルダウンセンサ R ケーブル組
1
54 400-92467 OCC CAMERA R CABLE ASM
OCCカメラRケーブル組
1
55 400-48028 OCC CAMERA
OCCカメラ
1
56 401-09977 OCC LIGHT CABLE ASM
OCCライトケーブル組
1
57 400-47512 OCC C LIGHT PCB ASM
OCC C ライト基板組
1
58 400-47508 OCC A LIGHT PCB ASM
OCC A ライト基板組
1
59 401-09979 OCC OPASS LIGHT CABLE ASM
OCCライトOPASSケーブル組
1
60
#02
401-35793 VACUUM CABLE ASM(7AXIS)
バキュームケーブル(7軸)組
1
61
#03
401-35790 VACUUM CABLE ASM
バキュームケーブル組
1
62
#02
401-49489 POWER SUPPLY UNIT 10 ASM
電源ユニット10組
1
63
#04
401-49490 POWER SUPPLY UNIT 10(EN) ASM
電源ユニット10(EN)組
1
64
#03
401-49556 POWER SUPPLY UNIT 20 ASM
電源ユニット20組
1
65
#05
401-49559 POWER SUPPLY UNIT 20(EN) ASM
電源ユニット20(EN)組
1
66 401-46433 SERV/PMP CTRL CABLE ASM
SERV/PMP コントロールケーブル組
1
67 400-97626 IONIZER CABLE ASM
イオナイザケーブル組
1
68 400-93724 IONIZER
イオナイザ
1
69 401-13673 IONIZER PWR CABLE ASM
イオナイザ電源ケーブル組
1
70
#01
401-13640 SAFETY U 901 CABLE ASM(EN)
セーフティ U 901 ケーブル組(EN)
1
71 401-46389 XY-RELAY I/O CABLE ASM
XY−RELAY I/O ケーブル組
1
72 401-09960 XY-RELAY PWR CABLE ASM
XY−RELAY 電源ケーブル組
1
73 400-97616 XY-RELAY I/O REALY CABLE ASM
XY−RELAY I/O中継ケーブル組
1
74 401-13690 XY-RELAY PWR RELAY CABLE ASM
XY−RELAY 電源中継ケーブル組
1
75 400-99906 PILOT LAMP CABLE F ASM
パイロットランプケーブルF組
1
76 400-99907 PILOT LAMP CABLE R ASM
パイロットランプケーブルR組
1
77 401-13714 KEY SWITCH CABLE ASM
キースイッチケーブル組
1
78 400-99903 PILOT LAMP
パイロットランプ
1
79 400-99902 KEY SWITCH
キースイッチ
1
80 401-22784 ROTARY FLUXER I/O CABLE ASM
ロータリーフラクサI/Oケーブル組
1
81 401-22783 ROTARY FLUXER PWR CABLE ASM
ロータリーフラクサ電源ケーブル組
1
82 401-22786 ROTARY FLUXER CABLE ASM
ロータリーフラクサケーブル組
1
83 401-22787 ROTARY FLUXER MOTOR CABLE ASM
ロータリーフラクサモータケーブル組
1
84 401-22788 ROTARY FLUXER MOTOR ASM
ロータリーフラクサモータ組
1
85 401-22789 ROTARY FLUXER SWITCH ASM
ロータリーフラクサスイッチ組
1
86 401-47905 ETHER CABLE FEEDER LR-RF ASM
イーサ束線フィーダLR−RF組
1
87 400-47560 FEEDER PCB ASM
フィーダ基板組
1
88 401-47906 ETHER CABLE BASE FEEDER ASM
イーサ束線ベースフィーダ組
1
89 401-47901 ETHER CABLE XY BASE ASM
イーサ束線XYベース組
1
90 400-71680 BASE IO PCB ASM
ベースIO基板組
1
91 401-10049 MTC MTS I/F CABLE ASM
MTC MTS I/F ケーブル組
1
92 401-10050 MTC MTS I/F BR CABLE ASM
MTC MTS I/F ブラケットケーブル組
1
93 401-06795 S-XY RELAY PCB ASM
S−XYリレー基板組
1
94 401-47900 ETHER CABLE XY BASE RELAY ASM
イーサ束線XYベース中継組
1
95 401-47902 ETHER CABLE MAIN-XY RELAY ASM
イーサ束線メイン−XY中継組
1
96 401-13688 XY MTC MTS CABLE ASM
XY MTC MTS ケーブル組
1
97 401-13691 XY-RELAY HOD 232C RELAY CABLE ASM
XY−RELAY HOD 232C リレーケーブル組
1
98 401-46372 XY-RELAY HOD 232C CABLE ASM
XY−RELAY HOD 232C ケーブル組
1
99 401-35433 8-PORT COM BOARD
8−PORT COM ボード
1
100 400-97619 XY-RELAY OPERATION RELAY CABLE ASM
XY−RELAYオペレーションリレーケーブル組
1
101 401-10068 OPERATION RLY CABLE F ASM
オペレーション電源ケーブル組(F)
1
102 401-48273 OPERATION PCB FRONT10 PCB ASM
オペレーション基板フロント10組
1
103
#01
401-48277 OPERATION PCB FRONT10 ASM(EN)
オペレーション基板フロント10組(EN)
1
104 400-97620 XY-RELAY OPERATION RELAY CABLE ASM
XY−RELAYオペレーションリレーケーブル組
1
105 401-10069 OPERATION RLY CABLE R ASM
オペレーション電源ケーブル組(R)
1
106 401-13689 XY-RELAY SENSOR RELAY CABLE ASM
XY−RELAY センサリレーケーブル組
1
107 401-46403 XY-RELAY SENSOR CABLE ASM
XY−RELAY センサケーブル組
1
108 401-48275 OPERATION PCB REAR10 ASM
オペレーション基板リア10組
1
109
#01
401-48279 OPERATION PCB REAR10 ASM(EN)
オペレーション基板リア10組(EN)
1
110 401-29006 Y LMT SENSOR CABLE ASM
Y LMT センサケーブル組
1
111 401-46380 Y BEAR CABLES ASM
Y ベアケーブル組
1
112 401-46404 X PLUS SENSOR RELAY CABLE ASM
X プラスセンサケーブル組
1
113 401-29000 X LMT SENSOR CABLE ASM
X LMT センサケーブル組
1
114 401-29002 NEAR SENSOR CABLE ASM
ニアセンサケーブル組
1
115
#06
401-10050 MTC MTS I/F BR CABLE ASM
MTC MTS I/F ブラケットケーブル組
1

- 173 -
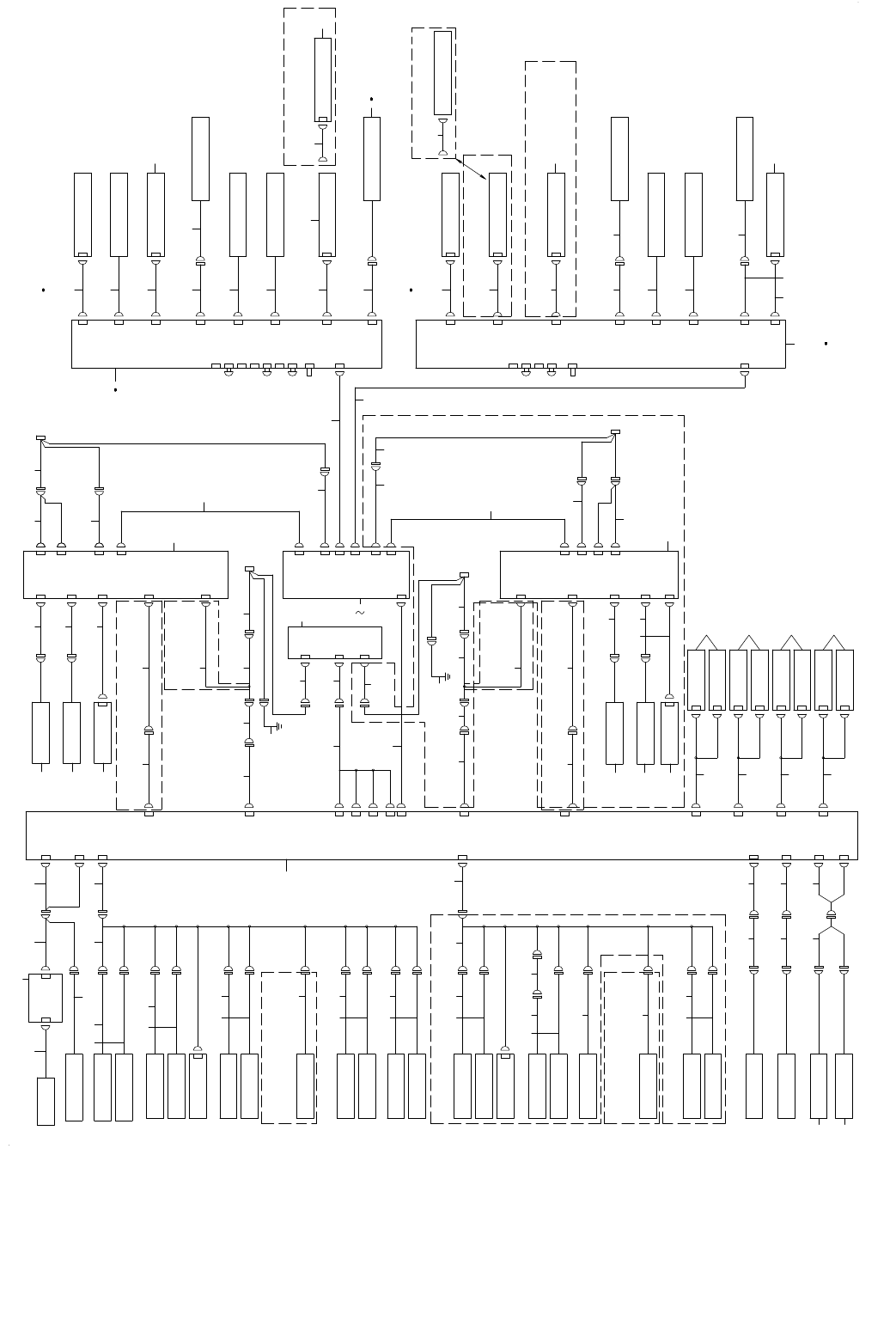
87.SYSTEM DIAGRAM(3)
SYSTEM DIAGRAM(3)
㹁㹌㸳
㹆㹍㹂
㹋㹌㹊㹒
㸲㸫㸳㸿
㹋㹌㹊㹒
㹁㹌㸯
㹁㹌㸰
㹁㹌㸱
㹁㹌㸱
㹁㹌㸵
㹁㹌㸰
㹁㹌㸯
㹁㹌㸶
㹁㹌㸳
㹁㹌㸴
㹁㹌㸱
㹁㹌㸯㸮
㹁㹌㸷
㹁㹌㸰
㸯
㸱
㸲㸷
㸶
㸰
㸴
㸵
㸵
㸯㸮
㸯㸮
㸳
㸯㸮
㸯㸮
㸯㸯
㸯㸰
㸯㸰
㸯㸰
㸰㸲㸰㸳
㸯㸱
㸯㸱
㸯㸲
㸯㸵
㸯㸱
㸯㸱
㸯㸳
㸯㸴
㸯㸯㸮
㸯㸴
㸯㸴
㸯㸶
㸯㸷
㸰㸮
㸰㸯
㸰㸰
㸰㸱
㸰㸴 㸰㸴 㸰㸵
㸰㸶 㸰㸷 㸱㸮
㸱㸯
㸱㸰
㸱㸱
㸱㸲
㸱㸳
㸱㸴
㸱㸵
㸲㸯
㸱㸴
㸱㸷
㸱㸶
㸲㸮
㸲㸶
㸳㸮
㸲㸰 㸲㸷
㸳㸯
㸲㸱
㸲㸲
㸲㸵
㸳㸰
㸳㸱
㸳㸲
㸳㸳
㸳㸴
㸳㸰
㸳㸵
㸳㸶 㸳㸶㸳㸷
㸴㸮 㸴㸯
㸴㸰
㸴㸷 㸵㸮 㸵㸯 㸵㸰
㸯㸮㸴 㸯㸮㸴 㸯㸮㸴 㸯㸮㸴
㸴㸱
㸵㸱
㸵㸲
㸵㸳
㸴㸲
㸴㸳
㸴㸴
㸴㸵
㸴㸶
㸵㸶 㸵㸷 㸶㸮 㸶㸯 㸶㸱 㸶㸳 㸶㸴 㸶㸵 㸶㸷
㸶㸲
㸶㸰
㸶㸶
㸲㸫㸳㸿
㸷㸮
㸷㸯
㸷㸰 㸷㸱
㸯㸮㸮
㸷㸴 㸷㸵 㸯㸮㸯 㸶㸳 㸶㸴
㸯㸮㸱
㸯㸮㸲㸶㸲
㸵㸴 㸵㸵
㸷㸲 㸷㸳
㸯㸮㸳
㹁㸿㹊ࠉ㹑㸬㹔
㹁㸿㹊ࠉ㹔㸿㹁㹓㹓㹋ࠉ
㹑㹃㹌㹑㹍㹐
㸿㹒㹁ࠉ㹍㹎㹃㹌ࠉ㹑㹃㹌㹑
㸿㹒㹁ࠉ㹁㹊㹍㹑㹃ࠉ㹑㹃㹌㹑
㸿㹒㹁ࠉ㹑㸬㹔
㹄㹃㹃㹂㹃㹐ࠉ㹄㹊㹍㸿㹒
㹑㹃㹌㹑㸦㹄㹄㸧㸦㹃㹋㹇㸧
㹄㹃㹃㹂㹃㹐ࠉ㹄㹊㹍㸿㹒ࠉ
㹑㹃㹌㹑㸦㹄㹄㸧㸦㹐㹃㹁㸧
㹄㹃㹃㹂㹃㹐ࠉ㹄㹊㹍㸿㹒
㹑㹃㹌㹑㸦㹄㹐㸧㸦㹐㹃㹁㸧
㹀㸿㹌㹉ࠉ㹓㹎ࠉ
㹑㹕ࠉ㸦㹄㸧
㹃㹊㹃㹁ࠉ㹄㹃㹃㹂ࠉ㹂㹃㹒ࠉ
㹑㹃㹌㹑㸦㹄㸧㸦㹐㹃㹁㸧
㹃㹊㹃㹁ࠉ㹄㹃㹃㹂ࠉ㹄㹊㹍㸿㹒ࠉ
㹑㹃㹌㹑㸦㹄㸧㸦㹐㹃㹁㸧
㹄㹃㹃㹂㹃㹐ࠉ㹄㹊㹍㸿㹒ࠉ
㹑㹃㹌㹑㸦㹄㹐㸧㸦㹃㹋㹇㸧
㹃㹊㹃㹁ࠉ㹄㹃㹃㹂ࠉ㹄㹊㹍㸿㹒
㹑㹃㹌㹑㸦㹄㸧㸦㹃㹋㹇㸧
㹃㹊㹃㹁ࠉ㹄㹃㹃㹂ࠉ㹄㹊㹍㸿㹒
㹑㹃㹌㹑㸦㹐㸧㸦㹃㹋㹇㸧
㹃㹊㹃㹁ࠉ㹄㹃㹃㹂ࠉ㹂㹃㹒
㹑㹃㹌㹑㹍㹐㸦㹄㸧㸦㹃㹋㹇㸧
㹃㹁㹓㹒㹒㹃㹐㸦㹄㸧
㹃㹁㹓㹒㹒㹃㹐㸦㹐㸧
㹄㹃㹃㹂㹃㹐ࠉ㹄㹊㹍㸿㹒ࠉ
㹑㹃㹌㹑㸦㹐㹄㸧㸦㹐㹃㹁㸧
㹄㹃㹃㹂㹃㹐ࠉ㹄㹊㹍㸿㹒
㹑㹃㹌㹑㸦㹐㹐㸧㸦㹐㹃㹁㸧
㹀㸿㹌㹉ࠉ㹓㹎ࠉ
㹑㹕ࠉ㸦㹐㸧
㹁㹌㸲㸰㸷
㹃㹊㹃㹁ࠉ㹄㹃㹃㹂ࠉ㹂㹃㹒ࠉ
㹑㹃㹌㹑㸦㹐㸧㸦㹐㹃㹁㸧
㹃㹊㹃㹁ࠉ㹄㹃㹃㹂ࠉ㹄㹊㹍㸿㹒ࠉ
㹑㹃㹌㹑㸦㹐㸧㸦㹐㹃㹁㸧
㹄㹃㹃㹂㹃㹐ࠉ㹄㹊㹍㸿㹒
㹑㹃㹌㹑㸦㹐㹄㸧㸦㹃㹋㹇㸧
㹄㹃㹃㹂㹃㹐ࠉ㹄㹊㹍㸿㹒ࠉ
㹑㹃㹌㹑㸦㹐㹐㸧㸦㹃㹋㹇㸧
㹁㹌㸲㸰㸴
㹁㹌㸯㸱㸰㸳
㸿㹇㹐㸦㹌㸧ࠉ㹑㹃㹌㹑㹍㹐
㸿㹇㹐㸦㹎㸧ࠉ㹑㹃㹌㹑㹍㹐
㹁㹌㸯㸱㸱㸱
㹁㸿㹊ࠉࠉ㹎㹁㹀
㹀㹉㸫㹄㹐
㹀㸿㹌㹉ࠉ
㹎㹁㹀ࠉ㸦㹄㸧
㹂㹐㹇㹔㹃ࠉ㹁㹗㹊㹇㹌㹂㹃㹐ࠉ
㸿㹑㹑㹗
㹂㹐㹇㹔㹃ࠉ㹁㹗㹊㹇㹌㹂㹃㹐ࠉ
㸿㹑㹑㹗
㹋㸫㹃ࠉ㹀㸿㹌㹉ࠉ㹑㹕
㹀㹉㸫㹄㹊
㹃ࠉ㹀㸿㹌㹉㸦㹐㸧
㹀㸿㹌㹉ࠉ
㹎㹁㹀ࠉ㸦㹐㸧
㹎㹍㹕㹃㹐ࠉ㹓㹌㹇㹒ࠉ㸲㸭㸳
㹃㹒㹄ࠉ㹎㹍㹕㹃㹐ࠉ
㹓㹌㹇㹒ࠉ㸰㸭㸰
㹋㸫㹀㸿㹌㹉㸦㹄㸧
㹃㹋㹅ࠉ㹑㹕㹝㹐
㹍㹎㹃㹐㸿㹒㹇㹍㹌ࠉ㹎㹁㹀ࠉ
㸦㹐㸧ࠉ㸰㸭㸰
㹑㹃㹐㹔㹍ࠉ㹄㹐㹃㹃
㹑㹒㸿㹐㹒
㹍㹌ࠉ㹊㹇㹌㹃
㹁㹗㹁㹊㹃㸭㹎㸿㹓㹑㹃
㹑㹒㹍㹎
㹍㹐㹇㹅㹇㹌
㹋㸿㹇㹌㹒㸿㹇㹌ࠉ㹉㹃㹗
㹍㹎㹃㹐㸿㹒㹇㹍㹌ࠉ㹎㹁㹀ࠉ
㸦㹄㸧ࠉ㸰㸭㸰
㹁㹍㹔㹃㹐㸦㹄㸧ࠉ㹊㹍㹁㹉ࠉ㹑㹔
㹁㹍㹔㹃㹐ࠉ㹍㹎㹃㹌ࠉ
㹑㹕㸦㹄㸧
㹃㹋㹅ࠉ㹑㹕㹝㹄
㹌㹍㹌㸫㹑㹒㹍㹎ࠉ㹑㹇㹅㹌㸿㹊ࠉ
㹊㹇㹅㹆㹒㸦㹄㸧
㹄㹃㹃㹂㹃㹐ࠉ㹑㹕㸦㹄㸧
㸦㹌㹍㹌㸫㹑㹒㹍㹎ࠉ㹍㹎㹃㹐㸿㹒㹇㹍㹌㸧
㹉㹃㹗ࠉ㹁㹆㸿㹌㹅㹃ࠉ㹑㹕
㹓㹑㹀ࠉ㹑㹃㹊㹃㹁㹒㹍㹐ࠉ
㸯㸭㸰
㹆㹍㹂ࠉ㹀㹍㹖
㹋㹍㹓㹑㹃㸭㹉㹃㹗㹀㹍㸿㹐㹂
㹑㹃㹊㹃㹁㹒㹍㹐ࠉ㸯㸭㸰
㸱㸮㸰㸮㹔㹐㸿ࠉ㹍㹌㹊㹗
㹁㹍㹔㹃㹐㸦㹐㸧ࠉ㹊㹍㹁㹉ࠉ㹑㹔
㹌㹍㹌㸫㹑㹒㹍㹎ࠉ㹑㹇㹅㹌㸿㹊ࠉ
㹊㹇㹅㹆㹒㸦㹐㸧
㹄㹃㹃㹂㹃㹐ࠉ㹑㹕㸦㹐㸧
㸦㹌㹍㹌㸫㹑㹒㹍㹎ࠉ㹍㹎㹃㹐㸿㹒㹇㹍㹌㸧
㹉㹃㹗ࠉ㹁㹆㸿㹌㹅㹃ࠉ㹑㹕
㹑㹇㹅㹌㸿㹊ࠉ㹊㹇㹅㹆㹒
㹇㹍㹌ࠉ㹑㹔
㹁㹌㸰
㹁㹌㸯
㹁㸿㹊㹄
㹁㹌㸴㸴㸷
㹁㹌㸯㸮㸶㸵
㹁㹌㸯㸷
㹁㹌㸯㸮㸶㸶
㹁㹌㸯㸱㸰㸱
㹁㹌㸯㸱㸱㸮
㹁㹌㸯㸱㸱㸱
㹁㹌㸯㸱㸰㸳
㸿㹒㹁ࠉ㹑㸬㹔㸬
㹁㹌㸯㸱㸰㸷
㹁㹌㸯㸱㸰㸲
㹁㹌㸯㸱㸱㸯
㹁㹌㸯㸱㸰㸱
㹁㹌㸯㸱㸱㸮
㹁㹌㸰㸯
㹁㹌㸯㸱㸰㸷
㹁㹌㸯㸱㸰㸲
㹁㹌㸯㸱㸱㸯
㹁㹌㸯㸱㸰㸵
㹃㸫㹁㹓㹒㹒㹃㹐
㹃㸫㹁㹓㹒㹒㹃㹐
㹁㹌㸯㸲㸱㸳
㹁㹌㸯㸱㸱㸳
㹁㹓㹒ࠉ㹄
㹁㹓㹒ࠉ㹐
㸿㹇㹐ࠉ
㹑㹃㹌㹑㹍㹐
㹂㹐㹇㹔㹃ࠉ㹁㹗㹊㹇㹌㹂㹃㹐ࠉ
㸿㹑㹑㹗
㹂㹐㹇㹔㹃ࠉ㹁㹗㹊㹇㹌㹂㹃㹐ࠉ
㸿㹑㹑㹗
㹋㸫㹃ࠉ㹀㸿㹌㹉ࠉ㹑㹕
㹊㹃㹂ࠉ㹎㹁㹀㸦㹄㸫㹊㹊㸧
㹊㹃㹂ࠉ㹎㹁㹀㸦㹄㸫㹊㹐㸧
㹊㹃㹂ࠉ㹎㹁㹀㸦㹄㸫㹐㹊㸧
㹊㹃㹂ࠉ㹎㹁㹀㸦㹄㸫㹐㹐㸧
㹊㹃㹂ࠉ㹎㹁㹀㸦㹐㸫㹐㹐㸧
㹊㹃㹂ࠉ㹎㹁㹀㸦㹐㸫㹐㹊㸧
㹊㹃㹂ࠉ㹎㹁㹀㸦㹐㸫㹊㹐㸧
㹊㹃㹂ࠉ㹎㹁㹀㸦㹐㸫㹊㹊㸧
㹋ࠉ㹀㸿㹌㹉ࠉ㹍㹌㹊㹗
㹁㹌㸱㸵㸮
㹁㹌㸱㸳㸱
㹃ࠉ㹀㸿㹌㹉㸦㹄㸧
㹐㹊㹗㸮㸱
㹁㹌㸲㸯㸶
㹁㹌㸶
㹁㹌㸵
㹁㹌㸰㸲
㹁㹌㸰㸱
㹁㹌㸯㸷
㹁㹌㸳
㹁㹌㸰㸮
㹁㹌㸱
㹁㹌㸱
㹁㹌㸰㸵
㹁㹌㸰㸶
㹁㹌㸱㸮
㹁㹌㸱㸯
㹁㹌㸯
㹁㹌㸲
㹁㹌㸲
㹁㹌㸯㸳
㹁㹌㸯㸴
㹁㹌㸯㸵
㹁㹌㸯㸶
㹁㹌㸰㸯
㹁㹌㸱
㹁㹌㸱
㹁㹌㸱㸵㸮
㹁㹌㸱㸳㸱
㹁㹌㸱㸳㸯
㹁㹌㸱㸳㸯
㹁㸿㹊㹐
㸯㸫㸯㹀
㹁㹌㸴㸷
㹁㹌㸴㸵
㹁㹌㸵㸮
㹁㹌㸲
㹁㹌㸲
㹀㹉㸫㹐㹊
㹀㹉㸫㹐㹐
㹁㹌㸰
㹁㹌㸷
㹁㹌㸯㸮
㹁㹌㸯㸱
㹁㹌㸵
㹁㹌㸶
㹁㹌㸳
㹁㹌㸴
㹁㹌㸰㸱
㸰㸫㸱㹀
㹁㹌㸰㸲
㹁㹌㸴㸳
㹁㹌㸱㸮
㹁㹌㸱㸯
㹁㹌㸴㸴
㹁㹌㸰㸳
㸲㸫㸲㸿
㸰㸫㸳㹁
㹁㹌㸯㸰
㹑㹕㸰
㹑㹕㸯
㹑㹕㸱
㹑㹕㸲
㹑㹕㸳
㹑㹕㸴
㹑㹕㸵
㹁㹌㸯
㹁㹌㸶
㹁㹌㸰㸱
㹁㹌㸵
㹁㹌㸰㸰
㹁㹌㸯㸳
㹁㹌㸰㸯
㹁㹌㸰㸲
㹁㹌㸯㸰
㹁㹌㸶
㹁㹌㸰㸱
㹁㹌㸵
㹁㹌㸰㸰
㹁㹌㸯㸳
㹁㹌㸯㸮
㹁㹌㸰㸮
㹁㹌㸯㸱
㸰㸫㸳㹁
㹑㹕㸰
㹑㹕㸯
㹑㹕㸲
㹑㹕㸳
㹁㹌㸯
㹁㹌㸯㸱
㹋㸫㹀㸿㹌㹉㸦㹐㸧
㸦㹋㸭㹃ࠉ㹀㸿㹌㹉ࠉ㹓㹌㹇㹒ࠉ㹍㹎㸧
㸷㸷
㹍㹌㹊㹗ࠉ㸱㸮㸯㸮㸿㸭㸰㸮㹔㸿㸭㸰㸮㹔㹐㸿
㹋ࠉ㹀㸿㹌㹉ࠉ㹍㹌㹊㹗
㹁㹍㹔㹃㹐ࠉ㹍㹎㹃㹌ࠉ㹑㹕㸦㹐㸧
㸶㸮
㹁㹍㹔㹃㹐ࠉ㹍㹎㹃㹌ࠉ㹑㹕㸦㹐㸧
㸷㸶
㹍㹌㹊㹗ࠉ㸱㸮㸯㸮㸿㹁㹊
㸯㸮㸰
㹍㹌㹊㹗ࠉ㸱㸮㸯㸮㸿㸭㸰㸮㹔㸿㸭㸰㸮㹔㹐㸿
㹂㹐㹇㹔㹃ࠉ㹁㹗㹊ࠉ
㹑㹃㹌㹑㹍㹐ࠉ㹄ࠉ㸿㹑㹋
㹁㹌㸲㸳㸯
㹄㹃㹃㹂㹃㹐ࠉ
㹎㹁㹀ࠉ㸰㸭㸰
㸰㸫㸳㸿
㸯㸮㸵
㹍㹌㹊㹗ࠉ㸱㸮㸯㸮㸿㸭㸰㸮㹔㸿㸭㸰㸮㹔㹐㸿
㸦㹋㸭㹃ࠉ㹀㸿㹌㹉ࠉ㹓㹌㹇㹒ࠉ㹍㹎㸧
㸯㸮㸶
㹁㹌㸰
㸦㹋㸭㹃ࠉ㹀㸿㹌㹉ࠉ㹓㹌㹇㹒ࠉ㹍㹎㸧
㹁㹌㸰
㸦㹋㸭㹃ࠉ㹀㸿㹌㹉ࠉ㹓㹌㹇㹒ࠉ㹍㹎㸧
㸯㸮㸷