KE-3010A_KE-3010AC_KE-3020VA_KE-3020VRA-Rev09.pdf - 第183页
- 176 - NOTE( 注記 ) #01....FOR EN EN 用 #02....FOR 3 010A,3010ACL 3010 A,3010 ACL 用 #03....FOR 3 010A(EN),3010ACL(EN) 3010 A(EN) ,3010 ACL(EN)用 #04....FOR 3 020VA,3020VRA 3020 VA,3020 VRA 用 #05....FOR 3020VA(EN),3020VRA(EN…

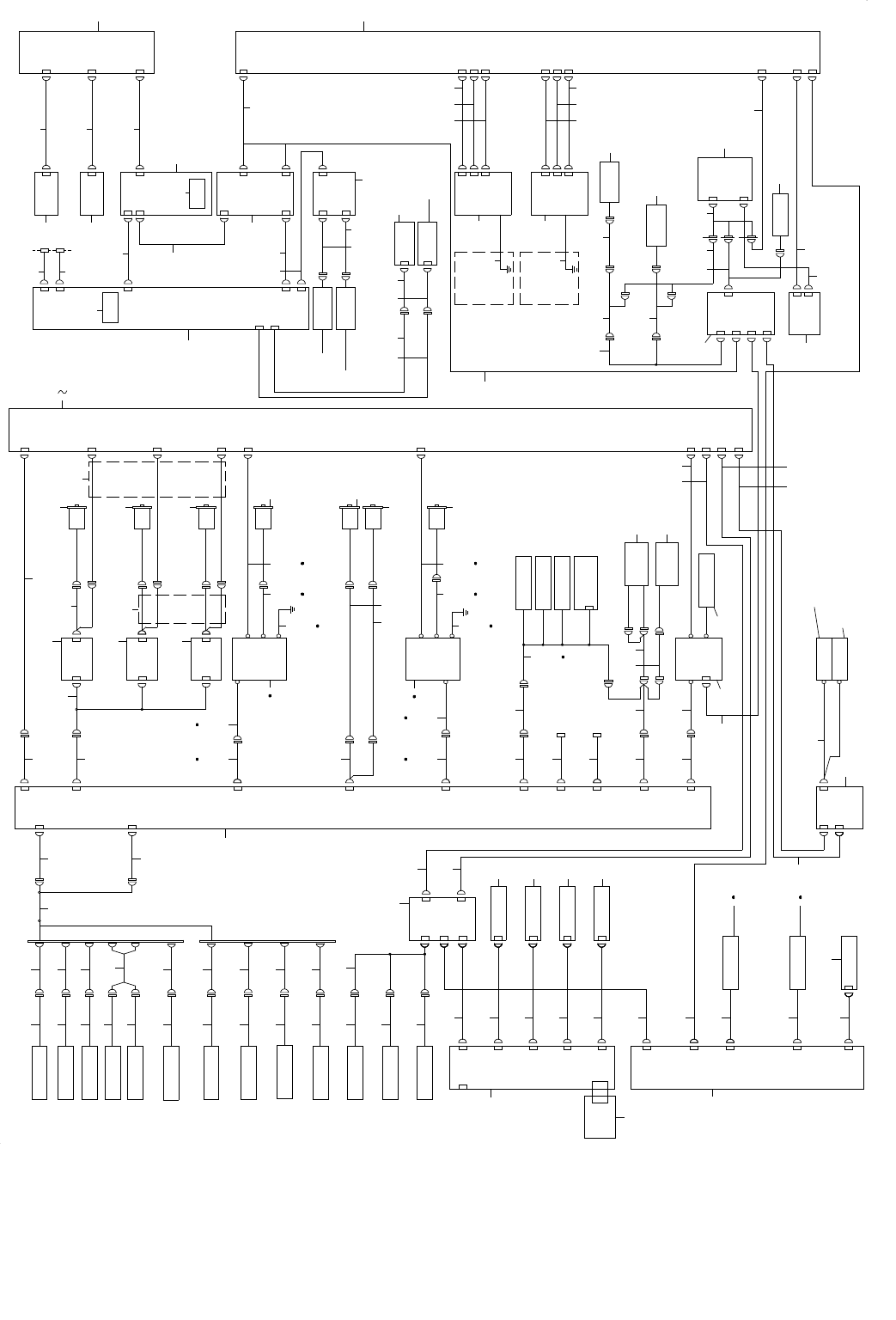
- 175 -
88.SYSTEM DIAGRAM(4)
SYSTEM DIAGRAM(4)
1 3 5 7 3
1
2 4 6
9 11
13
15
10
12
14
16
8
153
154 42
20 21
19
43
23
24 25 25 25 33 34 35
22
26
32
36 37
30
17
18
31 31 31
28 29
27
38
40
39
38 41
101
103
44 46
47
45
51 52
53 54
55 51 52
56 57
59
58 61 62
48
76
77
48
48
49 50
60 82
49 50
106 109
74
757575
83 88
89 96
63
69
64 70
71
72
65
66
67 68
87
86
105
104
102
94 95
92 93
90 91
84 85
80
81
78 79
97
98
99
100
110
112
111
111
113
114
115
116
119
118
122 123 126
120 121
125
127
130
128
124 129
117
131
133
132
133
132
140
141141
144 110
146
145
147
149
143
143
142
150
152
151
148
134
135
136
139
138
137
73
LEFT SENSOR
WAIT SENSOR
BU ORG SENSOR
STOP SENSOR
COUT SENSOR
RIGHT SENSOR
BU PIN SENSOR
(EMISSION)
BU LOCK SENSOR
BU PIN SENSOR
(RECEIVING)
AWC ORG SENSOR
VCS OP
SENS ASM
VCS ST
SENS ASM
VCS S.V.
CABLE ASM
S BOTTOM
LIGHT PCB
IP-X7
PCB 2/2
2-1B
CN10 72
CN10 67
CN1065
CN1066
CN1370
CN1371
CN475
CN474
CN476
S4
S3
S1
S6
S7
S5
SB1
S1
S3
S2
S5
SB2
COAXIA L
LIGHT PCB
CN2
CN1
CN9
CN6
CN6
CN6
CN6
VOUT
AC1
AC2
IP-X7 ENC
CN4
CN1
VCS
CAMERA
VCS
CAMERA
XENC
LENZE ST
LENZE OP
1-2B
X SERVO AMP
MR-J4-70B-KM012 2/2
SSIDE
LIGHT PCB
CN1
SSIDE
LIGHT PCB
CN1
SSIDE
LIGHT PCB
CN1
S LIGHT
CTRL PCB
2/2
BACK LIGHT
PCB
CN1
CN10
CN9
CN8
2-1A
CN7
CN6
CN10
CN9
BASE I/O
PCB 2/2
2-5B
CN22
CN16
CN12
CN14
CN17
CN14
CN23
CN25
CN3
CN4
CN21
CN15
CN5
CN8
SMEMA
(LOWER
UNIT)
SMEMA
(UPPER
UNIT)
CN13
FLUX SV
EV
FLUXER1
FLUXER2
LOAD CELL
AMP
CN1
CN1
CN2
CVS PCB
CN3
CVS
CONTACT(+)
CVS
CONTACT(-)
FLUXER
UNIT ASM
(BANK)
FLUXER
UNIT ASM
(BASE)
STOPPER SV
SHAPE Y SV
(BU_L LOCK SV)
CN909
(SAFTY UNIT)
LOAD CELL ASM
AWC MOTOR
AWC MOTOR
BU UP ENCODER
AWCM
AWCE
BUE
CN8
2P
4P
BANK
CN60
CN36
CN28
CN11
CN12
BU UP MOTOR
CN34
CN35
CEN T
MOTOR
OUT
MOTOR
IN
MOTOR
POWER UNIT 5/5
3-3B
CN27
CN33
CN16
CN12
BUM
OTM-P
RMT
CMT
CM-P
LMT
INM-P
IN MOTOR
DRV
CENT MOTOR
DRV
OUT MOTOR
DRV
CN1
CN2
CN1
CN2
CN1
CN2
5PHASE DRIVER
CN15
5PHASE DRIVER
CN17
CN18
CN14
S-XY RELAY
PCB 3/3
YL SERVO AMP
MR-J4-200B-KM012
2/2
COPLA CPU
BOAD 2/2
COPLA MONITOR
SWITCH BOARD
2/2
CN13
2-5C
YENC
1-2C
LAN1
DVI1
LAN 2
1-3D
CN3
CN2
CN8
CN1
CN1
CN3
CN2
USB
SELECTOR
2/2
CPU
BOARD
1/2
USB
USB
USB
LAN
SSD
DVI1
2-4D
USB
KEYBOARD
SP ASM
USB
KEYBOARD
SP ASM
REAR
FRONT
SUPER IMPOSE
BOARD
COPLA SENSOR
HEAD
RS232C
VIDEO
DC12V
RS232C
DC12V
VIDEO
MONITOR(F)
MONITOR(R)
EN ONLY
EN ONLY
CODE
READER
(HEAD)
DM100
DM100
CODE
READER
(CONVE YOR)
DM100
ATX- POWER
2/2
1-2D
HD
COM
RS1
DVI1
M1(OUT 12V)
RS2
M2(OUT 12V)
DVI2
INPUT DC12V
RS PC1
NTSC1
CN9
CN6
CN5
BARCODE
READER
BR
SIO7
SIO8
5VDC
5VDC
8-PORT COM
BOARD 3/3
2-5B
SIO7/8
SIO5
SIO6
SIO4
SIO3
2-4B
CPU
BOARD
2/2
COM2
COM1
LAN
DVI PC
155
COPLA
SSD ASM
BARCORD
READER(R)
BARCORD
READER(F)
USB
USB
156
156
157
157
158
158
117

- 176 -
NOTE( 注記 ) #01....FOR EN EN 用
#02....FOR 3010A,3010ACL 3010 A,3010 ACL 用
#03....FOR 3010A(EN),3010ACL(EN) 3010 A(EN),3010 ACL(EN)用
#04....FOR 3020VA,3020VRA 3020 VA,3020 VRA 用
#05....FOR 3020VA(EN),3020VRA(EN) 3020 VA(EN),3020 VRA(EN)用
#06....FOR ISM COOPERATION OP ISM COOPERATION OP 用
REF.NO NOTE PART NO D E S C R I P T I O N
品 名
Qty
1 401-29046 SIDE SENSOR CABLE ASM
サイドセンサケーブル組
1
2 401-46364 LEFT SENSOR CABLE ASM
LEFT センサケーブル組
1
3 401-35828 LR WAIT COUT SENSOR ASM
LRウェイトCOUTセンサ組
1
4 401-10054 WAIT SENSOR CABLE ASM
ウェイトセンサケーブル組
1
5 401-29042 AWC/BU ORG SENSOR CABLE ASM
AWC/BU ORG センサワイヤー組
1
6 401-46362 BU ORG SENSOR CABLE ASM
BU ORG センサケーブル組
1
7 401-10065 STOP SENSOR ASM
STOPセンサ組
1
8 401-46432 ST/CO SENSOR CABLE ASM
ST/CO センサケーブル組
1
9 401-46363 RIGHT SENSOR CABLE ASM
RIGHT センサケーブル組
1
10 401-29058 SEPARATE SENSOR EMISSION ASM
SEPARATE センサ投光組
1
11 401-46361 BU PIN(EMIS) CABLE ASM
BU PIN(投光)ケーブル組
1
12 400-92574 BU LOCK SENSOR ASM
BU ロックセンサ組
1
13 401-10058 BU LOCK SENSOR CABLE ASM
BU ロックセンサケーブル組
1
14 401-29057 SEPARATE SENSOR RECEIVER ASM
SEPARATE センサ受光組
1
15 401-46365 BU PIN(RCV) CABLE ASM
BU PIN(受光)ケーブル組
1
16 401-29042 AWC/BU ORG SENSOR CABLE ASM
AWC/BU ORG センサワイヤー組
1
17 401-46366 AWC ORG SENSOR CABLE ASM
AWC ORG センサケーブル組
1
18 400-02147 VCS OP SENSOR ASM
VCS OP センサ組
1
19 401-09803 S_VCS SENSOR CABLE ASM
S_VCS センサケーブル組
1
20 400-02146 VCS ST SENSOR ASM
VCS ST センサ組
1
21 400-02148 VCS SV CABLE ASM
VCS SV ケーブル組
1
22 401-08595 S-BOTTOM-LIGHT PCB ASM
Sボトムライト基板組
1
23 401-09802 S_VCS LIGHT CABLE ASM
S_VCS ライトケーブル組
1
24 401-09805 S_BACK LIGHT CABLE ASM
S_BACK ライトケーブル組
1
25 401-09804 S_SIDE LIGHT CABLE ASM
S_SIDE ライトケーブル組
1
26 400-66576 COAXIAL LIGHT PCB ASM
同軸照明基板組
1
27 401-08607 S-LIGHT_CTRL PCB ASM
Sライトコントロール基板組
1
28 401-09801 S_VCS LED POWER CABLE ASM
S_VCS LED 電源ケーブル組
1
29 401-13632 LIGHT CONTROL POWER ASM
ライトコントロール電源組
1
30 400-66577 BACK LIGHT PCB ASM
バックライト基板組
1
31 401-08603 S-SIDE-LIGHT PCB ASM
Sサイドライト基板組
1
32 400-71300 IPX7 ASM
IPX7組
1
33 401-09806 CAMERA TRIG CABLE ASM
CAMERA TRIG ケーブル組
1
34 E9623-721-000 PORTRAIT MONITOR CABLE
画像モニタケーブル
1
35 401-13633 VCS CAMERA ST CABLE ASM
VCS カメラ ST ケーブル組
1
36 401-13634 VCS CAMERA OP CABLE ASM
VCS カメラ OP ケーブル組
1
37 401-09797 X ENCODER OUTPUT CABLE ASM
X エンコーダ出力ケーブル組
1
38 400-71669 VCS CAMERA
VCSカメラ
1
39 401-29652 X AXIS DRIVER
X軸ドライバ
1
40 400-71668 LENZE STD
レンズSTD
1
41 400-71667 LENZE OPT
レンズOPT
1
42 400-92631 BASE-IO SENSOR RLY CABLE ASM
BASE−IO センサ中継ケーブル組
1
43 400-71680 BASE IO PCB ASM
ベースIO基板組
1
44 400-92630 BASE-IO POWER RLY CABLE ASM
BASE−IO電源中継ケーブル組
1
45 401-10018 BASE-IO POWER CABLE ASM
BASE−IO 電源ケーブル組
1
46 400-92628 BASE-IO MTR1-3 RLY CABLE ASM
BASE−IO MTR1−3中継ケーブル組
1
47 401-46443 MT1-3 PULSE CABLE ASM
MT1−3 PULSE ケーブル組
1
48 HM-0013200-00 MOTOR DRIVER
モータドライバ
1
49 HX-0042000-00 5 PHASE STEP DRIVER
5相ステッピングモータドライバ
1
50 HX-0068900-00 5 PHASE STEP DRIVER
5相ステッピングモータドライバ
1
51 401-46429 BASE-IO MTR4-5 RLY CABLE ASM
BASE−IO MTR4−5中継ケーブル組
1
52 400-92629 BASE-IO MTR4-5 RLY CABLE ASM
BASE−IO MTR4−5中継ケーブル組
1
53 401-10030 BU DRIVE CABLE ASM
バックアップドライバケーブル組
1
54
#01
401-10031 BU DRIVE CABLE ASM(EN)
バックアップドライバケーブル組
1
55 401-46430 BASE-IO ENC RLY CABLE ASM
BASE−IO ENC 中継ケーブル組
1
56 401-10037 AWC DRIVE CABLE ASM
AWCモータケーブル組
1
57
#01
401-10038 AWC DRIVE CABLE ASM(EN)
AWCモータケーブル組(EN)
1
58 400-92633 BASE-IO SOL RLY CABLE ASM
BASE−IO SOL 中継ケーブル組
1
59 401-10044 SV CABLE ASM
ソレノイドバルブケーブル組
1
60 401-10045 SV WIRE ASM
ソレノイドバルブ ワイヤー組
1
61 401-10047 SMEMA IN CABLE ASM
スメマ IN ケーブル組
1
62 401-10048 SMEMA OUT CABLE ASM
スメマ OUT ケーブル組
1
63 400-92632 BASE-IO SENS-FX RLY CABLE ASM
BASE−IO SENS−FX中継ケーブル組
1
64 401-13660 FLUXER RELAY CABLE ASM
FLUXER 中継ケーブル組
1
65 400-99908 FLUXER BASE RELAY CABLE ASM
フラクサベース中継ケーブル組
1
66 400-99909 FLUXER BASE RELAY CABLE ASM
フラクサベース中継ケーブル組
1
67 400-42180 FLUXER CYLINDER UNIT ASM
フラクサシリンダユニット組
1
68 400-97610 FLUXER CYLINDER BANK UNIT ASM
フラクサシリンダバンクユニット組
1
69 400-92624 BASE-IO AN-IN RLY CABLE ASM
BASE−IO AN−IN 中継ケーブル組
1
70 401-13658 LOAD CELL ANAROG CABLE ASM
ロードセルアナログケーブル組
1
71 401-46378 LOAD CELL CTRL CABLE ASM
ロードセルCTRLケーブル組
1
72 400-32128 LOAD CELL AMPLIFIER
ロードセルアンプ
1
73 400-31620 LOAD CELL ASM
ロードセル組
1
74 401-46442 IN-MOTOR CABLE ASM
INモータケーブル組
1
75 400-48074 CENTER MOTOR ASM
センタモータ組
1
76 401-46444 MOTOR DRIVER POWER CABLE ASM
モータドライバ電源ケーブル組
1
77 401-46445 CENT/OUT MOTOR CABLE ASM
CENT/OUT モータケーブル組
1
78 401-10019 BU DRV POWER CABLE ASM
BU ドライバ電源ケーブル組
1
79
#01
401-10020 BU DRV POWER CABLE ASM(EN)
BU ドライバ電源ケーブル組(EN)
1
80 401-10032 BU MOTOR CABLE ASM
バックアップモータケーブル組
1
81
#01
401-10033 BU MOTOR CABLE ASM(EN)
バックアップモータケーブル組(EN)
1
82
#01
401-10046 SV WIRE ASM (EN)
ソレノイドバルブ ワイヤー組(EN)
1
83 400-48076 BACK UP MOTOR ASM
バックアップモータ組
1
84 401-10034 BU DRV FG CABLE ASM
BUドライバFGケーブル組
1
85
#01
401-10035 BU DRV FG CABLE ASM(EN)
BUドライバFGケーブル組(EN)
1
86 401-10036 BU ENC CABLE ASM
BU エンコーダケーブル組
1
87 401-10043 AWC ENC CABLE ASM
AWC エンコーダケーブル組
1
88 E9433-729-0A0 BU ENC
BU ENC組
1
89 400-48077 AWC MOTOR ASM
幅調モータ組
1
90 401-10021 AWC DRV POWER CABLE ASM
AWC ドライバ電源ケーブル組
1
91
#01
401-10022 AWC DRV POWER CABLE ASM(EN)
AWC ドライバ電源ケーブル組
1
92 401-10039 AWC MOTOR CABLE ASM
AWC モータケーブル組
1
93 401-10040 AWC MOTOR CABLE ASM(EN)
AWC モータケーブル組(EN)
1
94 401-10041 AWC DRV FG CABLE ASM
AWC ドライバ FG ケーブル組
1
95
#01
401-10042 AWC DRV FG CABLE ASM(EN)
AWC ドライバ FG ケーブル組(EN)
1
96 400-48077 AWC MOTOR ASM
幅調モータ組
1
97 401-13657 LOAD CELL AMP POWER CABLE ASM
ロードセルアンプ電源ケーブル組
1
98 401-09801 S_VCS LED POWER CABLE ASM
S_VCS LED 電源ケーブル組
1
99 401-13632 LIGHT CONTROL POWER ASM
ライトコントロール電源組
1
100 401-13671 CVS POWER CABLE ASM
CVS 電源ケーブル組
1
101 401-46379 CVS COM CABLE ASM
CVS COMM ケーブル組
1
102 400-95117 CVS PCB ASM
CVS基板組
1
103 401-01188 CVS PROBE CABLE ASM
CVSプロ―ケーブル組
1
104 401-03180 CVS CONTACT CABLE(+) ASM
CVSコンタクトケーブル(+)組
1
105 401-05380 CVS CONTACT CABLE(-) ASM
CVSコンタクトケーブル(−)組
1
106
#02
401-49489 POWER SUPPLY UNIT 10 ASM
電源ユニット10組
1
107
#03
401-49490 POWER SUPPLY UNIT 10(EN) ASM
電源ユニット10(EN)組
1
108
#04
401-45556 POWER SUPPLY UNIT 20 ASM
電源ユニット20組
1
109
#05
401-49559 POWER SUPPLY UNIT 20(EN) ASM
電源ユニット20(EN)組
1
110 401-23242 CPU BOARD
CPUボード
1
111 400-44522 USB RELAY CABLE
USB延長ケーブル
1
112 401-49405 ENVIRONMENT SYSTEM ASM 10VA(HR6)
ENVIRONMENT システム組(HR6)
1
113 HW-0018100-80 LAN CABLE
LANケーブル
1
114 400-48031 PANEL LINK CABLE 1M
パネルリンクケーブル 1M
1
115 400-48031 PANEL LINK CABLE 1M
パネルリンクケーブル 1M
1
116 401-41856 USB CABLE 1M A-A
USB ケーブル 1M A−A
1
117 401-23194 USB KEY BOARD SP ASM
USBキーボードSP組
1
118 401-22816 USB CABLE 2M
USBケーブル 2M
1
119 401-48260 USB CABLE 3M
USBケーブル 3M
1
120 401-06795 S-XY RELAY PCB ASM
S−XYリレー基板組
1
121 401-29654 Y AXIS DRIVER
Y軸ドライバ
1
122 400-97424 COPLA POWER CABLE ASM
コプラ電源ケーブル組
1
123 401-13695 COPLANARITY ENCODER CABLE ASM
コプラナリティエンコーダケーブル組
1
124 400-97422 COPLANARITY SENSOR
コプラナリティセンサ−
1
125 401-23242 CPU BOARD
CPUボード
1
126 401-02830 LAN CABLE(CAT6)
LANケーブル(CAT6)
1
127 401-32154 COPLA MONITOR SWITCHING BOAR
コプラナリティ画面切り替え基板
1
128 400-03321 ICZT RMB UNIT
ICZθ RMB ユニット
1
129 401-97864 SUPER IMPOSE BOARD
スーパーインポーズボード
1
130 401-41515 USB SELECT PCB ASM
USBセレクタ基板組
1
131 401-46371 MONITOR SWITCH COM CABLE ASM
モニタ切り替え通信ケーブル組
1
132 401-58158 15INCH LCD MONITOR
15インチ LCDモニタ
1
133
#01
401-48287 MONITOR FG WIRE ASM
モニタFGワイヤー組
1
134 401-46375 F-232C CABLE ASM
F−232C ケーブル組
1
135 401-29642 DVI CABLE L2.5M
DVIケーブル2.5M
1
136 401-35794 F_LCD 40146379 CABLE ASM
フロントLCD電源ケーブル組
1
137 401-46376 R-232C CABLE ASM
R−232C ケーブル組
1
138 400-48032 PANEL LINK CABLE 4.5M
パネルリンクケーブル 4.5M
1
139 401-35795 R_LCD 40146379 CABLE ASM
リアLCD電源ケーブル組
1
140 401-38946 SIO RELAY CABLE ASM
SIO中継束線組
1
141 401-39308 SCANNER ADAPTER CABLE
スキャナ接続ケーブル
1
142
#01
401-29307 TB1-FX AMP WIRE ASM(EN)
TB1−FXアンプワイヤー組(EN)
1
143 401-39312 BARCODE READER
バーコードリーダ
1
144 401-35433 8-PORT COM BOARD
8−PORT COM ボード
1
145 401-39311 SCANNER POWER ADAPTER CABLE
スキャナ電源接続ケーブル(C)
1
146 401-13670 BARCODE READER CABLE ASM
バーコードリーダケーブル組
1
147 401-46438 ATX 232C CABLE ASM
ATX 232C ケーブル組
1
148 401-46425 ATX HD CABLE ASM
ATX HD ケーブル組
1
149 401-46346 ATX PSU
ATX電源
1
150 401-35975 SUPERIMPOSE BOARD POWER CABLE ASM
スーパーインポーズ基板電源束線組
1
151 HX-0061000-00 BARCODE READER
バーコードリーダ
1
152 401-46377 TOUCH PANEL 232C CABLE ASM
タッチパネル 232C ケーブル組
1
153 401-46360 SB CABLE ASM
SB ケーブル組
1
154 401-46394 BASE-IO SPWR CABLE ASM
BASE−IO SPWR ケーブル組
1
155 401-60224 COPLA SSD ASM (WIN7)
コプラSSD組(WIN7)
1
156
#06
401-73481 USB REPEATER CABLE
USBリピーターケーブル
1
157
#06
401-73482 USB BARCORD READER CABLE(4M)
USBバーコードリーダーケーブル(4M)
1
158
#06
EZ-1458644-11 READER BAR CODE
バーコードリーダ(GD4430−BK)
1

- 177 -
89.SYSTEM DIAGRAM(5)
SYSTEM DIAGRAM(5)
C
N
7
0
1
C
O
D
E
R
E
A
D
E
R
V
4
0
0
-
R
1
C
F
(
N
L
V
2
1
0
1
)
C
N
7
0
2
C
N
7
0
3
C
N
7
1
3
C
O
N
V
E
Y
O
R
A
T
X
-
9
A
T
X
-
9
C
N
7
1
1
C
O
D
E
R
E
A
D
E
R
V
4
0
0
-
R
1
C
F
(
N
L
V
2
1
0
1
)
U
A
R
T
C
O
M
-
D
/
G
U
A
R
T
C
O
M
-
C
/
F
I
E
E
E
1
3
9
4
B
O
A
R
D
A
T
X
-
P
O
W
E
R
A
T
X
-
9
5
4
3
2
1
6
7
8
9
10
HEAD