N7201A471Cz.pdf - 第43页
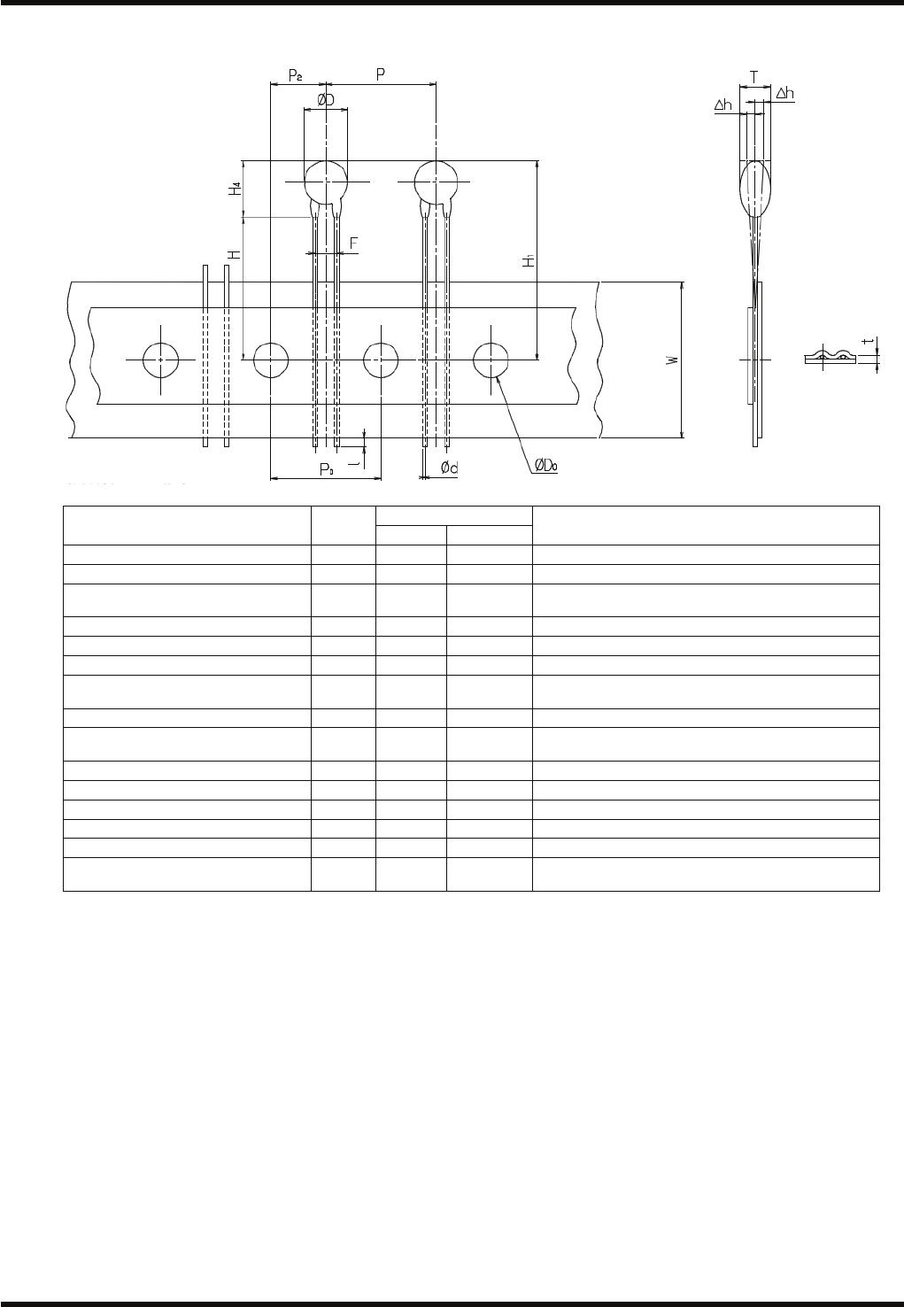
RL132 参考手册 2.5 适用元件 DA9RCC-12-160-B0 2.5-20 17. 连接器 尺寸 (mm) 内容 记号 数值 容许范围 备注 元件宽度 A 1 22.5 最大 T 12.0 最大 元件厚度 T 1 6.0 最大 圆形引脚 Ø d 0.5 ±0.05 □ d *0.5 ±0.05 *(0.5±0.05) x (0.3±0.05) 引脚线直径 方形引脚 □ d 1 0.6 最大 P 25.4 ±1.0 元件间距 …

RL132
参考手册
2.5 适用元件
DA9RCC-12-160-B0
2.5-19
16. 电阻器
尺寸 (mm)
内容 记号
数值 容许范围
备注
元件宽度
A
1
13
最大
元件厚度
T 6.5
圆形引脚
Ø d 0.5 ±0.05
引脚线直径
方形引脚
□d *0.5 ±0.05 *(0.5±0.05) x (0.3±0.05)
元件间距
P 12.7 ±1.0
孔间距
P
0
12.7 ±0.3
累积间距误差 = 1.0mm /20 间距
从孔中心到元件中心部为止
P
2
6.35 ±1.3
引脚间距离
F 5.0
+0.5
-0.2
引脚尖端在容许范围内
引脚间距离(方形引脚)
F
3
4.45
最小
元件位置调整
∆h 2.0
最大 从中心开始±1 mm
编带宽度
W 18
+1.0
-0.5
从编带中心到元件底部的高度
H 18 +2.0
元件高度
H
1
30.25 H
1
≤ 41.0
元件高度 (参考)
H
4
12.25
最大
孔直径
Ø D
0
4.0 ±0.2
编带的厚度
t 0.3
+0.2
0
原纸厚度最小是 0.3 mm
=注意=
本元件的扭曲长度最大可能在 2.0 mm ~ 2.2 mm 左右。
Ød/□d
ØD
0
圆形引脚
方形引脚

RL132
参考手册
2.5 适用元件
DA9RCC-12-160-B0
2.5-20
17. 连接器
尺寸 (mm)
内容 记号
数值 容许范围
备注
元件宽度
A
1
22.5
最大
T 12.0
最大
元件厚度
T
1
6.0
最大
圆形引脚
Ø d 0.5 ±0.05
□d *0.5 ±0.05 *(0.5±0.05) x (0.3±0.05)
引脚线直径
方形引脚
□d
1
0.6
最大
P 25.4 ±1.0
元件间距
(P
1
) 3.85
孔间距
P
0
12.7 ±0.3
累积间距误差 = 1.0mm /20 间距
从孔中心到元件中心部为止
P
2
6.35 ±1.3
引脚间距离
F
1,
F
2
2.5
+0.4
-0.1
引脚尖端在容许范围内
引脚间距离(方形引脚)
F
3
4.45
最小
引脚间距离(方形引脚)
F
4
F
4
≤2.0
最小
引脚间距离
F
5
2.5 ±0.1
∆h 2.0
最大 从中心开始±1 mm
元件位置调整
∆ H
1
0.1
最大
编带宽度
W 18
+1.0
-0.5
从编带中心到元件底部的高度
H 18 +2.0
元件高度
H
1
30.25 H
1
≤ 41.0
元件高度 (参考)
H
4
12.25
最大
孔直径
Ø D
0
4.0 ±0.2
编带的厚度
t 0.3
+0.2
0
原纸厚度最小是 0.3 mm
=注意=
Spare Leg 伸出基板下面时,根据伸出量和 Spare Leg 的位置情况,有可能会碰触到扭曲刀刃,从而造成
插入错误或者扭曲状态不良的现象。
有关元件形状和尺寸的
详细情况请咨询本公司。
圆形引脚
方形引脚

RL132
参考手册
2.5 适用元件
DA9RCC-12-160-B0
2.5-21
18. 陶瓷电容器
尺寸 (mm)
内容 记号
数值 容许范围
备注
元件直径
Ø D 13
最大
元件厚度
T 3.5
引脚线直径
Ø d 0.6
+0.06
-0.05
元件间距
P 12.7 ±1.0
孔间距
P
0
12.7 ±0.3
累积间距误差 = 1.0mm /20 间距
从孔中心到元件中心部为止
P
2
6.35 ±1.3
引脚间距离
F 5.0
+0.5
-0.2
引脚尖端在容许范围内
元件位置调整
∆h 2.0
最大 从中心开始±1 mm
编带宽度
W 18
+1.0
-0.5
从编带中心到元件底部的高度
H 18 +2.0
元件高度
H
1
30.25 H
1
≤ 41.0
元件高度 (参考)
H
4
12.25
最大
引脚线的突出
l 0
最大 编带轨道的摩擦可能造成损伤
孔直径
Ø D
0
4.0 ±0.2
编带的厚度
t 0.3
+0.2
0
原纸厚度最小是 0.3 mm