N7201A471Cz.pdf - 第66页
RL132 参考手册 2.7 插入条件 DA9RCC-12-180-A0 2.7-3 2.7.3 基板下的邻接条件 铁砧扭曲的弯曲方向 从基板上方看到的铁砧扭曲的弯曲方 向 N 扭曲 5 mm 间距规格 N 扭曲 7.5 mm 间距规格 N 扭曲 10 mm 间距规格 T 扭曲 基板的流向 机器前侧 -90 ° 90 ° 180 ° 0 °

RL132
参考手册
2.7 插入条件
DA9RCC-12-180-A0
2.7-2
2.7.2 基板上的相邻间距条件
由插入夹头产生的插入时的死区
插入夹头的退避动作时的死区
5mm
间
距
规
格
7.5 mm
间
距
规
格
10 mm
间
距
规
格
5mm
间
距
规
格
7.5 mm
间
距
规
格
10 mm
间
距
规
格

RL132
参考手册
2.7 插入条件
DA9RCC-12-180-A0
2.7-3
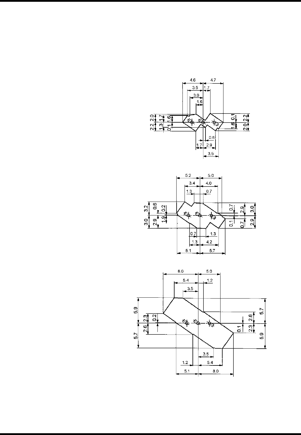
2.7.3 基板下的邻接条件
铁砧扭曲的弯曲方向
从基板上方看到的铁砧扭曲的弯曲方向
N
扭曲
5 mm
间距规格
N
扭曲
7.5 mm
间距规格
N
扭曲
10 mm
间距规格
T
扭曲
基板的流向
机器前侧
-90 °
90 °
180 °
0 °

RL132
参考手册
2.7 插入条件
DA9RCC-12-180-A0
2.7-4
2.7.4 基板下的相邻间距条件
N折弯 引线折弯角度为 35°时
如下图所示,由于砧台 (用来将引线切断、折弯的装置) ,在基板下面存在着死区。
根据离基板下的高度位置,其范围各不相同。
另外,元件的相邻条件,根据元件的插入顺序和引线的折弯角度如下分类。
从基板上面看的砧台死区
基板下 1 mm
基板下 2 mm
基板下 7 mm
右图是 X 方向 (90°) 插入时的图。
0°、180°、-90°插入时,请按各个角度旋转之后进行参照。
机器前面
机器前面
机器前面