N7201A471Cz.pdf - 第71页
RL132 参考手册 2.7 插入条件 DA9RCC-12-180-A0 2.7-8 7. 表内数字表示 P 尺寸 。 单位 :mm b 元件 插入顺序 a ⇒ b 2.5p 0° 插入 2.5p 180° 插入 5.0p (2 个引线 ) 0°, 180° 插入 5.0p (3 个引线 ) 0°, 180° 插入 2.5p 90° 插入 3.5 3 3.5 3.5 2.5p -90° 插入 3.5 3 3.5 3.5 5.0p (2 …

RL132
参考手册
2.7 插入条件
DA9RCC-12-180-A0
2.7-7
5.
表内的数字表示 P 尺寸。 单位:mm
b 元件
插入顺序
a ⇒ b
2.5p
0°插入
2.5p
180°插入
5.0p (2 个引线)
0°, 180°插入
5.0p (3 个引线)
0°, 180°插入
2.5p 90°插入
3 4 4 4
2.5p -90°插入
3 4 4 4
5.0p (2 个引线) 90°, -90°插入
3 4 4 4
a
元
件
5.0p (3 个引线) 90°, -90°插入
3 4 4 4
b 元件
插入顺序
b ⇒ a
2.5p
0°插入
2.5p
180°插入
5.0p (2 个引线)
0°, 180°插入
5.0p (3 个引线)
0°, 180°插入
2.5p 90°插入
3 3 3 3
2.5p -90°插入
5.5 5.5 5.5 5.5
5.0p (2 个引线) 90°, -90°插入
3 3 3 3
a
元
件
5.0p (3 个引线) 90°, -90°插入
3 3 3 3
6.
b 元件
插入顺序
a ⇒ b
2.5p
90°插入
2.5p
-90°插入
5.0p (2 个引线)
90°, -90°插入
5.0p (3 个引线)
90°, -90°插入
2.5p 0°插入
5.5 3 3 3
2.5p 180°插入
5.5 3 3 3
5.0p (2 个引线) 0°, 180°插入
5.5 3 3 3
a
元
件
5.0p (3 个引线) 0°, 180°插入
5.5 3 3 3
b 元件
插入顺序
b ⇒ a
2.5p
90°插入
2.5p
-90°插入
5.0p (2 个引线)
90°, -90°插入
5.0p (3 个元件)
90°, -90°插入
2.5p 0°插入
4 4 4 4
2.5p 180°插入
3 3 3 3
5.0p (2 个引线) 0°, 180°插入
4 4 4 4
a
元
件
5.0p (3 个引线) 0°, 180°插入
4 4 4 4

RL132
参考手册
2.7 插入条件
DA9RCC-12-180-A0
2.7-8
7.
表内数字表示 P 尺寸。 单位:mm
b 元件
插入顺序
a ⇒ b
2.5p
0°插入
2.5p
180°插入
5.0p (2 个引线)
0°, 180°插入
5.0p (3 个引线)
0°, 180°插入
2.5p 90°插入
3.5 3 3.5 3.5
2.5p -90°插入
3.5 3 3.5 3.5
5.0p (2 个引线) 90°, -90°插入
3.5 3 3.5 3.5
a
元
件
5.0p (3 个引线) 90°, -90°插入
3.5 3 3.5 3.5
b 元件
插入顺序
b ⇒ a
2.5p
0°插入
2.5p
180°插入
5.0p (2 个引线)
0°, 180°插入
5.0p (3 个引线)
0°, 180°插入
2.5p 90°插入
3 3 3 3
2.5p -90°插入
5.5 5.5 5.5 5.5
5.0p (2 个引线) 90°, -90°插入
3 3 3 3
a
元
件
5.0p (3 个引线) 90°, -90°插入
3 3 3 3
8.
b 元件
插入顺序
a ⇒ b
2.5p
90°插入
2.5p
-90°插入
5.0p (2 个引线)
90°, -90°插入
5.0p (3 个引线)
90°, -90°插入
2.5p 0°插入
5.5 3 3 3
2.5p 180°插入
5.5 3 3 3
5.0p (2 个引线) 0°, 180°插入
5.5 3 3 3
a
元
件
5.0p (3 个引线) 0°, 180°插入
5.5 3 3 3
b 元件
插入顺序
b ⇒ a
2.5p
90°插入
2.5p
-90°插入
5.0p (2 个引线)
90°, -90°插入
5.0p (3 个引线)
90°, -90°插入
2.5p 0°插入
3 3 3 3
2.5p 180°插入
3.5 3.5 3.5 3.5
5.0p (2 个引线) 0°, 180°插入
3.5 3.5 3.5 3.5
a
元
件
5.0p (3 个引线) 0°, 180°插入
3.5 3.5 3.5 3.5

RL132
参考手册
2.7 插入条件
DA9RCC-12-180-A0
2.7-9
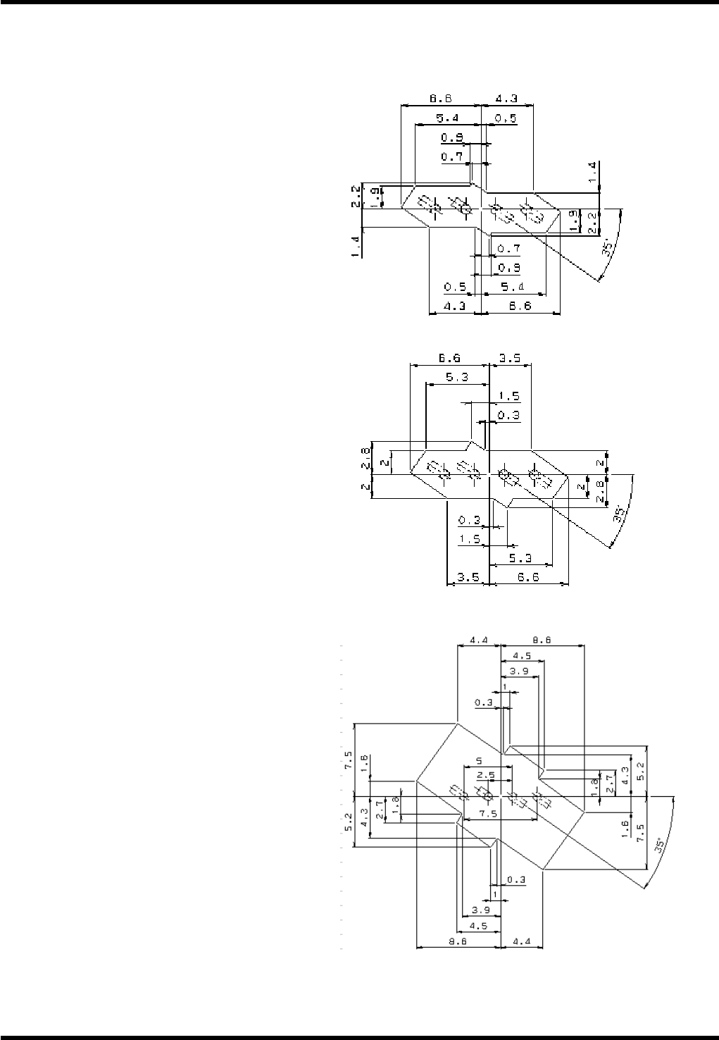
N 扭曲 7.5 mm 间距规格 引脚线弯曲角度 35 °时 的情况
从基板上方看到的铁砧死区
基板下 1 mm
单位: mm
基板下 2 mm
基板下 7 mm
※上图表示 90 °插入时的情况。
0 °、180 °、-90 °插入时,请各自旋转进行参照。
※元件的邻接条件,请另外咨询。