N7201A587C.pdf - 第105页
NPM-D3 EJM6DC-MB-02O-0 6 第 1 阶层 第 2 阶层 第 3 阶层 第 4 阶层 2-2-2 -4 更换消磨零件 定期检查 确认各周期的检查项目和操作履历。 显示消磨零件的更换信息。 维护菜单 XY 单元 进行 XY 单元的维护作业。 贴装头 进行贴装头的维护作业。 进行基板传送的维护作业。 传送带 维护作业 托盘 进行托盘供料器的维护作业。 ( 设置托盘供料器时显示 ) 精度验证结果 显示精度验证结果。 通知 …

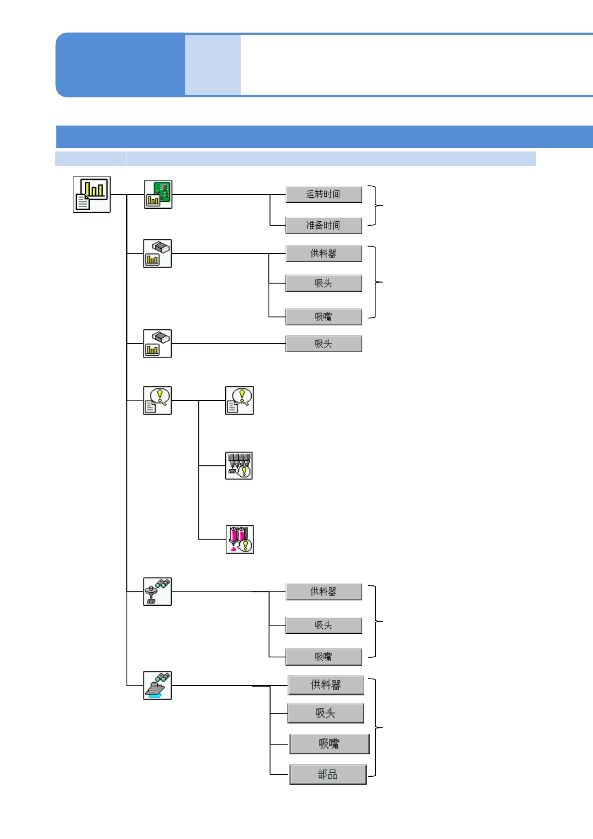
NPM-D3 EJM6DC-MB-02O-06
第1阶层 第2阶层 第3阶层 第4阶层
2-2-2-3
菜单构成 2
操作员模式 2
各部位
名称
显示各基台的运转时间的信息。
运转信息
吸着情報
显示有关元件的吸着信息。
有关紧急停止错误的信息,按照时间的最新顺序可以
最多显示20件。
停止履历
有关自动运转中发生的真空传感器错误的信息,
显示最新的50件。
履历
真空传感器错误履历
显示有关元件的吸着信息。
吸着监视器
显示自动运转中发生的试点胶识别错误信息、显示最新的
50件。
试点胶识别错误履历
显示元件检查信息。
检查信息
点胶信息
显示点胶(包含试贴)的信息。
生产信息
菜单
操作篇
2-2-2

NPM-D3 EJM6DC-MB-02O-06
第1阶层 第2阶层 第3阶层 第4阶层
2-2-2-4
更换消磨零件
定期检查
确认各周期的检查项目和操作履历。
显示消磨零件的更换信息。
维护菜单
XY单元
进行XY单元的维护作业。
贴装头
进行贴装头的维护作业。
进行基板传送的维护作业。
传送带
维护作业
托盘
进行托盘供料器的维护作业。
(设置托盘供料器时显示)
精度验证结果
显示精度验证结果。
通知
以经过定制设定后的操作模式,可以进行第1层的 操作。
点胶嘴(点胶头)
进行点胶头的维护作业。

NPM-D3 EJM6DC-MB-02O-06
第1阶层 第2阶层 第3阶层 第4阶层
2-2-2-5
工程师模式 1
各部位
名称
菜单构成 3
主菜单
变更操作模式。
变更操作模式
编辑操作模式。
编辑操作模式
生产菜单
(生产前)
生产开始
开始自动生产。
调整用软件开关
为了调试机器,暂时变更操作环境。
条件贴装
供料器
贴装头
清除
以图案单位来指定贴装对象。
以贴装点单位来指定贴装对象。
以零部件单位来指定贴装对象。
以贴装头单位来指定贴装对象。
清除已指定的所有条件。
图案
托盘
以托盘单位来指定贴装对象。
*1)
*2)
*1)・单轨模式时
・双轨模式下的交互实装模式时
*2)・双轨模式下的独立实装模式时
贴装
操作篇
2-2-2
*2)