JX-350-Rev04.pdf - 第100页

- 95 - 48. SYSTEM D IAGRAM (1) SYSTEM DIAGRAM (1) 2-5B CN11 1 2 3 4 6 5 7 8 9 10 11 12 13 14 16 17 18 21 23 21 24 19 20 25 25 26 27 44 28 47 48 47 48 46 56 45 55 29 37 49 39 38 50 35 40 30 31 32 33 34 43 36 42 41 40 54 4…

100%1 / 112
- 94 -
NOTE( 注記 ) #01....FOR FRONT OF THE MACHINE マシン前側用
(WITH CUTTER UNIT) (カッターユニット有り)
#02....FOR REAR OF THE MACHINE マシン後側用
(WITH CUTTER UNIT) (カッターユニット有り)
REF.NO NOTE PART NO D E S C R I P T I O N
品 名
Qty
1
#01
401-47475 CUTTER UNIT(FIXED_BANK_TYPE)_F
カッタユニット(固定バンクタイプ)_F
1
2
#02
401-47476 CUTTER UNIT(FIXED_BANK_TYPE)_R
カッタユニット(固定バンクタイプ)_R
1
3 401-38824 CUTTER_UNIT_ASM_REV_B
カッターユニット組 REV_B
(1)
4 401-38852 CUTTER UNIT_REV_B
カッターユニット REV_B
(1)
5 401-14002 CUTTER BASE
カッターベース
(1)
6 SL-6052092-TN SCREW M5 L=20
座金付き六角穴ボルト M5 L=20
(2)
7 400-84693 LINEAR GUIDE
リニアガイド
(2)
8 SM-6041602-TN SCREW M4X16
六角穴ボルト M4X16
(4)
9 PH-0600120-C0 PARALLEL PIN TYPE B 6X12
平行ピン B種 6X12
(6)
10 401-38799 TAPE_GUARD_SIDE_L
テープガードサイドL
(1)
11 SM-6031002-TN SCREW M3 L=10
六角穴ボルト M3 L=10
(2)
12 401-38800 TAPE_GUARD_SIDE_R
テープガードサイドR
(1)
13 SM-6031002-TN SCREW M3 L=10
六角穴ボルト M3 L=10
(2)
14 401-38834 INNER_GUIDE
インナーガイド
(1)
15 SL-6040892-TN SCREW M4 L=8
座金付き六角穴ボルト M4 L=8
(4)
16 PA-6305001-A0 AIR CYLINDER
エアシリンダ
(2)
17 PC-0152030-00 SPEED CONTROLLER
スピードコントローラ
(4)
18 WS-0820002-KN SPRING WASHER M8
ばね座金 M8
(4)
19 SM-6085002-TN SCREW
六角穴ボルト
(4)
20 401-10230 JOINT PLATE
ジョイントプレート
(2)
21 401-10316 SPACER
スペーサ
(4)
22 SL-6063092-TN SCREW M6 L=30
座金付き六角穴ボルト M6 L=30
(4)
23 401-50918 JOINT_BAR
ジョイントバー
(1)
24 400-84691 SLIDE BUSH
スライドブッシュ
(2)
25 400-84690 SLIDE SPACER
スライドスペーサ
(4)
26 WP-1052001-SC WASHER 10
平座金みがき丸 M10
(4)
27 SM-6103002-TN SCREW M10 L=30
六角穴ボルト M10 L=30
(2)
28 401-10232 BOTTOM BLADE L
下刃L
(1)
29 401-10242 BOTTOM BLADE R
下刃R
(1)
30 PH-0600120-C0 PARALLEL PIN TYPE B 6X12
平行ピン B種 6X12
(4)
31 SM-6051202-TN SCREW M5X0.8 L=12
六角穴ボルト M5X0.8 L=12
(8)
32 SM-6041602-TN SCREW M4X16
六角穴ボルト M4X16
(4)
33 SM-6041202-TN SCREW M4X0.7 L=12
六角穴ボルト M4X0.7 L=12
(4)
34 SL-6041292-TN SCREW M4 L=12
座金付き六角穴ボルト M4 L=12
(4)
35 SL-6043092-TN BOLT
座金付き六角穴ボルト
(6)
36 401-38814 UPPER_BLADE_SUPPORT_BASE
上刃サポートベース
(5)
37 401-38842 PLUG_M3
プラグM3
(2)
38 SL-6053092-TN SCREW
座金付き六角穴ボルト
(10)
39 401-10231 UPPER BLADE A
上刃A
(1)
40 E6109-700-000 UPPER BLADE BUSH
上刃ブッシュ
(5)
41 SM-6051402-TN SCREW M5 L=14
六角穴ボルト M5 L=14
(5)
42 SM-8041402-TP SCREW M4X0.7 L=14
止めねじ M4X0.7 L=14
(10)
43 NM-6040001-SC NUT M4X0.7 TYPE1
六角ナット M4X0.7 1種
(10)
44 401-38808 CUTTER_RIB
カッターRIB
(1)
45 401-13937 CUTTER RIB B
カッターRIB B
(2)
46 SL-6043592-TN SCREW
座金付き六角穴ボルト
(5)
47 401-50107 CUTTER_COVER_A
カッターカバーA
(1)
48 401-38805 CUTTER_COVER_B
カッターカバーB
(1)
49 SL-6040892-TN SCREW M4 L=8
座金付き六角穴ボルト M4 L=8
(7)
50 401-38809 CUTTER_SV_BR
カッターSVブラケット
(1)
51 SL-6040892-TN SCREW M4 L=8
座金付き六角穴ボルト M4 L=8
(2)
52 400-93977 5PORT SOLENOID VALVE
5ポート電磁弁
(1)
53 SL-4040691-SC SCREW M4 L=6
座金付きなべ小ねじ M4 L=6
(2)
54 PX-0551040-00 SILENCER
サイレンサ
(2)
55 PJ-3040652-01 ELBOW UNION 6XPT1/4
エルボユニオン 6XPT1/4
(3)
56 PJ-3080600-03 UNION Y
ユニオンワイ
(3)
57 PX-9500010-00 PLUG
止栓
(4)
58 PJ-3040600-01 REDUCER ELBOW
レデューサエルボ
(1)
59 BT-0600400-EC URETHANE TUBE BLUE 6X4
ポリウレタン チューブ 青 6X4
(3)
60 401-38843 PLUG_M4
プラグM4
(2)
61 401-38851 PLUG_M5_C
プラグM5 C
(8)
62 E5721-729-000 LABEL
荷重禁止シール
(1)
63 400-92716 TAPE CUTTER DANGER LABEL
テープカッター危険表示ラベル
(1)
64 SL-6030692-TN SCREW M3 L=6
座金付き六角穴ボルト M3 L=6
(2)
65 401-38807 CYLINDER_COVER
シリンダーカバー
(1)
66 SL-6030692-TN SCREW M3 L=6
座金付き六角穴ボルト M3 L=6
(8)
67 401-38851 PLUG_M5_C
プラグM5 C
(1)
68 SM-3040652-TN SCREW M4 L=6
丸ねじ M4 L=6
(5)
69 401-38815 UP_BLADE_SUPPORT
上刃サポート
(5)
70 SM-6051602-TN SCREW
六角穴ボルト
(10)
71 E6110-700-000 UP_BLADE SP-A
上刃 SP−A
(10)
72 401-14588 CUTTER PARTS(FIXED BANK TYPE)
カッターパーツ(固定バンクタイプ)
(1)
73 401-10289 TRASH BOX
トラッシュボックス
(1)
74 401-14589 C SUP FIXED BANK TYPE
C SUP固定バンクタイプ
(1)
75 SL-6061692-TN SCREW M6 L=16
座金付き六角穴ボルト M6 L=16
(8)
76 HX-0029400-00 FIXED BASE
固定ベース
(2)
77 SM-4040801-SC SCREW M4X0.7 L=8
なべ小ねじ M4X0.7 L=8
(2)
78 SL-6061692-TN SCREW M6 L=16
座金付き六角穴ボルト M6 L=16
(4)
79 401-10766 C UNIT SUP BR
CユニットSUPブラケット
(4)
80 401-38848 C_UNIT_SUP_PL_B
C ユニット SUP PL B
(1)
81 401-10767 C UNIT SUP PL
CユニットSUP PL
(2)
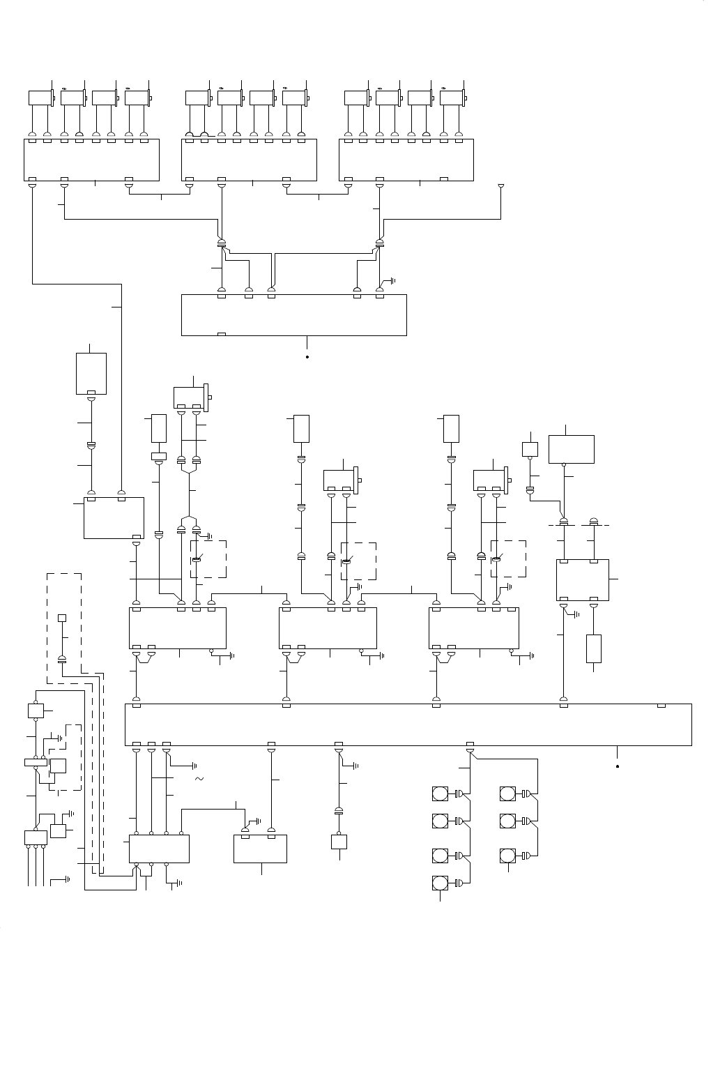
- 95 -
48. SYSTEM DIAGRAM (1)
SYSTEM DIAGRAM(1)
2-5B
CN11
1
2
3
4
6
5
7
8
9
10 11
12
13
14 16
17
18
21
23
21
24
19 20
25
25
26
27
44
28 47
48
47
48
46 56
45 55
29
37
49
39
38
50
35
40
30
31
32
33
34
43
36
42
41
40
54 43
36
36
53
52
40
58
59
51
57
6
67
65
64
60
68
61
39
39
62
63
19 20
70
35
55 55
35
696969
66 22 66 22 66 22 66 22 66 22 66 22
ZTD-CNP1
Z1 MOTOR
HC-BP0336LW4-S10
1MOTOR
HC-BP0136D-S8
Z2 MOTOR
HC-BP0336LW4-S10
2MOTOR
HC-BP0136D-S8
Z3 MOTOR
HC-BP0336LW4-S10
3 MOTOR
HC-BP0136D-S8
Z4 MOTOR
HC-BP0336LW4-S10
4 MOTOR
HC-BP0136D-S8
Z5 MOTOR
HC-BP0336LW4-S10
5 MOTOR
HC-BP0136D-S8
Z6 MOTOR
HC-BP0336LW4-S10
6MOTOR
HC-BP0136D-S8
4AXIS SERVO AMP(3)
4AXIS SERVO AMP(2)
4AXIS SERVO AMP(1)
POWER
UNIT(2/5)
S-XY RELAY
PCB(1/3)
SERVO
MOTOR
750W
SCALE
HEAD X
XY11
SENSX
XENC
XMTR
ENCYL
SENSYL
Y MOT OR
YL 15 00W
SCALE
HEAD Y
YLMTR
SCALE
HEAD Y
SENSYR
Y MOT OR
YR 15 00W
ENCYR
YRMTR
MAIN
SW(2/2)
PS ON
ATX13
CN3
CPCI
BACK
BOARD
YRCN2
YRCN2L
3Turn
MAIN
12V
INLET
BATT
1-2A
4-5C
ATX-POWER(1/2)
(EN SPEC)
3 Turn
(EN SPEC)
3Turn
(EN SPEC)
CN165
CN151
YLCN2
YLCN2L
ENCX
1CH NET
2CH NET
1CH DI
POSITION
BOARD
YR SERVO
AMP(1/2)
CN1A
CNP1
CNP2
CN2
CNP3
CN1B
E
BATTERY
YL SERVO
AMP(1/2)
CN1A
CNP1
CNP2
CN2
CNP3
CN1B
E
4-5A
XSERVO
AMP(1/2)
CN1A
CNP1
CNP2
CN2
CNP3
CN1B
4-1D
E
MTS PWR(L)
CN06
(MTS OPTION)
CN06
1-3D
MAIN
SW(1/2)
(EN SPEC)
BLOCK
CAPACITOR
LF1
POWER
UNIT(1/5)
NFB
INPUT
L1
L2
L3
PE
SURGE
PROTECTOR
TF1
200V
34V
100V
200V
ETF POWER
UNIT(1/2)
CN04
GND
3-3B
VACUUM
PUMP
[BASE R SIDE]
[CTRL UNIT]
[BASE L SIDE]
[POWER UNIT]
FAN
[CTRL UNIT]
FAN FAN FAN
FANFANFAN
CN2003
PWR29
CN13
CN12
CN063
GND
COPLA-PS
1-4B
CN04
CN03
CN11
CN01
1-2D
CN13
CN37
CN14
CN15
CN38
2-3B
ZTPWR2
ZTPWR1
CN21
CN1A
CNP1
CN1B
CN2D
CNP2D
CN2C
CNP2C
CN2B
CNP2B
CN2A
CNP2A
2-2A
CN1A
CNP1
CN1B
CN2D
CNP2D
CN2C
CNP2C
CN2B
CNP2B
CN2A
CNP2A
2-2A
CN1A
CNP1
CN1B
CN2D
CNP2D
CN2C
CNP2C
CN2B
CNP2B
CN2A
CNP2A
2-2B
- 96 -
NOTE( 注記 ) #01....FOR EN EN
REF.NO NOTE PART NO D E S C R I P T I O N
品 名
Qty
1 401-29262 AC INPUT SURGE PROTECTOR ASM
ACインプットサージプロテクタ組
1
2 401-46386 NFB-LF CABLE ASM
NFB−LFケーブル組
1
3 401-33966 MAIN SW INPUT CABLE ASM
メインスイッチ入力束線組
1
4 401-48269 AC INPUT UNIT FG CABLE ASM
AC入力ユニット FGケーブル組
1
5 400-92401 AC INPUT NO.26 CABLE ASM
AC入力ユニット NO.26 ケーブル組
1
6 HA-0053800-00 SWITCH
スイッチ
1
7 401-46437 MTC/MTS PWR CONNECTOR ASM
MTC/MTS パワーコネクタ組
1
8 401-46387 MAIN SW-TF CABLE ASM
メインSW−TFケーブル組
1
9 401-61279 MTS PWR CABLE ASM(R)
MTS パワーケーブル組(R)
1
10 401-33971 TF INPUT CABLE (DELTA) ASM
変圧器入力端子デルタ結線束線組
1
11 401-09925 TF FG CABLE ASM
トランスFGケーブル組
1
12 401-35052 TRANSFORMER
トランス
1
13 401-09926 TF 200V OUTPUT CABLE ASM
TF200V出力ケーブル組
1
14 401-09927 TF 34V OUTPUT CABLE ASM
TF34V出力ケーブル組
1
15
#01
401-13637 SAFETY U 34V IN CABLE ASM(EN)
セーフティ U 34V INケーブル組(EN)
1
16
#01
401-13638 SAFETY U 34V OUT CABLE ASM(EN)
セーフティ U 34V OUTケーブル組(EN)
1
17 401-09928 TF 100VA OUTPUT CABLE ASM
TF100VA出力ケーブル組
1
18 401-09929 TF 200VB OUTPUT CABLE ASM
TF200VA出力ケーブル組
1
19 401-49489 POWER SUPPLY UNIT 10 ASM
電源ユニット10組
1
20
#01
401-49490 POWER SUPPLY UNIT 10 (EN) ASM
電源ユニット10(EN)組
1
21 401-14533 ETF_POWER_ASM
ETF_電源組
1
22 401-46452 SERVO MOTOR 10W
サーボモータ 10W
1
23 401-29244 VACUUM PUMP ASM
真空ポンプ組
1
24 401-46409 VACUUM PUMP RELAY CABLE ASM
真空ポンプ中継ケーブル組
1
25 401-33768 DC FAN
DCファン
1
26 401-48286 FAN CABLE ASM
ファンケーブル組
1
27 401-09930 X PWR CABLE ASM
X電源ケーブル組
1
28 401-29652 X AXIS DRIVER
X軸ドライバ
1
29 401-18621 OPTICAL FIBER CABLE 2M
光ファイバケーブル2M
1
30 400-44540 16AXIS 2CH SERVO CONTROLLER
16軸 2CHポジションボード
1
31 401-09948 POS BOARD1 1CH CABLE ASM
ポジションボード1 1CHケーブル組
1
32 400-97614 XY-RELAY POS RELAY CABLE ASM
XY−RELAY ポジション中継ケーブル組
1
33 401-06795 S-XY RELAY PCB ASM
S−XYリレー基板組
1
34 400-48070 OPTICAL FIBER CABLE 7M
光ファイバケーブル7M
1
35 401-46388 XY BEAR CABLES ASM
XY ベアケーブル組
1
36 401-29630 XY LINEAR SCALE HEAD
XYリニアスケールヘッド
1
37 401-46367 X ENC CABLE ASM
X ENCケーブル組
1
38 401-09943 X MOTOR CABLE ASM
Xモータケーブル組
1
39
#01
HN-0015500-00 CORE
コア
1
40 401-46380 Y BEAR CABLES ASM
Y ベアケーブル組
1
41 400-44545 X MOTOR ENCODER CABLE ASM
X軸エンコーダ中継ケーブル組
1
42 400-44546 X MTR PWR CABLE
X MTRパワーケーブル
1
43 401-29653 X AXIS MOTOR
X軸モータ
1
44 401-09933 X DRV FG CABLE ASM
XドライバFGケーブル組
1
45 401-29627 OPTICAL FIBER CABLE 1M
光ファイバケーブル1M
1
46 401-09931 YL PWR CABLE ASM
YL電源ケーブル組
1
47 401-29654 Y AXIS DRIVER
Y軸ドライバ
1
48 400-92416 DRV FG CABLE ASM
ドライバFGケーブル組
1
49 401-46368 YL ENC CABLE ASM
YL ENCケーブル組
1
50 401-46383 YL LINEAR SENS CABLE ASM
YL リニアセンサケーブル組
1
51 401-46382 YR ENCODER CABLE ASM
YR エンコーダケーブル組
1
52 401-46381 YL ENCODER CABLE ASM
YL エンコーダケーブル組
1
53 401-46439 YL MOTOR CABLE ASM
YL モータケーブル組
1
54 401-46348 Y AXIS SERVO MOTOR
Y軸モータ
1
55 401-29628 OPTICAL FIBER CABLE 0.15M
光ファイバケーブル0.15M
1
56 401-09932 YR PWR CABLE ASM
YR電源ケーブル組
1
57 401-46369 YR ENC CABLE SAM
YR ENCケーブル組
1
58 401-46384 YR LINEAR SENS CABLE ASM
YR リニアセンサケーブル組
1
59 401-46440 YR MOTOR CABLE ASM
YR モータケーブル組
1
60 401-46431 ATX POWER CABLE ASM
ATX パワーケーブル組
1
61 401-46346 ATX PSU
ATX電源
1
62 401-63313 ATX MAIN CABLE ASM
ATXメインケーブル組
1
63 401-46426 ATX 12V CABLE ASM
ATX 12Vケーブル組
1
64 401-31764 ATX CTRL CABLE ASM
ATX電源制御束線組
1
65 401-72513 CPCI POWER CABLE ASM
CPCIパワーケーブル組
1
66 401-49143 SERVO MOTOR 30W
サーボモータ 30W
1
67 401-72512 CPCI BACK BOARD 6SLOT
CPCIバックボード6スロット
1
68 401-46347 BATTERY
バッテリー
1
69 401-29650 4AXIS INTEGRAL TYPE T AXIS DRIVER
4軸一体型T軸ドライバ
1
70 401-46396 LZT PWR RELAY CABLE ASM
LZT パワー中継ケーブル組
1