YC8_cwd_je.pdf - 第15页
Confidential & P roprietary P A G E I/O CONVEYOR BOARD ASSY P025 2 1 3 4 5 6 7 8 9 10 11 12 13 14 15 16 2 1 3 4 5 6 7 8 9 10 11 12 13 14 15 16 CN13 C N13 +24VB3 +24VB2 +24VB 4 +24VB2 +2 4E T31 T31 T32B T32B RL2 READY…

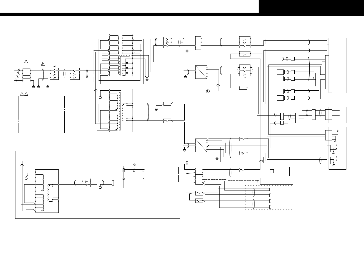
Confidential & Proprietary
PAGE
PE
PE
L1
L1
L2
L3
L2
L3
XB11
MAX600V/40A
L1
L2
L3
S2
T2
R2L1
L2
L3
T2
T3
T1
QF11
NOTE:
R1
S1
T1
J0001
J0001
BRACKET
QS11
T1
T2
T3
L1
L3
L2
MAX690V/25A
T1
T2
T3
MAX690V/20A
Icu≧6kA(AC440V)
(2.5sq)
≧AWG13
J0097
J0003
1.7KVA
W
V
U 230V
N
0V
190V
200V
208V
220V
240V
0V
190V
200V
208V
220V
240V240V
220V
208V
200V
190V
0V
240V
220V
208V
200V
190V
0V
240V
220V
208V
200V
190V
0V
240V
220V
208V
200V
190V
0V
230V
220V
230V
220V
220V
See Page 11
TM11
R2
R2
S2
S2
240V
220V
208V
200V
190V
0V
240V
220V
208V
200V
190V
0V
0V
100V
100V
100V
0V
0V
See Page 11
TC11
1.0KVA
T2
J0010
J0011
J0012
J0013
J0014
J0015
J0016
J0020
R2
S2
J0018
J0019
J0069
J0070
J0017
J0075
J0076
J0077
W50
V50
U50
J0004 J0006
NF11
E
6 3
25
4 1
MAX250V/10A
L
N
FG
+
+
-
-
GS31
600W 7A
Peak 15.5A 10sec
0V48
+48A
0V48
+48A
QF31 (4-6.3A)
set 5A
U51
V51
W51
J0005
V51
U51
W51
J0078
U51
V51
U52
V52
W52
U50
V50
W50
J0052
J0027
V10
V10
XT21
V10
V10
U10 U11A
U11A
V10
U10
C01
+-
MAX600V/15A
CONTROL BOX
A1
B1
+24V
GND+24V
B3
A3
A2
B2
+48V
GND+48V
CN1
A1
B1
B3
A3
A2
B2
CN1
1
2
1
2
PWR/EMG1
6 6
3
4
5 5
4
3
J0310
1
2
1
2
6 6
3
4
5 5
4
3
PWR/EMG2
1
2
1
2
3
4 4
3
1
2
1
2
H+48V
H+24V
J0043J0055
HEAD I/O2 BOARD ASSY
J0042
I/O CONVEYOR BOARD ASSY
A1A1
CN27CN27
・・
A3
B3 B3
A3
・・
B6 B6
1
2
3
4
1
2
3
4
+24VF5
+24VF3
CN43CN43
+24VC1
P025See Page 3-5
1
2
+24V
CN1
3
4
+24V2
1
2
CN1
3
4
J0046
2200μF 100V
KM11
MAX660V/13A
3/L2 4/T2
5/L3
1/L1 2/T1
6/T3
KM11A
3/L2 4/T2
5/L3
1/L1 2/T1
6/T3
KM12
MAX690V/6A
EMERGENCY CIRCUIT
See Page 13
+48A
W52
V52
U52 U54
V54
W54
0V48
0V48 0V48
MAX600V/15A
XT31
73 74 CONV+24ECONV+24V
*
・Between INCOMING SUPPLY TERMINAL BLOCKS XB11
・Secondary side of UPS.
and MAIN SW QS11.
・Chemical capacity for motor power in
CONTROL BOX A1.
Residual risk
when MAIN SW QS11 is OFF.
*The charge mark is put on the place
that might be gotten an electric shock.
・Lower of INCOMING SUPPLY TERMINAL BLOCKS XB11.
・Around J0001 harness.
・Near the MAIN SW QS11.
!
High Voltage
・On the cover at the front right side.
・On the front cover at CONTROL BOX A1.
・On the cover at the rear right side.
・On the cover at the rear center side.
・On the cover at the rear left side.
・On the left side of the base frame.
・On the right side of the base frame.
P042See Page 6
A01
2
3
POWER
DRIVE
MOTOR
AC230V:
1
2
3
CONTROL
AC100V:
1
AC230V
AC100V
B10
A10
B9
A9
B8
A8
B7
A7
B6
A6
B5
A5
B4
A4
B3
A3
B2
A2
B1
A1
EXT.PWR
See Page 2
240V
220V
208V
200V
190V
0V
240V
220V
208V
200V
190V
0V
0V
100V
100V
100V
0V
0V
See Page 11
TC11
1.0KVA
R2
S2
J0018
J0019
J0069
J0070
J0021
U10A
V10A
QF61 15A
J0752
UPS IN
UPS OUT
GB1
SIGNAL
UPS
UPS
UPS IN
UPS OUT J0753
U10
V10
J0751
J0027
At the UPS specification(OPTION)
UPS SIGNAL
See Page 2
CONTROL BOX EXT.PWR
QF21
XT21
+48V
J0021
J0080
EXT.PWR
1
2
1
2
1
2
1
2
+5V
+5V
FRONT
A43
REAR
A44
BARCODE READER(OPTION)
1
2
1
2
LCD1
1
2
1
2
LCD2
LCD1
FRONT
LCD2
REAR
MONITOR POWER
J0044
1
2
1
2
BUZZERJ0119
BUZZER
HA01
J0028
J0007
J0009
J0234
J0235
J0252
J0253
J0066
QF21 10A
J0892
J0893
V10B
U10B
U10B
V10B
CONVEYOR DRIVER
1
2
1
2
CN1DCN1
P011See Page 5
L
N
FG
+
+
-
-
GS21
600W 27A
J0080
0V24A
+24A
+24A
0V24A
J0046
J0033
J0032
XT23
0V24A
0V24A
+24A
+24A
QF23 12A
QF24 10A
+24V
FDR+24V
+24A
QF25 4A
(45℃ 10.5Amax)
(45℃ 8.25Amax)
(45℃ 3.5Amax)
J0047
CONV+24V+24A
J0047
+24A
0V24A
+24A
0V24A
U11A
V10
J0023
+24A
+24A
0V24A
0V24A
J0035
J0031
J0034
1
2
1
2
1
2
1
2
PWR_WAF1
PWR_WAF2
PWR_WAF3
PWR_WAF4
MAX600V/15A
QF91 3A
QF92 3A
+24A
+24A
J0036
+24VW1
+24VW2
0V24A
0V24A
J0401
J0402
INTERCONNECTION DIAGRAM
ATS15 TF+24V
QF26(OPTION)
See ATS15
ASF (OPTION)
See Page 10
CC.V5
12
POWER CIRCUIT
YC8

Confidential & Proprietary
PAGE
I/O CONVEYOR BOARD ASSY P025
2
1
3
4
5
6
7
8
9
10
11
12
13
14
15
16
2
1
3
4
5
6
7
8
9
10
11
12
13
14
15
16
CN13 CN13
+24VB3+24VB2+24VB4+24VB2+24E
T31
T31
T32B
T32B
RL2
READY OUT/T0100037
2
1
3
4
5
6
7
8
9
10
2
1
3
4
5
6
7
8
9
10
CN12CN12
+24VS3
A1
B1
A2
B2
A3
B3
A5
B5
A6
B6
A7
B7
A8
B8
A9
A4
B4
B9
A10
A11
A12
B10
B11
B12
A13
B13
A14
B14
A15
B15
A16
B16
A17
B17
A18
A19
A20
A21
A22
A23
A24
A25
A26
A27
A28
A29
A30
B30
B29
B28
B27
B26
B25
B24
B23
B22
B21
B20
B19
B18
A1
B1
A2
B2
A3
B3
A5
B5
A6
B6
A7
B7
A8
B8
A9
A4
B4
B9
A10
A11
A12
B10
B11
B12
A13
B13
A14
B14
A15
B15
A16
B16
A17
B17
A18
A19
A20
A21
A22
A23
A24
A25
A26
A27
A28
A29
A30
B30
B29
B28
B27
B26
B25
B24
B23
B22
B21
B20
B19
B18
CN11 CN11
+24VS3
EMG3
EMG4
EMG4
EMG5
EMG6
EMG7
EMG7
EMG8
EMG8
EMG9
EMG9
EMG10
EMG10
EMG11
EMG11
EMG12
EMG5
EMG6
E12A
EMG11
EMG6
E11A
E13A
EMG16
E12A
E13A
E11A
E12A
+24VB2
+24E
EMG12
EMG13
EMG13
EMG14
EMG14
EMG15
EMG15
EMG16
EMG16
EMG17
EMG17
EMG18
EMG18
EMG19
EMG19
EMG20
EMG20
EMG21
EMG21
EMG22
+24E+24VB2
EMG3
Y1OT
EMG1
EMG2
EMG0
+24VB2
Y OT/N0100803
X OT/N0100802
CONTROLLER/N0100804
FRONT EMG SW/N0100805
REAR EMG SW/N0100806
SPARE/N0100807
FRONT COVER SW/N0100810
SPARE/N0100811
SPARE/N0100812
SPARE/N0100813
SPARE/N0100814
SPARE/N0100815
SPARE/N0100816
SPARE/N0100817
SPARE/N0100820
SPARE/N0100821
SPARE/N0100822
SPARE/N0100823
SPARE/N0100825
SPARE/N0100826
SPARE/N0100827
RL1
1
2
1
2
FRONT EMG SW
1
2
1
2
EMG
1
2
1
2 SQ081
SB31
FRONT COVER SW
1
2
1
2
ATS15 EMG
INTERCONNECTION DIAGRAM
See ATS15
ATS15(OPTION)
1
2
EMG
STANDARD SPEC
1
2
3 3
2
1
1
2 2
1
1 1
2
3 3
2
4 4
5
66
5
POW/EMG2
1
2
33
2
1
1
2 2
1
CN18CN18
HEAD I/O2 BOARD ASSY P042
RL1
GOOD LED
SAFE1
SAFE2
ALARM
+5V
HEAD I/O1 BOARD ASSY P041
HEAD SERVO UNIT ASSY
1 1
2
3 3
2
4 4
55
CN3CN3
66
7
8 8
7
+24VA
X OT/N02D001
1 1
2
3 3
2
4 4
5
66
5
POW/EMG1
A1
B1
A2
B2
A3
B3
A5
B5
A6
B6
A7
B7
A8
B8
A9
A4
B4
B9
A10
A11
B10
B11
A1
B1
A2
B2
A3
B3
A5
B5
A6
B6
A7
B7
A8
B8
A9
A4
B4
B9
A10
A11
B10
B11
H IO
XOTX OT
SQ052
1
2
3
GOOD
1
2
3
SRV1 GOOD
1
2
3
GOOD
1
2
3
GOOD
SERVO BOARD 2
SRV2 GOOD
1
2
3
GOOD
1
2
3
GOODI/F GOOD
ATS15(OPTION)
CONTROL BOX A01
1
2
3 3
2
1
SQ054
Y1 OTY1OT Y1OT
EMG0
EMG22
EMG22
A2
A1
T11
T12
13
23
33
41
14
24
34
42
T22
T31
T32
T21
DC
LOGIC
KM10
AC
K1
CH1 CH2
K2
S10
A1
U52
V52
W52
U54
W54
A2 0V24
21 22
53 54
A1 A2
1/L1
5/L3
4/T2
6/T3
2/T1
3/L2
73 74
83 84
63 64
1153 +24B
1122 T32A1121 T32B
V54
CONV+24V CONV+24E
KM11/KM11A
1222 T321221 T32A
KM12/KM12A
+48VA
A2 0V24A1
+48V
A1 +24V
A2 0V24
T11 EMG0
T12 EMG22
T22 EMG22
T31
T32
13 +24V
23 +24V
33 +24V 34 +24B
24 +24E
14
ATS EMG
R EMG
F COVER
F EMG EMG
COVER
A1 A2
21 22
1/L1 2/T1
5/L3
3/L2 4/T2
6/T3
33 34
41 42
1233 +24C 1234 SRV ON
ATS EMG
ATS EMG/N0100824
SERVO ON/N0100836
GOOD
SERVO BOARD 1
INTERFACE BOARD
1154 +24C
HEAD EMGH EMG
CC.V5
13
EMERGENCY CIRCUIT
YC8

Condential & Proprietary
H 0 1 6 4 2 9
YC8
PAGE
14
Air circuit