YC8_cwd_je.pdf - 第9页
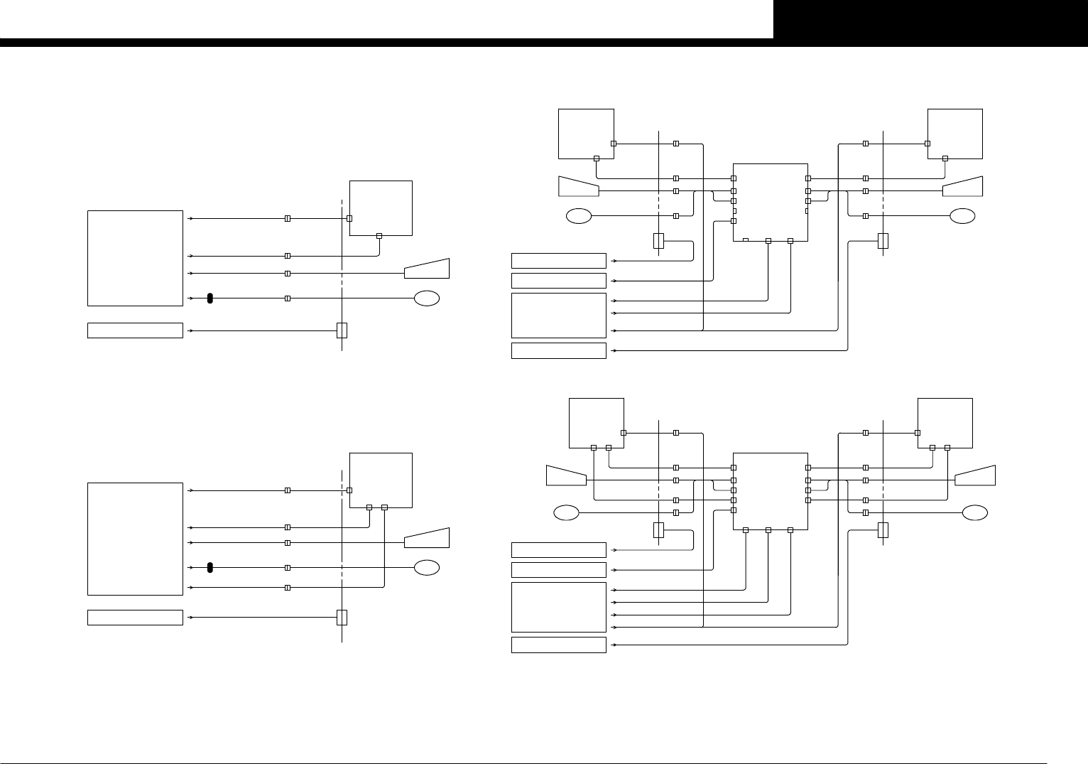
Confidential & Proprietary P A G E MULTI CAMERA SIDE LIGHT SPEC(STA NDARD) CONTROL BOX See Page 2 VISION BOARD CAM1 CN28 CN24 I/O CONVEYOR -3- I/O CONVEYOR -1- CN4 See Page 3 See Page 5 J0049 J0192 J0222 J0501 FRONT …

Confidential & Proprietary
PAGE
HEAD I/O1 BOARD ASSY P041
HEAD SERVO UNIT ASSY A04
CN3 XORG,XOT DI/DO CN6
SW1
ON
OFF
R1-AXIS
J0506
J0507
HEAD VACUUM1
HEAD BLOW1
HEAD VACUUM2
HEAD BLOW2
SHAFT BLOW
T002C000
T002C002
T002C001
T002C003
T002C406
YV011
YV012
YV013
YV014
YV015
SQ064
SQ065
N002D002
N002D003
HEAD I/O2 BOARD ASSY P042
CN1 POW
GOODCN18
FAN CN4
HEAD I/O3 BOARD ASSY P043
CN2 TXD/RXD AD0,AD1
AD2/DA2
AD3,DA3
DI/DO
CN7
CN8
SPARE
INTOL
CN10LASER
HEAD SERVO BRD. ASSY1 P044
M0 CN2
Z1
M1
HEAD SERVO BRD. ASSY2 P045
M0
CN4
CN2
Z2
M1
HEAD SERVO BRD. ASSY3 P046
M0
M1
CN4
CN4
CN2
CZ
R1-AXIS
J0506
M17
□42 MAX 2800rpm
□42 MAX 2800rpm
M19
□42 MAX 2800rpm
M21
M18
□42 MAX 2000rpm
□42 MAX 2000rpm
M20
R2-AXIS
J0507
CN4CAM1
CN1 CPU J-TAG
CN2 FPGA J-TAG
CN3 RS-232C
CN11 DC24V
CN5 CAMOUT CN7LIGHT1
CN6CAM2
CN9LIGHT2
CN8CAM3
CN10LIGHT3
CAMERA SELECTOR P082
J0320
CN4
J0513
J0514
LIGHT2
LIGHT3
CAM1
LIGHT1
J0505
FIDUCIAL CAMERAD.CAM1
CN1
CN2
FID1
P086
FIDUCIAL CAMERA A
FID.LIGHT BRD. ASSY
CN5
CN5 J0512 HEAD1
HEAD2
SQ066
SQ067
VACUUM SENSOR 1
VACUUM SENSOR 2
AD0
AD1
CN1
CN18
CN2
CN3
CAMOUT
KM12,XT31
POWER CIRCUIT
See Page 12
J0055
CN43
J0042
I/F BOARD SRVB
J0121
VISION BOARD CAM2
J0502
CONTROL BOX
See Page 2
H+48V
H+24V
Y1ORG
Y1OT
C+24V
SRVB1-2
SRVB2-2
POW/EMG2
SRVB1
SRVB2
CAM2
Y1ORG
Y1OT
SQ053
SQ054
Y1-AXIS ORG
Y1-AXIS OVER TRAVEL
N0100800
N0100801
C+24V-1
J0044
J0302
J0123
J0503
XORG
XOT
SQ051
SQ052
N002D000
N002D001
X-AXIS ORG
X-AXIS OVER TRAVEL
FLEXIBLE
DUCT X
J0073
J0190
J0160
J0122
J0043
FLEXIBLE
DUCT Y
J0072
I/O CONVEYOR -3-
See Page 5
CN44
I/O CONVEYOR -3-
See Page 5
CN12
I/O CONVEYOR -1-
See Page 3
J0161
J0162
H EMG HEAD EMG
H.IO
POW/EMG1
J0309
J0310
C+24V CN11
R ORG1
R ORG2
J0511
VAC1
VAC2
BLOW1
BLOW2
SH BLOW
R1
R2
R1M
R1P
R2M
R2P
R2 ORG
R1 ORG
R2-AXIS
R1-AXIS ORG
R2-AXIS ORG
Z1-AXIS 60W
Z2-AXIS 60W
R1-AXIS 60W
R2-AXIS 60W
CZ-AXIS 60W
CN6
CZ-AXIS
CC.V5
6
HEAD
YC8

Confidential & Proprietary
PAGE
MULTI CAMERA SIDE LIGHT SPEC(STANDARD)
CONTROL BOX
See Page 2
VISION BOARD CAM1
CN28
CN24
I/O CONVEYOR -3-
I/O CONVEYOR -1-
CN4
See Page 3
See Page 5
J0049
J0192
J0222
J0501
FRONT DIGITAL MULTI CAMERA
CN8 POCL
MULTI CAM.SUB ASSY
CAM1
CN4 +24V
MULTI CAM2 BRD.ASSY
P061
SQ071
SQ072
CAPTURE1 LIGHT UPEND
CAPTURE1 LIGHT LOWEND
LDC1 UPPER
LOWER
L+24V
YV005
L+24V
MULTI-CAM1 UP
T0100032
LCD1 UP
N0100830
N0100831
CC.V5
7
MULTI CAMERA UNIT
YC8

Confidential & Proprietary
PAGE
J0181
J0230
FRONT LCD (STANDARD)
FRONT OPERATION SWITCHES
A12
MOUSE
A10
KEYBOARD
J0254
FRONT OPERATION SWITCHES
FRONT LCD TOUCH PANEL(OPTION)
J0240
J0181
J0234
LCD 1
J0252 LCD1
LCD1
DC12V IN
VGA SERIAL
A12
MOUSE
A10
KEYBOARD
J0256
RS232C F
RS232C F
J0230 J0254
VGA F
LCD1
VGA
LCD 1
VGA F
VGA
KEY
MOUSE
CN18
See Page 4
I/O CONVEYOR -2-
CN18
See Page 4
I/O CONVEYOR -2-
EXT.PWR
VGA
KEY
MOUSE
SERIAL1
CONTROL BOX
See Page 2
EXT.PWR
CONTROL BOX
See Page 2
J0252J0234 LCD1
DC12V IN
FRONT OPERATION SWITCHES
J0181
LCD 1LCD 2
FRONT & REAR LCD TOUCH PANEL (OPTION)
J0237
J0253
J0255
J0257
KB1
MS1
J0254
J0252
J0256
J0236
J0238
CRT2
KB2
MS2
RS2
EX
CRT1
KB1
MS1
RS1
RS PC CRT PC KB/MS PC
SWITCHER BOARD ASSY
REAR OPERATION SWITCHES
EX
RS2 RS1 J0240
KB F
RS232C F
MS F
RS232C R
KEY
CRT PC
CRT2 CRT1
CN18
See Page 4
I/O CONVEYOR -2-
J0232
J0233
J0234,J0235
EXT.PWR
KEY
VGA
J0231
SERIAL1
CONTROL BOX
See Page 2
See Page 4
I/O CONVEYOR -2-
CN20
J0222
CN24
I/O CONVEYOR -3-
See Page 5
MOUSE
A12
MS F
LCD 1
FRONT & REAR LCD(OPTION)
KEYBOARD
A10
KB F
MS1
KB1 J0238
J0236J0237J0255
LCD 2
J0254
EX
FRONT OPERATION SWITCHESREAR OPERATION SWITCHES
MS2
RS2
EX
CRT1
KB1
MS1
RS1
SWITCHER BOARD ASSY
CRT2
KB2
RS PC CRT PC KB/MS PC
KEY
CRT2 CRT1
See Page 4
CN20
I/O CONVEYOR -2-
CRT PC
J0252J0253
J0222
J0181
CN18
See Page 4
I/O CONVEYOR -2-
J0232
J0233
VGA
KEY
I/O CONVEYOR -3-
See Page 5
CN24
EXT.PWR
J0234,J0235
LCD2
VGA
REAR SIDE
VGA R
DC12V IN
LCD1
VGA
FRONT SIDE
VGA F
DC12V IN
LCD1LCD2
REAR SIDE
LCD2
DC12V IN
SERIAL VGA
RS232C R
VGA R
LCD2
FRONT SIDE
A10
KEYBOARD
A12
MOUSE
LCD1
DC12V IN
VGA SERIAL
RS232C F
VGA F
LCD1
See Page 2
CONTROL BOX
E03
E03
J0184
J0184
P031
P031
J0244
J0233
J0233
J0244
MOUSE
KEYBOARD
KB R
MS R
KB2
MS2
J0239
A11
A13
KEYBOARD
MOUSE
KB2
MS2
J0239
KB R
MS R
A11
A13
J0242
CC.V5
8
OPERATION PANEL SEL.
YC8