SM431 Technical Reference.pdf - 第106页
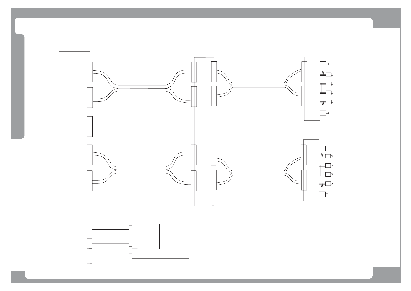
Page SAMSUNG TECHWIN 96 SM4 3 1 Vision Interface CN2 CN1 CN5 CN4 CH1 CH1 DSUB-15PIN DSUB-15PIN DSUB-15PIN DSUB-44PIN DSUB-15PIN SM431_VIS001(J90833073A) DSUB-15PIN SM431_VIS003(J90833075A) SM431_VIS006(J90833078A) #1 NEX…

Page
SAMSUNG TECHWIN
95
SM4
3
1
Step Interface (CV Servo, 2/2)
4
B/
5
C
J3
33
44
22
11
J1
9
8
9
8
66
7
5
7
5
SM431_CS038(J90832873A)
B/
A/
B
A
5VG
SHIELD
+5V
C/
B/
A/
B
A
WW2 MOTOR
8
9
7
6
EN
WW2 AXIS SERVO
PB DRIVER
2
4
3
4
2
3
11
J3
44
33
2
1
2
1
J1
8
9
7
8
9
7
4
6
5
6
4
5
SM431_CS039(J90832874A)
SM431_CS044(J90832879A)
A/
B/
B
A
2
4
3
1
B/
B
A
A/
+5V
SHIELD
5VG
C/
C
B/
B
A
A/
WS2 MOTOR
7
9
8
6
5
EN
3
B
44
WS2 AXIS SERVO
PB DRIVER
11
22
33
J3
2
3
2
3
1
9
1
9
J1
6
7
8
6
7
8
44
5
3
5
3
SM431_CS045(J90832880A)
A
B
A/
SM431_CS037(J90832872A)
3
2
1
SHIELD
B
B/
A/
A
C/
5VG
+5V
C
B/
9
B
B/
A/
A
MS2 MOTOR
6
8
7
5
4
EN
MS2 AXIS SERVO
PB DRIVER
2
1
2
1
SM431_CS043(J90832878A)
A/
A
2
1
STEP CONTROL B/D
J5
06
04
05
03
01
02
TB1-19A
TB1-20A
STEP SLAVE B/D
SM431_CS032(J90832866A)
SM431_CS033(J90832868A)
SM431_CS031(J90832865A)
24V
24G
SM431_PW046(J90833046A)
CN8
10
9
8
7
6
5
4
3
2
1
19
20
17
18
15
16
13
14
11
12
AXIS SENSER B/D
SM431_CS074(J90832909A)
A7
B8
B10
B9
B4
B6
B7
B5
B2
B3
B1
A9
A10
A8
CN11
A3
A5
A6
A4
A1
A2
B5
B9
B10
B7
B8
B6
B1
B3
B4
B2
A10
A9
A8
A7
A6
A5
A4
A3
A2
A1
WW1H
MS1H
GND
WS1H
GND
WW2H
WS2H
MS2H

Page
SAMSUNG TECHWIN
96
SM4
3
1
Vision Interface
CN2
CN1
CN5
CN4
CH1
CH1
DSUB-15PIN
DSUB-15PIN
DSUB-15PIN
DSUB-44PIN
DSUB-15PIN
SM431_VIS001(J90833073A)
DSUB-15PIN
SM431_VIS003(J90833075A)
SM431_VIS006(J90833078A)
#1 NEXTEYE B/D
#2 NEXTEYE B/D
CN8
DSUB-44PIN
SM431_VIS007(J90833079A)
CN9
SM431_VIS008(J90833080A)
PC RACK 12V
CN6
DSUB-15PIN
DSUB-15PIN
SM431_VIS002(J90833074A)
CN3
CN7
SM431_VIS003(J90833075A)
J1
J2
J3
J4
J5
J6
J1
J2
J3
J4
J5
J6
CN1
CN2
CN1
CN2
SM431_VIS004(J90833076A)
SM431_VIS005(J90833077A)
SM431_VIS005(J90833077A)
SM431_VIS004(J90833076A)
SM431_VIS005(J90833077A)
SM431_VIS005(J90833077A)
DSUB-15PIN
DSUB-15PIN
DSUB-15PIN
DSUB-15PIN
FLAT CABLE BRACKET FLY1
DSUB-15PIN
DSUB-15PIN
DSUB-15PIN
DSUB-15PIN
DSUB-62PIN
DSUB-62PIN
FRONT FLAT FLY1
FRONT FLAT FLY2
REAR FLAT FLY1
REAR FLAT FLY2
FLAT CABLE BRACKET FLY2
DSUB-15PIN
FLAT CABLE BRACKET FLY1
FLAT CABLE BRACKET FLY2
VISION IF B/D
FIDUCIAL CAM.
INDUSTIAL PC
FLAT CABLE
CAMERA IO B/D
FIDUCIAL CAM L(OPTION).
FIDUCIAL CAM.
FLY CAM1.
FLY CAM2.
FLY CAM3.
FIDUCIAL CAM L(OPTION).
FLY CAM1.
CAMERA IO B/D
FLY CAM4.
FLY CAM2.
FLY CAM3.
FLY CAM4.

Page
SAMSUNG TECHWIN
97
SM4
3
1
Safety Control Interface (1/3)
SAFETY CONTROL
BOARD
MOLEX
CN1P
CN1S
24G
+24V
4
3
1
2
4
3
1
2
DC POWER SUPPLY#1
MOLEX
+24V
24G
B2
TYCO 26PIN
CN2P
B1
A2
MC1
+24V
A1
READY LP
+24V
A3
READY SW
B3
24G
FEM SW
24G
B5
A5
REM1
+24V
B4
A4
24G
FDOOR SW
B7
A7
FD1
RD1
B6
A6
SAFETY CONTROL
BOARD
SM431_PW055(J90833055A)
24G
+24V
B9
B8
A9
A8
A10
B10
B12
A12
B11
A11
B13
A13
B2
B1
A2
A1
A3
B3
B5
A5
B4
A4
B7
A7
B6
A6
B9
B8
A9
A8
A10
B10
B12
A12
B11
A11
B13
A13
B2
B1
A2
A1
A3
B3
B5
A5
B4
A4
B7
A7
B6
A6
B9
B8
A9
A8
A10
B10
B12
A12
B11
A11
B13
A13
B2
B1
A2
A1
A3
B3
B5
A5
B4
A4
B7
A7
B6
A6
B9
B8
A9
A8
A10
B10
B12
A12
B11
A11
B13
A13
B2
B1
A2
A1
A3
B3
B5
A5
B4
A4
B7
A7
B6
A6
B9
B8
A9
A8
A10
B10
B12
A12
B11
A11
B13
A13
B2
B1
A2
A1
A3
B3
B5
A5
B4
A4
B7
A7
B6
A6
B9
B8
A9
A8
A10
B10
B12
A12
B11
A11
B13
A13
24G(FFDCH)
FFDCH SW
24G(FSTT)
F START SW
F-LED
+24V
+24V
24G
F-SEL1
F-SEL2
FRONT OP PANEL
TYCO 26PIN
CN1P
SM431_SC001(J90833065A)
B2
TYCO 26PIN
CN3P
B1
A2
MC1
+24V
A1
READY LP
+24V
A3
READY SW
B3
24G
REM SW
24G
B5
A5
FD1
REM1
B4
A4
24G
RDOOR SW
B7
A7
RD1
TF1
B6
A6
B9
B8
A9
A8
A10
B10
B12
A12
B11
A11
B13
A13
B2
B1
A2
A1
A3
B3
B5
A5
B4
A4
B7
A7
B6
A6
B9
B8
A9
A8
A10
B10
B12
A12
B11
A11
B13
A13
B2
B1
A2
A1
A3
B3
B5
A5
B4
A4
B7
A7
B6
A6
B9
B8
A9
A8
A10
B10
B12
A12
B11
A11
B13
A13
B2
B1
A2
A1
A3
B3
B5
A5
B4
A4
B7
A7
B6
A6
B9
B8
A9
A8
A10
B10
B12
A12
B11
A11
B13
A13
B2
B1
A2
A1
A3
B3
B5
A5
B4
A4
B7
A7
B6
A6
B9
B8
A9
A8
A10
B10
B12
A12
B11
A11
B13
A13
B2
B1
A2
A1
A3
B3
B5
A5
B4
A4
B7
A7
B6
A6
B9
B8
A9
A8
A10
B10
B12
A12
B11
A11
B13
A13
24G(RFDCH)
RFDCH SW
24G(RSTT)
R START SW
R-LED
+24V
+24V
24G
R-SEL1
R-SEL2
REAR OP PANEL
TYCO 26PIN
CN1P
SM431_SC002(J90833066A)