SM431 Technical Reference.pdf - 第47页
Page SAMSUNG TECHWIN 37 SM4 3 1 Air Ass’y (2/5) J67081020A AFM40-04D J67081020A AFM40-04D J67111150A KQ2V12-04S J67111150A KQ2V12-04S J6711244A KQ2L12-03 J6711244A KQ2L12-03 J67101007A ISE35-N-25-MLA J67101007A ISE35-N-2…

Page
SAMSUNG TECHWIN
36
SM4
3
1
Air Ass’y (1/5)
HARNESS ASSY
Work
J67081018A
AIR MIST FILTER ASSY
J90832949A HEAD AIR SOL PWR CABLE ASSY
J6701088A
CM2C32-50
2-J6711028A
KQ2L04-01
J6701018B
WTS10*30-RS2
J6703007A
JNC4-M5
J66061005A
AQ2A12-30D
J6711005A
M-5HLH-4
J6711156A
M-5H-4
J6711156A
M-5H-4
2-J6711028A
KQ2L04-01
J6703007A
JNC4-M5
J6711005A
M-5HLH-4
J6701088A
CM2C32-50
J6701018B
WTS10*30-RS2
J66061005A
AQ2A12-30D
J2100009
MANIFOLD
J90581025A
SM431 MANIFOLD ASSY
FEEDER BASE ASSY (DC)
FEEDER BASE ASSY(FRONT-DC)
FEEDER BASE ASSY(REAR-DC)
4-J6711019A
KQ2U06-00
2-J6703033A
AS2201F-01-06S
FEEDER BASE ASSY (ST)
FEEDER BASE ASSY(REAR-ST)
FEEDER BASE ASSY(FRONT-ST)
Rear Gantry Air Module
Front Gantry Air Module
2-FITTING
SQW04-M5-W
KPT18
DVM1120-5V
4-FITTING
SQL04-M5-W
1-FITTING
SQH08-01S-W
4-SPEED CONTROLER
SP1211F-M5-04-W
MANIFOLD BLOCK DVM1-20-05-R3642
J67021034A SOLENOID VALVE MODULE
DVM1-20-05-R3642-4
2-SILENCER
SN101-01
2-FITTING
SQW04-M5-W
J67110119B
KQ2U04-06
U2_4-6*4(Black)
J90551236A
HEAD PNEUMATIC MODULE ASSY
J67111150A
KQ2V12-04S
J67081020A
AFM40-04D
J67110104B
KQ2H04-00
KPT18
J67111140A
KQ2L10-01S
3-J6712008A
PT 1/8
J67111140A
KQ2L10-01S
J6702021A
K180-4E1-21-DC24V
J67110119B
KQ2U04-06
J67091007A
AR08-T2-DOMO-J267A
J67131026A
MULTI_TUBE(UML_410-BK*10)
J67071024A
VKME10A-S640S2-B04
U2-4-6*4(YELLOW)
3-J6703028A
SS4-M5MA
U2-4-4*2.5(BLUE)
U2-4-4*2.5(BLUE)
J6711001A
KQ2L04-M5
J90561001A(J6701029A)
BDAS6X5-1A-ZC153A2
U2-4-4*2.5(BLUE)
DVM1120-5V
4-FITTING
SQL04-M5-W
J6711001A
KQ2L04-M5
1-FITTING
SQH08-01S-W
2-J1301188
KQ2L04-M5
3-J6703028A
SS4-M5MA
J67011016A
TPC1B16-30
4-SPEED CONTROLER
SP1211F-M5-04-W
U2-4-6*4(YELLOW)
U2-4-4*2.5(BLUE)
U2-4-4*2.5(BLUE)
U2-4-4*2.5(BLUE)
J6711244A
KQ2L12-03
MANIFOLD BLOCK DVM1-20-05-R3642
J67101007A
ISE35-N-25-MLA
J67021034A SOLENOID VALVE MODULE
DVM1-20-05-R3642-4
2-SILENCER
SN101-01
J90561001A(J6701029A)
BDAS6X5-1A-ZC153A2
J1301213
PT 3/8
J67111017A
KQ2VD06-02S
J1301189
KQ2L06-02
J1301189
KQ2L06-02
J67111150A
KQ2V12-04S
J67081019A
AW40-04D
3-J6712008A
PT 1/8
J6711168A
BUYD06-04
J1300284
KQ2U06-00
2-J6705004A
AN101-01
J6703037A
AKH06-00
J6702021A
K180-4E1-21-DC24V
J6702021A
K180-4E1-21-DC24V
2-J6711009A
KQ2L06-M5
4-J6711247A
PT18EF
2-J1301188
KQ2L04-M5
2-J6711256A
KD-M5-SA34697KR
5-J1300276
KQ2L06-01
2-J1301188
KQ2L04-M5
J6711168A
BUYD06-04
2-J6703034A
ASP330F-01-06S
2-J6711257A
KS-4-M5-SA34698KR
4-J1301188
KQ2L04-M5
J6712013A
PLUG(PT 1/4)
HEAD 8HEAD 7HEAD 6HEAD 5HEAD 4HEAD 3HEAD 2HEAD 1
M-3ALU-4
M-3ALU-4
J6702049A
RCS242-M3-D24NP
J6702037A
44B-BAA-GDFA-1BA
J6705009A
AS-5
J6712004A
F-3120-20
J67111154A
POC4-2
J67121004A
M3
J67111068A
M-3ALU-4
J67031001A
AKH04-00
J6711104A
KQ2H04-00
J6711018A
KQ2U04-00
J67041010A
LF-M3-Z07-021
M-3ALU-4
J6711018A
KQ2VD08-02S
J6711018A
KQ2VD08-02S
C
D
B
A
Work
Work
Work
Work
Work
Work
Work
J9057168B J9057172B
J90571025A

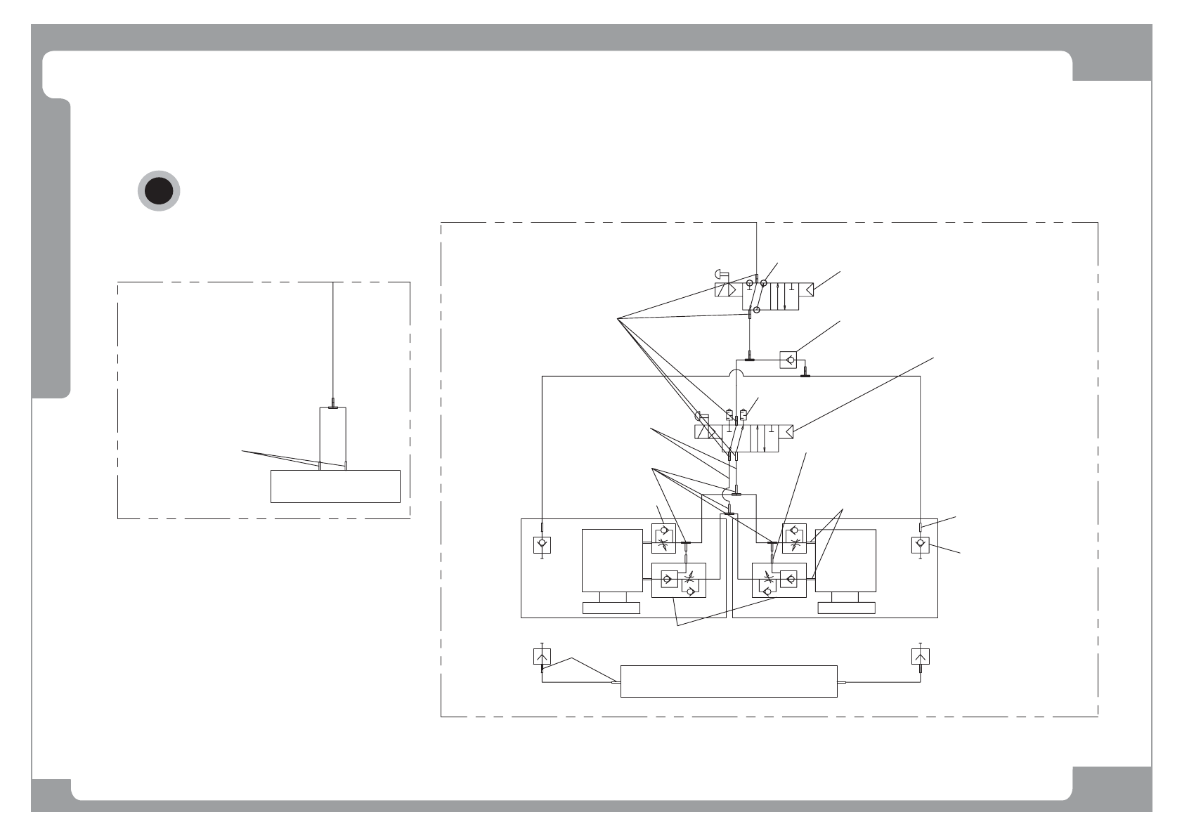
Page
SAMSUNG TECHWIN
37
SM4
3
1
Air Ass’y (2/5)
J67081020A
AFM40-04D
J67081020A
AFM40-04D
J67111150A
KQ2V12-04S
J67111150A
KQ2V12-04S
J6711244A
KQ2L12-03
J6711244A
KQ2L12-03
J67101007A
ISE35-N-25-MLA
J67101007A
ISE35-N-25-MLA
J1301213
PT 3/8
J1301213
PT 3/8
J67111017A
KQ2VD06-02S
J67111017A
KQ2VD06-02S
J1301189
KQ2L06-02
J1301189
KQ2L06-02
J1301189
KQ2L06-02
J1301189
KQ2L06-02
J67111150A
KQ2V12-04S
J67111150A
KQ2V12-04S
J67081019A
AW40-04D
J67081019A
AW40-04D
J6711018A
KQ2VD08-02S
J6711018A
KQ2VD08-02S
J6712013A
PLUG(PT 1/4)
J6712013A
PLUG(PT 1/4)
J67111138A
KQ2VD10-02S
J67111138A
KQ2VD10-02S
J67081018A
AIR MIST FILTER
J67081018A
AIR MIST FILTER
J2100009
MANIFOLD
J2100009
MANIFOLD
J90581025A
SM431 MANIFOLD
J90581025A
SM431 MANIFOLD
4
5
2
11
10
Front Head Vaccum Sol. Volve
Rear Head Vaccum Sol. Volve
Front Sol. Volve Module
Rear Sol. Volve Module
Regultor
8 Connection Fitting
Rear Multi Tube 1,
8 Connection Fitting
Front Multi Tube 1,
Rear Feeder Base
Front Feeder Base
1
3
8
8
7
7
9
6
6
9
A

Page
SAMSUNG TECHWIN
38
SM4
3
1
Air Ass’y (3/5)
4-J1301188
KQ2L04-M5
4-J1301188
KQ2L04-M5
J9057168BJ9057168B
2-J6711257A
KS-4-M5-SA34698KR
2-J6711257A
KS-4-M5-SA34698KR
J90571025AJ90571025A
2-J6703034A
ASP330F-01-06S
2-J6703034A
ASP330F-01-06S
J9057172BJ9057172B
J6711168A
BUYD06-04
J6711168A
BUYD06-04
2-J1301188
KQ2L04-M5
2-J1301188
KQ2L04-M5
5-J1300276
KQ2L06-01
5-J1300276
KQ2L06-01
2-J6711256A
KD-M5-SA34697KR
2-J6711256A
KD-M5-SA34697KR
2-J1301188
KQ2L04-M5
2-J1301188
KQ2L04-M5
4-J6711247A
PT18EF
4-J6711247A
PT18EF
2-J6711009A
KQ2L06-M5
2-J6711009A
KQ2L06-M5
J6702021A
K180-4E1-21-DC24V
J6702021A
K180-4E1-21-DC24V
J6702021A
K180-4E1-21-DC24V
J6702021A
K180-4E1-21-DC24V
J6703037A
AKH06-00
J6703037A
AKH06-00
2-J6705004A
AN101-01
2-J6705004A
AN101-01
J1300284
KQ2U06-00
J1300284
KQ2U06-00
J6711168A
BUYD06-04
J6711168A
BUYD06-04
3-J6712008A
PT 1/8
3-J6712008A
PT 1/8
FEEDER BASE ASSY (ST)
FEEDER BASE ASSY(REAR-ST)
FEEDER BASE ASSY(FRONT-ST)
FEEDER BASE ASSY (ST)
FEEDER BASE ASSY(REAR-ST)
FEEDER BASE ASSY(FRONT-ST)
2-J6703033A
AS2201F-01-06S
2-J6703033A
AS2201F-01-06S
4-J6711019A
KQ2U06-00
4-J6711019A
KQ2U06-00
FEEDER BASE ASSY (DC)
FEEDER BASE ASSY(FRONT-DC)
FEEDER BASE ASSY(REAR-DC)
FEEDER BASE ASSY (DC)
FEEDER BASE ASSY(FRONT-DC)
FEEDER BASE ASSY(REAR-DC)
B