SM431 Technical Reference.pdf - 第114页
Page SAMSUNG TECHWIN 104 SM4 3 1 Electric Circuit Diagram (4/7) 32B 31B 36B 41B 37B 42B 26B 21B 27B 22B 21A 26A 31A 36A 41A 1 3 5 2 4 6 34B 44B 29B 24B 39B 33B 38B 43B 28B 23B 22L1 22L3 22L2 22T 22R 2.5mm 2.5mm -TB1 (21~…

Page
SAMSUNG TECHWIN
103
SM4
3
1
Electric Circuit Diagram (3/7)
13
14
19B 20B
19A 20A
18B
18A
17A
17B
1,2 3,4 1,2,3 4,5,6
2L2
FROM CP2
2L1
AC220V
24G
+24VZ1 24G
-PS3
(SHUTTLE/CONVEYOR BELT 4AXIS)
2L1 2L2
(SHUTTLE MOVE/WIDTH 6AXIS)
+24VB
24G
-MC1
+24V 24G
HEAD FZ,FR,FM
+24VZ2 24G
-PS4
2L1 2L2
HEAD RZ,RR,RM
FROM PS2(DC POWER #2)
+24V
1.5 mm1.5 mm
1.5 mm 1.5 mm
2.5 mm
2.5 mm
2.5 mm
-TB1 (17~20 : DC24V)
CN1 J5
DC POWER (400W)
(-)
24VDC
(+)
AC IN
PE09
DC POWER B/D#1
DRIVER CONSOLE
DC POWER(400W)
(-)
24VDC
(+)
AC IN
PE10
2
2
2 2
2
2
2
SM431_PW044
:J90833044A
SM431_PW045
:J90833045A
SM431_PW047
:J90833047A
SM431_PW046
:J90833046A
SM431_PW066
:J90833066A
SM431_PW066
:J90833066A
SM431_PW048
:J90833048A
SM431_PW049
:J90833049A

Page
SAMSUNG TECHWIN
104
SM4
3
1
Electric Circuit Diagram (4/7)
32B31B
36B
41B
37B
42B
26B
21B
27B
22B21A
26A
31A
36A
41A
1
3
5
2
4
6
34B
44B
29B
24B
39B
33B
38B
43B
28B
23B
22L1
22L3
22L2
22T
22R
2.5mm 2.5mm
-TB1 (21~40 : 3Ø 220V)
FROM CP3
-MC1
AC220V
22R
22S
22T
(LC1D096BD-20A)
2.5mm2.5mm
2.5mm
DRIVERDRIVER
PE11
U
-M1
3~
M
WVE
3~
-M2
M
UV
PE12
WE
L3
SERVO
r
-SD1
L1
t
SERVO
rt
-SD2
L3L1
DRIVERDRIVER
PE13
U
-M3
3~
M
VW E V
M
3~
-M4
U
PE14
WE
SERVO
r
-SD3
L1
t
SERVO
t
L3
r
-SD4
L2 L3L1
2 2
50W
FEL-AXIS
750W
FX-AXIS
50W
REL-AXIS
750W
RX-AXIS
VU
PE18
W
r
L1
tt
2
1KW
U
-M3
L1
t
DRIVERDRIVER
PE17
U
-M3
3~
M
2
WE V
M
3~
-M4
E
SERVO
-SD7
L2
SERVO
L3
r
-SD8
L2 L3L1
1KW
RY1-AXIS RY2-AXIS
DRIVERDRIVER
PE15
3~
M
VW E V
M
3~
-M4
U
PE16
WE
SERVO
r
L2
t
SERVO
L3
r
-SD6
L2 L3L1
1KW
FY1-AXIS
1KW
FY2-AXIS
-SD5
L2
2
SM431_PW027
:J90833027A
SM431_PW028
:J90833028A
SM431_PW032
:J90833032A
SM431_PW036
:J90833036A
SM431_PW041
:J90833041A
SM431_PW029
:J90833029A
SM431_PW033
:J90833033A
SM431_PW037
:J90833037A
SM431_PW042
:J90833042A

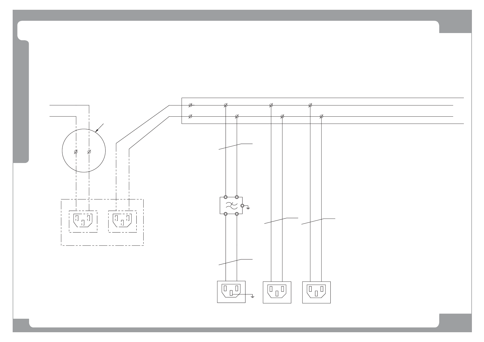
Page
SAMSUNG TECHWIN
105
SM4
3
1
Electric Circuit Diagram (5/7)
U1-A
U1-B
U2-A
U2-B
9A
9B
1A 1B
10A
2A 3A
11A
1
34
21
34
2
OUTLETINLET
UPS OPTION INSTALL
-UPS
(800VA)
TO REAR MONITOR
TO CONTROL BOX
TO FRONT MONITOR
1L1 1L2
FROM CP1
1L2
1L1
1.5mm
POWER INLET
1L1 1L2 1L1 1L2
1.5mm
AC220V
-NF2
(1Ø, 5A)
1L1N 1L2N
1.5mm
1.5mm
ADDITIONANL
TERMINAL BLOCK
UPS OPTION connection guide
2
PE03
2
PE08
2
2