5OM-1501-006_w.pdf - 第53页
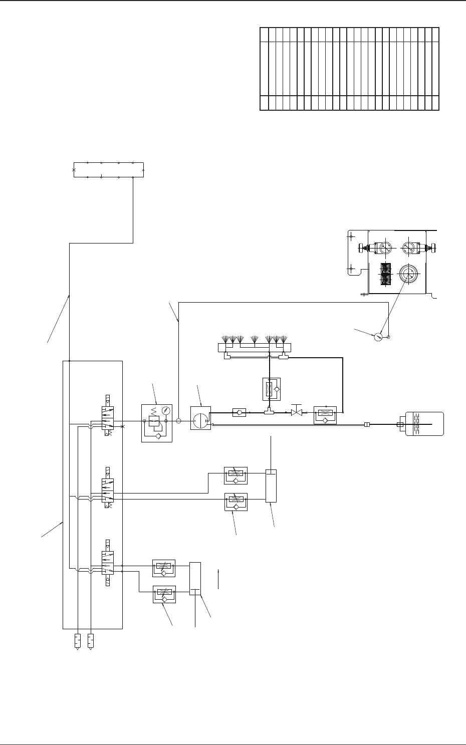
エア配管図(クリーニングユニット) 0906-003-(1090000201) φ4 切り替えシャッタ φ6 φ6 φ6 φ6 φ6 1/8 1/8 1/8 1/8 チャック吸引 Y059 Y05A φ6 下降 クリーニンク"上下 φ6 φ6 クリーニング吸引 φ6 1/8 φ6 φ4 SC2 φ6 φ6 L1600 溶剤タ ンク 架台に設置 Y57 Y56 φ4 L1700 SET G G 51 52 54 56 59 57…

エア配管図(基板ストッパ、吸着ヘッド上下)
0906-003-(1090000201)
φ6
L1500
A
B
A
B
基板押え
左吸着ヘッド上下
R2
R1
B
A
PD
PE
PS
PV
PD
PE
PS
PV
配管φ6.0
排気
配管φ6.0
1700mm
配管φ6.0
1700mm
右吸着ヘッド上下
基板ストッパ
41
42
44
45
46
45
46
44
48
48
47
47
43
No. 名称 個数
41 ソレノイドバルブユニット 1
42 スピードコントローラ 1
43 シリンダ 1
44 レギュレータ 2
45 スピードコントローラ 4
46 シリンダ 2
47 真空バルブ 2
1-5
5OM-1501

エア配管図(クリーニングユニット)
0906-003-(1090000201)
φ4
切り替えシャッタ
φ6
φ6
φ6
φ6
φ6
1/8
1/8 1/8
1/8
チャック吸引
Y059
Y05A
φ6
下降
クリーニンク"上下
φ6
φ6
クリーニング吸引
φ6
1/8
φ6
φ4
SC2
φ6
φ6 L1600
溶剤タ ンク
架台に設置
Y57
Y56
φ4 L1700
SET
G
G
51
52
54
56
59
57
58
55
53
No. 名称 個数
51 ソレノイドバルブユニット 1
52 スピードコントローラ 2
53 シリンダ 1
54 スピードコントローラ 4
55 シリンダ 2
56 レギュレータ 1
57 真空バルブ 1
58 スピードコントローラ 2
59 圧力ゲージ 1
1-6
5OM-1501

5OM-1501
0810-001 2-A
2
章
部品配置図およびセンサ ・ 負荷配置図
この章では、各部のレイアウトおよびセンサ ・ 負荷配置図を記載していま
す。高度な内容を含みますので、参照する場合は、十分ご注意ください。