KE-3010A_KE-3010AC_KE-3020VA_KE-3020VRA-Rev12.pdf - 第175页
- 168 - NOTE( 注記 ) #01....FOR EN EN 用 #02....FOR 950MM 950 MM 用 REF.NO NOTE PART NO D E S C R I P T I O N 品 名 Qty 1 401-72826 TROLLEY_ASM トロリー組 1 2 #01 401-79202 TROLLEY _ASM_EN トロリー組_EN 1 3 #02 401-79205 TROLLEY _ASM_95…

- 167 -
84.E REPLACING OVERALL CHANGER TRUCK RF COMPONENTS(2)
電動一括交換台車 RF 関係(2)
18
16
B
A
5
17
8
13
12
1 3
35
33
38
31
37
31
34
38
33
6
9
20
40
36
36
37
34
32
35
7
42
41
29
10
11
11
41
42
15
53
14
17
18
7
8
13
12
15
16
16
15
15
16
26
28
27
30
29
32
25
21
24
23
22
30
54
54
45
49
47
47
46
48
44
45
44
43
4
19
39
39
50
51
52
53
62
59
57
60
58
61
55
56
58
62
61
59
60
63
64
98
102
86
79
81
80
87
88
93
90
91
78
77
75
76
74
74
73
C
C
87
89
92
72
69
68
68
69
67
66
67
70
105
96
96
97
98
99
100
101
97
101
100
99
103
103
82
83
84
85
94
103
106
71
95
104
65
112
111
109
118
120
119
110
115
116
117
108
107
107
108
113
114
113
114
103
106
A
52
B

- 168 -
NOTE( 注記 ) #01....FOR EN EN 用
#02....FOR 950MM 950 MM 用
REF.NO NOTE PART NO D E S C R I P T I O N
品 名
Qty
1 401-72826 TROLLEY_ASM
トロリー組
1
2
#01
401-79202 TROLLEY_ASM_EN
トロリー組_EN
1
3
#02
401-79205 TROLLEY_ASM_950
トロリー組_950
1
4 401-72827 TROLLEY_UPPER_ASM
トロリーアッパー組
(1)
5 400-94881 TROLLEY_SHAFT_L70
トロリーシャフト_L70
(1)
6 401-77434 TROLLEY_UPPER
トロリーアッパー
(1)
7 400-01730 SCALE MARKS SEAL
メモリシール
(2)
8 400-89239 E_TROLLEY_PLATE
Eトロリープレート
(4)
9 401-75735 TROLLEY_STOPPER_BLOCK_R
トロリーストッパーブロックR
(1)
10 401-75734 TROLLEY_STOPPER_BLOCK_L
トロリーストッパーブロックL
(1)
11 SL-6082092-TN SCREW M8 L=20
座金付き六角穴ボルト M8 L=20
(6)
12 WP-0621036-SP WASHER
平座金
(4)
13 SM-3061052-TN SCREW M6 L=10
丸ねじ M6 L=10
(4)
14 E2703-721-000 TROLLEY SHAFT
トロリーシャフト
(1)
15 SB-8160005-C0 BEARING
ころがり軸受
(4)
16 SM-6040602-TN SCREW
六角穴ボルト
(16)
17 400-01748 TROLLEY SUB GUIDE
トロリーサブガイド
(2)
18 SL-6062592-TN SCREW M6 L=25
座金付き六角穴ボルト M6 L=25
(2)
19 401-22302 ASM_TROLLEY_BOTTOM
トロリーボトム組
(1)
20 401-10302 TROLLEY_BOTTOM
トロリーボトム
(1)
21 NM-6060001-SC NUT M6X1 TYPE1
六角ナット M6X1 1種
(4)
22 400-94859 CASTER_107N
キャスター 107N
(4)
23 SL-6082092-TN SCREW M8 L=20
座金付き六角穴ボルト M8 L=20
(16)
24 SL-6061492-TN SCREW M6 L=14
座金付き六角穴ボルト M6 L=14
(4)
25 E2711-721-000 TROLLEY STOPPER
トロリーストッパー
(2)
26 SL-6041292-TN SCREW M4 L=12
座金付き六角穴ボルト M4 L=12
(1)
27 400-23476 FG GUM SHEET
FGゴムシート
(1)
28 WP-0430801-SC WASHER M4
平座金 M4
(1)
29 SL-6083092-TN SCREW M8 L=30
座金付き六角穴ボルト M8 L=30
(6)
30 400-94928 TROLLEY_HANDLE_ASM
トロリーハンドル組
(2)
31 SL-6030642-TN SCREW M3 L=6
座金付き六角穴ボルト M3 L=6
(1)
32 SL-6040642-TN SCREW M4 L=6
座金付き六角穴ボルト M4 L=6
(1)
33 E2641-729-000 HANDLE CLIP
ハンドルグリップ
(1)
34 400-94854 HANDLE_SHAFT_ET
ハンドルシャフトET
(1)
35 400-21920 TROLLEY HANDLE
トロリーハンドル
(1)
36 PS-0400122-KP SPRING PIN TYPE W 4X12
スプリングピン W形 4X12
(2)
37 PS-0600182-KP SPRING PIN TYPE W 6X18
スプリングピン W形 6X18
(1)
38 E2635-729-000 HANDLE SLIDER
ハンドルスライダ
(1)
39 CM-3002000-03 FINGER INJURY CAUTION LABEL (31.5)
指怪我注意シール (31.5)
(1)
40 SM-6125052-TR SCREW M12 L=150
六角穴ボルト M12 L=150
(2)
41 WP-1052001-SC WASHER 10
平座金みがき丸 M10
(4)
42 SL-6102042-TN SCREW M10 L=20
座金付き六角穴ボルト M10 L=20
(4)
43 401-72828 TROLLEY_BANK_PL_ASM
トロリーバンクプレート組
(1)
44 401-75709 REGURATION_BR
レギュレーションBR
(2)
45 SL-6061092-TN SCREW M6 L=10
座金付き六角穴ボルト M6 L=10
(4)
46 401-81438 REGURATION_BAR
レギュレーションバー
(1)
47 SL-4040891-SC SCREW M4X8
座金付きなべ小ねじ M4 L=8
(4)
48 401-19292 ETF_POSITION_LABEL(40)_2
ETFポジションラベル(40)_2
(1)
49 E5721-729-000 LABEL
荷重禁止シール
(1)
50 401-75713 BANK_PLATE_L
バンクプレートL
(1)
51 401-75714 BANK_PLATE_R
バンクプレートR
(1)
52 401-28047 LINEAR_SHAFT
リニアシャフト
(2)
53 400-98942 SUPPORT_SHAFT
サポートシャフト
(2)
54 SM-8060552-TP SCREW M6 L=5
止めねじ
(4)
55 401-72829 TROLLEY_SAFTY_COVER
トロリーセーフティカバー
1
56 401-75727 TROLLEY_SAFETY_COVER_R
トロリーセーフティカバーR
(1)
57 401-75726 TROLLEY_SAFETY_COVER_L
トロリーセーフティカバーL
(1)
58 SL-6061092-TN SCREW M6 L=10
座金付き六角穴ボルト M6 L=10
(2)
59 400-94723 TOROLLEY_COV_BR
トロリーカバーブラケット
(2)
60 SL-6061092-TN SCREW M6 L=10
座金付き六角穴ボルト M6 L=10
(4)
61 SL-4040891-SC SCREW M4X8
座金付きなべ小ねじ M4 L=8
(4)
62 CM-3002000-03 FINGER INJURY CAUTION LABEL (31.5)
指怪我注意シール (31.5)
(2)
63 401-75728 TROLLEY_SAFETY_COVER_R_A
トロリーセーフティカバーR_A
(1)
64 SL-6040892-TN SCREW M4 L=8
座金付き六角穴ボルト M4 L=8
(2)
65 401-72830 TROLLEY_TAPE_GUIDE_ASM_REV_B
トロリーテープガイド組
1
66 401-63525 TAPE_GUIDE_A
テープガイドA
(1)
67 SM-6061202-TN SCREW
六角穴ボルト
(2)
68 WP-0641601-SC WASHER M6
平座金みがき丸 M6
(4)
69 401-11174 TGI_POST
TGI_ポスト
(2)
70 401-26049 TAPE_GUIDE_B_ASM_TROLLEY
テープガイド_B_組_トロリー
(1)
71 401-61919 TAPE_GUIDE_B
テープガイドB
(1)
72 401-26047 SHUTER_ASM
シャッター組
(1)
73 401-38829 SHUTTER_PLATE
シャッタープレート
(1)
74 401-38835 MAGNET_RUBBER_SHEET
マグネットラバーシート
(2)
75 401-38837 UPDC_HANDLE_BR
UPDCハンドルブラケット
(1)
76 SM-3030552-TN SCREW M3 L=5
丸ねじ M3 L=5
(4)
77 SL-6030692-TN SCREW M3 L=6
座金付き六角穴ボルト M3 L=6
(2)
78 401-38507 WSHER_TM-147-1
抜け止め防止ワッシャTM−147−1
(2)
79 401-26048 SLIDE_GUIDE_ASM_TROLLEY
スライドガイド組_トロリー
(1)
80 401-38830 SLIDE_GUIDE
スライドガイド
(1)
81 401-38838 SHUTTER_FILM
シャッター_フィルム
(1)
82 E2732-721-000 BANK GUIDE ROLLER
バンクガイドローラ
(2)
83 WP-0641601-SC WASHER M6
平座金みがき丸 M6
(2)
84 WS-0610002-KN SPRING WASHER M6
ばね座金 M6
(2)
85 NM-6060001-SC NUT M6X1 TYPE1
六角ナット M6X1 1種
(2)
86 401-50864 GUIDE_SPACER_55
ガイドスペーサ_55
(2)
87 400-98072 SLIDE_WASHER
スライドワッシャー
(4)
88 WP-0451016-SP WASHER 4.5X20X1
平座金 4.5X20X1
(2)
89 400-56921 SPRING STUD
スプリングスタッド
(2)
90 WP-0430801-SC WASHER M4
平座金 M4
(2)
91 WS-0410002-KN SPRING WASHER M4
ばね座金 M4
(2)
92 NM-6040001-SC NUT M4X0.7 TYPE1
六角ナット M4X0.7 1種
(2)
93 401-11184 SLIDE_GUIDE_SP
スライドガイド_SP
(2)
94 401-75732 BASE_GUIDE_BR_A
ベースガイドBR_A
(1)
95 401-75731 BASE_GUIDE_BR_B
ベースガイドBR_B
(1)
96 SL-6061292-TN SCREW M6 L=12
座金付き六角穴ボルト M6 L=12
(4)
97 401-50866 BRG_SUPPORT
BRG_サポート
(2)
98 E2732-721-000 BANK GUIDE ROLLER
バンクガイドローラ
(2)
99 WP-0641601-SC WASHER M6
平座金みがき丸 M6
(2)
100 WS-0610002-KN SPRING WASHER M6
ばね座金 M6
(2)
101 NM-6060001-SC NUT M6X1 TYPE1
六角ナット M6X1 1種
(2)
102 401-50865 GUIDE_SPACER_135
ガイドスペーサ_135
(2)
103 SL-6061292-TN SCREW M6 L=12
座金付き六角穴ボルト M6 L=12
(6)
104 401-75729 BASE_GUIDE_BR_L
ベースガイドBR_L
(1)
105 401-75730 BASE_GUIDE_BR_R
ベースガイドBR_R
(1)
106 SL-6061492-TN SCREW M6 L=14
座金付き六角穴ボルト M6 L=14
(4)
107 400-94856 TH_LOCK_BR
THロックブラケット
2
108 SL-4030691-SC SCREW M3 L=6
座金付きなべ小ねじ M3 L=6
4
109 401-19277 ST_COVER
ST_カバー
2
110 SL-6040892-TN SCREW M4 L=8
座金付き六角穴ボルト M4 L=8
3
111 400-94860 TH_CASTER
THキャスター
4
112 SL-4040891-SC SCREW M4X8
座金付きなべ小ねじ M4 L=8
16
113 400-94861 SLIDE_BOLT
スライドボルト
2
114 SL-4030691-SC SCREW M3 L=6
座金付きなべ小ねじ M3 L=6
8
115 HX-0029400-00 FIXED BASE
固定ベース
3
116 SM-4040601-SC SCREW M4X0.7 L=6
なべ小ねじ M4X0.7 L=6
3
117 EA-9500B02-00 CABLE BAND 150
束線バンド 150
3
118 NM-6040001-SC NUT M4X0.7 TYPE1
六角ナット M4X0.7 1種
1
119 WP-0430801-SC WASHER M4
平座金 M4
1
120 WS-0410002-KN SPRING WASHER M4
ばね座金 M4
1

- 169 -
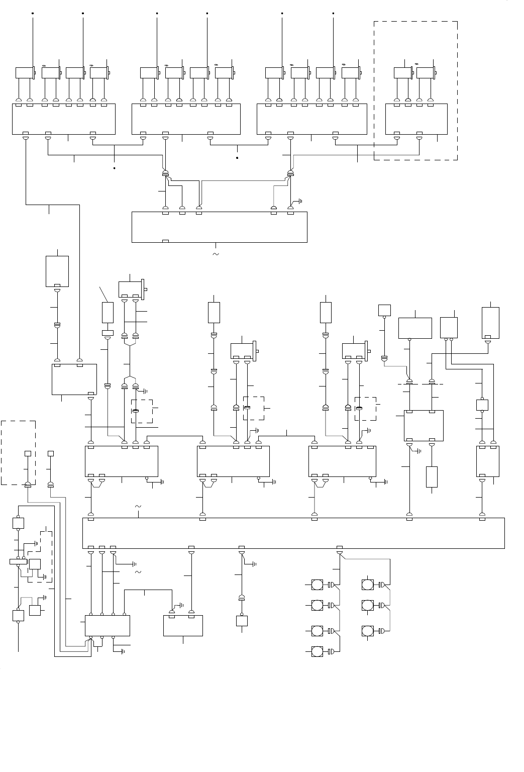
85.SYSTEM DIAGRAM(1)
SYSTEM DIAGRAM(1)
34
40
38
77
7878
78
83
79 79 79797979
78 83
77 82
76
76
76
76
77 8238
80
18 21
38
39
36
35
37
40
39
49
53
51
52
50
37
54
57
37
59
58
56
39
53
40
65
66
67
68 74
75
60
64
63
72
71
73
69
70
62
61
5546
29
30
30
30
30
30
30
30
28
26
27
25
41
42
43
44
32
33
81
31
47
4545
47
24
23
22
18 21
17
13 15
16
12
11
10
9
8
7
6
84
4
3
2
1
FANFANFANFAN
FANFANFAN
INPUT
NFB
SURGE
PROTECTOR
TF1
LF1
BLOCK CAPACITOR
5
EN ONLY
MAIN SW 1/2
1-3D
CN06
CN06
CN07
CN07
MTS PWR(L)
MTC PWR(R)
200V
200V
34V
100V
ETF POWER UNIT
1/2
CN04
GND
3-3B
POWER UNIT
1/5
CN01
CN03
CN11
CN04
GND
CN12
CN2003
VACUUM PUMP
COPLA-PS
1-4B
PWR29
[CTRL UNIT]
[BASE R SIDE]
[POWER UNIT]
[BASE L SIDE]
CN063
CN13
X SERVO AMP
MR-J4-70B-KM012
1/2
CNP1
2CH NET
CN1A
CNP2
CN2
CN1B
CNP3
4-1D
E
YL SERVO AMP
MR-J4-200B-KM012
1/2
CNP2
CNP1
CN1A
CN2
CNP3
CN1B
4-5A
E
YR SERVO AMP
MR-J4-200B-KM012
1/2
CNP1
CN1A
CNP2
CN2
CNP3
CN1B
E
POSITION BOARD
1CH DI
2CH NET
1CH NET
CN165
CN151
ENCX
3Turn
EN ONLY
ENCYL
MOTOR YLCN2
SCALE YLCN2L
SENSYL
Y MOTOR
YL 1500W
SENSYL
EN ONLY
3 Turn
ENCYR
SENSYR
SCALE YRCN2L
MOTOR YRCN2
Y MOTOR
YR 1500W
YRMTR
3Turn
EN ONLY
PS-ON
ATX13
CN3
BATTERY
CN3
CP
INLET
MAIN
ATX-POWER
1/2
BATT
12V
4-5C
CN2
CN1
COPLA-POWER
SCALE HEAD Y
MAIN SW 2/2
CPCI
BACK
BOARD
XY11
CPCI BACK
BOARD (COPLA)
4-5A
COPLA MONITOR
SWITCH BOARD
1/2
4-5A
CN4
1-2A
2-5B
CN11
S-XY RELAY PCB
1/3
SENSX
XENC
XMTR
SCALE HEAD X
SERVO MOTOR
750W
SCALE HEAD Y
POWER UNIT 2/5
1-2D
CN21
CN13
CN37
CN14
CN15
CN38
2-3B
ZTPWR2
2-2B
CNP2C
CN2C
CNP2D
CN2D
CN1A
CNP1
4AXIS SERVO AMP(4)
1/2
2-2B
CN1B
CN1A
CNP1
CNP2A
CN2B
CNP2B
CN2A
CNP2C
CN2D
CNP2D
CN2C
2-2A
CN1B
CN1A
CNP1
CNP2A
CN2B
CNP2B
CN2A
CNP2C
ZTPWR1
Z2 MOTOR
HC-BP0336LW4-S10
2 MOTOR
HC-BP0136D-S8
4AXIS SERVO AMP(3)
1/2
4AXIS SERVO AMP(2)
1/2
4AXIS SERVO AMP(1)
1/2
Z1 MOTOR
HC-BP0336LW4-S10
1 MOTOR
HC-BP0136D-S8
ONLY 3020V 3020VR
7 MOTOR
HC-BP0336LW4-S10
Z7 MOTOR
HC-BP0336LW
4-S10
6 MOTOR
HC-BP0136D-S8
Z6 MOTOR
HC-BP0336LW4-S10
5 MOTOR
HC-BP0136D-S8
Z5 MOTOR
HC-BP0336LW4-S10
Z3 MOTOR
HC-BP0336LW4-S10
Z4 MOTOR
HC-BP0336LW4-S10
3MOTOR
HC-BP0136D-S8
4 MOTOR
HC-BP0136D-S8
CN2D
CNP2D
CN2C
CNP2C
CNP2B
CN2B
CN2A
CNP2A
2-2B
CN1A
CNP1
CN1B
78 83 78 83 78 83 78 83
ONLY 3010A/20VA/20VRA