KE-3010A_KE-3010AC_KE-3020VA_KE-3020VRA-Rev12.pdf - 第95页
- 88 - REF.NO NOTE PART NO D E S C R I P T I O N 品 名 Qty 1 400-71599 BM ANGLE BR BMアングルブラケット 1 2 SL-6030592-TN SCREW M3 L=5 座金付き六角穴ボルト M3 L=5 4 3 400-47981 BAD MARK FIBER AMP ASM バッドマークファイバアンプ組 1 4 SM-6030602-TN SCREW M3…

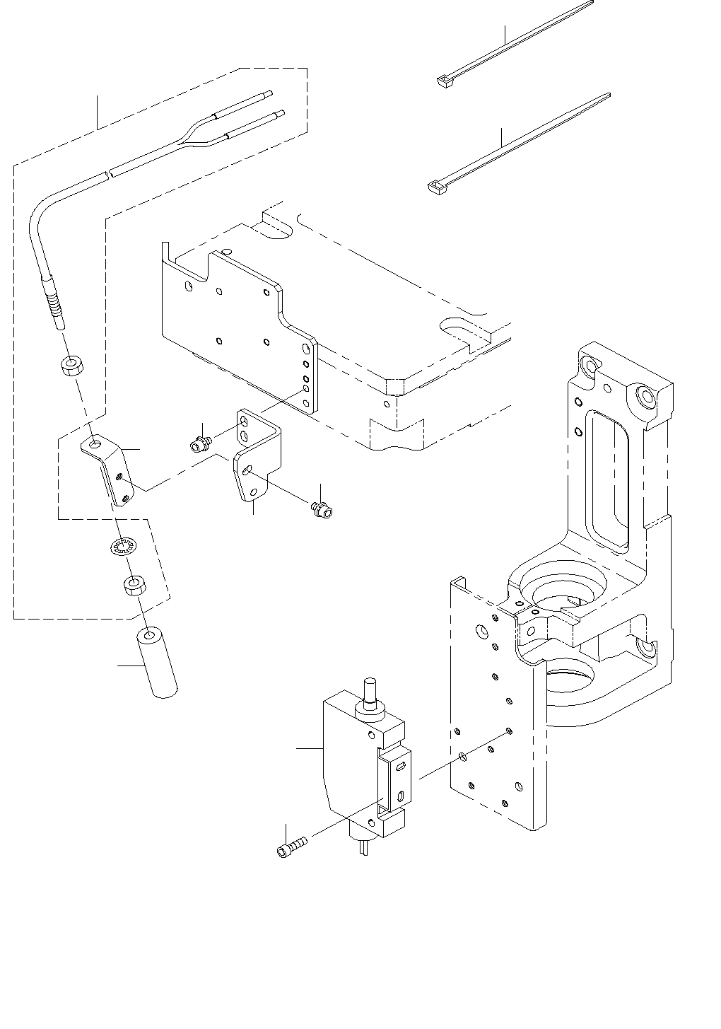
- 87 -
44.BAD MARK READER COMPONENTS
バッドマークリーダ関係
2
7
2
9
8
1
4
3
6
5

- 88 -
REF.NO NOTE PART NO D E S C R I P T I O N
品 名
Qty
1 400-71599 BM ANGLE BR
BMアングルブラケット
1
2 SL-6030592-TN SCREW M3 L=5
座金付き六角穴ボルト M3 L=5
4
3 400-47981 BAD MARK FIBER AMP ASM
バッドマークファイバアンプ組
1
4 SM-6030602-TN SCREW M3X6
六角穴ボルト M3X6
2
5 HD-0013100-40 SENSOR
ファイバユニット
1
6 E9638-729-000 FIBER LENS
ファイバレンズ
1
7 400-71565 BM HOLDER 3020
BMホルダ3020
1
8 EA-9500B01-00 CABLE BAND
束線バンド
4
9 EA-9500B02-00 CABLE BAND 150
結束バンド 150
8

- 89 -
45.COPLANARITY UNIT
コプラナリティユニット
8
11
14
14
32
45
2
5
4
3
27
26
16
20
19
29
21
38
42
39
37
37
36
35
34
34
34
33
32
31
28
25
24
23
22
15
9
17
10
12
13
1
41
43
44
6
7
47
18
46
18
40
30