文档中心
/
RX-7_RX-7R-Rev08.pdf
RX-7_RX-7R-Rev08.pdf - 第285页
C-10
目录
100%
显示:宽度
宽度
1 / 296
回到旧版
旧版
?
C-9
C4
【
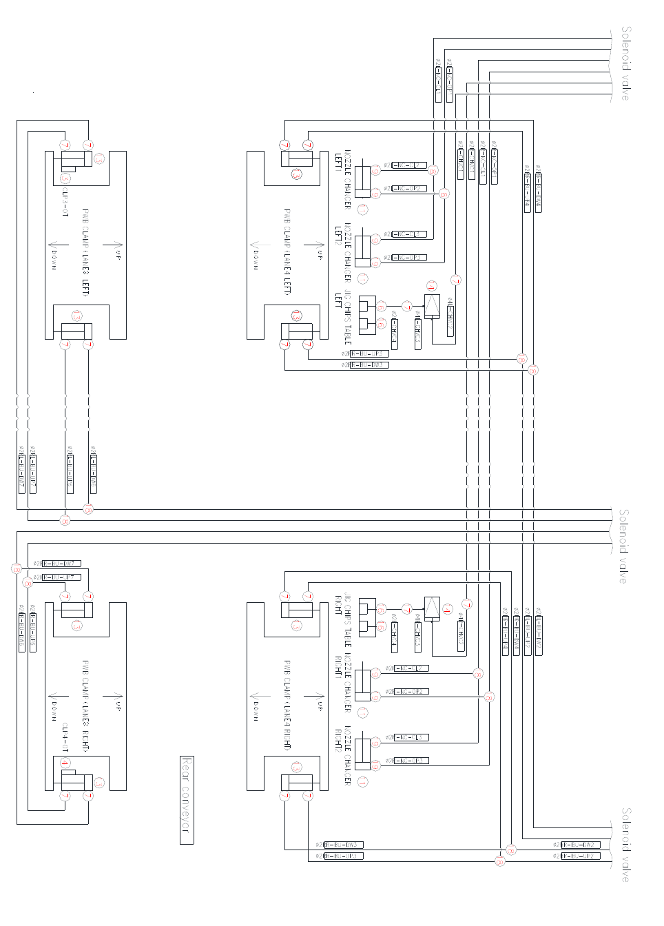
RX-7
】搬送部周辺配管図
【
RX-7
】
Conveyor pipe diagram
C-10
C-1
1
该页面需要启用 JavaScript 才能进行交互式预览。