KE-3010A_KE-3010AC_KE-3020VA_KE-3020VRA-Rev08.pdf - 第177页
- 170 - NOTE( 注記 ) #01....FOR EN EN 用 #02....FOR 3010A 3010 A 用 #03....FOR 3010A(EN),3010ACL(E N) 3010 A(EN) ,3010 ACL(EN)用 #04....FOR 3020VA,3020VRA 3020 VA,3020 VRA 用 #05....FOR 3020VA(EN),3020VRA(E N) 3020 VA (EN) ,30…

- 169 -
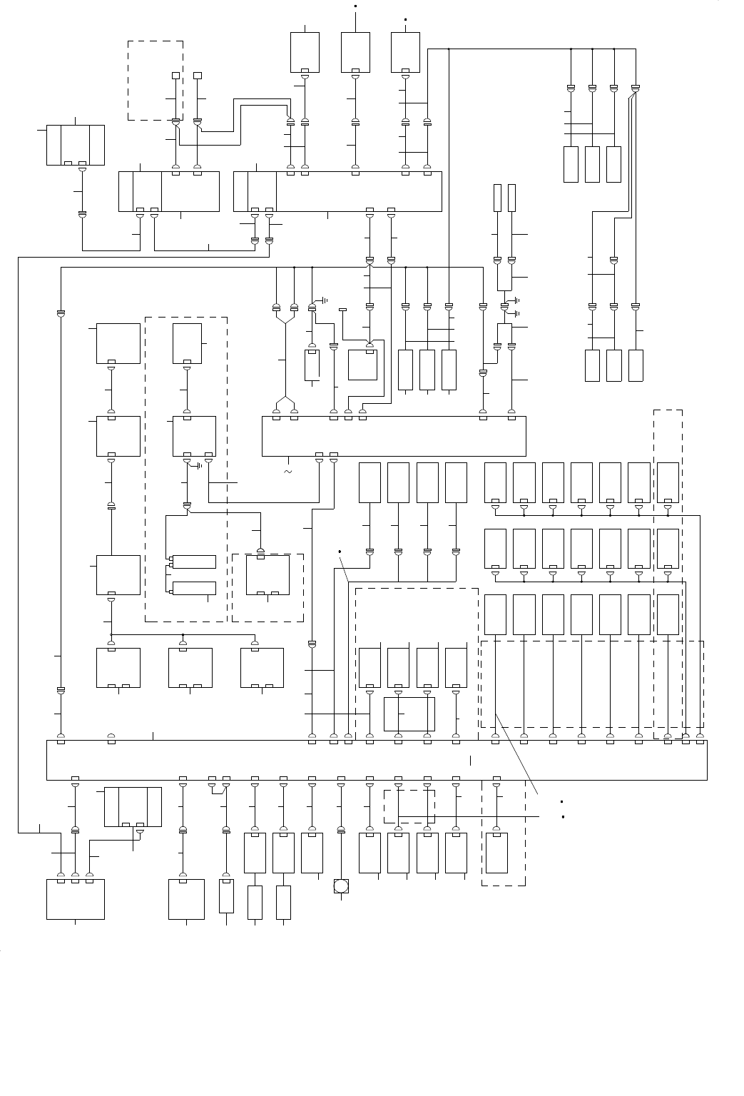
85.SYSTEM DIAGRAM(1)
SYSTEM DIAGRAM(1)
34
40
38
77
7878
78
83
79 79 79797979
78 83
77 82
76
76
76
76
77 8238
80
18 21
38
39
36
35
37
40
39
49
53
51
52
50
37
54
57
37
59
58
56
39
53
40
65
66
67
68 74
75
60
64
63
72
71
73
69
70
62
61
5546
29
30
30
30
30
30
30
30
28
26
27
25
41
42
43
44
32
33
81
31
47
4545
47
24
23
22
18 21
17
13 15
16
12
11
10
9
8
7
6
84
4
3
2
1
FANFANFANFAN
FANFANFAN
INPUT
NFB
SURGE
PROTECTOR
TF1
LF1
BLOCK CAPACITOR
5
EN ONLY
MAIN SW 1/2
1-3D
CN06
CN06
CN07
CN07
MTS PWR(L)
MTC PWR(R)
200V
200V
34V
100V
ETF POWER UNIT
1/2
CN04
GND
3-3B
POWER UNIT
1/5
CN01
CN03
CN11
CN04
GND
CN12
CN2003
VACUUM PUMP
COPLA-PS
1-4B
PWR29
[CTRL UNIT]
[BASE R SIDE]
[POWER UNIT]
[BASE L SIDE]
CN063
CN13
X SERVO AMP
MR-J4-70B-KM012
1/2
CNP1
2CH NET
CN1A
CNP2
CN2
CN1B
CNP3
4-1D
E
YL SERVO AMP
MR-J4-200B-KM012
1/2
CNP2
CNP1
CN1A
CN2
CNP3
CN1B
4-5A
E
YR SERVO AMP
MR-J4-200B-KM012
1/2
CNP1
CN1A
CNP2
CN2
CNP3
CN1B
E
POSITION BOARD
1CH DI
2CH NET
1CH NET
CN165
CN151
ENCX
3Turn
EN ONLY
ENCYL
MOTOR YLCN2
SCALE YLCN2L
SENSYL
Y MOTOR
YL 1500W
SENSYL
EN ONLY
3 Turn
ENCYR
SENSYR
SCALE YRCN2L
MOTOR YRCN2
Y MOTOR
YR 1500W
YRMTR
3Turn
EN ONLY
PS-ON
ATX13
CN3
BATTERY
CN3
CP
INLET
MAIN
ATX-POWER
1/2
BATT
12V
4-5C
CN2
CN1
COPLA-POWER
SCALE HEAD Y
MAIN SW 2/2
CPCI
BACK
BOARD
XY11
CPCI BACK
BOARD (COPLA)
4-5A
COPLA MONITOR
SWITCH BOARD
1/2
4-5A
CN4
1-2A
2-5B
CN11
S-XY RELAY PCB
1/3
SENSX
XENC
XMTR
SCALE HEAD X
SERVO MOTOR
750W
SCALE HEAD Y
POWER UNIT 2/5
1-2D
CN21
CN13
CN37
CN14
CN15
CN38
2-3B
ZTPWR2
2-2B
CNP2C
CN2C
CNP2D
CN2D
CN1A
CNP1
4AXIS SERVO AMP(4)
1/2
2-2B
CN1B
CN1A
CNP1
CNP2A
CN2B
CNP2B
CN2A
CNP2C
CN2D
CNP2D
CN2C
2-2A
CN1B
CN1A
CNP1
CNP2A
CN2B
CNP2B
CN2A
CNP2C
ZTPWR1
Z2 MOTOR
HC-BP0336LW4-S10
2 MOTOR
HC-BP0136D-S8
4AXIS SERVO AMP(3)
1/2
4AXIS SERVO AMP(2)
1/2
4AXIS SERVO AMP(1)
1/2
Z1 MOTOR
HC-BP0336LW4-S10
1 MOTOR
HC-BP0136D-S8
ONLY 3020V 3020VR
7 MOTOR
HC-BP0336LW4-S10
Z7 MOTOR
HC-BP0336LW
4-S10
6 MOTOR
HC-BP0136D-S8
Z6 MOTOR
HC-BP0336LW4-S10
5 MOTOR
HC-BP0136D-S8
Z5 MOTOR
HC-BP0336LW4-S10
Z3 MOTOR
HC-BP0336LW4-S10
Z4 MOTOR
HC-BP0336LW4-S10
3MOTOR
HC-BP0136D-S8
4 MOTOR
HC-BP0136D-S8
CN2D
CNP2D
CN2C
CNP2C
CNP2B
CN2B
CN2A
CNP2A
2-2B
CN1A
CNP1
CN1B
78 83 78 83 78 83 78 83
ONLY 3010A/20VA/20VRA

- 170 -
NOTE( 注記 ) #01....FOR EN EN 用
#02....FOR 3010A 3010 A 用
#03....FOR 3010A(EN),3010ACL(EN) 3010 A(EN),3010 ACL(EN)用
#04....FOR 3020VA,3020VRA 3020 VA,3020 VRA 用
#05....FOR 3020VA(EN),3020VRA(EN) 3020 VA(EN),3020 VRA(EN)用
#06....FOR 3010A,3010ACL 3010 A,3010 ACL 用
#07....EXCEPT 3010ACL 3010 ACL を除く
REF.NO NOTE PART NO D E S C R I P T I O N
品 名
Qty
1 401-46386 NFB-LF CABLE ASM
NFB−LFケーブル組
1
2 401-33966 MAIN SW INPUT CABLE ASM
メインスイッチ入力束線組
1
3 401-48269 AC INPUT UNIT FG CABLE ASM
AC入力ユニットFGケーブル組
1
4 401-29262 AC INPUT SURGE PROTECTOR ASM
AC入力サージプロテクタ組
1
5 400-92401 AC INPUT NO.26 CABLE ASM
AC入力ユニット No.26ケーブル組
1
6 401-46437 MTC/MTS PWR CONNECTOR ASM
MTC/MTS電源コネクタ組
1
7 401-46387 MAIN SW-TF CABLE ASM
メインSW−TFケーブル組
1
8 401-46436 MTC/MTS PWR CABLE ASM
MTC/MTS電源ケーブル組
1
9 401-35052 TRANSFORMER
トランス
1
10 401-33971 TF INPUT CABLE (DELTA) ASM
変圧器入力端子デルタ結線束線組
1
11 401-09925 TF FG CABLE ASM
トランスFGケーブル組
1
12 401-09926 TF 200V OUTPUT CABLE ASM
TF200V出力ケーブル組
1
13 401-09927 TF 34V OUTPUT CABLE ASM
TF34V出力ケーブル組
1
14
#01
401-13637 SAFETY U 34V IN CABLE ASM(EN)
セーフティ U 34V IN ケーブル組(EN)
1
15
#01
401-13638 SAFETY U 34V OUT CABLE ASM(EN)
セーフティ U 34V OUT ケーブル組(EN)
1
16 401-09928 TF 100VA OUTPUT CABLE ASM
TF100VA出力ケーブル組
1
17 401-09929 TF 200VB OUTPUT CABLE ASM
TF200VA出力ケーブル組
1
18
#06
401-49489 POWER SUPPLY UNIT 10 ASM
電源ユニット10組
1
19
#03
401-49490 POWER SUPPLY UNIT 10(EN) ASM
電源ユニット10(EN)組
1
20
#04
401-49556 POWER SUPPLY UNIT 20 ASM
電源ユニット20組
1
21
#05
401-49559 POWER SUPPLY UNIT 20(EN) ASM
電源ユニット20(EN)組
1
22 401-09930 X PWR CABLE ASM
X電源ケーブル組
1
23 401-29652 X AXIS DRIVER
X軸ドライバ
1
24 401-09933 X DRV FG CABLE ASM
XドライバFGケーブル組
1
25 401-14533 ETF_POWER_ASM
ETF電源組
1
26 401-13635 GND COMMON CABLE ASM
GND COMMONケーブル組
1
27 401-29244 VACUUM PUMP ASM
真空ポンプ組
1
28 401-46409 VACUUM PUMP RELAY CABLE ASM
真空ポンプ中継ケーブル組
1
29 401-48286 FAN CABLE ASM
ファンケーブル組
1
30 401-33768 DC FAN
DCファン
1
31 400-44540 16AXIS 2CH SERVO CONTROLLER
16軸 2CHポジションボード
1
32 401-09948 POS BOARD1 1CH CABLE ASM
ポジションボード1 1CHケーブル組
1
33 400-97614 XY-RELAY POS RELAY CABLE ASM
XY−RELAY ポジション中継ケーブル組
1
34 400-48070 OPTICAL FIBER CABLE 7M
光ファイバケーブル7M
1
35 401-46367 X ENC CABLE ASM
X ENC ケーブル組
1
36 401-09943 X MOTOR CABLE ASM
Xモータケーブル組
1
37
#01
HN-0015500-00 CORE
コア
1
38 401-46388 XY BEAR CABLES ASM
XY ベアケーブル組
1
39 401-46380 Y BEAR CABLES ASM
Y ベアケーブル組
1
40 401-29630 XY LINEAR SCALE HEAD
XYリニアスケールヘッド
1
41 400-44545 X MOTOR ENCODER CABLE
X軸エンコーダ中継ケーブル
1
42 400-44546 X MTR POWER CABLE
X MTR電源ケーブル
1
43 401-29653 X AXIS MOTOR
X軸モータ
1
44 401-06795 S-XY RELAY PCB ASM
S−XYリレー基板組
1
45 401-29654 Y AXIS DRIVER
Y軸ドライバ
1
46 401-09931 YL POWR CABLE ASM
YL電源ケーブル組
1
47 400-92416 DRV FG CABLE ASM
ドライバFGケーブル組
1
48 401-29627 OPTICAL FIBER CABLE 1M
光ファイバケーブル1M
1
49 401-46383 YL LINEAR SENS CABLE ASM
YL リニアセンサケーブル組
1
50 401-46368 YL ENC CABLE ASM
YL ENCケーブル組
1
51 401-46381 YL ENCODER CABLE ASM
YL エンコーダケーブル組
1
52 401-46439 YL MOTOR CABLE ASM
YL モータケーブル組
1
53 401-46348 Y AXIS SERVO MOTOR
Y軸モータ
1
54 401-29628 OPTICAL FIBER CABLE 0.15M
光ファイバケーブル0.15M
1
55 401-09932 YR PWR CABLE ASM
YR電源ケーブル組
1
56 401-46384 YR LINEAR SENSER CABLE ASM
YR リニアセンサケーブル組
1
57 401-46369 YR ENC CABLE SAM
YR ENCケーブル組
1
58 401-46382 YR ENCODER CABLE ASM
YR エンコーダケーブル組
1
59 401-46440 YR MOTOR CABLE ASM
YR モータケーブル組
1
60 401-46346 ATX PSU
ATX電源
1
61 401-46431 ATX POWER CABLE ASM
ATX電源ケーブル組
1
62 401-46347 BATTERY
バッテリー
1
63 401-63313 ATX MAIN CABLE ASM
ATXメインケーブル組
1
64 401-46426 ATX 12V CABLE ASM
ATX 12Vケーブル組
1
65 401-31764 ATX CTRL CABLE ASM
ATX電源制御束線組
1
66 401-63314 CPCI POWER CABLE ASM
CPCI電源ケーブル組
1
67 401-05681 MONITOR SWITCH PCB PWR CABLE ASM
モニタ切り替え基板電源ケーブル組
1
68 401-29625 CPCI BACK BOARD 6SLOT
CPCIバックボード6スロット
1
69 HX-0057700-00 POWER SUPPLY
パワーサプライ
1
70 400-97430 COPLA INPUT RELAY CABLE ASM
コプラ入力リレーケーブル組
1
71 400-97428 COPLA CPU POWER CABLE ASM
コプラCPU電源ケーブル組
1
72 400-97433 COPLA CPU GND CABLE ASM
コプラCPU GNDケーブル組
1
73 400-97432 COPLA CPU CP CABLE ASM
コプラCPU CPケーブル組
1
74 400-97423 CPCI BACK BOARD
CPCI バックボード
1
75 401-32154 COPLA MONITOR SWITCHING BOARD
コプラナリティ画面切り替え基板
1
76 401-29650 4AXIS INTEGRAL TYPE T AXIS DRIVER
4軸一体型軸ドライバ
1
77
#04
401-29628 OPTICAL FIBER CABLE 0.15M
光ファイバケーブル0.15M
1
78
#04
401-49143 SERVO MOTOR 30W
サーボモータ 30W
1
79 401-46452 SERVO MOTOR 10W
サーボモータ 10W
1
80 401-46396 LZT PWR RELAY CABLE ASM
LZT 電源中継ケーブル組
1
81 401-18621 OPTICAL FIBER CABLE 2M
光ファイバケーブル2M
1
82
#02
401-29628 OPTICAL FIBER CABLE 0.15M
光ファイバケーブル0.15M
1
83
#02
401-49143 SERVO MOTOR 30W
サーボモータ 30W
1
84
#07
401-46437 MTC/MTS PWR CONNECTOR ASM
MTC/MTS電源コネクタ組
1

- 171 -
86.SYSTEM DIAGRAM(2)
SYSTEM DIAGRAM(2)
FAN
CN8
CN1223X +LIM
X NEAR
X -LIM
XNEAR
SENSOR
X +LIMIT
SENSOR
X -LIMIT
SENSOR
HEAD IO
2
2626252218
16141210
4
5
3
6
7
8
6
9
11 13 15 17 19 21
20
2827
1
6
29
30 30 30
31
32
39 40
37
45
38
33
36
35
34
42
41
43
46
6
47
50 51 52 53
48 49
5654
55 57 58 58
59
60 61
44
62 65
84 85
83
82
81
80
72
71
70
68
67
66
69
78 78 79
77
76
75
110
110
110
111
112
113
113
114
99
102 103
108 109
104
105
107
106
101
100
8
93
94
95
96
97
98
115
91
92
8
89
90
8
86
87
88
7473
23 24
ETHER MAIN PCB
OCC CAMERA
SLIGHT
CTRL PCB
S-HEAD MAIN
PCB ASM
IP-X7 PCB
TEMPERATURE
SENSOR PWB ASM
OCC C LIGHT PCB ASM
OCC A LIGHT PCB ASM
OCC A LIGHT PCB ASM
IEEE1394a
REPEATER
ONLY 3020V 3020VR
4AXIS SERVO
AMP(1) 2/2
4AXIS SERVO
AMP(2) 2/2
4AXIS SERVO
AMP(3) 2/2
ONLY 3020V 3020VR
4AXIS SERVO
AMP(4) 2/2
OCC
CAMERA
OCC C
LIGHT PCB ASM
OCC A
LIGHT PCB ASM
OCC A
LIGHT PCB ASM
ONLY 3020V 3020VR
IEEE1394
BOARD
SCM3 PCB
ONLY 3020VR
POWER UNIT 3/5
FEEDER PCB
1/2
8-PORT COM
BOARD 1/3
XY05
BASE I/O PCB
1/2
XY-RELAY PCB
2/3
8-PORT COM
BOARD 2/3
OPERATION
PCB (F) 1/2
OPERATION
PCB (R) 1/2
LIGHT-A1 CN10
LIGHT-A2
EN3
EN1
EN2
CN813
EN2
EN1
ETHER
SLAVE
PCB
4-2C
AC3
4-1D
CN478
EN1
CN2
CN32
CN33
HMS
HMS
HEADR
B/M
FIBER
B/M AMP
CN14
CDS
FIBER
CDS AMP
CN20
CN23
OCCL
LIGHT-C
CN12
CN1
CN9
NZ DWN1
CN26
Z1
PRESSURE
SENSOR
CN11
CN27
T7 SLOW
DOWN
SENSOR
CN25
CN41
CN40
CN39
CN38
CN37
CN36
CN35
CN8
CN7
CN6
CN31
CN28
CN16
CN13
CN19
CN15
CN245
1-5A
CN4B CN5
CN4D
CN4B
CN4D
1-5B
CN5
CN4B
CN4D
1-5C
CN5
CN201
LNC60
CN1
FMLA
CN4C CN5
1-5D
CN4D
OCCR
LIGHT-C
LIGHT-A1
LIGHT-A2
Z2
PRESSURE
SENSOR
Z3
PRESSURE
SENSOR
Z4
PRESSURE
SENSOR
Z5
PRESSURE
SENSOR
Z6
PRESSURE
SENSOR
Z7
PRESSURE
SENSOR
Z1 VAC SV
Z2 VAC SV
Z3 VAC SV
Z4 VAC SV
Z5 VAC SV
Z6 VAC SV
Z7 VAC SV
NZ DWN2
NZ DWN3
Z1 BLW SV
Z2 BLW SV
Z3 BLW SV
Z4 BLW SV
Z5 BLW SV
Z6 BLW SV
Z7 BLW SV
CN064
CN32
CN20
ONLY
3020V 3020VR
NOZZLE
DOWN
SENSOR L
NOZZLE
DOWN
SENSOR IC
NOZZLE
UP SV ASM
NOZZLE
DOWN
SENSOR R
3-3B
CN62
CN61
CN19
CN26
CN17
CN064
ION I/O
PUMP-IO
CN68
1-3B
1-5B
SI01
CH1
COM
J4
J8
CH1CH2
CN848
LNC60
IONIZER
ION PWR
SAFTY
UNIT(EN)
EN2
EN1
1-3A
SAFE IO
LED F
LED R
RT FULX
FULX RLY
COPLA LA
PILOT
LAMP
PILOT
LAMP
COPLA
LASER KEY
FULX PWR
FULX RLY1
FULX RLY2
MOTOR
SWITCH
CN901
XY10
XY03
CN16
CN10
MOTOR
SWITCH
CN4
4-5A
CN9
CN7
CN33
CN5
XYEN2
XYEN2
4-2A
ETHER
SLAVE
PCB
4-2A
CN2
CN1
EN2
ETHER
SLAVE
PCB
EN1
ES F
ETHER
SLAVE
PCB
EN2
EN1
3-2A
I/F R
I/F L
MTS I/F
MTC I/F
XY08
XY01
XY02
XY04
CN1247
CN1239
1-4B
SI02
4-4C
3-4A
3-4B
CN14
CN14
CN1241
CN127
Y -LIMIT
SENSOR
Y ++LINIT
SENSOR
Y NEAR
SENSOR
Y -LIMIT
SENSOR
Y ++LINIT
SENSOR
Y NEAR
SENSOR
ONLY 3010A/20VA/20VRA