P-0185-003.pdf - 第19页
Key No. P AR T No. P AR T NAME Q’ty REMARKS NOTE MODEL TCM-X210 0306-001 17 401 630 085 3278 ROTOR 1 801B--1 10-401 402 41 1 141 4305 W ASHER V 6X12.5X1.6 3 801B--1 10-402 403 41 1 141 3001 W ASHER SPR 6 3 801B--1 10-403…

MODEL TCM-X210
0506-002
16
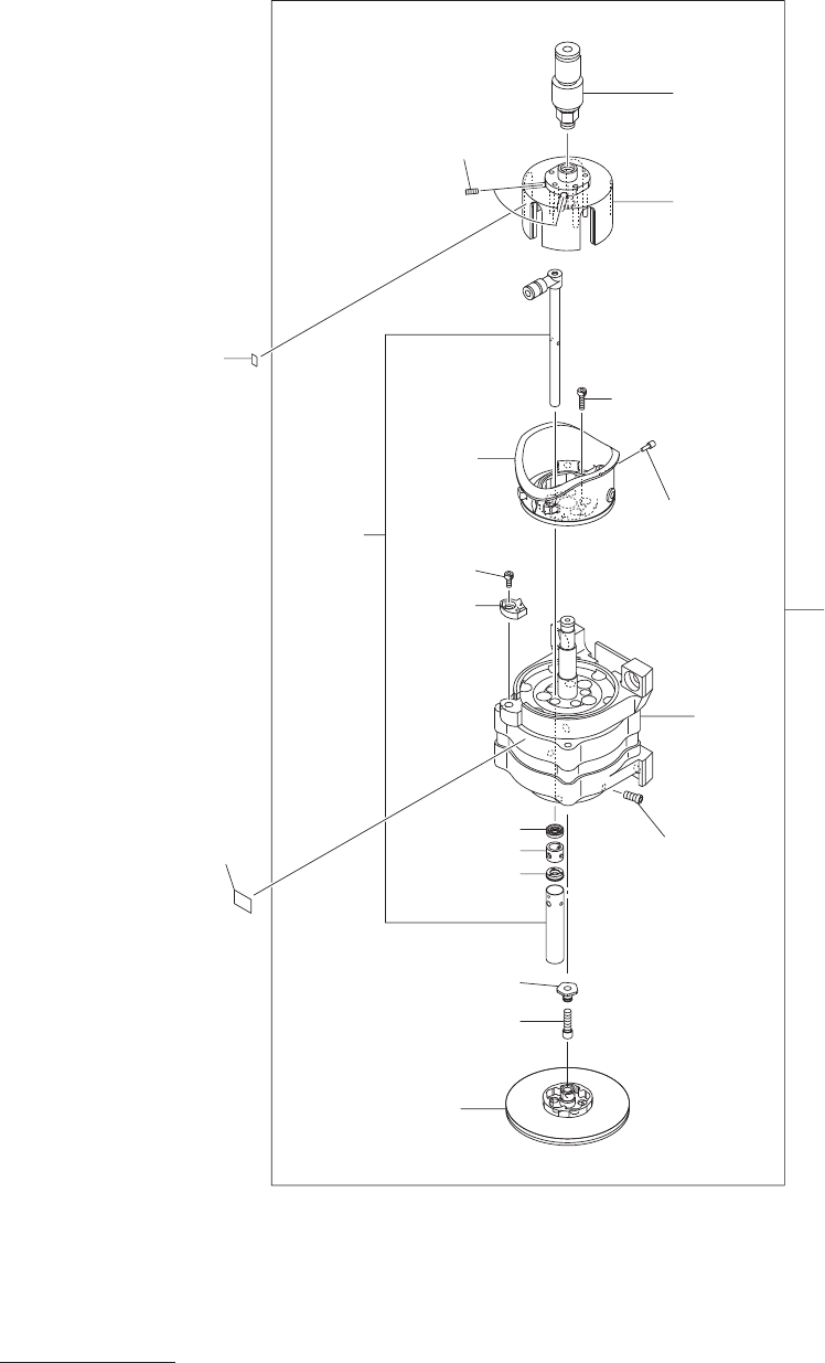
ターンテーブル部
TURNTABLE SECTION
Fig. B-5
ヘッドドライバ
Head Driver
426
425
424
423
421
422
452
420
419
417
416
415
418
414
409
410
411
412
413
408
451
405
See Fig.B-
1
Key No.
1
404
403
402
401
407
406

Key No. PART No. PART NAME Q’ty REMARKS
NOTE
MODEL TCM-X210
0306-001
17
401 630 085 3278 ROTOR 1 801B--110-401
402 411 141 4305 WASHER V 6X12.5X1.6 3 801B--110-402
403 411 141 3001 WASHER SPR 6 3 801B--110-403
404 630 085 8310 BOLT,HEX-SCT 3 801B--110-404
405 630 085 8518 ROTOR 1 801B--110-405
406 411 141 4008 WASHER V 4X9X0.8 4 801B--110-406
407 411 141 2905 WASHER SPR 4 4 801B--110-407
408 630 000 7619 BOLT,HEX-SCT 4 801B--110-408
409 630 085 5081 ROTOR 1 801B--110-409
410 630 048 6834 COLLAR 6 801B--110-410
411 411 141 4008 WASHER V 4X9X0.8 6 801B--110-411
412 411 141 2905 WASHER SPR 4 6 801B--110-412
413 630 000 7633 BOLT,HEX-SCT 6 801B--110-413
414 630 052 3881 BOLT 4 801B--110-414
415 411 141 4305 WASHER V 6X12.5X1.6 3 801B--110-415
416 411 141 3001 WASHER SPR 6 3 801B--110-416
417 630 000 7886 BOLT,HEX-SCT 3 801B--110-417
418 630 090 9739 COUPLING 1 801B--110-418
419 411 141 4107 WASHER V 5X10X1 3 801B--110-419
420 411 141 6705 WASHER SPR 5 3 801B--110-420
421 630 000 7770 BOLT,HEX-SCT 3 801B--110-421
422 630 067 0240 BOLT 24 801B--110-422
423 630 085 8150 COUPLING 1 801B--110-423
424 630 001 0244 WASHER 2 801B--110-424
425 411 141 3100 WASHER SPR 8 2 801B--110-425
426 630 000 8043 BOLT,HEX-SCT 2 801B--110-426
451 630 119 4776 P.C.B,MOUNT 1 #SVME-UA68 801B--110-451
452 630 119 8361 UNIT,DRIVER 6 APMD1-12,D2890B 801B--110-452
B-5

MODEL TCM-X210
0506-002
18
201-11
201-0
7
201-22
202
201-05
201-02
201-21
201-13
203
201-06
201-09
201-06
201-12
201-14
201-10
201-0
3
201-02
201-01
201-0
8
201
ヘッドブロック部
HEAD BLOCK SECTION
Fig. BB-3
ヘッド
ASSY Head Assy