SP-0088-001.pdf - 第19页
U03 Y0902 X0307 X0305 X0306 U25 X2503 X2501 X2505 X25B2 X25X1 X25X2 X3105 X3103 X31P1 X31P3 A31 5 N C A 2 P N C B 2 P N C C 2 P N C D 2 P N C A 2 N C B 2 N C C 2 N C D 2 N C 3 P N C 1 P N C D 4 N C C 4 N C B 4 N C 3 N C …

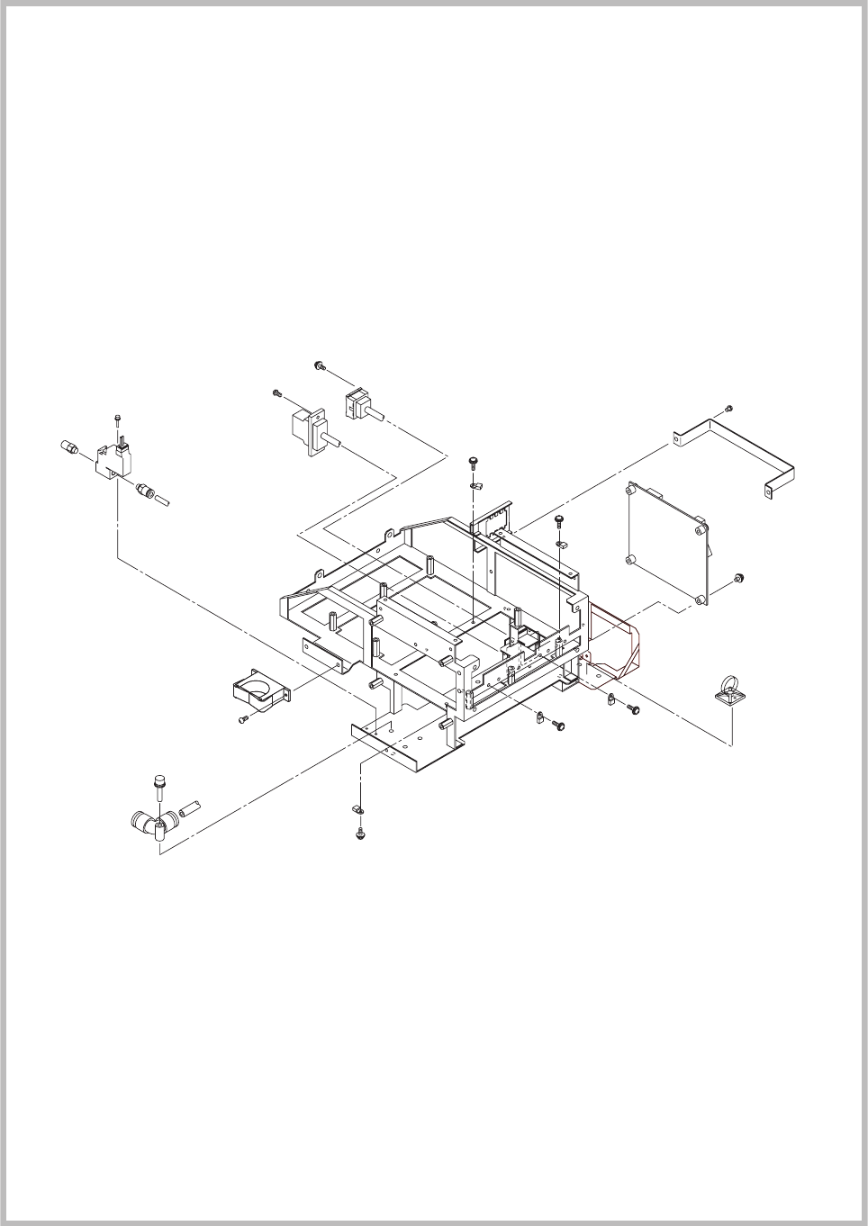
1003-001
Fig. G1-2
電装ボックス
Electrical Box
U03
Y0902
X0307
X0305
X0306
U25
X2503
X2501
X2505
X25B2
X25X1
X25X2
X3105
X3103
X31P1
X31P3
A31
5N
C
A2PN
C
B
2
PN
C
C
2
P
N
C
D
2
P
NC
A
2
NC
B2
NC
C2N
C
D2NC
3PNC
1
P
N
C
D4
N
C
C
4N
C
B
4NC
3
N
C
X3104D
X3104B
X3104C
X331P1
X13701
X23701
7NC
1NC
2N
C
3N
C
2
0
X
1
0
X
1
0B
4
NC
2
0B
6N
C 5N
C
161
162
B308
(BASE:Document No.P-309-00X or P-310-00X
UNIT-6 Fig.G1-2)
Fig. G1
バッドマーク検出(センサ方式)
BAD BOARD REJECT FUNCTION

U03
Y0902
X0307
X0305
X0306
U25
X2503
X2501
X2505
X25B2
X25X1
X25X2
X3105
X3103
X31P1
X31P3
A31
5
N
C
A
2
P
NC
B2PNC
C
2
P
N
C
D
2
P
NC
A
2
NC
B2
NC
C2N
C
D2NC
3PNC
1P
N
C
D4
NC
C4NC
B4NC 3N
C
X3104D
X3104B
X3104C
X331P1
X13701
X23701
7
NC
1NC
2
N
C
3
NC
20X
1
0
X
1
0B
4
N
C
20B
6N
C
5
N
C
161
162
B308
Fig. G1
1003-001
Fig. G1-2

Key No. PART No. PART NAME Q’ty
REMARKS
NOTE
161 0914DAA6 CORD 1 3097800205-001
162 0916D209 ACCESS_WIRING 5 3097800205-002
1003-001
Fig. G1-2
Fig. G1
GS-IB100