文档中心
/
NXT III电路图.pdf
NXT III电路图.pdf - 第3页
3 / 150
目录
100%
显示:宽度
宽度
1 / 150
回到旧版
旧版
?
2 / 150
3 / 150
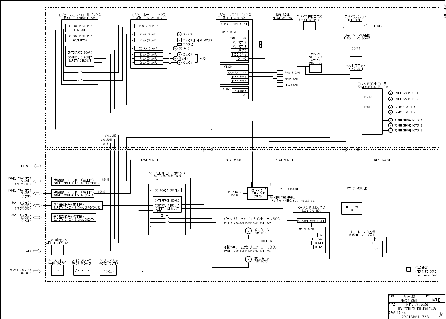
M3 MODULE
4M BASE
4 / 150
该页面需要启用 JavaScript 才能进行交互式预览。