文档中心
/
NXT III电路图.pdf
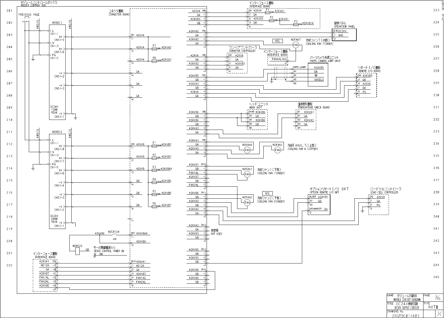
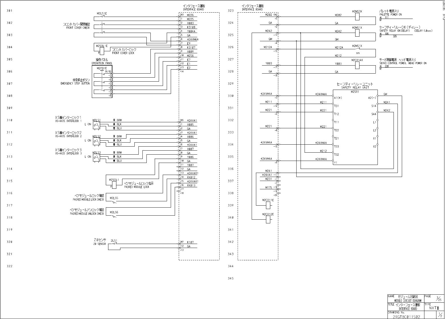
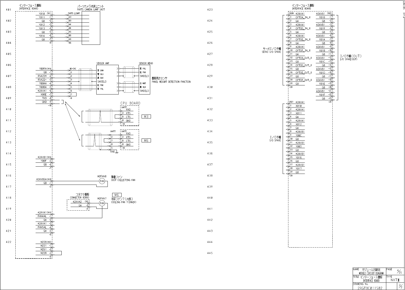
NXT III电路图.pdf - 第41页
41 / 150
目录
100%
显示:宽度
宽度
1 / 150
回到旧版
旧版
?
40 / 150
41 / 150
42 / 150
该页面需要启用 JavaScript 才能进行交互式预览。