文档中心
/
NXT III电路图.pdf
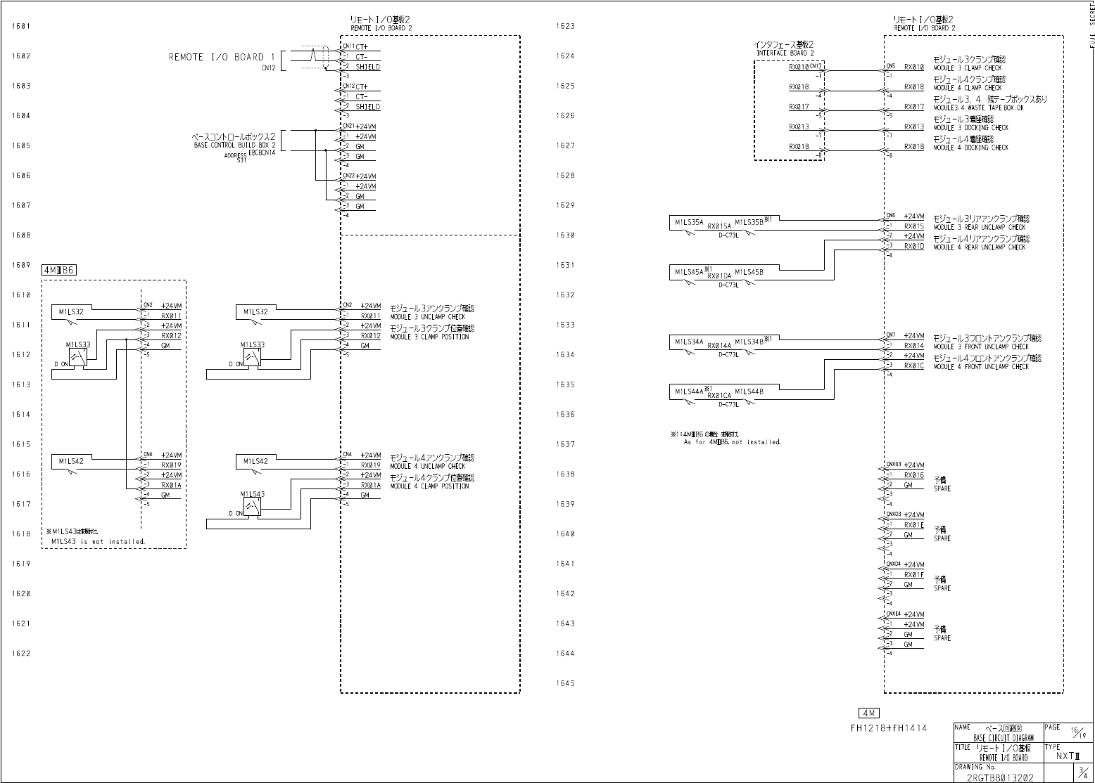
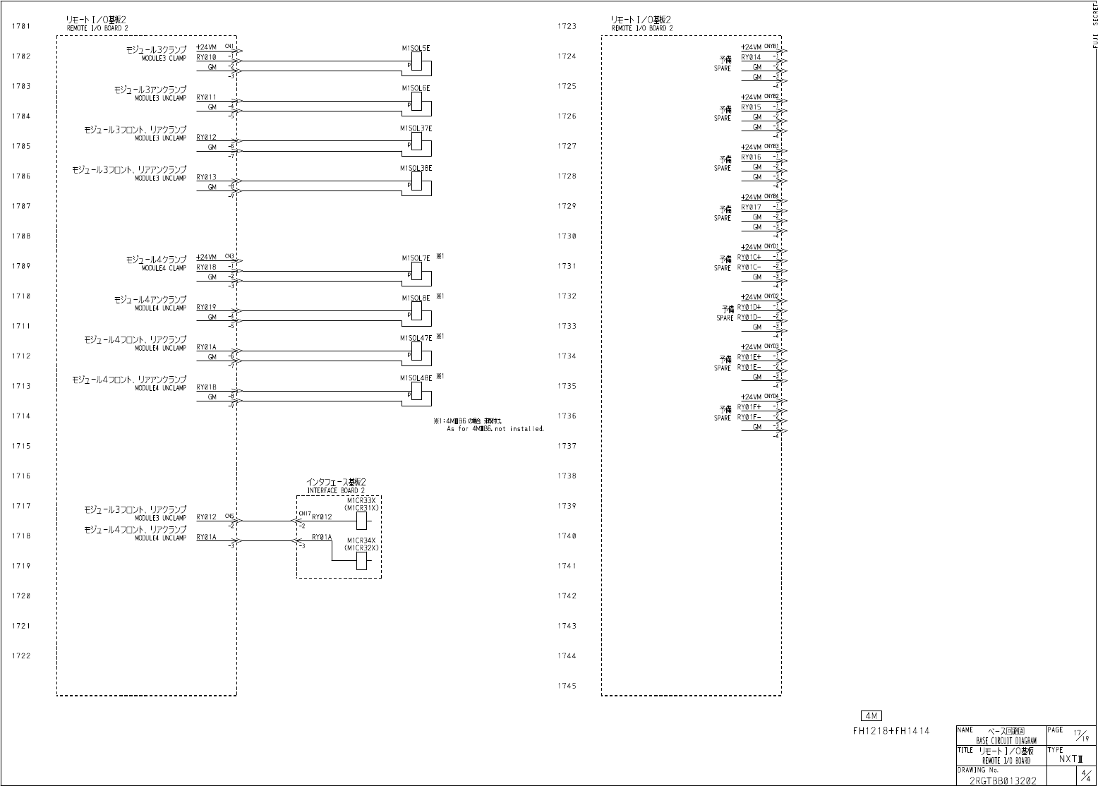
NXT III电路图.pdf - 第36页
36 / 150
目录
100%
显示:宽度
宽度
1 / 150
回到旧版
旧版
?
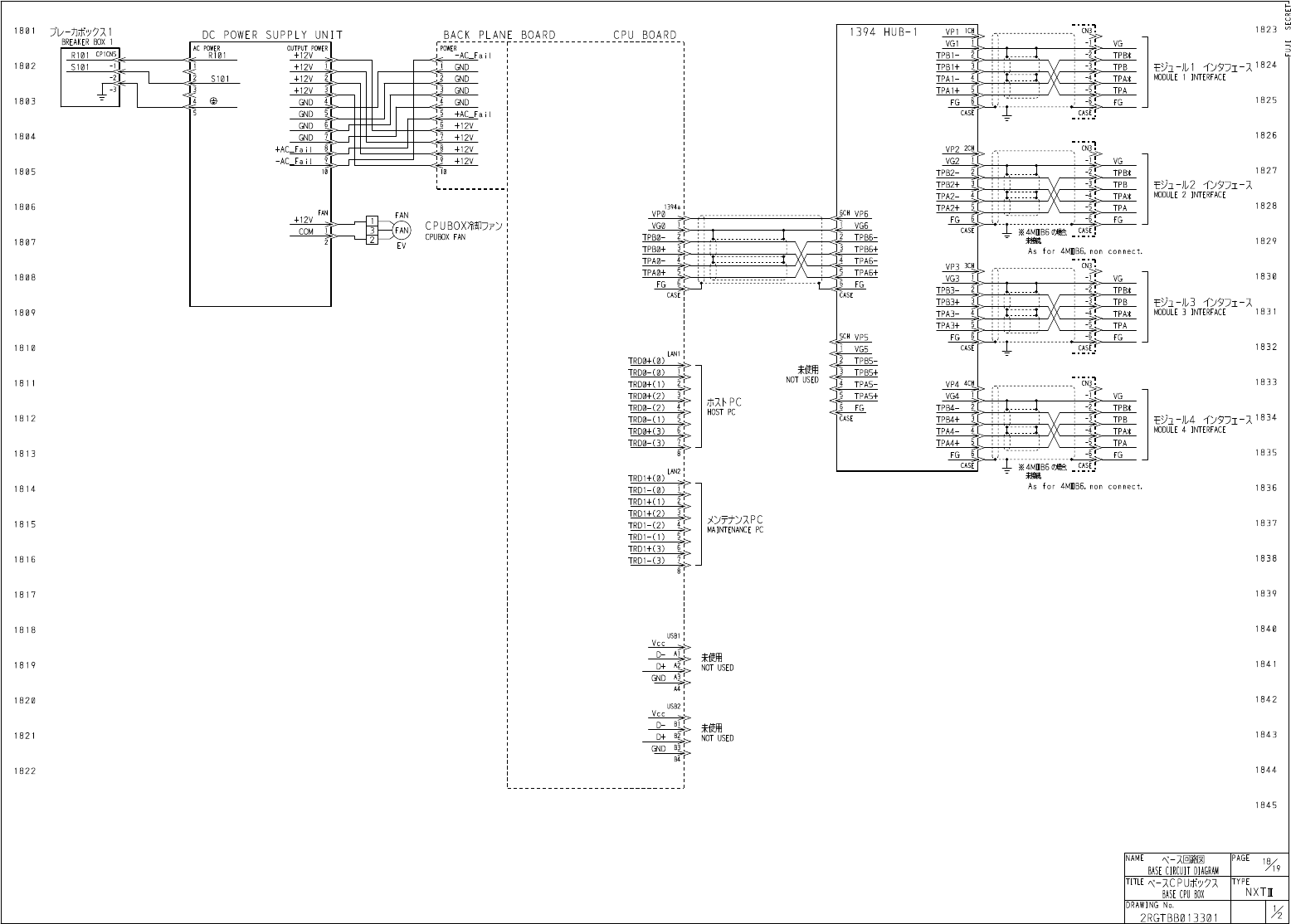
35 / 150
36 / 150
37 / 150
该页面需要启用 JavaScript 才能进行交互式预览。