RF04AS_RF08AS_RF12AS_RF16AS_RF24AS_RF32AS_RF44AS_RF56AS-Rev04.pdf - 第25页
- 22 - REF.NO NOTE PART NO D E S C R I P T I O N 品 名 Qty 1 402-09064 FRAME_UNIT_R04_C フレームユニット_R0 4_C 1 2 400-85419 SCREW M2X4 平小ねじ M2X4(S US) 2 3 401-67231 PP_SENSOR_BR_08K PPセンサブラケット_ 08K 1 4 401-67230 PP_SENSOR_COVER …

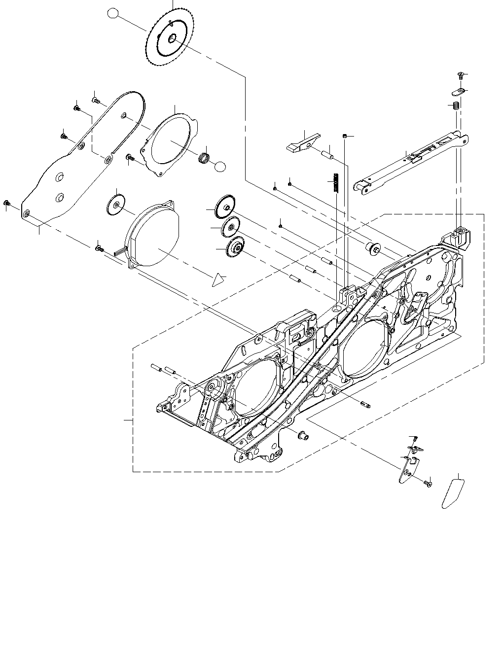
- 21 -
11.RF04AS (1)
3
2
4
5
17
6
7
8
9
10
10
11
1
10
12
13
13
14
16
16
16
15
18
19
24
22
23
21
20
A
A
25
26

- 22 -
REF.NO NOTE PART NO D E S C R I P T I O N
品 名
Qty
1 402-09064 FRAME_UNIT_R04_C
フレームユニット_R04_C
1
2 400-85419 SCREW M2X4
平小ねじ M2X4(SUS)
2
3 401-67231 PP_SENSOR_BR_08K
PPセンサブラケット_08K
1
4 401-67230 PP_SENSOR_COVER
PP_センサカバー
1
5 401-67279 COVER_CS_SCREW_MAC_M26X6
カバーCSねじ_MAC(M2.6X6)
1
6 401-67205 FEED_GEAR_B_08K
フィードギアB_08K
1
7 401-67204 FEED_GEAR_C_08K
フィードギアC_08K
1
8 401-67203 FEED_GEAR_D_08K
フィードギアD_08K
1
9 401-67202 FEED_GEAR_E_08K
フィードギアE_08K
1
10 401-72608 LINER_STUD_12K
ライナースタット_12K
3
11 401-71255 FEED_GEAR_GUARD_08K_P
フィードギアガード_08K_P
1
12 401-67264 SPROKET_THRUST_SP_08K
スプロケットスラストスプリング_08
1
13 401-98996 BINDING_MEC_SCREW_M26X6
バインドメックねじ(M2.6X6)
4
14 401-67260 FEED_GEAR_COVER_12K
フィードギアカバー_12K
1
15 401-67279 COVER_CS_SCREW_MAC_M26X6
カバーCSねじ_MAC(M2.6X6)
1
16 401-67277 SUPER_LOW_HEAD_SCREW_M26X4
超低頭ネジ(M2.6X4)
3
17 401-99006 FEED_WHEEL_ASSY_R04
フィードホイール組_R04
1
18 401-67225 UPPER_PUSHER_BR_08K
アッパープッシャーBR_08K
1
19 SM-1860601-SC SCREW M2.6 L=6
皿小ねじ M2.6 L=6
1
20 401-67223 UPPER_COVER_HOOK_08K
アッパーカバーフック_08K
1
21 401-67226 UPPER_COVER_HOOK_PIN_08K
アッパーカバーフックピン_08K
1
22 SM-8030302-TP SCREW M3X3
止めねじ M3X3
1
23 401-67263 UC_HOOK_SP_08K
アッパーカバーフックスプリング_08
1
24 401-67224 UCSP_R_08K
UPスプリング_R_08K
1
25 401-99043 UPPER_COVER_W4P1
アッパーカバー_W4P1
1
26 CM-3003000-01 HIGH TEMPARATURE CAUTION LABEL 2(16)
高温注意シール2(16)
1

- 23 -
12.RF04AS (2)
52
51
51
5
4
3
6
7
8
10
15
15
11
12
13
1416
17
18
19
9
21
26
25
27
22
23
24
50
30
35
31
29
34
33
36
37
44
44
32
28
39
46
2
20
1
47
40
41
42
43
45
48
49
49
B
B
38