RF04AS_RF08AS_RF12AS_RF16AS_RF24AS_RF32AS_RF44AS_RF56AS-Rev04.pdf - 第6页
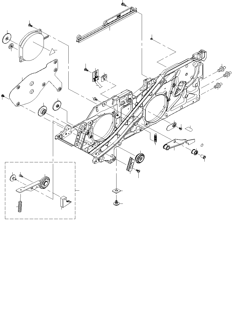
- 3 - 2. RF08AS,RF08AS(SP) (2) 3 4 5 6 7 8 11 12 13 10 14 9 17 16 22 19 21 24 25 27 28 29 29 31 26 35 32 32 36 1 2 15 23 30 18 33 20 34

- 2 -
NOTE( 注記 ) #01....FOR RF08AS,RF08AS(SP) M/C REV.C RF 08 AS,RF 08 AS(SP)マシン REV.C 用
REF.NO NOTE PART NO D E S C R I P T I O N
品 名
Qty
1 401-85729 FRAME_UNIT_08K_C
フレームユニット_08K_C
1
2
#01
402-07078 FRAME_UNIT_08K_CA
フレームユニット_08K_CA
1
3 401-69533 FEED_WHEEL_ASSY_08K
フィードホイール組_08K
1
4 400-85419 SCREW M2X4
平小ねじ M2X4(SUS)
2
5 401-67231 PP_SENSOR_BR_08K
PPセンサブラケット_08K
1
6 401-67230 PP_SENSOR_COVER
PP_センサカバー
1
7 401-67279 COVER_CS_SCREW_MAC_M26X6
カバーCSねじ_MAC(M2.6X6)
1
8 401-67205 FEED_GEAR_B_08K
フィードギアB_08K
1
9 401-67204 FEED_GEAR_C_08K
フィードギアC_08K
1
10 401-67203 FEED_GEAR_D_08K
フィードギアD_08K
1
11 401-67202 FEED_GEAR_E_08K
フィードギアE_08K
1
12 401-03295 LINER_STUD
ライナースタッド
3
13 401-71255 FEED_GEAR_GUARD_08K_P
フィードギアガード_08K_P
1
14 401-67264 SPROKET_THRUST_SP_08K
スプロケットスラストスプリング_08K
1
15 401-98996 BINDING_MEC_SCREW_M26X6
バインドメックねじ(M2.6X6)
4
16 401-67260 FEED_GEAR_COVER_12K
フィードギアカバー_12K
1
17 401-67279 COVER_CS_SCREW_MAC_M26X6
カバーCSねじ_MAC(M2.6X6)
1
18 401-67277 SUPER_LOW_HEAD_SCREW_M26X4
超低頭ねじ(M2.6X4)
3
19 CM-3003000-01 HIGH TEMPARATURE CAUTION LABEL 2(16)
高温注意シール2(16)
1
20 401-67225 UPPER_PUSHER_BR_08K
アッパープッシャーBR_08K
1
21 SM-1860601-SC SCREW M2.6 L=6
皿小ねじ M2.6 L=6
1
22 401-67223 UPPER_COVER_HOOK_08K
アッパーカバーフック_08K
1
23 401-67226 UPPER_COVER_HOOK_PIN_08K
アッパーカバーフックピン_08K
1
24 SM-8030302-TP SCREW M3X3
止めねじ M3X3
1
25 401-67263 UC_HOOK_SP_08K
アッパーカバーフックスプリング_08K
1
26 400-85419 SCREW M2X4
平小ねじ M2X4(SUS)
1
27 401-78024 SUPPORT_PLATE_K
テープサポートK
1
28 401-67224 UCSP_R_08K
UPスプリング_R_08K
1
29 401-67220 UPPER_COVER_08K
アッパーカバー_08K
1
30
#01
401-98968 FEED_GEAR_F_R08
フィードギアF_R08
1

- 3 -
2. RF08AS,RF08AS(SP) (2)
3
4
5
6
7
8
11
12
13
10
14
9
17
16
22
19
21
24
25
27
28
29
29
31
26
35
32
32
36
1
2
15
23
30
18
33
20
34

- 4 -
NOTE( 注記 ) #01....FOR RF08AS,RF08AS(SP) M/C REV.C RF 08 AS,RF 08 AS(SP)マシン REV.C 用
REF.NO NOTE PART NO D E S C R I P T I O N
品 名
Qty
1 401-67213 SLIDE_RAIL
スライドレール
1
2 SL-4860891-SC SCREW M2.6 L=8
座金付きなべ小ねじ M2.6 L=8
3
3 401-67241 T_ROLLER_MAIN_SH
Tローラーメインシャフト
1
4 401-67240 T_ROLLER
Tローラー
1
5 400-52050 SCREW M3X6 MEC
メックねじ M3X6
1
6 401-67267 TENSIONER_SP_08K
テンショナスプリング_08K_A
1
7 401-89573 TENSIONER_REFLECTOR_R
テンショナリフレクタ_R
1
8 401-69541 TENSIONER_ARM_SUB_ASSY_08K
テンショナアームサブ組_08K
1
9 401-69538 PULL_IDLER_ARM_ASSY_08K
プルアイドラアーム組_08K
1
10 401-67245 PULL_UPPER_SCRAPER_8
プル_アッパースクレーパ_8
(1)
11 401-67280 COVER_SC_TAPPING_SCREW_M26X6
カバーCSタッピンねじ(M2.6X6)
(1)
12 E1524-706-C00 STEP SCREW
レリースレバーガイド段ねじ
(1)
13 401-67262 PULL_IDLER_ARM_SP_08K
プルアイドラアームスプリング_08K
(1)
14 401-69542 PULL_IDLER_ARM_SUB_ASSY_08K
プルアイドラアームサブ組_08K
(1)
15 401-67290 LOCATE_PIN_A
ロケートピン_A
1
16 401-78887 ETF REFLECTIVE SENS PCB ASM_C
ETF REFLECTIVEセンサ基板組
1
17 401-98996 BINDING_MEC_SCREW_M26X6
バインドメックねじ(M2.6X6)
1
18 401-66941 TENSION SENS FPC
テンションセンサFPC
1
19 401-67247 PULL_SENSOR_COVER_A
プル_センサーカバー
1
20 401-83681 ANTIREFLECTION_PAPER
アンチリフレクションペーパ
1
21 401-67277 SUPER_LOW_HEAD_SCREW_M26X4
超低頭ねじ(M2.6X4)
1
22 401-67282 SENSOR_CAP
センサキャップ
1
23 401-67291 LOCATE_PIN_BASE
ロケートピンベース
1
24 401-67202 FEED_GEAR_E_08K
フィードギアE_08K
1
25 401-67207 PULL_GEAR_A
プルギアA
1
26 401-67208 PULL_GEAR_B
プルギアB
1
27 401-67209 PULL_GEAR_8
プルギア8
1
28 401-67246 PULL_LOWER_SCRAPER
プル_ロースクレーパ
1
29 401-98996 BINDING_MEC_SCREW_M26X6
バインドメックねじ(M2.6X6)
4
30 401-67261 PULL_GEAR_COVER_12K
プルギアカバー_12K
1
31 401-67277 SUPER_LOW_HEAD_SCREW_M26X4
超低頭ねじ(M2.6X4)
6
32 401-67211 X_AXIS_BASE_PIN_1
X軸ベースピン1
2
33 CM-3003000-01 HIGH TEMPARATURE CAUTION LABEL 2(16)
高温注意シール2(16)
1
34
#01
401-98968 FEED_GEAR_F_R08
フィードギアF_R08
1
35 401-67212 X_AXIS_BASE_PIN_2
X軸ベースピン2
1
36 SM-8030302-TP SCREW M3X3
止めねじ M3X3
3