180xg电气线路图.pdf
Appendix Contr ol Wiring Diagram YV180Xg Jan./2002

Appendix
Control Wiring Diagram
YV180Xg
Jan./2002
Table of contents
YV180Xg
Over view
Control box
Connection board
I/O head A
I/O head B
I/O conveyor A
I/O conveyor B
Monitor selection
Camera unit
Power circuit
Emergency circuit
Power transformer terminal
Feeder structure (standard)
Feeder structure (FES20)
FES20 safety circuit
Air circuit
Harness parts list

PAGE 2
YV180Xg (KGD)
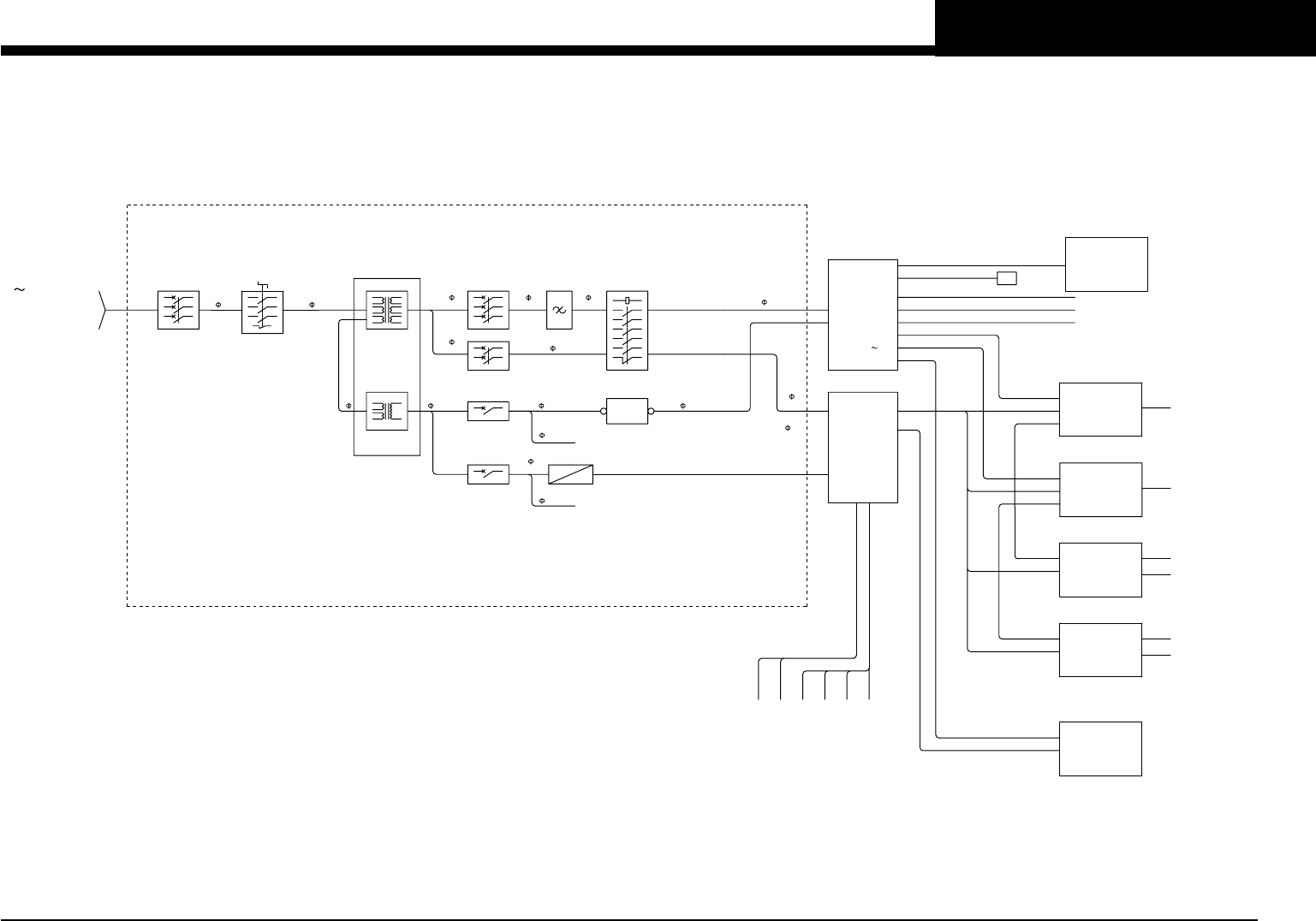
Over view (1/15)
Filter
Noise
Protector
Circuit
NF11QF31 10A
3
1
AC220V
AC200V 1 AC200V
A1
3 AC220V
QF21 5A
AC100V
AC100V
QF32 2A
P40
XT21
Terminal
COVER S/W
EMG S/W
1
Transformer
Transformer
TC11 1KVA
1
SIGNAL TOWER
FRONT PANEL
POWER TRANSFORMER
TERMINAL
CONNECTION BOARD
DC24V
Power Supply
1
AC200V
1
AC200V
380/400/416V
200/208/220/240
POWER CIRCUIT
3 50/60Hz
P21
COMU
DC24V
P22
COMU
DC24V
COMU
COMU
DC24V
P23
INPUT:
AC50/60Hz 4.0A(MAX)
AC50/60Hz 13A(MAX)
CONTROL:1PH 100V
MOTOR:3PH 220V
OUTPUT:
1A:0.24KW(TOTAL)
1B:3.48KW(TOTAL)
DRIVER
CONTROL BOX
MONITOR SELECTION
FRONT PANEL
Each Cameras
Each Motors
CAMERA UNIT
TM11 3.77KVA
15W
15W
CONVEYOR MOTOR 1
CONVEYOR MOTOR 2
COMU
DC24V
I/O CONVEYOR B
P24
HEAD A SENSOR,VALVE
HEAD B SENSOR,VALVE
I/O HEAD A
I/O HEAD B
I/O CONVEYOR A
CONVEYOR VALVE
CONVEYOR SENSOR
CONVEYOR SENSOR
FIXED CONVEYOR SENSOR
B-TABLE ORG/OT
A-TABLE ORG/OT
TRANSFER HOOK SENSOR
OPERETION PANEL
COMU
FDD
A4
See Page 10/15
See Page 12/15
See Page 2/15
3PH 200V 0 150Hz
1C:4.00KW(TOTAL)
See Page 3/15
See Page 8/15
See Page 4/15
See Page 5/15
See Page 6/15
See Page 6/15
See Page 9/15
Contactor
KM10/KM10A
33
Main Breaker
QF11
CRT2
CRT1
Main Switch
QS11
QF22 5A GS21 DC24V 14A
Set 13A
Rating 4.4KVA MAX.
3
AC220V
3
AC220V
AC100V1
AC100V1
AC100V
1
AC100V1
AC100V1