180xg电气线路图.pdf - 第14页
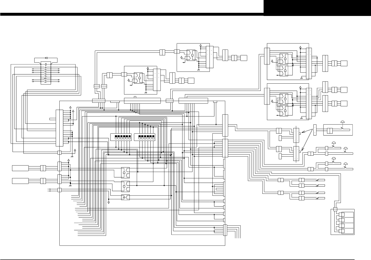
PAGE 13 YV180Xg (KGD) Power transformer terminal (12/15) TC11: The selection of POWER SOURCE 1KVA TM11: The selection of POWER SOURCE 3.77KVA 200V 208V 220V 240V 380V 400V 416V 100V 100V 0V 0V N R1 S1 T1 W50 V50 V60 U60 …

PAGE 12
YV180Xg (KGD)
Emergency circuit (11/15)
EMG6
EMG5
EMG4
EMG3C
EMG3B
EMG3A
EMG3
EMG2D
EMG2C
EMG2B
EMG2A
EMG2
EMG1F
EMG1E
EMG1D
EMG1C
EMG1B
EMG1A
EMG1
OT5
OT4
OT3
OT2
LED23 EMG SPARE3
LED22 EMG SPARE2
LED21 EMG SPARE1
LED20 R AREA
LED19 TF COVER LMT R2
LED18 TF COVER LMT R1
LED17 COVER LMT R
LED16 F AREA
LED15 TF COVER LMT F2
LED14 TF COVER LMT F1
LED13 COVER LMT F
LED12 TF EMG SW2
LED11 TF EMG SW1
LED10 C/R GOOD
LED9 EMG SW F
LED8 EMG SW R
LED7 EMG SW R(112)
LED6 EMG SW MSP
LED4 T,Y2OT
LED3 Y1OT
LED2 X2OT
LED1 X1OT
LED5 EMG1 SPARE
CNF54
CNF53
+24V
+24V
+24V
+24V
0V
0V
0V
0V
AREA2
AREA1
+24VJ
5
4
3
2
5
4
3
2
1
CNF9
CNF13
+24E
2
1
EMG7
EMG7
EMG6
EMG6
OT1
OT1
+24VJ
B10
A10
B9
A9
B8
A8
B7
A7
B6
A6
B5
A5
B4
A4
B3
A3
B2
A2
B1
EMG3
EMG2
EMG2D
EMG1E
EMG1B
EMG2A
EMG1B
EMG1A
EMG1
OT5
OT5
OT4
OT4
OT4
OT3
OT3
OT3
OT2
OT3
OT2
OT2
OT1
0VD
CNF57
2
1
READY OUT
+24VC
EMG1A
EMG1
EMG6
EMG5
EMG5
EMG4
EMG4
EMG3C
CNF45
6
5
4
3
2
1
EMG3B
EMG3A
EMG3A
EMG3
CNF44
CNF28
2
1
2
1
EMG2C
EMG2B
EMG2B
EMG2A
CNF43
CNF27
2
1
2
1
E30
E20
EMG3C
E40
E40
E30
E20
EMG2
8
7
6
5
4
3
2
1
CNF14
EMG2
EMG1F
CNF49
5
4
3
2
1
EMG1F
EMG1E
CNF26
5
4
3
2
1
EMG3
EMG2D
EMG2A
EMG2
EMG1E
EMG1D
EMG1D
EMG1C
EMG1C
EMG1B
CNF48
10 10
9
8
7
6
5
9
8
7
6
5
4
3
4
3
2
1
2
1
E30
EMG2D
EMG7
EMG6
EMG1A
EMG1
10
12
11
12
11
10
9
8
7
6
5
9
8
7
6
5
CNF15
4
3
4
3
2
1
2
1
AREA1
KA20
EMG2D
EMG2C
0V
0VD
EMG7
EMG6
KA19
KA18
EMG3C
EMG3B
0V
AREA2
EMG
1
12
ON
OFF
2
11
3
10
9
4
8
5
7
6
S3
1
12
ON
OFF
TF
S4
2
11
3
10
9
4
8
5
7
6
EMG1
EMG2D
EMG3C
EMG4
EMG5
EMG6
EMG1F
EMG2
EMG2B
EMG2C
EMG3A
EMG3B
OT5
EMG2C
EMG3B
EMG3C
EMG4
EMG5
EMG1E
EMG1F
EMG2A
EMG2B
EMG3
EMG3A
CNF25
21
B8
A8
A7
B7
A6
B6
B5
A5
B4
A4
B3
A3
B2
A2
B1
A1
B8
A8
A7
B7
A6
B6
B5
A5
B4
A4
B3
A3
B2
A2
B1
A1
CNF12
B9
A9
B8
A8
A7
B7
A6
B6
B5
A5
B4
A4
B3
A3
B2
A2
B1
A1
B9
A9
B8
A8
A7
B7
A6
B6
B5
A5
B4
A4
B3
A3
B2
A2
B1
A1
CNF35
4321
4321
B10
A10
B10
A10
CNF8
CNF11
54321
CNF10
7654321
7654321
KGA-M4550-xxx
P40
CONNECTION BOARD
2
1
6
5
4
3
2
1
EMG5
EMG4
EMG4
EMG3C
0V
I/O CONVEYOR B(CN16)
T1956
FES20 SAFETY CIRCUIT
2
1
2
1
COVER F
EMG2A
EMG2
2
1
2
1
EMG3
EMG2D
COVER R
EMG1D
EMG1C
EMG1E
EMG1D
2
1
2
1
2
1
2
1
SQ151
SQ150
COVER
COVER LIMIT SW FRONT TOP
COVER LIMIT SW FRONT TBLT.COVER
2
1
2
1
COVER TOP F
2
1
2
1
COVER
SQ152
SQ153
COVER LIMIT SW REAR TOP
COVER LIMIT SW REAR TBLT.COVER
2
1
2
1
COVER TBL F
COVER TOP R
COVER TBL R
EMG
EMG
SB11
SB12
STOP RGHT F
EMG SW FRONT RIGHT
EMG SW FRONT LEFT
OT
1717
1616
14
13
12
11
10
1515
14
13
12
11
10
OT4
OT3
N1003
9
8
7
6
5
4
3
2
1
9
8
7
6
5
4
3
2
1
+EMG
-EMG
+EMG
OT1
-EMG
+EMG
-EMG
+EMG
-EMG
OT2
19 19
+24V
+24V
2
1
2
1
2
1
2
1
EMG
EMG
STOP R
SB13
SB14
STOP RGHT R
STOP LFT R
EMG SW REAR RIGHT
EMG SW REAR LEFT
STOP LFT F
2
1
2
1
STOP F
EMG1C
EMG1B
EMG
EMG
EMG3C
EMG3C
E20
E20
33
2
1
2
1
MSP R MSP
3
2
1
D MAN
A
G
H
A
G
H
M M
J
K
J
K
A
G
H
A
G
H
MM
J
K
J
K
33
2
1
2
1
MSP F MSP
3
2
1
D MAN
EMG
EMG
33
2
1
2
1
A8
EMG SW
EMG
A
G
H
M
OT
1717
1616
14
13
12
11
10
1515
14
13
12
11
10
N1003
9
8
7
6
5
4
3
2
1
9
8
7
6
5
4
3
2
1
+EMG
-EMG
+EMG
OT1
-EMG
+EMG
-EMG
+EMG
-EMG
OT2
I/O CONVEYOR A
19
4
19
4
1
4
1
4
1
1
+24V
+24V
I/O CONVEYOR B
2222
21 21
20 20
18 18
1
2
3
4
5
6
1
2
3
4
5
6
3
2
1
3
2
1
OT
7
8
9
7
8
9
1
2
3
4
5
6
1
2
3
4
5
6
3
2
1
3
2
1
OT
CN3A
W2ORG
TORG
ORG/OT
TOT
YOT
Y2-AXIS
T-AXIS
SQ23
SQ05
CN6A
CN6B
CN3B
18
21
22
20
18
20
21
22
3
2
1
3
2
1
OT
1
2
3
4
5
6
1
2
3
4
5
6
7
8
9
7
8
9
ORG/OT
W3ORG
YOT
Y1-AXIS
SQ55
P23
P24
OT
+EMG
-EMG
OT4
OT5
OT4
OT5
OT4
OT5
OT4
OT3
OT4
OT3
123
321
123
321
OT
+24V
B13
A13
B12
A12
B11
A11
B10
B1
A1
OT
0V
B13
A13
B12
A12
B11
A11
B10
B1
A1
CN5
2
1
2
1
+24V
B3
0V
B3
CN4
+24V
0V
0V
0V
0V
KA1
+24V
+24V
+24V
1
2
3
4
5
6
1
2
3
4
5
6
X-AXIS
3
2
1
3
2
1
XOT
SQ206
OT
3
2
1
3
2
1
HCN5
X2-AXIS
P22
N2326
OT2
OT3
OT2
OT3
HCN5B
I/O HEAD B
OT
+24V
B13
A13
B12
A12
B11
A11
B10
B1
A1
OT2
OT1
OT
0V
B13
A13
B12
A12
B11
A11
B10
B1
A1
CN5
2
1
2
1
P21
+24V
B3
0V
B3
CN4
+24V
0V
0V
0V
0V
KA1
+24V
+24V
+24V
1
2
3
4
5
6
1
2
3
4
5
6
X-AXIS
3
2
1
3
2
1
XOT
SQ206
OT
X1-AXIS
OT1
OT2
3
2
1
3
2
1
HCN5HCN5A
N2226
I/O HEAD A
CN5HB
HCN5B
OT3OT2
CN5HA
HCN5A
OT1
OT2
2
1
2
1
2
1
2
1
2
1
2
1
APPL
2
1
2
1
SERVO 1C
SERVO 1B
SERVO 1A
A1
12
CONTROL BOX
21
C/R EMG
EMG1A
See page 15/15
See page 7/15
A1
2
1
B10
A10
B9
A9
B8
A8
B7
A7
B6
A6
B5
A5
B4
A4
B3
A3
B2
A2
B1
+24E
+24V
EMG7
EMG7
EMG6
0V
N1016
+24VC
OT1
+24V
A1
0VEMG7
U62
V62
V61
U61
W54
V54
U54
W52
V52
U52
+24VC
N1016
+24E
+24V
EMG6
EMG7
S10
KM10/KM10A
13
1
3
5
23
14
2
4
6
24
A1 A2
53 54
61 62
73 74
83 84
See Page 10/15
See Page 10/15
See Page 10/15
See Page 10/15
1
33
2
1
2
1
5
4
3
2
F AREA EMG
AREA EMG
1
33
2
1
2
1
5
4
3
2
1
AREA EMG R AREA EMG
MSP(OPTION)
FRONT AREA(OPTION)
REAR AREA(OPTION)
SQ18B
SQ88B

PAGE 13
YV180Xg (KGD)
Power transformer terminal (12/15)
TC11: The selection of POWER SOURCE 1KVA
TM11: The selection of POWER SOURCE 3.77KVA
200V 208V 220V 240V 380V 400V 416V
100V
100V
0V
0V
N
R1
S1 T1
W50
V50
V60
U60
U50
N
W50
V50
V60
U60
U50
N
W50
V50
V60
U60
U50
N
W50
V50
V60
U60
U50
N
W50
V50
V60
U60
U50
200V 220V 240V 380V 400V 416V
R1
S1 T1
R1
S1 T1
R1
S1
T1
R1
S1 T1
N
W50
V50
V60
U60
U50
N
W50
V50
V60
U60
U50
R1
S1 T1
R1
S1 T1
S1
R1 V10
100V
100V
0V
0V
S1
V10
100V
100V
0V
0V
S1
V10
100V
100V
0V
0V
S1
V10
100V
100V
0V
0V
S1
V10
R1
R1
R1
R1
100V
100V
0V
0V
S1
V10
100V
100V
0V
0V
S1
V10
R1
R1
208V
TM11
240V
220V
208V
200V
190V
0V
240V
220V
208V
200V
190V
0V
240V
220V
208V
200V
190V
0V
240V
220V
208V
200V
190V
0V
240V
220V
208V
200V
190V
0V
240V
220V
208V
200V
190V
0V
220V
220V
200V
220V
200V
W
V
U
3.77KVA
TM11
240V
220V
208V
200V
190V
0V
240V
220V
208V
200V
190V
0V
240V
220V
208V
200V
190V
0V
240V
220V
208V
200V
190V
0V
240V
220V
208V
200V
190V
0V
240V
220V
208V
200V
190V
0V
220V
220V
200V
220V
200V
W
V
U
3.77KVA
TM11
240V
220V
208V
200V
190V
0V
240V
220V
208V
200V
190V
0V
240V
220V
208V
200V
190V
0V
240V
220V
208V
200V
190V
0V
240V
220V
208V
200V
190V
0V
240V
220V
208V
200V
190V
0V
220V
220V
200V
220V
200V
W
V
U
3.77KVA
TM11
240V
220V
208V
200V
190V
0V
240V
220V
208V
200V
190V
0V
240V
220V
208V
200V
190V
0V
240V
220V
208V
200V
190V
0V
240V
220V
208V
200V
190V
0V
240V
220V
208V
200V
190V
0V
220V
220V
200V
220V
200V
W
V
U
3.77KVA
TM11
240V
220V
208V
200V
190V
0V
240V
220V
208V
200V
190V
0V
240V
220V
208V
200V
190V
0V
240V
220V
208V
200V
190V
0V
240V
220V
208V
200V
190V
0V
240V
220V
208V
200V
190V
0V
220V
220V
200V
220V
200V
W
V
U
3.77KVA
TM11
240V
220V
208V
200V
190V
0V
240V
220V
208V
200V
190V
0V
240V
220V
208V
200V
190V
0V
240V
220V
208V
200V
190V
0V
240V
220V
208V
200V
190V
0V
240V
220V
208V
200V
190V
0V
220V
220V
200V
220V
200V
W
V
U
3.77KVA
TM11
240V
220V
208V
200V
190V
0V
240V
220V
208V
200V
190V
0V
240V
220V
208V
200V
190V
0V
240V
220V
208V
200V
190V
0V
240V
220V
208V
200V
190V
0V
240V
220V
208V
200V
190V
0V
220V
220V
200V
220V
200V
W
V
U
3.77KVA
240V
0V
190V
200V
208V
220V
240V
0V
190V
200V
208V
220V
0V
100V
TC11
1KVA
240V
0V
190V
200V
208V
220V
240V
0V
190V
200V
208V
220V
0V
100V
TC11
1KVA
240V
0V
190V
200V
208V
220V
240V
0V
190V
200V
208V
220V
0V
100V
TC11
1KVA
240V
0V
190V
200V
208V
220V
240V
0V
190V
200V
208V
220V
0V
100V
TC11
1KVA
240V
0V
190V
200V
208V
220V
240V
0V
190V
200V
208V
220V
0V
100V
TC11
1KVA
240V
0V
190V
200V
208V
220V
240V
0V
190V
200V
208V
220V
0V
100V
TC11
1KVA
240V
0V
190V
200V
208V
220V
240V
0V
190V
200V
208V
220V
0V
100V
TC11
1KVA
U10
U10
U10
U10 U10 U10
U10

PAGE 14
YV180Xg (KGD)
Feeder structure (standard) (13/15)
DO4
DO3
DO2
DO1
CN14
CN13
CN12
CN11
J215
KM5-M4580-xxx
DI SPARE
DI36
CN19
CN22
J255
J257
CN11 B
CN13 B
CN14 B
CN19 B
CN22 B
J216
J217
I/O CONVEYOR UNIT ASSY B P24
DO4
DO3
DO2
DO1
CN14
CN13
CN12
CN11
J211
KM5-M4580-xxx
DI SPARE
DI36
CN19
CN22
2345678
YV101 YV108
J211
J212
J213
J251
J253
CN11 A
CN13 A
CN19 A
CN14 A
CN22 A
I/O CONVEYOR UNIT ASSY A P23
VALVES
FIX8 F1 FEEDER
2345678A1 2 3 45678 234A1 2 3 4 5 6 7 8
VALVES
B1
YV109 YV116 YV117 YV124 YV125 YV132 YV133 YV140
B1 5 6 7 8
J212 J212 J213
FIX32 F2 FEEDER
FIX32 R2 FEEDER FIX8 R1 FEEDER
VALVES
2345678
VALVES
8765432 8765432 8765432 8765432B1 A1 B1 A1
YV201YV208YV209YV216YV217YV224YV225YV232YV233YV240
J217 J216J217 J216 J215
J213
1
1
+24V +24V +24V
+24V
DUMP4
DUMP3
+24V
99
999
DUMP1
DUMP2
+24V
999
+24V +24V +24V +24V
99