180xg电气线路图.pdf - 第4页
PAGE 3 YV180Xg (KGD) Control box (2/15) PE AC IN KEY/MS VGA SERIAL1 USB2 USB1 FDD UPS EXT.PWR SERIAL2 PARALLEL KEY/MS USB2 USB1 AC IN FDD EXT.PWR SYSTEM LAN AC100/220V FRONT PANEL Pendant Support Maintenance A8 MSP REAR …

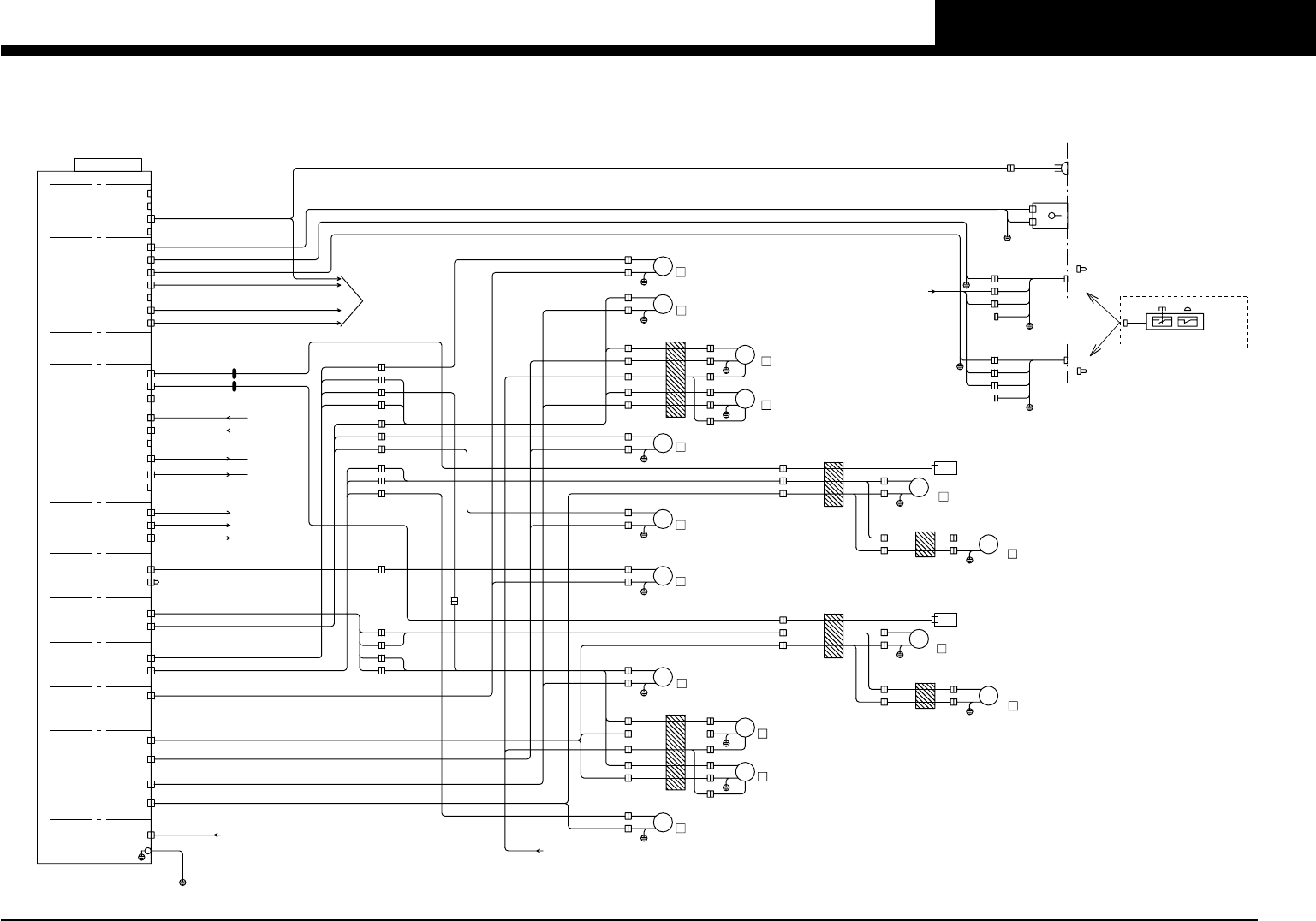
PAGE 2
YV180Xg (KGD)
Over view (1/15)
Filter
Noise
Protector
Circuit
NF11QF31 10A
3
1
AC220V
AC200V 1 AC200V
A1
3 AC220V
QF21 5A
AC100V
AC100V
QF32 2A
P40
XT21
Terminal
COVER S/W
EMG S/W
1
Transformer
Transformer
TC11 1KVA
1
SIGNAL TOWER
FRONT PANEL
POWER TRANSFORMER
TERMINAL
CONNECTION BOARD
DC24V
Power Supply
1
AC200V
1
AC200V
380/400/416V
200/208/220/240
POWER CIRCUIT
3 50/60Hz
P21
COMU
DC24V
P22
COMU
DC24V
COMU
COMU
DC24V
P23
INPUT:
AC50/60Hz 4.0A(MAX)
AC50/60Hz 13A(MAX)
CONTROL:1PH 100V
MOTOR:3PH 220V
OUTPUT:
1A:0.24KW(TOTAL)
1B:3.48KW(TOTAL)
DRIVER
CONTROL BOX
MONITOR SELECTION
FRONT PANEL
Each Cameras
Each Motors
CAMERA UNIT
TM11 3.77KVA
15W
15W
CONVEYOR MOTOR 1
CONVEYOR MOTOR 2
COMU
DC24V
I/O CONVEYOR B
P24
HEAD A SENSOR,VALVE
HEAD B SENSOR,VALVE
I/O HEAD A
I/O HEAD B
I/O CONVEYOR A
CONVEYOR VALVE
CONVEYOR SENSOR
CONVEYOR SENSOR
FIXED CONVEYOR SENSOR
B-TABLE ORG/OT
A-TABLE ORG/OT
TRANSFER HOOK SENSOR
OPERETION PANEL
COMU
FDD
A4
See Page 10/15
See Page 12/15
See Page 2/15
3PH 200V 0 150Hz
1C:4.00KW(TOTAL)
See Page 3/15
See Page 8/15
See Page 4/15
See Page 5/15
See Page 6/15
See Page 6/15
See Page 9/15
Contactor
KM10/KM10A
33
Main Breaker
QF11
CRT2
CRT1
Main Switch
QS11
QF22 5A GS21 DC24V 14A
Set 13A
Rating 4.4KVA MAX.
3
AC220V
3
AC220V
AC100V1
AC100V1
AC100V
1
AC100V1
AC100V1

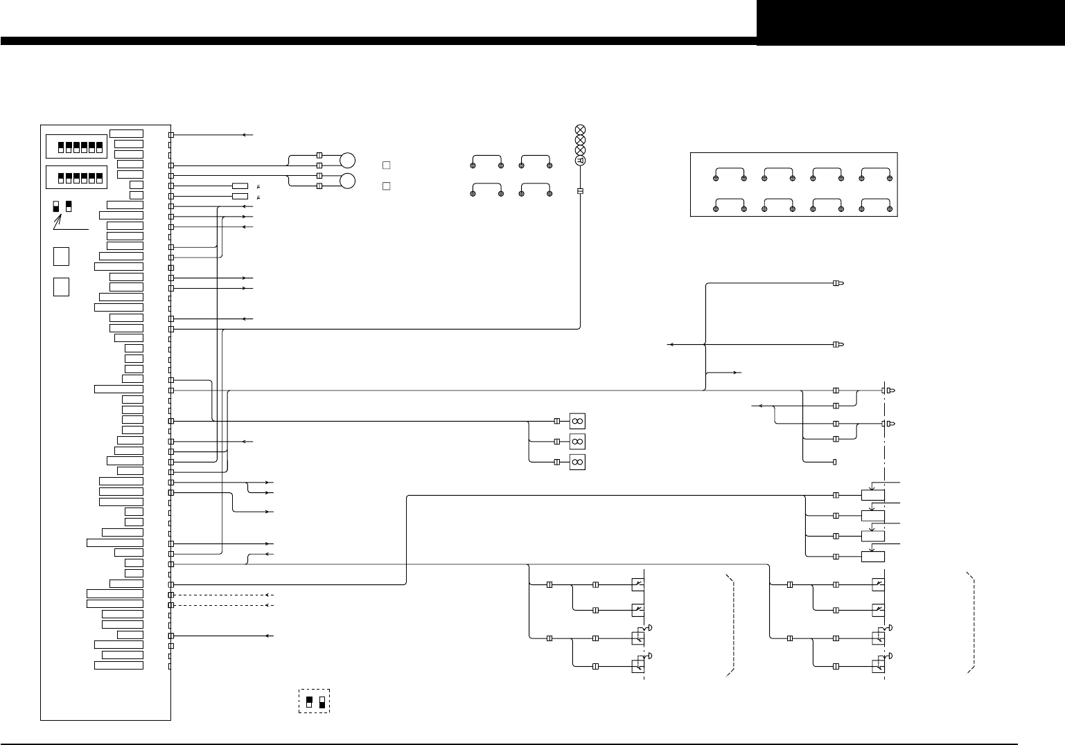
PAGE 3
YV180Xg (KGD)
Control box (2/15)
PE
AC IN
KEY/MS
VGA
SERIAL1
USB2
USB1
FDD
UPS
EXT.PWR
SERIAL2
PARALLEL
KEY/MS
USB2
USB1
AC IN
FDD
EXT.PWR
SYSTEM
LAN
AC100/220V
FRONT PANEL
Pendant
Support
Maintenance
A8
MSP
REAR
MSP
HA1
BUZZER
FDD
1.44MB
A4
BUZZER
-24C/TK01
FDD
CONNECTION BOARD(CNF15)
D.MAN
+24V
USB1 USB
MSP F
MSP
D.MAN
+24V
USB2 USB
MSP
MSP R
NOTE1
COM
SERVO 1C
PI1C
PI2C
KGA-M4100-7xx
NOTE1:The Harness is attachment for System board.
I/O2
I/O1
EMG
I/O2
I/O1
APPL
EMG/C/R
VISION
A_CAM1
A_CAM2
L.CTL2
V.OUT
A_CAM3
D_CAM2
D_CAM3
L.CTL1
(VICS3200)
LDC1
A CAM1
PI1C
PI2C
J283
SERVO 1B
PI1B
PI2B
PI2B
PI1B
SERVO 1A
PI1A
PI2A
PI2A
PI1A
DRIVER 1A
MO2A
MO2B
DRIVER 1B
DRIVER 1C
MO2B
MO2A
MO1B
MO1B
MO1C
MO1C
MO1A
MO1A
M1
100 MAX 3333rpm
X1-AXIS 2KW
WP
WM
WBK
42 MAX 750rpm
PUBK
PUP
PUM
54 MAX 500rpm
WW
PU PU
PU PU
WW
BK
FLEXIBLE
M11
M12
W2-AXIS 60W
PU2-AXIS 200W
J136
J148
J207
J282
J154
PU2
W2
86MAX 4500rpm
M3
Y2-AXIS 1KW
YP
YM
Y2
WBK
M17
X2-AXIS 2KW
100 MAX 3333rpm
X2P
X1P
WP
WM
WBK
W3-AXIS 60W
42 MAX 750rpm
PUBK
PUP
PUM
M4
PU1-AXIS 200W
54 MAX 500rpm
M13
WW
PU PU
PU PU
WW
FLEXIBLE
DUCT Y1
M2
YP
YM
86 MAX 4500rpm
Y1-AXIS 1KW
PU1
Y1
W3
M14
W4-AXIS 60W
42 MAX 750rpm
WP
WM
WBK BK
W4
MAX 4500rpm
M15
LTP
LTM
T-AXIS 60W
42
T
R
R
R
R
RP
RM
42 MAX 4500rpm
FLEXIBLE
ZP
ZM
42 MAX 4500rpm
FLEXIBLE
A_CAM2
DUCT X2
M10
M9
Z2-AXIS 60W
R2-AXIS 60W
DUCT Z2
Z2
Z2
R2
R2
ZR2
ZR2
R1
R1
R
R
R
R
RP
RM
42 MAX 4500rpm
R1-AXIS 60W
M6
FLEXIBLE
DUCT Z1
ZP
ZM
Z1
Z1
Z1-AXIS 60W
42 MAX 4500rpm
M5
A_CAM1
FLEXIBLE
DUCT X1
ZR1
ZR1
ZR1
ZR2
X2
X1
ZR2
W2
PU2
W4
W3
T
Y2
PU1
Y1
ZR1
W3
W4
T
X1
Y1
Y2
PU1
Z1
R1
W1
Z2
R2
W2
PU2
X2 X2P
Y1
PU1
W3
X1P
W4
T
Z1P
R1P
Z2P
R2P
Y2
W1
MONITOR SELECTION.
Y2
Y2
M7
WP
WM
W1-AXIS 60W
42 MAX 750rpm
W1
W1
CONNECTION BOARD(CNF39)
A CAM2
I/O CONVEYOR A(CNX1)
CONNECTION BOARD
(CNF48)
I/O CONVEYOR B(CNX1)
A CAM1
A CAM1
A CAM2
A CAM2
D_CAM1
D_CAM1
D_CAM2
LDC2
CD-ROM
CONTROL BOX A1
See Page 8/15
See Page 9/15
See Page 9/15
See Page 9/15
See Page 9/15
See Page 3/15
See Page 6/15
See Page 7/15
See Page 10/15
See Page 3/15
See Page 3/15
DUCT Y2
(OPTION)
VE1
VE2
J124
J123
J122
J121
J142
J144
J143
J141
J152
J99
J21
J280
J273
J270
J112
J101
J167
J102
J225
J110
J504
J506
J505
J503
J501
J502
J28
J126
J125
J133
J131
J127
J130
J128
J138
J132
J129
J125
J152
J144
J141
J129
J141
J220
J133
J126
J131
J152
J144
J144
J137
J149
J281
J155
J206
J127
J142
J501
J510
J134
J146
J108
J272
J271
J274
J275
J128
J143
J502
J159
J150
J160
J151
J135
J147
J511
J130
J143
J143
J141
J132
J142
J220
J220
J29

PAGE 4
YV180Xg (KGD)
Connection board (3/15)
COVER EARTH
REAR LEFT
FRONT LEFT
CNF50
ADJUSTMENT
CONVEYOR SPEED
CONVEYOR1 H
CNF48
CNF40
CNF35
T1822
PREVB
PREVA
NEXTB
NEXTA
BUSY OUT/LR OUT
BA IN/UR IN
COUNT RESET
BA OUT/UR OUT
BUSY IN/LR IN
PREVIOUS INTERFACE
NEXT INTERFACE
CNF30
CNF37
CNF39
CNF29
CNF47
CNF24
I/O HEAD,CONVEYOR POWER
CNF16
CNF15
CNF10
CNF13
CNF8
CNF38
CNF12
CNF6
CNF4
CNF1
CONNECTION BOARD ASSY P40
3 5 6
ON
OFF
12
DIP SW(S3:EMG)
4
3 5 6
ON
OFF
12
DIP SW(S4:TF)
4
KGA-M4550-xxx
OPTION +24V CNF60
WAFFLE TF CNF59
COVER LIGHT CNF58
READY CNF57
R AREA DO
F AREA DI
R AREA SENSOR
F AREA SENSOR
CNF56
CNF55
CNF54
CNF53
CONV VR CNF50
TF4 CNF49
EMG CNF48
BUZZER CNF47
OP FEEDER PWR CNF46
EMG SPARE CNF45
TF6 CNF44
TF5 CNF43
FEEDER PWR CNF42
LED DRIVER CNF41
SENSOR PWR CNF40
BRAKE CNF39
I/O CVA3 CNF38
UR OUT CNF37
Y1 OT CNF35
EPW3 CNF34
EPW2 CNF33
EPW1 CNF32
FAN2 CNF31
FRONT PANEL CNF30
FAN1 CNF29
TF3 CNF28
TF2 CNF27
TF1 CNF26
EMG OP CNF25
PATLITE CNF24
+24V IN CNF21
OPTION +24V CNF19
I/O PWR TF CNF18
I/O PWR CNF16
YPU/HHK CNF15
SERVICE KEY CNF14
CONTACTOR1 CNF13
I/O CVA2 CNF12
I/O H2OT CNF11
I/O H1OT CNF10
CONTACTOR2 CNF9
I/O CVA1 CNF8
C2 CNF7
C1 CNF6
CMTR2 CNF5
CMTR1 CNF4
CV JP2 CNF3
CV JP1 CNF2
CV ACIN CNF1
CNF14
CNF21
CNF57
CNF33
CNF41
F/R MSP
GS21
KM12A(AC200V)
CONTROL BOX(EMG)
I/O CONVEYOR B(CN4)
KEY F I/O
LED DRIVER POWER
DV120202
DV120202
A2
A6
NOTE1
CONV1 FG
CNF5
CNF7
V01/W01
VA1/WA1
TG TG
TG
1 C/M CM1
TG
M8
M16
CM22 C/M
CONVEYOR MOTOR 1
CONVEYOR MOTOR 2
C1
C2
1.5 F
1.5 F
I/O CONVEYOR A(CN6,CN15,CN16)
CNF9
I/O HEAD A/B
FAN
FAN
FAN
FAN
FAN
EV1
FAN1
EV2
FAN2
EV3
FAN3
N1014
N1015
KEY R I/O
I/O CONVEYOR B(CN6)
R FEEDER_FLOAT/AREA SENSOR
CNF46
TRANSIT CONV. SENSOR POWER
D
C
B
A
S1 S2
NOTE1: This setting is for L->R flow.
The setting for R->L flow is showed below.
CONVEYOR1 L
CONVEYOR2 H
CONVEYOR2 L
H1
L1
H2
L2
CONV1 H
CONV1 L
CONV2 H
CONV2 L
SQ150
COVER
TOP COVER LIMIT SW
TABLE COVER LIMIT SW
SQ151
T.COVER
SB11
EMG
EMG
EMG SWITCH RIGHT
EMG SWITCH LEFT
SB12
FRONT SIDE
COVER
TOP COVER LIMIT SW
TABLE COVER LIMIT SW
T.COVER
EMG
EMG
EMG SWITCH RIGHT
EMG SWITCH LEFT
REAR
SB13
SB14
SQ152
SQ153
COVER
COVER
TOP F
TBL F
STOP
RGHT F
STOP
LFT F
158
COVER
COVER
STOP
STOP
TOP R
TBL R
RGHT R
LFT R
STOP F
COVER F
COVER R
STOP R
I/O CONVEYOR B(CN16)
FRONT RIGHT
REAR RIGHT
FRONT CENTER-R FRONT CENTER-L
REAR CENTER-R REAR CENTER-L
W/PU BRAKE
HL11
T1830
T1822
T1820
T1821B
BUZZER
HL11
HL11
CONV2 FG
CONV3 FGCONV4 FG
D
C
B
A
S1 S2
15W 70 MAX:1700rpm
15W 70 MAX:1700rpm
See Page 10/15
See Page 4,5/15
See Page 2/15
See Page 10/15
See Page 10/15
See Page 7/15
F FEEDER_FLOAT/AREA SENSOR
See Page 6/15
See Page 7/15
See Page 9/15
See Page 6/15
See Page 2/15
See Page 7/15
See Page 7/15
See Page 2/15
I/O CONVEYOR A(CN7)
See Page 5/15
RUN(GREEN)
See Page 7/15
CNF53
CNF54
FRONT AREA SENSOR
See Page 6/15
REAR AREA SENSOR
See Page 6/15
See Page 11/15
KM10
ALARM(RED)
ERROR(YELLOW)
J65
J192
J174
J175
J167
J31
J30
J168
J40
J220
J22
J41
J170
J52
J58
J48
J59
J53
J176
J29
J219
J203
J24
J51
J93
J94
J95
J96
J167
J175
J176
J177
J178
J169
J180
J167
J179
J61
J62
J63
J64
J65
J224
J223
J222
J201J220
J190
J88 J89 J90 J91
J84 J85 J86 J87
J220
J220
J163
J164
J165
J166