DF01-Rev02PDFA.pdf - 第37页
- 34 - REF.NO NOTE PART N O D E S C R I P T I O N 品 名 Qty 1 401 -2 4416 AC2 00 CAB LE1 AS M AC 200 ケーブル1組 1 2 401 -2 4417 AC2 00 CAB LE2 AS M AC 200 ケーブル2組 1 3 401 -2 4418 MC1 OUT PUT CABL E AS M MC 1出力 ケーブル組 1 4 401-2 4…

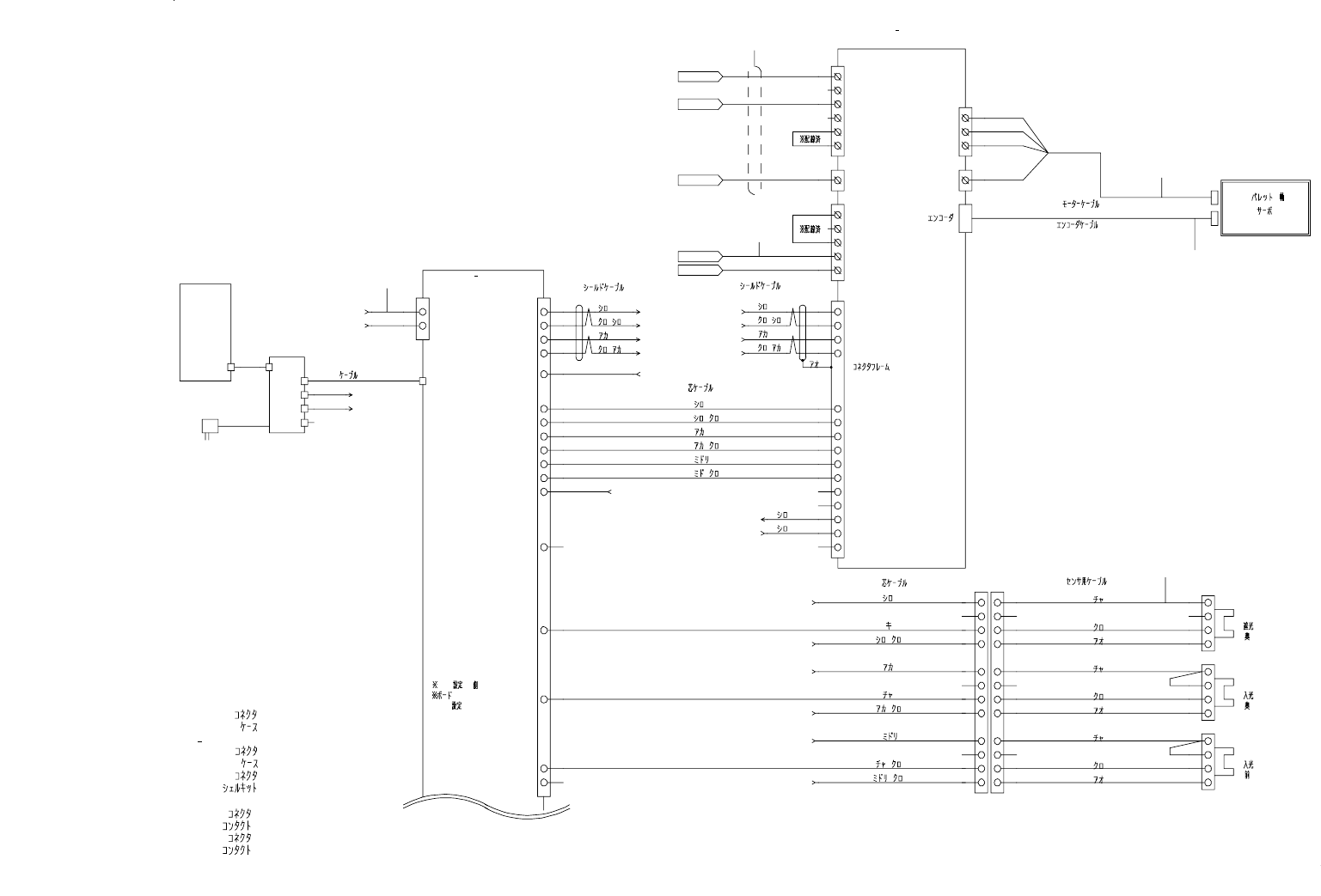
- 33 -
17. SYSTEM DIAGRAM (2)
SYSTEM DIAGRAM(2)
51
51
51
4
2
3
4
2
3
4
2
3
51
NAVC-25-2P
/
/
/
/
/
NAVC-25-3P
AWG24
(to.13/18 D1)
(to.13/18 D1)
(to.15/18 E1)
(to.2/18 E3)
(to.9/18 D4)
(to.7/18 E3)
(to.5/18 D4)
(to.4/18 D4)
V1
G1
V2
G2
AWG22
PS4
ACIN
L
CN1
V1
CN2
FG
N
V2
G1
5A
DC5V
G2
DC12V
5A
LEB100F-0512
(to.9/18 D3)
AC DC
(to.7/18 D3)
(to.5/18 C3)
(to.4/18 C4)
G7T-112S
AWG24
MC1
AWG24
+
+
+
+
TB5
1
2
1
1
NA2501T-16-3
AWG24
AWG24
AWG24
S-N10CX
UN-SY21CX
4
3
5
6
7
2
2
/
8
ML-15-8P
/
+12V
0V12
0V5
0V12
+12V
+5V
1
25
6
7
8
3
4
1
2
3
5
4
AC(L)2
AC(N)2
FG2
SVD5-ERR
SVD5-ALM
SVD3-ALM
SVD2-ALM
SRY4
SRY3
SRY2
SVD-EMR
SVD1-ALM
+24V
SRY1
SVD1-L1
SVD5-L1SVD3-L1
SVD2-L1
SVD1-L2
SVD5-L2SVD3-L2
SVD2-L2
SVD1-FG
SVD5-FGSVD3-FG
SVD2-FG
SVD3-ERR
SVD2-ERR
SVD1-ERR
0V24
AC200R2
AC200T2
+24V
AC200T1
AC200FG1
AC200R1
D1 D2
A2A1
A2
A1
1413
T1
T2
T3L3
L2
L1
4
2
3
21
4
5
3
:
:
:
PS4-CN2
:PS4-CN1
VHR-8N (JST)
BVH-21T-P1.1
VHR-5N (JST)
BVH-21T-P1.1

- 34 -
REF.NO NOTE PART NO D E S C R I P T I O N
品 名
Qty
1 401-24416 AC200 CABLE1 ASM
AC 200ケーブル1組
1
2 401-24417 AC200 CABLE2 ASM
AC 200ケーブル2組
1
3 401-24418 MC1 OUTPUT CABLE ASM
MC 1出力ケーブル組
1
4 401-24419 PS4 INPUT CABLE ASM
PS 4入力ケーブル組
1
5 401-24420 +5_12V CABLE ASM
+5_12 V ケーブル組
1

- 35 -
18. SYSTEM DIAGRAM (3)
SYSTEM DIAGRAM(3)
AWG24
10
/
(to.2/18 E3)
(to.3/18 4C)
/
/
/
/
NAVC-27-5P
(to.3/18 7B)
(to.2/18 3E)
6
/
NAVC-25-3P
/
/
/
/
/
NAVCSB-25-2P
NAVCSB-25-2P
ON
ON
ON
(
)
ORG1
(
)
CW_LIM1
(
)
CCW_LIM1
PC
MT
CONT1
USPG-48
CN1
CN2
USB1
USB HUB
BSH4A01BK
USB
AC100V
JP1 :B
No:0
BSN0:OFF
SW1
BSN3:OFF
BSN1:OFF
BSN2:OFF
NASEU-28-3
JPH1
CNP1
MR-J4-10A
SV
DRV1
CNP3
CNP2
PE
CN2
PE
:
:
MR-J3ENCBL2M-A1-L
MR-PWS1CBL2M-A1-L
HG-KR13
M1
Y
AC 100W
CN1
PH1
PH2
PH3
1212
1111
1010
99
88
77
66
55
44
33
22
11
SVD1-ERR
SVD1-L1
SVD1-L2
L3
L1
U
L2
P1
P2
N
FG FG
V
W
SVD1-FG
L11
P
C
1
+24V
2
0V
14
DIR-1
DIR-1*
15
AC200R3
AC200T3
PP
10
PG
11
L21
D
+24V
0V24
PULSE-1
16
PULSE-1*
17
ESTP
2
MTC1-EMR
M1-PLS-
M1-PLS+
M1-DIR-
M1-DIR+
M1-CCW+
M1-CCW-
M1-CW-
M1-CW+
NP
35
36
NG
MT-CONT2
MT-CONT3 DRIVE-1*
6
DRST-1*
7
DEND-1*
11
DERR-1*
12
INP
24
RES
19
SON
15
DICOM
20
IN0-1*
9
RD
49
LSP
43
LSN
44
ALM
48
DOCOM
46
+COM1
1
-COM1
8
GND
18
SVD1-ALM
SVD1-EMR
3
LG
EMG
42
+
ORG-1
3
0V24
+24V
+
OUT
-
L
+LM-1
4
+24V
0V24
+
OUT
-
L
-LM-1
5
IN1-1
10
+24V
0V24
OUT
-
L
1
2
3
4
5
6
MT-CONT1
CN2
CN2
SV
DRV1
CN1
:10336-52F0-008(3M)
:10136-3000PE(3M)
:36210-0100PL(3M)
:10150-3000PE(3M)
:10350-52F0-008
JPH1
DF1B-12DEP-2.5RC(HRS)
DF1B-12DES-2.5RC(HRS)
:
:
:
DF1B-2428SC
:36310-3200-008
:DF1B-2428PC