DF01-Rev02PDFA.pdf - 第61页
- 58 - REF .NO NOT E PAR T NO D E S C R I P T I O N 品 名 Qty 1 401-24 397 HEATER ASM ヒーター組 1 2 401-24 494 TEMPE R AT URE CONTROL R ELAY CABL E ASM 温調中継ケー ブル組 1 3 401-24 496 HEATER P OWER RELAY C ABLE1 ASM ヒーター中継 ケーブル1組 1 …

- 57 -
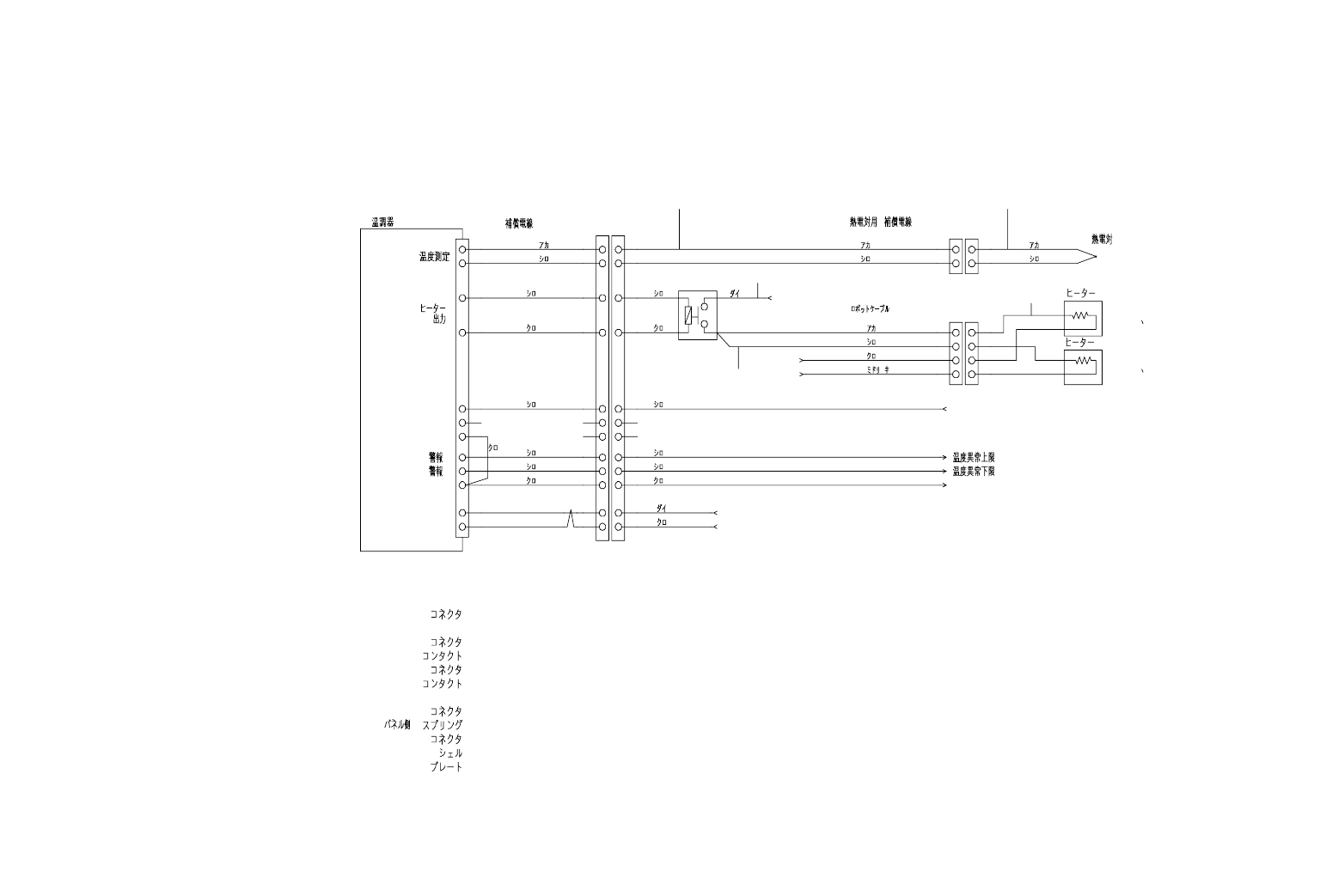
29. SYSTEM DIAGRAM (14)(OPTION)
SYSTEM DIAGRAM(14)(オプション)
SS3FUR-22-4
/
K
TE1
DC24V
10W
1
2
TE2
DC24V
10W
K
E5CN-Q2HBTD
AWG24
NAKXHSR-0.3-1P
OPCN2
AWG24
AWG22
SSR2
NAKXHSR-0.3-1P
DC12V
G3NA-D210B
++
AWG24
AWG24
COM
1
2
DC24
DC24
AWG24
OPCN2
3
1
4
2
5
4
+
1
-
2
EV1
12
8
7
6
-COM
11
EV2
13
10
9
9
10
2
1
6
8
3
4
5
7
14
15
9
10
1
2
6
3
4
5
7
8
14
15
+24VP
0V24P
+24VP
0V24P
0V24P
+
KK
+
2
4
1
3
0V24
HEAT
1
2
3
4
CMP13-K
TE2
:
:
:
:
DA-15PF-N
D110277
DA-15SF-N
DA20961R
D110278
:
:
:
:
:
1855TL
1625-2R1
1854TL
1625-2P1
TE1
:
2
4
1
5
3

- 58 -
REF.NO NOTE PART NO D E S C R I P T I O N
品 名
Qty
1 401-24397 HEATER ASM
ヒーター組
1
2 401-24494 TEMPERATURE CONTROL RELAY CABLE ASM
温調中継ケーブル組
1
3 401-24496 HEATER POWER RELAY CABLE1 ASM
ヒーター中継ケーブル1組
1
4 401-24396 THERMOCOUPLE ASM
熱電対組
1
5 401-24495 HEATER POWER CABLE ASM
ヒーター電源ケーブル組
1

䢢
Notes