DF01-Rev02PDFA.pdf - 第51页
- 48 - REF.NO NOTE PART N O D E S C R I P T I O N 品 名 Qty 1 401-2 4 4 43 M9 MOT O R CABLE AS M M 9モータ ーケーブル組 1 2 4 01-2 4444 M9 MO TOR A SM M 9モータ ー組 1 3 401 -2 4445 M9 SEN SOR A SM M 9センサ 組 1 4 401 -2 4446 M10 MOTO R CA…

- 47 -
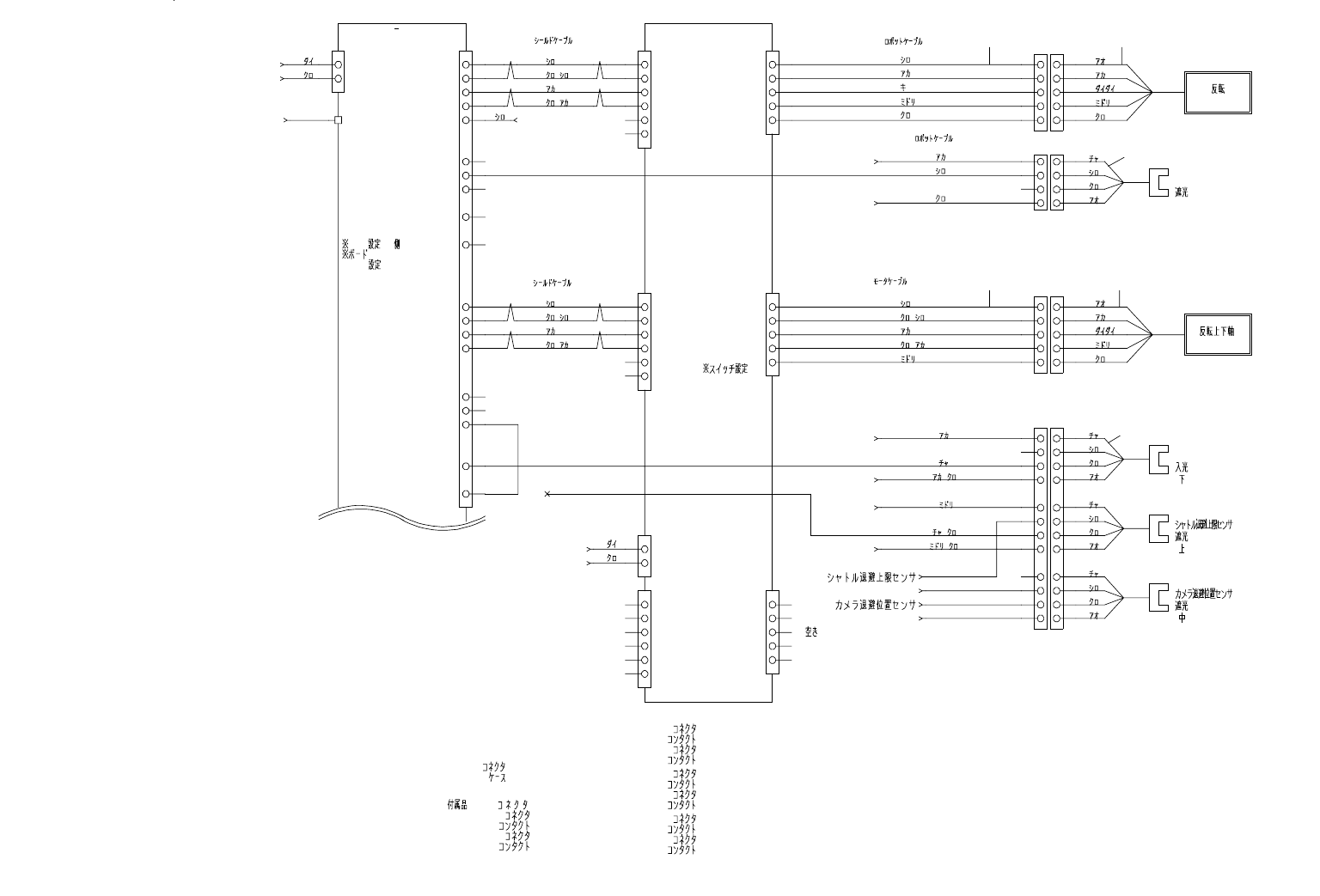
24. SYSTEM DIAGRAM (9)
SYSTEM DIAGRAM(9)
MT-CONT3 :10136-3000PE(3M)
M9,10
JPH9
DF1B-2428PC
:
:
:
DF1B-2022SC
DF1B-5EP-2.5RC(HRS)
:DF1B-5ES-2.5RC(HRS)
DF1B-4ES-2.5RC(HRS)
:
SIG1,2
MOT1,2
(
)PM-DRV2
CN2
:VHR-2N
:VHR-5N
:XAP-06V-1
:BVH-21T-P1.1
CN1
:10336-52F0-008(3M)
JPH10 DF1B-12DES-2.5RC(HRS)
DF1B-12DEP-2.5RC(HRS)
DF1B-2428SC
:
:
:
DF1B-2428PC
DF1B-4EP-2.5RC(HRS)
DF1B-2428SC
:
:
:
:BXA-001T-P0.6
DF1B-2428PC
:
AWG22
JPH9
NAVC-23-3P
/
/
SS3FUR-24-6
SS3FUR-26-6
CN1
NAVC-27-5P
/
/
/
M9
02K-S523
ORG9
ON
M10
1K-S543
CW_LIM10
(
)
ON
( )
ON
PH23
PH26
PH27
M9
M10
JPH10
(
)
MOT1
MOT2
MOT3
CTDR-0514-3Z
PM-DRV2
DSW3:0
DSW2:C
DSW1:0
DSW6:3
DSW4:C
DSW5:0
SIG1
SIG2
AWG20
SIG3
/
/
/
/
NAVCSB-25-2P
NAVCSB-25-2P
CN2
USPG-48
MT
CONT3
CN1
USB
JP1 :B
BSN0:OFF
SW1
No:2
BSN3:OFF
BSN2:OFF
BSN1:ON
+24V
1
+24V
2
0V
PULSE-1
16
DIR-1*
15
14
DIR-1
3
CCW+
2
CW-
1
CW+
3
2
1
3
1
2
3
1
2
MT-CONT3
0V24
+COM1
1
ESTP
2
PULSE-1*
17
MTC3-EMR
5
H.O+
4
CCW-
6
H.O-
5
4
1
5
4
1
4
5
+LM-1
4
-COM1
8
ORG-1
3
0V24
+24V
2
3
4
2
3
4
-LM-1
5
PULSE-2*
35
PULSE-2
34
DIR-2*
33
DIR-2
32
4
CCW-
5
H.O+
2
CW-
3
CCW+
1
CW+
4
5
2
3
11
2
3
4
5
1
3
2
5
4
ORG-2
21
-COM1
26
+COM1
19
6
H.O-
55
-LM-2
23
+LM-2
22
0V24
+24V
8
7
6
9
8
7
6
9
+24VP
1
+24V
2
0V
0V24
+24V
11
10
12
1
11
10
12
1
0V24P
4
CCW-
3
CCW+
1
CW+
2
CW-
4
1
2
3
3
4
2
3
4
2
5
H.O+
6
H.O-
5
14
2
3
5
6
( )
ON
PH31
0V24
+24V

- 48 -
REF.NO NOTE PART NO D E S C R I P T I O N
品 名
Qty
1 401-24443 M9 MOTOR CABLE ASM
M 9モーターケーブル組
1
2 401-24444 M9 MOTOR ASM
M 9モーター組
1
3 401-24445 M9 SENSOR ASM
M 9センサ組
1
4 401-24446 M10 MOTOR CABLE ASM
M 10モーターケーブル組
1
5 401-24447 M10 MOTOR ASM
M 10モーター組
1
6 401-24448 M10 SENSOR ASM
M 10センサ組
1

- 49 -
25. SYSTEM DIAGRAM (10)
SYSTEM DIAGRAM(10)
1314
812
M11
:
:
:
DF1B-4ES-2.5RC(HRS)
DF1B-2428SC
DF1B-4EP-2.5RC(HRS)
SV-DRV6
SV-DRV6
CN3
:1-1318118-6(AMP)
:5557-06R
:5556TL
SEN11
E11
:
:
:
DF1B-2428SC
DF1B-6ES-2.5RC(HRS)
DF1B-2428PC
:
:
:43025-0600
DF1B-6EP-2.5RC(HRS)
DF1B-2428PC
CN5
:1318108-1
:43030-0007
AWG24
JPH11
(to.2/18 F3)
AWG26
RY5
G3FD-X03SN
AWG26
AWG20
(to.14/18 D6)
SS3FUR-26-6
SS3FUR-24-6
CN1
TA8410N7318E936
SV
DRV6
CN3
M11
CN2
TS4861N4020E500
M11
USPG-48
MT
CONT3
CN3
/
NSVCSB-25-2P
CN7
CN5
NA3HRSB-24-3P
E11
/
/
NSVC-25-3P
/
/
AWG24
SEN11
33
22
11
55
44
SVD6-EMR+24V
1
GND
2
DC24V
1
2
3A3
A2
A1
A3
A2
A1
0V24P
+24VP
+24V +24V
5
0V24
1
5
6
4
B3
B2
B1
B3
B2
B1
14
DIR-3
DIR-3*
15
PULSE-3
16
PULSE-3*
17
0V24
4
R-PLS-
6
F-PLS-
5
F-PLS+
3
R-PLS+
B2
A3
B1
A2
A1 A1
A2
A3
B1
B2
B1
B2
A3
A2
A1
DRET-3*
7
DEND-3*
11
DERR-3*
12
DRIVE-3*
6
ALM-RST
10
INP
14
SV-ON
13
ALM
15
1
GND
B5
B4
B3
A4
A5
A4
A5
B5
B4
B3 B3
B4
B5
A4
A5
GND
18 7
GND
12
F-LMT
11
R-LMT
9
C-RST
B6
A6 A6
B6 B6
A6
-LM-3
5
+LM-3
4
ORG-3
3
SVD6_CRST
1
2
3
4
1
2
3
4
+COM1
1
-COM1
8
5
6
5
6
1
2
3
4