SM411_TRM(Ver10.6_CS14.25).pdf - 第7页
Page SAMSUNG TECHWIN 132 SM411 Conveyor Board Interface (4/5) [1 ] [2 ] [3 ]

Page
SAMSUNG TECHWIN
131
SM411
Conveyor Board Interface (3/5)
NO. PART NO. PART NAME Q'TY Old No. Stock Apply Reference
1 AM03-004385A CABLE ASSY-ANC_SENSOR_FRONT_EXT1 1
2 AM03-004382A CABLE ASSY-ANC_SENSOR_FRONT_EXT 1
3 AM03-004565A CABLE ASSY-ANC-SENSOR REAR EXT 1
4 J90831135A ANC_SENSOR_CABLE_ASSY SM33-CV010 1

Page
SAMSUNG TECHWIN
132
SM411
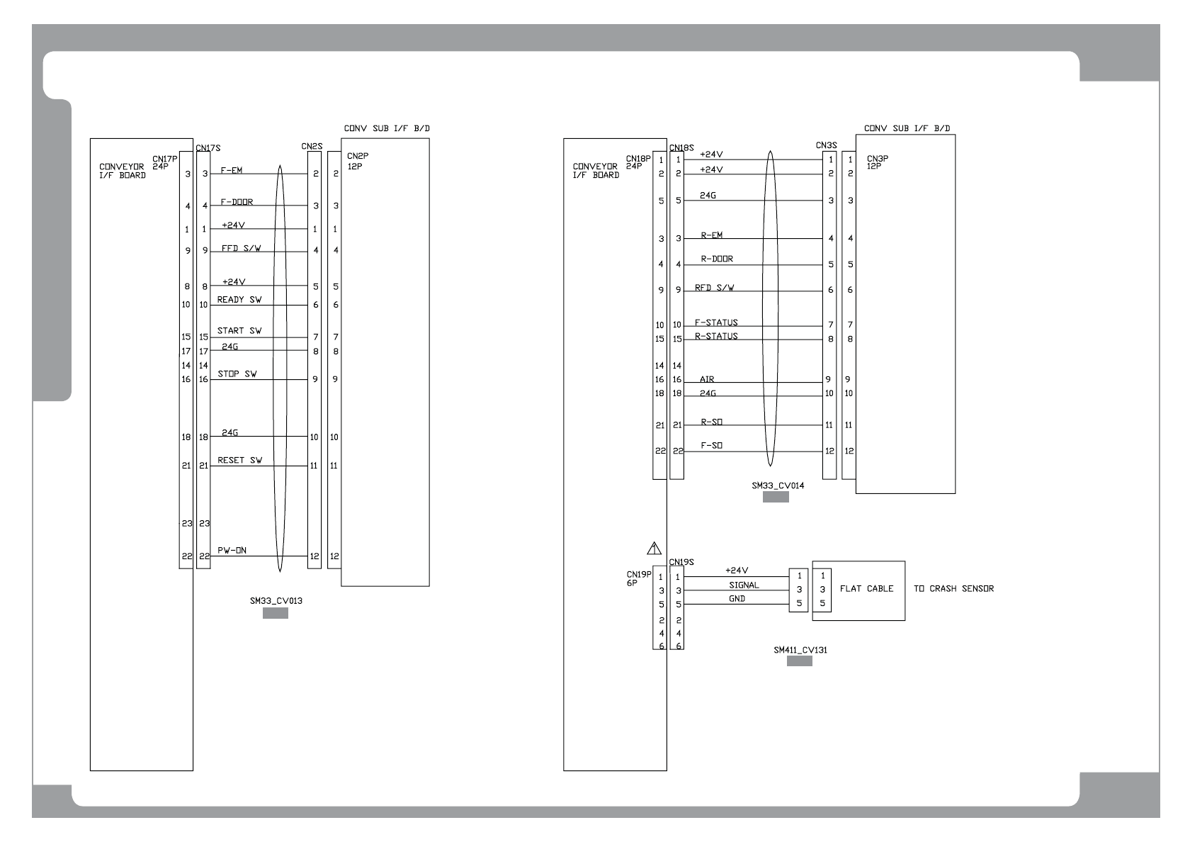
Conveyor Board Interface (4/5)
[1 ]
[2 ]
[3 ]

Page
SAMSUNG TECHWIN
133
SM411
Conveyor Board Interface (4/5)
NO. PART NO. PART NAME Q'TY Old No. Stock Apply Reference
1 J90831136B CONV_SW_INPUT1_CABLE_ASSY SM33-CV013 1
2 J90831137B CONV_SW_INPUT2_CABLE_ASSY SM33-CV014 1
3 AM03-004411A CABLE ASSY-CRASH_SENSOR_IF 1