PTS-RLD-03..pdf - 第23页
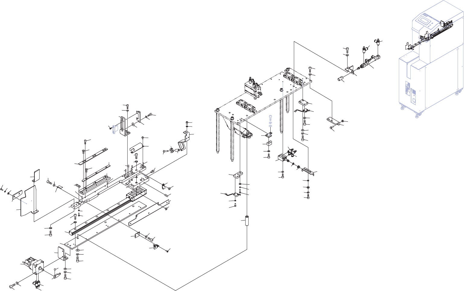
REEL LOADER 2/ リール ローダ 2/ 2UGKFW 000317 No. Drg.No. & Code No. QTY Description Rating Remarks 番号 図番 & コード番 号 個数 品名 規格 備考 197 W 1106D 4 W ASHER, LOCK ワッシャ スプリング 4M/M(3 カ シロ ) 198 2MGKFW106901 1 JAW 爪 199 H54253 2…

REEL LOADER 2/
リールローダ 2/
2UGKFW000317
No. Drg.No. & Code No. QTY Description Rating Remarks
番号 図番 & コード番号 個数 品名 規格 備考
143 W1108D 1 WASHER, FLAT
ワッシャ 平
4W-3(3カ シロ)
144 H5426M 2 BOLT, HEX SOCKET
ボルト 六角穴
M04X012(3カ シロ)
145 W1106D 2 WASHER, LOCK
ワッシャ スプリング
4M/M(3カ シロ)
146 W1043C 2 WASHER, FLAT
ワッシャ 平
4W- 4(3カシロ)
147 R60897 2 ROLLER
ローラ
BCSB10
148 N1094D 2 NUT, HEX
ナット 六角
M10 3シュ(3カ シロ)
149 W60608 2 WASHER
ワッシャ
WSSB20-12-1
150 2MGKFW173001 1 PLATE
プレート
151 H54253 2 BOLT, HEX SOCKET
ボルト 六角穴
M03X010(3カ シロ)
152 W1106C 2 WASHER, LOCK
ワッシャ スプリング
3M/M(3カ シロ)
157 2MGKFW216701 1 BLOCK
ブロック
158 H5426L 2 BOLT, HEX SOCKET
ボルト 六角穴
M04X010(3カ シロ)
159 W1106D 2 WASHER, LOCK
ワッシャ スプリング
4M/M(3カ シロ)
160 W1043C 2 WASHER, FLAT
ワッシャ 平
4W- 4(3カシロ)
161 2MGKFW106503 1 BKT
BKT
162 H5427B 4 BOLT, HEX SOCKET
ボルト 六角穴
M05X012(3カシロ)
163 W1106E 4 WASHER, LOCK
ワッシャ スプリング
5M/M(3カ シロ)
164 2MGKFW132800 1 BKT
BKT
165 N1079B 2 NUT, HEX
ナット 六角
M04 P=0.7 1シュ(3カシロ)
166 W1106D 2 WASHER, LOCK
ワッシャ スプリング
4M/M(3カ シロ)
167 H51370 1 BOLT, STOPPER
ボルト ストッパ
UST5-30
168 2MGKFW110001 1 BKT
BKT
169 H5426L 2 BOLT, HEX SOCKET
ボルト 六角穴
M04X010(3カ シロ)
170 W1106D 2 WASHER, LOCK
ワッシャ スプリング
4M/M(3カ シロ)
171 2MGKFW106600 1 GUIDE, HOLDER
ガイド 受け
172 H54253 2 BOLT, HEX SOCKET
ボルト 六角穴
M03X010(3カ シロ)
173 W1106C 2 WASHER, LOCK
ワッシャ スプリング
3M/M(3カ シロ)
174 2MGKFW106700 1 PLATE
プレート
175 H54252 4 BOLT, HEX SOCKET
ボルト 六角穴
M03X008(3カ シロ)
176 W1106C 4 WASHER, LOCK
ワッシャ スプリング
3M/M(3カ シロ)
177 2MGKFW106801 1 HOLDER
受け
178 2MGKFW109000 1 HOLDER
受け
179 S65932 1 CYLINDER, AIR
シリンダ エアー
CDQSB12-30DC-M9BVL
180 2MGKFW132100 1 PIN
ピン
181 N10793 1 NUT, HEX
ナット 六角
M03 P=0.5(3カシロ)
182 K5337G 2 CONTROLLER, SPEED
コントローラ スピード
AS1201F-M5-04 (シロ)
183 2MGKFW108102 1 RAIL
レール
184 K5172K 2 SCREW, C/R TRUSS
小ネジ 十穴トラス
M04X005(3カ シロ)
185 S66460 2 SUPPORT COLUMN
支柱
BSF-435E
186 A60393 1 AMPLIFIER, SENSOR
アンプ センサ
FS-N11P
187 A61803 2 AMPLIFIER, SENSOR
アンプ センサ
E3X-HD8 2M
188 K63259 1 CABLE
ケーブル
E3X-CN12
189 K62983 1 CONNECTOR
コネクタ
E3X-CN11
190 A5043T 2 RETAINER, RAIL
押え レール
PFP-M
191 S67662 1 CYLINDER, AIR
シリンダ エアー
MXH10-50Z-M9BL
192 H5426Y 2 BOLT, HEX SOCKET
ボルト 六角穴
M04X030(3カ シロ)
192.1 H5426W 1 BOLT, HEX SOCKET
ボルト 六角穴
M04X022(3カ シロ)
193 W1011A 3 WASHER, CONICAL
ワッシャ 皿
M-4-L
194 K5337G 2 CONTROLLER, SPEED
コントローラ スピード
AS1201F-M5-04 (シロ)
195 2MGKFW106302 1 BKT
BKT
196 H5289R 4 BOLT, HEX SOCKET
ボルト 六角穴
M04X014(3カ シロ)
22
PTS- RLD- 03

REEL LOADER 2/
リールローダ 2/
2UGKFW000317
No. Drg.No. & Code No. QTY Description Rating Remarks
番号 図番 & コード番号 個数 品名 規格 備考
197 W1106D 4 WASHER, LOCK
ワッシャ スプリング
4M/M(3カ シロ)
198 2MGKFW106901 1 JAW
爪
199 H54253 2 BOLT, HEX SOCKET
ボルト 六角穴
M03X010(3カ シロ)
200 W1106C 2 WASHER, LOCK
ワッシャ スプリング
3M/M(3カ シロ)
201 2MGKFW106102 1 LINK
リンク
202 2MGKFW107600 1 PIN, PIVOT
ピン 支点
203 2MGKFW172701 1 JAW
爪
204 H54250 2 BOLT, HEX SOCKET
ボルト 六角穴
M03X005(3カ シロ)
205 W1010A 2 WASHER, CONICAL
ワッシャ 皿
M-3-L
206 H66294 1 HOOK
フック
AIPO3-15
207 H67849 1 HOOK
フック
BSPOZ5-20
208 S65078 1 SPRING
スプリング
AWA6-30
209 S65070 1 CYLINDER, AIR
シリンダ エアー
CDUJB6-10DM-F8BL
210 H54257 2 BOLT, HEX SOCKET
ボルト 六角穴
M03X020(3カ シロ)
211 W1106C 2 WASHER, LOCK
ワッシャ スプリング
3M/M(3カ シロ)
212 2MGKFW107700 1 ROD, PUSH
ロッド プッシュ
213 Y60198 2 UNION, ELBOW
ユニオン エルボ
KQ2L04-M3G
215 2MGKFW216200 1 BKT
BKT
216 H54253 2 BOLT, HEX SOCKET
ボルト 六角穴
M03X010(3カ シロ)
217 W1106E 2 WASHER, LOCK
ワッシャ スプリング
5M/M(3カ シロ)
218 W1108D 2 WASHER, FLAT
ワッシャ 平
4W-3(3カ シロ)
219 S67458 1 SENSOR, PHOTO
センサ フォト
EE-SX672R
220 H54252 2 BOLT, HEX SOCKET
ボルト 六角穴
M03X008(3カ シロ)
221 W1106C 2 WASHER, LOCK
ワッシャ スプリング
3M/M(3カ シロ)
222 2MGKFW204800 1 SEAL
シール
223 2MGKFW204700 1 SEAL
シール
224 2MGKFW204600 1 SEAL
シール
23
PTS- RLD- 03

4
31
32
33
34
35
36
37
38
39
40
41
42
43
44
45
46
47
48
49
50
51
52
53
54
55
56
57
60
61
62
63
64
65
66
67
68
68.1
68.2
70
71
72
73
74
75
76
77
78
79
80
81
82
83
84
85
86
87
88
89
90
91
92
93
94
95
98
99
100
100
1
2
3
3.1
19
20
21
18.1
18.2
18.3
18.3
18.3
18.3
18.3
24
25
26
27
28
29
29.1
29.2
29.3
30
5
6
7
8
9
10
11
12
12
13
14
15
18
16
17
22
23
50
69
82
96
97
101
102
REEL LOADER 3/
࣮࣮ࣜࣝࣟࢲ
2UGKFW000317
24
PTS- RLD- 03