ATF-Rev09.pdf - 第16页

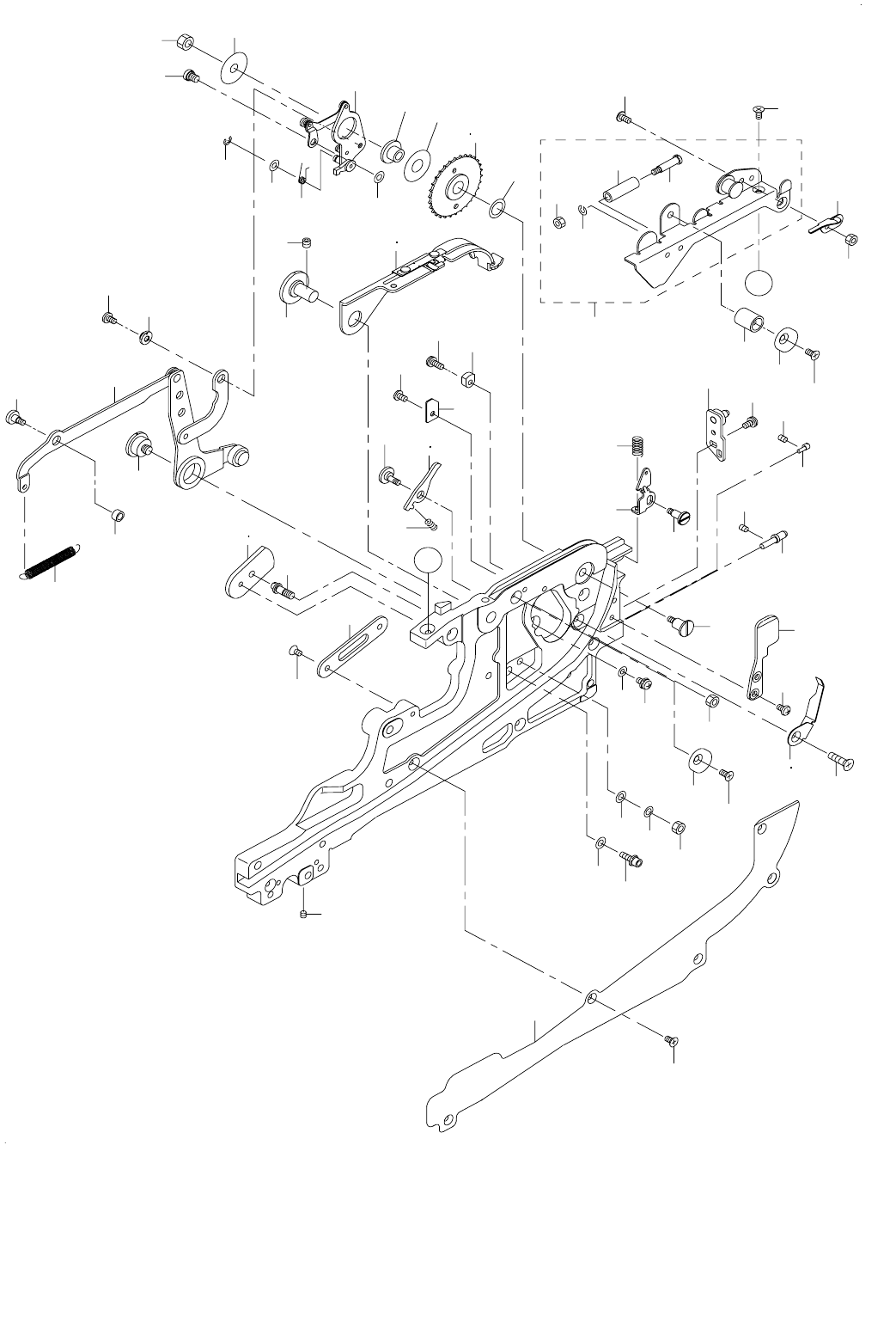
- 13 - 7. AF08HE/081P/0 81E,AN08HE/081P/0 81E/081C (1) 10 48 6 4 5 21 22 49 13 23 9 70 14 11 12 15 31 19 26 7 8 2 1 3 16 17 18 24 25 51 52 53 33 72 36 27 71 40 35 38 39 28 41 42 74 57 37 34 29 30 56 55 73 43 44 50 62 A A…

100%1 / 46
- 12 -
NOTE( 注記 ) #01....FOR AN05HP AN 05 HP
*IT WILL BE IN APRIL, 2008 AND SFTERWARDS PRODUCTION.
2008年4月以降生産です。
REF.NO NOTE PART NO D E S C R I P T I O N
品 名
Qty
1 E1011-706-AA0 ADAPTER PLATE ASM.
アダプタープレート組
1
2 E1011-706-A00 ADAPTER PLATE
アダプタープレート
(1)
3 E1012-706-A00 GRIP PLATE
グリッププレート
(1)
4 SM-1031401-SC SCREW M3X0.5 L=14
皿小ねじ M 0.5 L =14
(4)
5 NM-6030003-SC NUT M3
六角ナット M
(4)
6
#01
E1012-706-A0A GRIP PLATE AN
グリッププレート AN
(1)
7 400-55257 SCREW M4X8 MEC
メックねじ M4X8
1
8 E1112-706-AA0 FREE LINK B ASM.
フリーリンク
1
9 E1119-706-C00 FREE LINK CAP
フリーリンクキャップ
1
10 SM-1030501-SC SCREW M3 L=5
皿小ねじ M 3 L =5
1
11 E1120-706-C00 FREE LINK JOINT SCREW
フリーリンクジョイントスクリュウ
1
12 E1121-706-C00 FREE LINK JOINT COLLAR
フリーリンクジョイントカラー
1
13 E1301-706-AA0 CLUTCH HOLDER ASM.
ワンウェイクラッチホルダー組
1
14 E1502-706-C00 LOCK HOLDER SH
ロックホルダ SH
1
15 SM-8040402-TP SCREW M4X0.7 L=4
止めねじ M 0.7 L =4
1
16 E1506-706-C00 Y POSITION LOCK PIN
ロックホルダ 調整ロックピン
1
17 400-97033 RELEASE LEVER COLLAR
リリースレバーカラー
1
18 SM-1030501-SC SCREW M3 L=5
皿小ねじ M 3 L =5
3
19 E1303-706-AC0 SHAKE ARM ASM.
揺動アーム総組
1
20 E1311-706-AA0 FEED ROLLER ASM.
繰出しローラー組
1
21 E1314-706-A00 SHAFT
繰出しローラーシャフト
1
22 400-55255 SCREW M3X6 MEC
メックねじ M3X6
1
23 400-83343 WIND ROLL SPRING
巻取り SP
1
24 400-61022 FEEDING ROLLER BLADE
繰出しローラーブレード
1
25 E1316-706-A00 FEEDING ROLLER BLADE BASE
フィーディングローラブレードベース
1
26 E1317-706-A00 FEEDING ROLLER BLADE PUSHER
フィーディングローラブレードプッシャ
1
27 SL-4031491-SC SCREW M3X14
座金付きなべ小ねじ
2
28 400-52050 SCREW M3X6 MEC
メックねじ M3X6
1
29 E1321-706-AA0 PRESSURE ROLLER ASM.
押えローラー組
1
30 E1321-706-A00 PRESSURE ROLLER
押えローラー
(1)
31 E1324-706-A00 PRESSURE ROLLER ARM
押えローラーアーム
(1)
32 E1326-706-A00 ROLLER BLADE
押えローラーブレード
(1)
33 SM-4030501-SC SCREW M3X0.5 L=5
なべ小ねじ M 0.5 L =5
(2)
34 E1322-706-A00 ROLLER SHAFT
ローラーシャフト
(1)
35 SM-1030501-SC SCREW M3 L=5
皿小ねじ M 3 L =5
(1)
36 E1322-706-A00 ROLLER SHAFT
ローラーシャフト
(1)
37 E1325-706-A00 SPACER
押えローラースペーサ
1
38 SM-1031001-SC SCREW M3X0.5 L=10
皿小ねじ M 0.5 L =10
1
39 E1323-706-A00 ROLLER SP
押えローラー SP
1
40 SL-6042092-TN SCREW M4 L=20
座金付き六角穴ボルト
1
41 E1507-706-00B LEVER CAP 05
レリースレバーキャップ 05
1
42 E1604-706-C00 GUIDE ROLLER SH B
ガイドローラー SH B
1
43 E1603-706-A00 TAPE GUIDE ROLLER
テープガイドローラー
1
44 400-52050 SCREW M3X6 MEC
メックねじ M3X6
1
45 400-68054 TAPE GUIDE
テープガイド
1
46 400-52050 SCREW M3X6 MEC
メックねじ M3X6
1
47 E1403-706-A00 CARRIER TAPE GUIDE
キャリアテープガイド
1
48 SM-1030601-SC SCREW M3 L=6
皿小ねじ M 0.5 L =6
2
49 E1523-706-C00 LEVER STUD
レリースレバー支点軸
1
50 SL-6041092-TN SCREW
座金付き六角穴ボルト
1
51 400-61021 ANTI ADHESIVE PLATE
粘着防止板
1
52 400-61017 SEPARATION BLOCK
セパレーションブロック
1
53 SM-1031401-SC SCREW M3X0.5 L=14
皿小ねじ M 0.5 L =14
2
54 WS-0310002-KN SPRING WASHER M3
ばね座金 3.1 5.9 0.7
2
55 NM-6030001-SC NUT M3
六角ナット M 0.5 1種
2
56 SL-4031281-SC SCREW M3 L=12
なべ小ねじセムス M 3 L =12
2
57 E1621-706-A00 PROTECT PLATE A
粘着防止板
1
58 400-61019 OUTER COVER B
アウターカバー
1
59 400-61018 OUTER COVER A
アウターカバー
1
60 400-61020 THIN HEAD SCREW M2.6
シンヘッドスクリュー 2.6
4
61 400-55253 SCREW M5X10 MEC
メックねじ M5X1
3
62 WP-0320501-SC WASHER M3
平座金 3.2X7X0
2
63 400-90521 LOCK HOLDER BLOCK
ロックホルダブロック
1
64 SL-6041092-TN SCREW
座金付き六角穴ボルト
2
65 E1507-706-CA0 LOCK HOLDER ASM.
ロックホルダ組
1
66 E1507-706-C00 LOCK HOLDER
ロックホルダ
(1)
67 E1508-706-C00 PLUNGER PLATE
プランジャプレート
(1)
68 E1509-706-C00 PLUNGER SH
プランジャ SH
(1)
69 E1510-706-C00 PLUNGER SP
プランジャ SP
(1)
70 SM-8030302-TP SCREW M3X0.5 L=3
止めねじ M 0.5 L =3
(1)
71 E1511-706-C00 STOPPER PLATE
ストッパプレート
(1)
72 400-55254 SCREW M3X5 MEC
メックねじ M3X5
(2)
73 400-63935 ECCENTRIC PIN
偏芯ピン
1
74 SM-8030302-TP SCREW M3X0.5 L=3
止めねじ M 0.5 L =3
1
75 E1515-706-AA0 LOCK HOLDER LINK
ロックホルダリンク
1
76 A1138-776-000 SCREW
止めねじ
(2)
77 SM-5030555-SC SCREW
バインドねじ
1
78 E1601-706-AA0 REEL SUPPORT ASM.
リールサポート組
1
79 400-52049 SCREW M4X6 MEC
メックねじ M4X6
(2)
80 400-52049 SCREW M4X6 MEC
メックねじ M4X6
(6)
81 E1617-706-C00 REEL SUPPORT JOINT SH
リールサポートジョイント SH
(3)
82 400-52050 SCREW M3X6 MEC
メックねじ M3X6
(2)
83 E1616-706-C00 TAIL GUIDE SH
テールガイド SH
(1)
84 E1610-706-AA0 REEL SUPPORT ARM ASM.
リールサポートアーム組
(1)
85 E1601-706-A00 REEL SUPPORE L
リールサポート
(1)
86 E1602-706-A00 REEL SUPPORE R
リールサポート
(1)
87 E1603-706-000 GUIDE ROLLER SH
ガイドローラ SH
(1)
88 400-52050 SCREW M3X6 MEC
メックねじ M3X6
(2)
89 E1604-706-C00 GUIDE ROLLER SH B
ガイドローラー SH B
(1)
90 WS-0260002-KN WASHER M2.6
ばね座金 M 2.6
4
91 NM-6860001-SC NUT M2.6
六角ナット M 2.6 1種
4
- 13 -
7. AF08HE/081P/081E,AN08HE/081P/081E/081C (1)
10
48
6
4
5
21
22
49
13
23
9
70
14
11
12
15
31
19
26
7
8
2
1
3
16
17
18
24
25
51
52
53
33
72
36
27
71
40
35
38
39
28
41
42
74
57
37
34
29
30
56
55
73
43
44
50
62
A
A
59
61
60
63
64
66
20
67
65
47
32
45
68
69
46
54
58
69
68
75
- 14 -
NOTE( 注記 ) #01....FOR A*081E/081P,AN081C *081 /081 P,AN 081
#02....FOR A*08HE *08 HE
#03....FOR A*081E/081P *081 /081
#04....FOR A*081E/08HE *081 /08 HE
#05....FOR A*081P *081
#06....FOR AF* AF *用
REF.NO NOTE PART NO D E S C R I P T I O N
品 名
Qty
1 E1115-706-A00 SLIDE PLATE
スライドプレート
1
2 SM-1030601-SC SCREW M3 L=6
皿小ねじ M 0.5 L =6
2
3 E1005-706-CA0 X-AXIS ADJUSTING BRACKET ASM.
軸調整ブラケット組
1
4 SL-5030635-SN SCREW
なべ小ねじ
2
5
#06
E1002-706-000 X-AXIS POSITIONING PIN B
軸基準ピン
1
6
#06
SM-8030402-TP SCREW M3X0.5 L=4
止めねじ
1
7 E1006-706-C00 X-AXIS ADJUSTING SHAFT
軸調整シャフト
1
8 SM-8030402-TP SCREW M3X0.5 L=4
止めねじ
1
9
#01
E2103-706-CA0 WHEEL 4MM ASM.
ホイール 4 MM
1
10 E1100-706-000 WHEEL SHAFT
ホイールシャフト
1
11 NM-6040001-SC NUT M4
六角ナット M
1
12 E1104-706-000 WHEEL COLLAR
ホイールカラー
1
13 E1105-706-000 POLY SLIDER
ポリスライダー
1
14 400-50673 WHEEL RING
ホイールリング
1
15 E1106-706-0A0 SWING PLATE ASM.
スイングプレート組
1
16 E1107-706-000 WASHER
スイングプレート止め座金
1
17 E6350-705-000 RATCHET SP
ラチェット SP
1
18 RE-0200000-K0 E-RING
形止め輪 2
1
19 E6386-705-000 SCREW
シャッターレバー段ねじ
1
20 E4901-760-000 POLY SLIDER THRUST WASHER
ポリスライダスラストワッシャ
1
21 E1111-706-000 RACHET HOOK STOPPER
ラチェット爪ストッパー
1
22 SL-5030831-SF SCREW
止めねじ
1
23 E1115-706-AB0 KNOCK LEVER LINK ASM.
ノックレバーリンク組
1
24 E1116-706-A00 FREE LINK COLLAR
フリーリンクカラー
1
25 E1117-706-A00 SCREW
フリーリンク段ねじ
1
26 E1116-706-C00 KNOCK LEVER SHAFT
ノックレバー軸
1
27
#02
E1112-706-C00 STOPPER HOOK 2MM
ストッパ爪 2 MM
1
28 E1113-706-C00 STOPPER SP
ストッパ SP
1
29 SL-5030635-SN SCREW
なべ小ねじ
1
30 WP-0531001-SC WASHER
平座金ミガキ丸 M
1
31 E6490-705-000 COLLAR
ラチェット爪調整偏芯カラー
1
32 400-55254 SCREW M3X5 MEC
メックねじ M3X5
1
33
#02
E6822-705-000 STOPPER 8-2
ストッパ 8−2
1
34 SL-5031031-SN SCREW
座金付きねじ
1
35 WP-0430801-SC WASHER 4.3X9X0.8
平座金 4.3X9X0
1
36 E1122-706-C00 STOPPER ECCENTRIC SHAFT
ストッパ偏芯シャフト
1
37 WP-0430801-SC WASHER 4.3X9X0.8
平座金 4.3X9X0
1
38 WS-0410002-KN SPRING WASHER
ばね座金 M
1
39 NM-6040001-SC NUT M4
六角ナット M
1
40 E6322-705-000 PIN
偏芯ピン
1
41 NM-6030001-SN NUT
六角ナット
1
42
#01
E1202-706-AA0 UPPER COVER 08 ASM.
アッパーカバー08組
1
43 E1203-706-A00 UPPER COVER SHAFT
アッパーカバーシャフト
1
44 SM-8040402-TP SCREW M4X0.7 L=4
止めねじ M 0.7 L =4
1
45 E1211-706-C00-A UPPER COVER HOOK
アッパーカバーフック
1
46 E1212-706-000 HOOK SHAFT
フックシャフト
1
47 E1213-706-000 HOOK SP
フック SP
1
48 E1214-706-000 FRONT BRACKET
フロントブラケット
1
49 SM-5030555-SC SCREW
バインドねじ
2
50 E1300-706-000 RETURN SP
リターン SP
1
51 E1333-706-A00 TAPE HOLDE PLATE
カバーテープ保持板
1
52 SM-0030601-SC SCREW M3X0.5 L=6
トラス小ねじ M 0.5 L =6
1
53 NM-6030001-SC NUT M3
六角ナット M 0.5 1種
1
54 400-52050 SCREW M3X6 MEC
メックねじ M3X6
1
55
#04
E1403-706-C00 THROAT GUIDE
スロートガイド
1
56 SM-1030601-SC SCREW M3 L=6
皿小ねじ M 0.5 L =6
1
57 E1400-706-C00 GUIDE COVER
ガイドカバー
1
58 E1406-706-C00 GUIDE COVER SCREW
カイドカバースクリュ
5
59 SM-8030302-TP SCREW M3X0.5 L=3
止めねじ M 0.5 L =3
1
60 E1401-706-A00 TAPE GUIDE L
テープガイド
1
61 SM-5030555-SC SCREW
バインドねじ
1
62 E1402-706-AA0 GUIDE PLATE ASM.
キャリアテープ支持板組
1
63 E5336-706-000 TAPE GUIDE ROLLER SH24
テープガイドローラー SH 24
(1)
64 E1332-706-A00 TAPE GUIDE ROLLER
テープガイドローラー
(1)
65 WS-0310002-KN SPRING WASHER M3
ばね座金 3.1 5.9 0.7
(1)
66 NM-6030001-SC NUT M3
六角ナット M 0.5 1種
(1)
67 E1404-706-A00 CARRIER TAPE SHAFT
キャリアテープシャフト
1
68 E6344-705-000 TAPE GUIDE
テープガイド
2
69 400-52050 SCREW M3X6 MEC
メックねじ M3X6
2
70
#02
E1103-706-CA0 WHEEL 2MM ASM.
ホイール 2 MM
1
71
#03
E2112-706-C00 STOPPER HOOK 4MM
ストッパ爪 4 MM
1
72
#03
E6804-705-000 STOPPER 8-4
ストッパー 8−4
1
73
#05
E2403-706-C00 THROAT GUIDE 08
スロートガイド08
1
74
#02
E1201-706-AA0-A UPPER COVER 05 ASM.
アッパーカバー05組
1
75 WP-0320501-SC WASHER M3
平座金 3.2X7X0
1