ATF-Rev09.pdf - 第17页
- 14 - NOTE( 注記 ) #01....FOR A*081E/081P,AN081C A *081 E /081 P,AN 081 C 用 #02....FOR A*08HE A *08 HE 用 #03....FOR A*081E/081P A *081 E /081 P 用 #04....FOR A*081E/08HE A *081 E /08 HE 用 #05....FOR A*081P A *081 P 用 #06..…

- 13 -
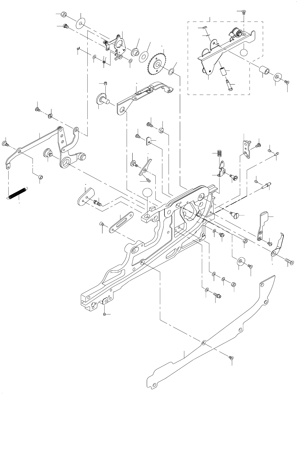
7. AF08HE/081P/081E,AN08HE/081P/081E/081C (1)
10
48
6
4
5
21
22
49
13
23
9
70
14
11
12
15
31
19
26
7
8
2
1
3
16
17
18
24
25
51
52
53
33
72
36
27
71
40
35
38
39
28
41
42
74
57
37
34
29
30
56
55
73
43
44
50
62
A
A
59
61
60
63
64
66
20
67
65
47
32
45
68
69
46
54
58
69
68
75

- 14 -
NOTE( 注記 ) #01....FOR A*081E/081P,AN081C A *081 E /081 P,AN 081 C 用
#02....FOR A*08HE A *08 HE 用
#03....FOR A*081E/081P A *081 E /081 P 用
#04....FOR A*081E/08HE A *081 E /08 HE 用
#05....FOR A*081P A *081 P 用
#06....FOR AF* AF *用
REF.NO NOTE PART NO D E S C R I P T I O N
品 名
Qty
1 E1115-706-A00 SLIDE PLATE
スライドプレート
1
2 SM-1030601-SC SCREW M3 L=6
皿小ねじ M 3 X 0.5 L =6
2
3 E1005-706-CA0 X-AXIS ADJUSTING BRACKET ASM.
X 軸調整ブラケット組
1
4 SL-5030635-SN SCREW
なべ小ねじ
2
5
#06
E1002-706-000 X-AXIS POSITIONING PIN B
X 軸基準ピン B
1
6
#06
SM-8030402-TP SCREW M3X0.5 L=4
止めねじ
1
7 E1006-706-C00 X-AXIS ADJUSTING SHAFT
X 軸調整シャフト
1
8 SM-8030402-TP SCREW M3X0.5 L=4
止めねじ
1
9
#01
E2103-706-CA0 WHEEL 4MM ASM.
ホイール 4 MM 組
1
10 E1100-706-000 WHEEL SHAFT
ホイールシャフト
1
11 NM-6040001-SC NUT M4
六角ナット M 4
1
12 E1104-706-000 WHEEL COLLAR
ホイールカラー
1
13 E1105-706-000 POLY SLIDER
ポリスライダー
1
14 400-50673 WHEEL RING
ホイールリング
1
15 E1106-706-0A0 SWING PLATE ASM.
スイングプレート組
1
16 E1107-706-000 WASHER
スイングプレート止め座金
1
17 E6350-705-000 RATCHET SP
ラチェット SP
1
18 RE-0200000-K0 E-RING
E 形止め輪 2
1
19 E6386-705-000 SCREW
シャッターレバー段ねじ
1
20 E4901-760-000 POLY SLIDER THRUST WASHER
ポリスライダスラストワッシャ
1
21 E1111-706-000 RACHET HOOK STOPPER
ラチェット爪ストッパー
1
22 SL-5030831-SF SCREW
止めねじ
1
23 E1115-706-AB0 KNOCK LEVER LINK ASM.
ノックレバーリンク組
1
24 E1116-706-A00 FREE LINK COLLAR
フリーリンクカラー
1
25 E1117-706-A00 SCREW
フリーリンク段ねじ
1
26 E1116-706-C00 KNOCK LEVER SHAFT
ノックレバー軸
1
27
#02
E1112-706-C00 STOPPER HOOK 2MM
ストッパ爪 2 MM
1
28 E1113-706-C00 STOPPER SP
ストッパ SP
1
29 SL-5030635-SN SCREW
なべ小ねじ
1
30 WP-0531001-SC WASHER
平座金ミガキ丸 M 5
1
31 E6490-705-000 COLLAR
ラチェット爪調整偏芯カラー
1
32 400-55254 SCREW M3X5 MEC
メックねじ M3X5
1
33
#02
E6822-705-000 STOPPER 8-2
ストッパ 8−2
1
34 SL-5031031-SN SCREW
座金付きねじ
1
35 WP-0430801-SC WASHER 4.3X9X0.8
平座金 4.3X9X0.8
1
36 E1122-706-C00 STOPPER ECCENTRIC SHAFT
ストッパ偏芯シャフト
1
37 WP-0430801-SC WASHER 4.3X9X0.8
平座金 4.3X9X0.8
1
38 WS-0410002-KN SPRING WASHER
ばね座金 M 4
1
39 NM-6040001-SC NUT M4
六角ナット M 4
1
40 E6322-705-000 PIN
偏芯ピン
1
41 NM-6030001-SN NUT
六角ナット
1
42
#01
E1202-706-AA0 UPPER COVER 08 ASM.
アッパーカバー08組
1
43 E1203-706-A00 UPPER COVER SHAFT
アッパーカバーシャフト
1
44 SM-8040402-TP SCREW M4X0.7 L=4
止めねじ M 4 X 0.7 L =4
1
45 E1211-706-C00-A UPPER COVER HOOK
アッパーカバーフック
1
46 E1212-706-000 HOOK SHAFT
フックシャフト
1
47 E1213-706-000 HOOK SP
フック SP
1
48 E1214-706-000 FRONT BRACKET
フロントブラケット
1
49 SM-5030555-SC SCREW
バインドねじ
2
50 E1300-706-000 RETURN SP
リターン SP
1
51 E1333-706-A00 TAPE HOLDE PLATE
カバーテープ保持板
1
52 SM-0030601-SC SCREW M3X0.5 L=6
トラス小ねじ M 3 X 0.5 L =6
1
53 NM-6030001-SC NUT M3
六角ナット M 3 X 0.5 1種
1
54 400-52050 SCREW M3X6 MEC
メックねじ M3X6
1
55
#04
E1403-706-C00 THROAT GUIDE
スロートガイド
1
56 SM-1030601-SC SCREW M3 L=6
皿小ねじ M 3 X 0.5 L =6
1
57 E1400-706-C00 GUIDE COVER
ガイドカバー
1
58 E1406-706-C00 GUIDE COVER SCREW
カイドカバースクリュ
5
59 SM-8030302-TP SCREW M3X0.5 L=3
止めねじ M 3 X 0.5 L =3
1
60 E1401-706-A00 TAPE GUIDE L
テープガイド L
1
61 SM-5030555-SC SCREW
バインドねじ
1
62 E1402-706-AA0 GUIDE PLATE ASM.
キャリアテープ支持板組
1
63 E5336-706-000 TAPE GUIDE ROLLER SH24
テープガイドローラー SH 24
(1)
64 E1332-706-A00 TAPE GUIDE ROLLER
テープガイドローラー
(1)
65 WS-0310002-KN SPRING WASHER M3
ばね座金 3.1 X 5.9 X 0.7
(1)
66 NM-6030001-SC NUT M3
六角ナット M 3 X 0.5 1種
(1)
67 E1404-706-A00 CARRIER TAPE SHAFT
キャリアテープシャフト
1
68 E6344-705-000 TAPE GUIDE
テープガイド
2
69 400-52050 SCREW M3X6 MEC
メックねじ M3X6
2
70
#02
E1103-706-CA0 WHEEL 2MM ASM.
ホイール 2 MM 組
1
71
#03
E2112-706-C00 STOPPER HOOK 4MM
ストッパ爪 4 MM
1
72
#03
E6804-705-000 STOPPER 8-4
ストッパー 8−4
1
73
#05
E2403-706-C00 THROAT GUIDE 08
スロートガイド08
1
74
#02
E1201-706-AA0-A UPPER COVER 05 ASM.
アッパーカバー05組
1
75 WP-0320501-SC WASHER M3
平座金 3.2X7X0.5
1

- 15 -
8. AF08HE/081P/081E,AN08HE/081P/081E/081C (1)
10
48
6
4
5
21
22
49
13
23
9
70
14
11
12
15
31
19
26
7
8
2
1
3
16
17
18
24
25
33
72
36
27
71
40
35
38
39
28
41
42
52
57
37
34
29
30
56
55
73
43
44
50
74
A
59
61
60
20
47
32
45
68
69
46
58
53
A
51
68
69
62
54
67
64
63
66
65