JM-100-Rev00.pdf - 第96页
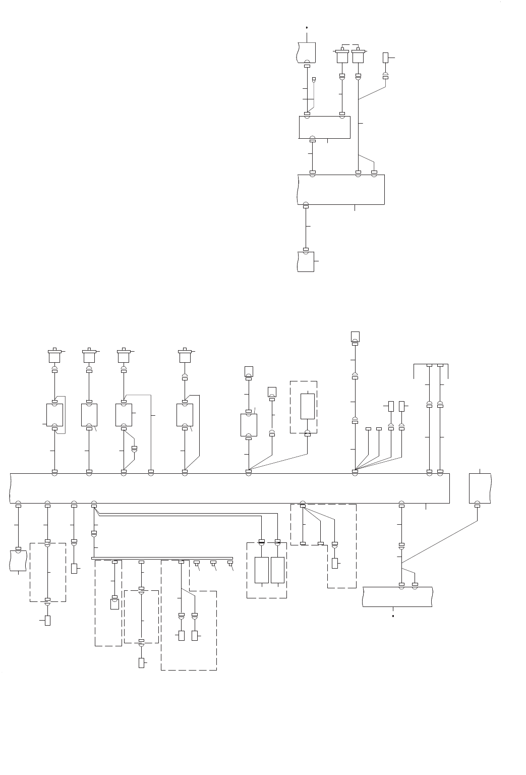
- 91 - 46. SYSTEM DIAGRAM (4) SYSTEM DIAGRA M ( 4 ) 㹁㹌㸯㸮㸶㸷 㹁㹌㸯㸮㸶㸷㸫㸯 㹁㹌㸯㸮㸶㸷㸫㸰 㸿㹒㹁ࠉ㹑㹔 㸿㹒㹁㸯ࠉ㹑㸬㹔㸬 㹃㹌ࠉ㹍㹎㹒㹇 㹍㹌 㹃㹌ࠉ㹍㹎㹒㹇 㹍㹌 㹄㹅 㹁㹌ࠉ㸿㸯㸱 㹁㹌ࠉ㸿㸯㸱 㸿㹁 㸰㸫㸯㹀 㹃㹊㹃㹁㹒㹐㹇㹁 㸿㹊ࠉ㹓㹌㹇㹒ࠉ㸿 㹁㹌㸯㸯㸮㸰 㹁㹌㸰 㹁㹌㸯㸯㸮㸵 㹁㹌㸯㸯㸮㸲 㹀㹓ࠉ㹃㹌㹁 㹍㹂㹃㹐 㹁㹌㸴㸴㸶 㸿㹕㹁ࠉ㹍㹎 㹒㹇㹍㹌 㹁㹌㸯㸮㸴…

- 90 -
NOTE( 注記 ) #01....OPTIONAL PARTS(EN) オプション部品(EN)
#02....OPTIONAL PARTS オプション部品
REF.NO NOTE PART NO D E S C R I P T I O N
品 名
Qty
1 401-28871 IO CONTROL PCB ASM
IOコントロール基板組
1
2 401-29323 IO-R BKR SERIAL CABLE ASM
IO−R BKR シリアルケーブル組
1
3 402-06240 MI BANK RELAY PCB ASM
MI バンク中継基板組
1
4 402-09949 SAFETY PCB ASM
安全基板組
1
5 401-82246 R BKR-SF CABLE ASM
R BKR−SFケーブル組
1
6 402-05729 SF-YC TOP SENS RELAY CABLE ASM
SF−YC トップセンサ中継ケーブル組
1
7 401-65028 XY LMT SENSOR ASM
XY リミットセンサ組
1
8
#02
400-02254 COVER OPEN SW CABLE ASM
カバーオープンスイッチケーブル組
1
9
#01
401-46405 COVER LOCK SV ASM
カバーロックSV組
1
10 402-05769 CO OP SW REAR CABLE ASM
CO OPスイッチリアケーブル組
1
11 HD-0028100-00 SENSOR
センサー
1
12 401-82268 MTS I/F CABLE ASM
MTS I/Fケーブル組
1
13 402-05733 MTS I/F CABLE2 ASM
MTS I/F ケーブル2組
1
14 401-29336 MTS I/F BR CABLE ASM
MTS I/F BRケーブル組
1
15 401-28875 CONVEYOR PCB ASM
搬送基板組
1
16 402-05748 BKR-FDR IF CABLE ASM
BKR−FDR IFケーブル組
1
17 401-36610 MI BANK RLY CABLE ASM
MI バンク中継ケーブル組
1
18 401-29073 F BKR-EU TOP PWR CABLE ASM
F BKR−EU トップパワーケーブル組
1
19 402-06696 ASM_JM100_POWER_SUPPLY_UNIT_B
JM100_電装ユニット_B
1
20
#01
402-06708 ASM_JM100_POWER_SPLY_UNIT_B_EN
JM100_電装ユニット_B_EN
1
21 402-05749 CONNECTOR BKT PWR CABLE ASM
コネクタBKT電源ケーブル組
1
22 401-36611 MI BANK CABLE ASM
MI バンクケーブル組
1
23 401-30360 FEEDER I/F PCB ASM
フィーダI/F基板組
1
24 402-05750 RADIAL CB CABLE 1 ASM
RADIAL CBケーブル1組
1
25 402-05751 RADIAL CB CABLE 2 ASM
RADIAL CBケーブル2組
1
26 402-05752 RADIAL CB CABLE 3 ASM
RADIAL CBケーブル3組
1
27 402-05753 RADIAL CB CABLE 4 ASM
RADIAL CBケーブル4組
1
28 402-05754 RADIAL CB CABLE 5 ASM
RADIAL CBケーブル5組
1
29
#02
402-05745 FD FLOAT L CABLE ASM
FD フロート Lケーブル組
1
30
#02
401-81501 SEPARATE SENSOR RECEIVER ASM
セパレートセンサ_受光組
1
31
#02
401-81502 SEPARATE SENSOR EMISSION ASM
セパレートセンサ_投光組
1
32
#02
402-05744 FD FLOAT R CABLE ASM
FD フロート Rケーブル組
1
33
#02
402-05746 BANK UP SENSOR CABLE ASM
バンクアップセンサケーブル組
1
34
#02
401-29042 AWC/BU ORG SENSOR CABLE ASM
AWC/BU 原点センサワイヤー組
1
35 402-05747 BANK PWR SW CABLE ASM
バンク電源スイッチケーブル組
1
36 401-37307 BANK POWER SW F/R ASM
バンク電源スイッチF/R組
1
37 401-29082 R BKR-OPSW RELAY CABLE ASM
R BKR−OPSW 中継ケーブル組
1
38 401-90601 START SW CABLE ASM
スタートスイッチケーブル組
1
39 401-90602 STOP SW CABLE ASM
ストップスイッチケーブル組
1
40
#02
402-05714 CONSOLE SW CABLE ASM
コンソールスイッチケーブル組
1
41 401-29025 EMG SW CABLE ASM
エマージェンシースイッチケーブル組
1
42 401-29151 R BKR-AIR(N) RELAY CABLE ASM
R BKR−AIR(N)リレーケーブル組
1
43 401-29080 AIR(N) SENSOR CABLE ASM
AIR(N)センサケーブル組
1
44
#02
402-05755 BANK CABLE ASM
バンクケーブル組
1

- 91 -
46.SYSTEM DIAGRAM (4)
SYSTEM DIAGRAM ( 4 )
㹁㹌㸯㸮㸶㸷
㹁㹌㸯㸮㸶㸷㸫㸯
㹁㹌㸯㸮㸶㸷㸫㸰
㸿㹒㹁ࠉ㹑㹔
㸿㹒㹁㸯ࠉ㹑㸬㹔㸬
㹃㹌ࠉ㹍㹎㹒㹇㹍㹌
㹃㹌ࠉ㹍㹎㹒㹇㹍㹌
㹄㹅
㹁㹌ࠉ㸿㸯㸱
㹁㹌ࠉ㸿㸯㸱
㸿㹁
㸰㸫㸯㹀
㹃㹊㹃㹁㹒㹐㹇㹁㸿㹊ࠉ㹓㹌㹇㹒ࠉ㸿
㹁㹌㸯㸯㸮㸰
㹁㹌㸰
㹁㹌㸯㸯㸮㸵
㹁㹌㸯㸯㸮㸲
㹀㹓ࠉ㹃㹌㹁㹍㹂㹃㹐
㹁㹌㸴㸴㸶
㸿㹕㹁ࠉ㹍㹎㹒㹇㹍㹌
㹁㹌㸯㸮㸴㸵
㹍㹐㹅ࠉ㹑㹃㹌㹑㹍㹐㸦㹀㹓㸧
㹑㹒㸿㹌㹂㸿㹐㹂
㹕㸿㹇㹒
㹕㸿㹇㹒ࠉ㹑㹃㹌㹑㹍㹐
㹊㸭㹐㸫㹑㹒㹍㹎ࠉ㹑㹔
㹑㹒㹍㹎㹎㹃㹐ࠉ㹑㹔
㹊㸫㹑㹒㹍㹎ࠉ㹑㹔
㹋ࠉ㹑㹒㹍㹎㹎㹃㹐㹙㹊㹛ࠉ㹑㸬㹔㸬
㹀㹓ࠉ㹊㹍㹁㹉
㹑㹃㹌㹑㹍㹐
㹑㹒㸿㹌㹂㸿㹐㹂
㹑㹒㹍㹎ࠉ㹑㹃㹌㹑㹍㹐
㹑㹒㹍㹎
㹁㹍㹓㹒
㹁㹍㹓㹒ࠉ㹑㹃㹌㹑㹍㹐
㹊㹋㸳㹔
㹊㹃㹄㹒ࠉ㹋㹍㹒㹍㹐
㹊㹃㹄㹒ࠉ㹂㹐㹇㹔㹃㹐
㹁㹋㸫㸯
㹁㹌㸯
㹁㹌㸰
㹁㹋㸫㸰 㹁㹌㸲㸷㸴㹐
㹀㹓ࠉ㹋㹍㹒㹍㹐
㹀㹓㹋
㹁㹌㸲
㹀㹓ࠉ㹑㹃㹐㹔㹍ࠉ㹂㹐㹇㹔㹃㹐
㹁㹌㸵
㹋㹍㹒㹍㹐
㹀㹓ࠉ㹊㹍㹁㹉
㹁㹌㸯㸮㸵㸶㸫㸱
㹀㹓ࠉ㹊㹍㹁㹉ࠉ㹑㸬㹔㸬
㹁㹌㸯㸮㸵㸰
㸦㹍㹎㸧ࠉ㹁㹍㹌㹔㹃㹗㹍㹐ࠉ
㹃㹖㹒㹃㹌㹑㹇㹍㹌ࠉ㸯㸳㸮㹫㹫ࠉ㹭㹰ࠉ㸰㸳㸮㹫㹫
㹁㹌㸯㸮㸵㸰
㹁㹌㸯㸮㸵㸰
㸦㹍㹎㸧ࠉ㹁㹍㹌㹔㹃㹗㹍㹐ࠉ
㹃㹖㹒㹃㹌㹑㹇㹍㹌ࠉ㸯㸳㸮㹫㹫ࠉ㹭㹰ࠉ㸰㸳㸮㹫㹫
㹁㹌㸯㸮㸴㸳
㹁㹌㸯㸮㸴㸳
㸲㸫㸰㹂
㸲㸫㸯㸿
㹁㹍㹌㹔㹃㹗㹍㹐ࠉ㹎㹁㹀ࠉ㸦㹊㸧
㹁㹌㸯㸯㸰㸶
㹁㹌㸰㸶
㹁㹌㸮㸱㸮㸵
㹁㹌㸵
㹇㹍ࠉ㹁㹍㹌㹒㹐㹍㹊ࠉ㹎㹁㹀
㹁㹌㸯㸶
㸲㸫㸲㹁
㹁㹍㹌㹔㹃㹗㹍㹐ࠉ㹎㹁㹀ࠉ㸦㹊㸧
㸱㸫㸯㹂
㹐㹇㹅㹆㹒ࠉ㹋㹍㹒㹍㹐
㹐㹇㹅㹆㹒ࠉ㹂㹐㹇㹔㹃㹐
㹁㹌㸯㸯㸯㸶
㹁㹌㸮㸮㸯㸱
㹁㹌㸯㸱
㹁㹌㸯㸮㸷㸯
㹑㹀㸯㹑㹀㹊㸯
㸲㸫㸱㹁
㹁㹌㸯㸯
㹁㹌㸯㸮㸯㸯
㹁㹌㸶
㹁㹌㸯㸮㸮㸶
㹑㹋㹃㹋㸿
㹑㹋㹃㹋㸿
㸳㸫㸱㸿
㸱㸫㸱㸿
㸱㸫㸯㸿
㹁㸿㹊ࠉ㹔㸿㹁
㹁㹌㸯㸮㸵㸶㸫㸶ࠉ㹑㹋㹃㹋㸿
㹁㹌㸯㸮㸵㸶㸫㸵ࠉ㹂㹇㹐
㹁㹌㸯㸮㸵㸶㸫㸴ࠉ㹇㹂㹊㹃
㹁㹌㸯㸮㸵㸶㸫㹑㸳
㹁㹌㸯㸮㸵㸶㸫㹑㸲
㹁㹌㸯㸮㸷㸴
㹁㹌㸯㸮㸷㸳
㹄㹊㹓㹖㹃㹐ࠉ㸰㹎
㹄㹊㹓㹖㹃㹐ࠉ㸲㹎
㹁㹍㹌㹔㹃㹗㹍㹐ࠉ㹎㹁㹀ࠉ㸦㹐㸧
㹁㹌㸯㸴
㹁㹌㸯㸮㸯㸴
㹁㹌㸯㸷
㹁㹌㸯㸮㸯㸷
㹑㹋㹃㹋㸿ࠉ㹐ࠉ㹑㹇㹂㹃
㹑㹋㹃㹋㸿ࠉ㹊ࠉ㹑㹇㹂㹃
㹁㹍㹔㹃㹐
㹁㹌㸰㸴
㹁㹌㸯㸮㸰㸴
㹀㹓ࠉ㹊㹍㹁㹉
㹁㹌㸯㸮㸵㸲
㹁㹌㸯㸮㸵㸱
㹁㹌㸰㸳
㹁㹌㸯㸮㸰㸳
㸿㹒㹁ࠉ㹑㹃㹌㹑㹍㹐ࠉ㹁㹊㹍㹑㹃
㹁㹌㸯㸮㸶㸶
㸿㹒㹁ࠉ㹑㹃㹌㹑㹍㹐ࠉ㹍㹎㹃㹌
㹁㹌㸯㸮㸶㸵
㹁㹌㸯㸮㸶㸷
㹁㹌㸰㸲
㹁㹌㸯㸮㸰㸲
㹁㸿㹊ࠉ㹔㸿㹁㹓㹓㹋ࠉ㹑㸬㹔㸬
㹁㹌㸯㸮㸶㸰
㹁㹌㸯
㹁㹌㸰
㹁㹌㸯㸮㸷㸳
㹁㸿㹊ࠉ㹀㹊㹍㹁㹉ࠉ㹎㹁㹀
㹀㹓ࠉ㹎㹇㹌ࠉ㹂㹃㹒㹃㹁㹒ࠉ
㹑㹃㹌㹑㹍㹐㸦㹃㹋㹇㸧
㹁㹌㸲㸲㸱
㹀㹓ࠉ㹎㹇㹌ࠉ㹂㹃㹒㹃㹁㹒ࠉ
㹑㹃㹌㹑㹍㹐㸦㹐㹃㹁㸧
㹁㹌㸲㸲㸲
㹑㹇㹂㹃ࠉ㹑㹃㹌㹑㹍㹐㸦㹊㸧
㹁㹌㸯㸮㸵㸰
㹑㹀㹊㸯ࠉࠉ
㸫㹎㸿㹌㹃㹊
㹁㹌㸯㸲
㹁㹌㸯㸮㸯㸲
㹁㹌㸯㸮㸵㸷
㹁㹌㸱㸮
㹁㹌㸯㸮㸱㸮
㹁㸿㹊ࠉ㹔㸿㹁㹓㹓㹋ࠉ㹑㹃㹌㹑㹍㹐
㹁㹌㸯㸮㸰㸷
㹁㹌㸰㸷
㹁㹌㸯㸮㸴㸳
㹑㹇㹂㹃ࠉ㹑㹃㹌㹑㹍㹐㸦㹐㸧
㹁㹌㸲
㹁㹌㸯㸮㸮㸲 㹁㹌㸯㸮㸳㸵
㹁㹌㸯
㹁㹌㸰
㹁㹌㸯㸮㸳㸶
㸳㹎㹆㸿㹑㹃ࠉ㸿㹕㹁ࠉ㹂㹐㹇㹔㹃㹐
㹁㹌㸯㸮㸳㸷
㸿㹕㹁ࠉ㹋㹍㹒㹍㹐
㹁㹌㸴
㹁㹌㸱㸯
㹁㹌㸯㸮㸮㸴 㹁㹋㸫㸯
㹁㹌㸯
㹁㹌㸰
㹁㹋㸫㸰 㹁㹌㸲㸷㸴㹐
㹁㹌㸯㸮㸱㸯
㹁㹋㸫㸯
㹁㹌㸯
㹁㹌㸰
㹁㹌㸯㸮㸯㸶
㹁㹌㸯㸶
㹁㹌㸯㸮㸰㸶
㹁㹌㸰㸶
㹁㹋㸫㸰
㹁㹃㹌㹒㹍㹐ࠉ
㹂㹐㹇㹔㹃㹐
㹁㹌㸲㸷㸴㹁
㹁㹃㹌㹒㹍㹐ࠉ㹋㹍㹒㹍㹐
㹁㹌㸮㸱㸮㸱
㹁㹌㸮㸮㸯㸴
㹎㹍㹕㹃㹐ࠉ㹑㹓㹎㹎㹊㹗ࠉ㹓㹌㹇㹒ࠉ㹀
㹁㹌㸯㸴
㹁㹌㸱
㹇㹍ࠉ㹁㹍㹌㹒㹐㹍㹊ࠉ㹎㹁㹀
㸯
㸳
㸰
㸵
㸱㸴㸶 㸯㸮
㸷
㸯㸯
㸳
㸯㸳
㸯㸰
㸯
㸯㸱
㸯㸲
㸯㸶
㸯㸵㸯㸴
㸯㸷 㸯㸷
㸰㸮
㸰㸯
㸰㸰 㸰㸱
㸰㸳
㸰㸲
㸲
㸲㸴
㸲㸲
㸲㸳㸲㸳
㸲㸱 㸲㸱
㸲㸰
㸲㸯
㸲㸮
㸱㸷
㸱㸶
㸱㸳
㸱㸴
㸱㸵
㸱㸮 㸱㸲
㸰㸵
㸱㸱㸱㸯㸰㸷
㸱㸰
㸰㸵
㸰㸵
㸱㸮㸰㸶
㸰㸵
㸰㸴
㸲
㸲㸶
㸲㸵
㸲
㸲㸷
㸳㸮
㸳㸯
㸳㸰
㸳㸴
㸳㸳
㸳㸱 㸳㸲
㸳㸷
㸳㸵
㸳㸶

- 92 -
NOTE( 注記 ) #01....OPTIONAL PARTS(EN) オプション部品(EN)
#02....OPTIONAL PARTS オプション部品
REF.NO NOTE PART NO D E S C R I P T I O N
品 名
Qty
1 401-29046 SIDE SENSOR CABLE ASM
サイドセンサケーブル組
1
2 401-28871 IO CONTROL PCB ASM
IOコントロール基板組
1
3 401-82259 IO-R CNV SERIAL CABLE ASM
IO−R CNVシリアルケーブル組
1
4 401-28875 CONVEYOR PCB ASM
搬送基板組
1
5
#02
401-50822 IN/OUT SENS RLY CABLE ASM
LEFT/RHIGTセンサ中継ケーブル組
1
6 402-05742 SIDE(R) CABLE ASM
サイド(R)ケーブル組
1
7 401-29080 AIR(N) SENSOR CABLE ASM
エアー(N)センサケーブル組
1
8 401-29256 CONVEYOR(F)-CAL VAC(S/R) CABLE ASM
CONVEYOR(F)−CAL VAC(S/R)ケーブル組
1
9 400-47908 SBL2 CABLE ASM
センサブロックL2束線組
1
10 402-05740 CNV RELAY CABLE ASM
CNV中継ケーブル組
1
11
#01
401-29053 BU LOCK SV CABLE ASM
BUロックSV ケーブル組
1
12 401-82338 SIDE SENSOR(L) CABLE ASM
サイドセンサ(L)ケーブル組
1
13
#02
401-61237 BU PIN RECEIVE SENS ASM
BUピン受光センサ組
1
14
#02
401-61236 BU PIN EMISSION SENS ASM
BUピン投光センサ組
1
15
#02
401-82339 BU PIN DETECT SENSOR CABLE ASM
BUピン検出センサケーブル組
1
16 401-29056 CNV AUTO SET1 WIRE ASM
CNVオートセット1 ワイヤー組
1
17 401-29059 CNV AUTO SET2 WIRE ASM
CNVオートセット2 ワイヤー組
1
18 401-29060 CNV AUTO SET3 WIRE ASM
CNVオートセット3 ワイヤー組
1
19 402-05760 WAIT STOP COUT SENS ASM
ウェイトストップCOUTセンサ組
1
20
#01
402-05741 BU CLINCH UNIT SENS CABLE ASM
BUクリンチユニットセンサケーブル組
1
21
#01
400-92574 BU LOCK SENS ASM
BU ロックセンサ組
1
22 402-06696 ASM_JM100_POWER_SUPPLY_UNIT_B
JM100_電装ユニット_B
1
23
#01
402-06708 ASM_JM100_POWER_SPLY_UNIT_B_EN
JM100_電装ユニット_B_EN
1
24 401-82328 CNV PWR CABLE ASM
CNV電源ケーブル組
1
25 401-82329 CNV PWR RLY CABLE ASM
CNV電源中継ケーブル組
1
26 402-05735 C MOTOR CABLE ASM
C モータケーブル組
1
27 HM-0013200-00 MOTOR DRIVER
モータドライバ
1
28 400-48075 JOINT MOTOR ASM
ジョイントモータ組
1
29 402-05736 R MOTOR CABLE ASM
R モータケーブル組
1
30 401-58136 2PHASE STEPPING MOTOR
2相ステッピングモータ
1
31 402-05739 L MOTOR DRV CABLE ASM
L モータドライバケーブル組
1
32 402-05738 L MOTOR CABLE ASM
L モータケーブル組
1
33 402-05737 AWC MOTOR CABLE ASM
AWC モータケーブル組
1
34 401-29040 AWC MOTOR ASM
AWCモータ組
1
35 402-05743 CAL WAIT STP SV CABLE ASM
CALウェイトストップSVケーブル組
1
36 400-07376 CALBLOCK PCB ASM
CALブロック基板組
1
37 401-29260 CAL-VACUUM SV CABLE ASM
CAL−VACUUM SVケーブル組
1
38 401-56969 STOPPER SV CABLE ASM
ストッパSVケーブル組
1
39 402-05760 WAIT STOP COUT SENS ASM
ウェイトストップCOUTセンサ組
1
40 401-82340 CNV-ATC(F) CABLE ASM
CNV−ATC(F)ケーブル組
1
41 402-05761 ATC SV RELAY CABLE ASM
ATC SV中継ケーブル組
1
42 401-29261 ATC SV CABLE ASM
ATC SVケーブル組
1
43 401-29062 PHOTOMICRO SENSOR ASM
フォトマイクロセンサ組
1
44 401-82342 CNV-SMEMA L RELAY (F) CABLE ASM
CNV−SMEMA L中継(F)ケーブル組
1
45 401-29031 SMEMA CABLE ASM
スメマケーブル組
1
46 401-29029 CNV-SMEMA R RELAY (F) CABLE ASM
CNV−SMEMA R中継(F)ケーブル組
1
47 401-28871 IO CONTROL PCB ASM
IOコントロールキ基板組
1
48 401-82333 IO-L CNV SERIAL CABLE ASM
IO−L CNVシリアルケーブル組
1
49 402-00005 BU DRIVE CABLE ASM
BU ドライバケーブル組
1
50 401-29636 BU AXIS SERVO AMP
BU軸サーボドライバ
1
51 402-00006 BU DRIVE PWR CABLE ASM
BU ドライバ電源ケーブル組
1
52 401-10035 BU DRV FG CABLE ASM(EN)
BUドライバFGケーブル組(EN)
1
53 402-06695 ASM_JM100_ELECTRICAL_UNIT_A
JM100_電装ユニット_A
1
54
#01
402-06707 ASM_JM100_ELECTRICAL_UNIT_A_EN
JM100_電装ユニット_A_EN
1
55 402-00007 BU ENC/ORG RELAY CABLE ASM
BU ENC/ORG 中継ケーブル組
1
56 402-00195 BU MOTOR CABLE ASM
BU モータケーブル組
1
57 400-48076 BACK UP MOTOR ASM
バックアップモータ組
1
58 E9433-729-0A0 BU ENC ASM.
BU ENC組
1
59 401-29042 AWC/BU ORG SENSOR CABLE ASM
AWC/BU 原点センサワイヤー組
1