NPM-D3A 电路图.pdf - 第64页
CN12 N610159631AD +12VD-OUT 12G IN1 12 1 2 OUT1 IN2 OUT2 IN3 OUT3 5 3 6 4 10 IN4 7 OUT4 IN5 11 8 IN6 9 BU/WH BU BN/WH BN YE/WH YE GN/WH GN BK/WH BK RD/WH RD UL2464 (SPV840) 6P×24AWG(11/0.16TA) LF BK MOLEX CN12K328 43025-…

-K328
PNF0A5
Panel
Control Board
CN10
+12VD-OUT
12G
IN1
12
1
2
OUT1
IN2
OUT2
IN3
OUT3
5
3
6
4
10
IN4
7
OUT4
IN5
11
8
IN6
9
N610159658AE
BU/WH
BU
BN/WH
BN
YE/WH
YE
GN/WH
GN
BK/WH
BK
RD/WH
RD
UL2464 (SPV840) 6P×24AWG(11/0.16TA) LF BK
MOLEX
CN10K328
43025-1200
12
1
2
5
3
6
4
10
7
11
8
9
MOLEX
CN1K329
43025-1200
9
8
11
7
10
4
6
3
5
2
1
12
Note1) Note1)
2464C(BPF)VVP AWG#24×6P-B
5
4 5
MOLEX
CN1K329P
43020-1200
12
1
2
5
3
6
4
10
7
11
9
UL#24 80/300-0.2mm2 BU BU
1
2
3
JST
S103R
PAP-10V-S
4
5
6
7
8
9
10
1
2
3
JST
S101R
PAP-10V-S
4
5
6
7
8
9
10
1
2
3
JST
K329_1R
PAP-10V-S
4
5
6
7
8
9
10
1
2
3
JST
K329_2R
PAP-10V-S
4
5
6
7
8
9
10
1
2
3
JST
K329_3R
PAP-10V-S
4
5
6
7
8
9
10
UL#24 80/300-0.2mm2 BU BU
UL#24 80/300-0.2mm2 BU BU
UL#24 80/300-0.2mm2 BU BU
UL#24 80/300-0.2mm2 BU BU
UL#24 80/300-0.2mm2 BU BU
UL#24 80/300-0.2mm2 BU BU
UL#24 80/300-0.2mm2 BU BU
UL#24 80/300-0.2mm2 BU BU
UL#24 80/300-0.2mm2 BU BU
UL#24 80/300-0.2mm2 BU BU
UL#24 80/300-0.2mm2 BU BU
UL#24 80/300-0.2mm2 BU BU
UL#24 80/300-0.2mm2 BU BU
Front
EXCHANGE SW
1
2
3
4
5
6
7
8
9
10
B10B-PASK
A3UL-TBU-2A1C-M-SP4
OMRON
-S103
Front
SELECT SW
1
2
3
4
5
6
7
8
9
10
B10B-PASK
JST
A3UL-TBU-2A1C-M-SP2
OMRON
-K329_1
Front
STOP SW
1
2
3
4
5
6
7
8
9
10
B10B-PASK
JST
A3U-TBK-A1C-M-P5
OMRON
-K329_3
1
2
3
4
5
6
7
8
9
10
B10B-PASK
JST
A3US-SB-2M-AC
OMRON
-S101
Front
SERVO SW
A3UL-TBU-2A1C-M-SP1
OMRON
-K329_2
JST
B10B-PASK
1
2
3
4
5
6
7
8
9
10
Front
ACTIVATION SW
MTKC021301AC
6
6
6
6
6
6
Note1) Connector Pin arrangement is not sequential.
8
Panasonic Smart Factory Solutions Co.,Ltd. パナソニック スマートファクトリーソリューションズ株式会社
Name
Drawing No.
Loc. No.
F4K1020-05A
1
2 3 4 5 6 7 8
A
B
C
D
E
F
1 2 3 4 5 6 7 8
A
B
C
D
E
F
Page. No.
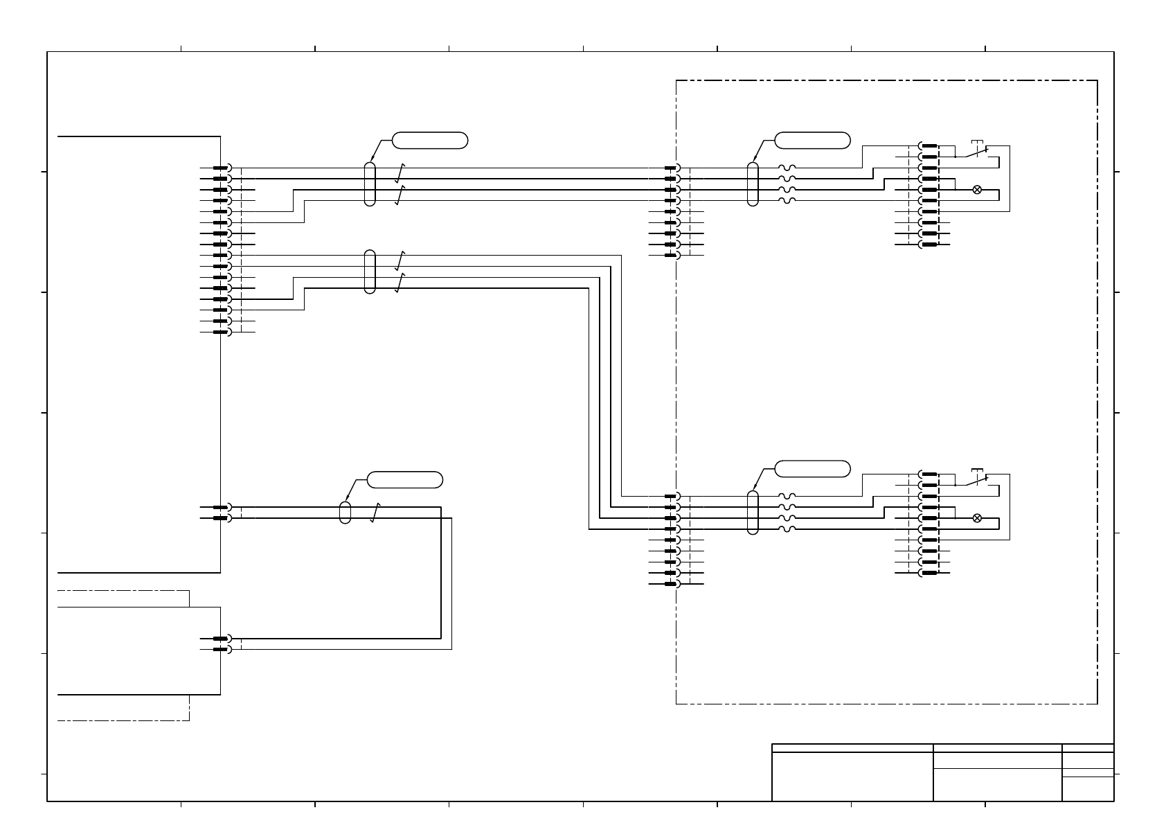
Main Body Wiring : NPM-D3
(Servo Switch Wiring Front)
N610159580+016AG
P016

CN12
N610159631AD
+12VD-OUT
12G
IN1
12
1
2
OUT1
IN2
OUT2
IN3
OUT3
5
3
6
4
10
IN4
7
OUT4
IN5
11
8
IN6
9
BU/WH
BU
BN/WH
BN
YE/WH
YE
GN/WH
GN
BK/WH
BK
RD/WH
RD
UL2464 (SPV840) 6P×24AWG(11/0.16TA) LF BK
MOLEX
CN12K328
43025-1200
12
1
2
5
3
6
4
10
7
11
8
9
MOLEX
CN1K330
43025-1200
9
8
11
7
10
4
6
3
5
2
1
12
-K328
PNF0A5
Panel
Control Board
Note1) Note1)
4
2464C(BPF)VVP AWG#24×6P-B
4
3
MOLEX
CN1K330P
43020-1200
12
1
2
5
3
6
4
10
7
11
8
9
1
2
3
JST
S113R
PAP-10V-S
4
5
6
7
8
9
10
1
2
3
JST
S111R
PAP-10V-S
4
5
6
7
8
9
10
1
2
3
JST
K330_1R
PAP-10V-S
4
5
6
7
8
9
10
1
2
3
JST
K330_2R
PAP-10V-S
4
5
6
7
8
9
10
1
2
3
JST
K330_3R
PAP-10V-S
4
5
6
7
8
9
10
Rear
EXCHANGE SW
1
2
3
4
5
6
7
8
9
10
B10B-PASK
A3UL-TBU-2A1C-M-SP4
OMRON
-S113
Rear
SELECT SW
1
2
3
4
5
6
7
8
9
10
B10B-PASK
JST
A3UL-TBU-2A1C-M-SP2
OMRON
-K330_1
Rear
STOP SW
1
2
3
4
5
6
7
8
9
10
B10B-PASK
JST
A3U-TBK-A1C-M-P5
OMRON
-K330_3
1
2
3
4
5
6
7
8
9
10
B10B-PASK
JST
A3US-SB-2M-AC
OMRON
-S111
Rear
SERVO SW
A3UL-TBU-2A1C-M-SP1
OMRON
-K330_2
JST
B10B-PASK
1
2
3
4
5
6
7
8
9
10
Rear
ACTIVATION SW
MTKC021302AC
5
5
5
5
5
5
Note1) Connector Pin arrangement is not sequential.
UL#24 80/300-0.2mm2 BU BU
UL#24 80/300-0.2mm2 BU BU
UL#24 80/300-0.2mm2 BU BU
UL#24 80/300-0.2mm2 BU BU
UL#24 80/300-0.2mm2 BU BU
UL#24 80/300-0.2mm2 BU BU
UL#24 80/300-0.2mm2 BU BU
UL#24 80/300-0.2mm2 BU BU
UL#24 80/300-0.2mm2 BU BU
UL#24 80/300-0.2mm2 BU BU
UL#24 80/300-0.2mm2 BU BU
UL#24 80/300-0.2mm2 BU BU
UL#24 80/300-0.2mm2 BU BU
UL#24 80/300-0.2mm2 BU BU
Panasonic Smart Factory Solutions Co.,Ltd. パナソニック スマートファクトリーソリューションズ株式会社
Name
Drawing No.
Loc. No.
F4K1020-05A
1
2 3 4 5 6 7 8
A
B
C
D
E
F
1 2 3 4 5 6 7 8
A
B
C
D
E
F
Page. No.
Main Body Wiring : NPM-D3
(Servo Switch Wiring Rear)
N610159580+017AF
P017

-A02
Power Unit 1
-K321
PNF0B4
ILK Board #1
CN-SRV
-K328
PNF0A5
CN11
CN15
Panel Control Board
N610112733** :Whole Cover (H):NPM-D
N610159588AD
N610159632AE
IN046
24GND
SERVO
COM
12G
START SWF
12G
1
2
3
CONNECTION STATUS SWF
+12VD-OUT
START LPF
4
5
6
7
8
+12VD-OUT
CONNECTION STATUS LPF
12G
START SWR
12G
9
10
11
CONNECTION STATUS SWR
+12VD-OUT
START LPR
12
13
14
15
16
+12VD-OUT
CONNECTION STATUS LPR
BK/WH
BK
UL2464 (SPV854) 1P×22AWG(17/0.16TA) LF BK
BK/WH
BK
RD/WH
RD
UL2464 (SPV840) 2P×24AWG(11/0.16TA) LF BK
BK/WH
BK
RD/WH
RD
UL2464 (SPV840) 2P×24AWG(11/0.16TA) LF BK
UL2464 (SPV924) 4×25AWG(40/0.08TA) LF BK
GN
RD
WH
BK
MTKC021305AA
MTKC021306AA
UL2464 (SPV924) 4×25AWG(40/0.08TA) LF BK
GN
RD
WH
BK
MOLEX
CN11K328
43025-1600
1
2
3
4
5
6
7
8
9
10
11
12
13
14
15
16
AMP
1S104P
177911-1
9
8
7
6
5
4
3
2
1
AMP
1S104R
177903-1
9
8
7
6
5
4
3
2
1
MOLEX
CN15K328
5557-02R-210
2
1
JST
CN-SRV
PAP-02V-S
2
1
AMP
1S114P
177911-1
9
8
7
6
5
4
3
2
1
AMP
1S114R
177903-1
9
8
7
6
5
4
3
2
1
1
2
1
2
Note1) Connector Pin arrangement is not sequential.
2464C(BPF)VVP AWG#24×2P-B
3
4
2464C(BPF)VVP AWG#24×2P-B
4
2464C(BPF)VVP AWG#22×1P-B
4
4
3 4
4
4
T/2464-3599 クロ LF 4×24AWG
4
T/2464-3599 クロ LF 4×24AWG
4
1
2
3
JST
S104R
PAP-10V-S
4
5
6
7
8
9
10
Front
START SW
A3UL-TBG-2A1C-M-SP3U
OMRON
-S104
JST
B10B-PASK
1
2
3
4
5
6
7
8
9
10
5
5
1
2
3
JST
S114R
PAP-10V-S
4
5
6
7
8
9
10
Rear
START SW
A3UL-TBG-2A1C-M-SP3U
OMRON
-S114
JST
B10B-PASK
1
2
3
4
5
6
7
8
9
10
5
5
Panasonic Smart Factory Solutions Co.,Ltd. パナソニック スマートファクトリーソリューションズ株式会社
Name
Drawing No.
Loc. No.
F4K1020-05A
1
2 3 4 5 6 7 8
A
B
C
D
E
F
1 2 3 4 5 6 7 8
A
B
C
D
E
F
Page. No.
Main Body Wiring : NPM-D3
(Operation Switch Wiring)
N610159580+018AF
P018