NPM-D3A 电路图.pdf - 第76页
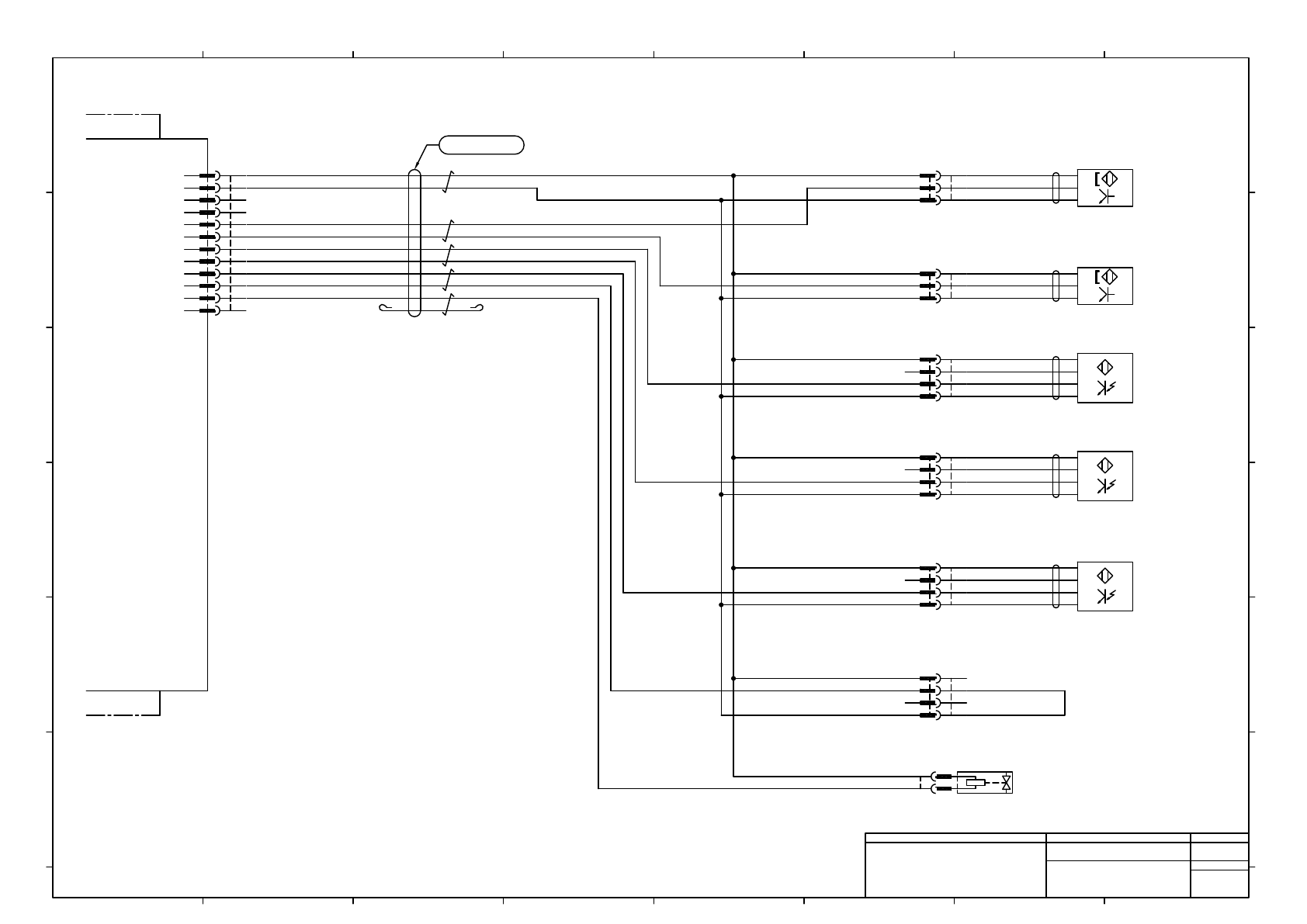
CHNG1 -A02 Power Unit 1 ILK Board #1 -K321 PNF0B4 1 12 10 11 6 7 2 3 4 5 8 9 -B03 EE-SX914-C2J-R 0.3M BN BK WH BU OMRON -B04 EE-SX914-C2J-R 0.3M BN BK WH BU OMRON -B05 EE-SX914-C2J-R 0.3M BN BK WH BU OMRON -R01 VQZ212-5M…

-B1216
D-M9N
BN
BK
BU
SMC
-K322
PNF0B3
I/O Board
-B1222
EE-SX914-C2J-R 0.5M
BN
BK
WH
BU
OMRON
Rear Cart Lock
Release
Confirmation
Rear Dust Box Detection
-S3217
D4N-9122
11 12
13 14
1
2
3
4
OMRON
Rear Cart
Setting
Check
-R4210
4GA130R-M5-A2NS-FL630985-3-ST
CKD
Rear Cart Lock
Rear Cart Lock Release
CNCLR
CNTCR
CNDUSTR
-R4212
4GA130R-M5-A2NS-FL630985-3-ST
CKD
Rear Tape Cutter
N610112857**
Feeder Cart Changing Unit(OPTION)
N610159669AF
N610159670AD
N610159668AD
24VOUT
24GND
IN216
IN217
24VOUT
24GND
N.C.
OT210
OT211
IN214
IN215
OT212
1
2
24VOUT
IN222
24GND
1
2
3
1
3
2
7
6
8
4
5
9
10
11
12
CKD
R4210
4GR-SOCKET-E-100-FL644151
-
+
AMP
CNTCRR
177898-1
2
1
AMP
CNCLRK322
177905-1
1
3
2
7
6
8
4
5
9
10
11
12
AMP
CNDUSTRR
177899-1
3
2
1
AMP
B1222R
177900-1
4
3
2
1
MOLEX
1B1216P
55836-1271
A1
A2
A3
A4
B1
B3
B4
C1
C2
C3
C4
AMP
B1216R
177899-1
3
2
1
MOLEX
1B1216R
51238-1212
C4
C3
C2
C1
B4
B3
B1
A4
A3
A2
A1
AMP
B1216P
177907-1
3
2
1
OMRON
S3217
XS2F-D421-D80-A
4
3
2
1
AMP
B1222P
177908-1
4
3
2
1
CKD
R4211
4GR-SOCKET-E-100-FL644151
-
+
CKD
R4212
4GR-SOCKET-E-100-FL644151
-
+
s
s
BK/WH
BK
RD/WH
RD
UL2464 (SPV840) 2P×24AWG(11/0.16TA) LF BK
BK/WH
BK
UL2464 (SPV840) 1P×24AWG(11/0.16TA) LF BK
BU/WH
BU
BN/WH
BN
YE/WH
YE
GN/WH
GN
BK/WH
BK
RD/WH
RD
UL2464 (SPV840)
6P×24AWG(11/0.16TA) LF BK
BK/WH
BK
RD/WH
RD
U-TKVV 2P-AWG20
2464C(BPF)VVP AWG#24×3P-B
GN/WH
GN
BK/WH
BK
RD/WH
RD
BK/WH
BK
RD/WH
RD
WH
BN
BK
BU
XS2F-D421-D80-A
B2
MOLEX
1B1216P
55836-1271
A1
A2
A3
A4
B1
B3
B4
C1
C2
C3
C4
MOLEX
1B1216R
51238-1212
C4
C3
C2
C1
B4
B3
B1
A4
A3
A2
A1
s
s
B2
B2 B2
Front Blow Switch Valve
-R4230
VQZ212-5MOZ1-M5-X550
SMC
-R4234
VQZ212-5MOZ1-M5-X550
SMC
Rear Blow Switch Valve
CNBLOW
N610159634AD
24VOUT
1
OT230
2
24VOUT
3
OT234
4
BK/WH
BK
RD/WH
RD
MOLEX
CNBLOW
43025-0400
4
3
2
1
SMC
R4230
SY100-29-1
-
+
SMC
R4234
SY100-29-1
-
+
UL2464 (SPV840) 2P×24AWG(11/0.16TA) LF BK
Note1) Connector Pin arrangement is not sequential.
Note1)
N610113079AC
-R4211
4GA130R-M5-A2NS-FL630985-3-ST
CKD
2464C(BPF)VVP AWG#24×6P-B
5
2464C(BPF)VVP AWG#24×1P-B
2464C(BPF)VVP AWG#24×2P-B
2464C(BPF)VVP AWG#24×2P-B
3
5
3
5
5
5
5
4
5
4
4
4
4
4
4
5
BK/WH
BK
RD/WH
RD
2464C(BPF)VVP AWG#24×2P-B
N610112994AE
4
2464C(BPF)VVP AWG#24×2P-B
Panasonic Smart Factory Solutions Co.,Ltd. パナソニック スマートファクトリーソリューションズ株式会社
Name
Drawing No.
Loc. No.
F4K1020-05A
1
2 3 4 5 6 7 8
A
B
C
D
E
F
1 2 3 4 5 6 7 8
A
B
C
D
E
F
Page. No.
Main Body Wiring : NPM-D3
(Cart Sensor Rear)
N610159580+028AF
P028

CHNG1
-A02
Power Unit 1
ILK Board #1
-K321
PNF0B4
1
12
10
11
6
7
2
3
4
5
8
9
-B03
EE-SX914-C2J-R 0.3M
BN
BK
WH
BU
OMRON
-B04
EE-SX914-C2J-R 0.3M
BN
BK
WH
BU
OMRON
-B05
EE-SX914-C2J-R 0.3M
BN
BK
WH
BU
OMRON
-R01
VQZ212-5MOZ1-M5-X550
SMC
Plate Identification Bit0
Plate Identification Bit1
Plate Identification Bit2
Nozzle Changer
Shutter Open
Nozzle Changer
Shutter Close
Nozzle Changer
Shutter Open
-B02
D-M9NV
BN
BK
BU
SMC
-B01
D-M9NV
BN
BK
BU
SMC
N610158337AD
Plate Identification Bit3
UL#24 80/300-0.2mm2 BU BU UL#24 80/300-0.2mm2
UL#24 80/300-0.2mm2 BU BU UL#24 80/300-0.2mm2
UL#24 80/300-0.2mm2 BU BU UL#24 80/300-0.2mm2
UL#24 80/300-0.2mm2 BU BU UL#24 80/300-0.2mm2
UL#24 80/300-0.2mm2 BU BU UL#24 80/300-0.2mm2
UL#24 80/300-0.2mm2 BU BU UL#24 80/300-0.2mm2
UL#24 80/300-0.2mm2 BU UL#24 80/300-0.2mm2
UL#24 80/300-0.2mm2 BU UL#24 80/300-0.2mm2
UL#24 80/300-0.2mm2 BU UL#24 80/300-0.2mm2
UL#24 80/300-0.2mm2 BU UL#24 80/300-0.2mm2
UL#24 80/300-0.2mm2 BU UL#24 80/300-0.2mm2
CP+24V
24GND
D+Main
D-Main
F-NG-OP-IN
F-NG-CL-IN
FPLATE#0
FPLATE#1
FPLATE#2
IN030
F-NG-OP-OUT
F-NG-CL-OUT
BN/WH
BN
YE/WH
YE
GN/WH
GN
BK/WH
BK
RD/WH
RD
UL2464 (SPV840) 5P×24AWG(11/0.16TA) LF BK
JST
CHNG1
PAP-12V-S
1
12
10
11
6
7
2
3
4
5
8
9
AMP
B01P
177907-1
3
2
1
AMP
B01R
177899-1
3
2
1
AMP
B02P
177907-1
3
2
1
AMP
B02R
177899-1
3
2
1
AMP
B03P
177908-1
4
3
2
1
AMP
B03R
177900-1
4
3
2
1
AMP
B04P
177908-1
4
3
2
1
AMP
B04R
177900-1
4
3
2
1
AMP
B05P
177908-1
4
3
2
1
AMP
B05R
177900-1
4
3
2
1
AMP
B06P
177908-1
4
3
2
1
AMP
B06R
177900-1
4
3
2
1
SMC
R01
SY100-29-1
-
+
UL#24 80/300-0.2mm2 BU UL#24 80/300-0.2mm2
Note1) Connector Pin arrangement is not sequential.
Note1)
1
1
1
1
1
1
1
2
2464C(BPF)VVP AWG#24×5P-B
3
3
2464-1061/ⅡA(PF) LF 5P×24AWG
2
Panasonic Smart Factory Solutions Co.,Ltd. パナソニック スマートファクトリーソリューションズ株式会社
Name
Drawing No.
Loc. No.
F4K1020-05A
1
2 3 4 5 6 7 8
A
B
C
D
E
F
1 2 3 4 5 6 7 8
A
B
C
D
E
F
Page. No.
Main Body Wiring : NPM-D3
(Nozzle Changer Front)
N610159580+029AD
P029

-A02
Power Unit 1
ILK Board #1
-K321
PNF0B4
1
12
10
11
6
7
2
3
4
5
8
9
-B13
EE-SX914-C2J-R 0.3M
BN
BK
WH
BU
OMRON
-B14
EE-SX914-C2J-R 0.3M
BN
BK
WH
BU
OMRON
-B15
EE-SX914-C2J-R 0.3M
BN
BK
WH
BU
OMRON
-R11
VQZ212-5MOZ1-M5-X550
SMC
-B12
D-M9NV
BN
BK
BU
SMC
-B11
D-M9NV
BN
BK
BU
SMC
N610158338AD
UL#24 80/300-0.2mm2 BU BU UL#24 80/300-0.2mm2
UL#24 80/300-0.2mm2 BU BU UL#24 80/300-0.2mm2
UL#24 80/300-0.2mm2 BU BU UL#24 80/300-0.2mm2
UL#24 80/300-0.2mm2 BU BU UL#24 80/300-0.2mm2
UL#24 80/300-0.2mm2 BU BU UL#24 80/300-0.2mm2
UL#24 80/300-0.2mm2 BU BU UL#24 80/300-0.2mm2
UL#24 80/300-0.2mm2 BU UL#24 80/300-0.2mm2
UL#24 80/300-0.2mm2 BU UL#24 80/300-0.2mm2
UL#24 80/300-0.2mm2 BU UL#24 80/300-0.2mm2
UL#24 80/300-0.2mm2 BU UL#24 80/300-0.2mm2
UL#24 80/300-0.2mm2 BU UL#24 80/300-0.2mm2
BN/WH
BN
YE/WH
YE
GN/WH
GN
BK/WH
BK
RD/WH
RD
UL2464 (SPV840) 5P×24AWG(11/0.16TA) LF BK
JST
CHNG2
PAP-12V-S
1
12
10
11
6
7
2
3
4
5
8
9
AMP
B11P
177907-1
3
2
1
AMP
B11R
177899-1
3
2
1
AMP
B12P
177907-1
3
2
1
AMP
B12R
177899-1
3
2
1
AMP
B13P
177908-1
4
3
2
1
AMP
B13R
177900-1
4
3
2
1
AMP
B14P
177908-1
4
3
2
1
AMP
B14R
177900-1
4
3
2
1
AMP
B15P
177908-1
4
3
2
1
AMP
B15R
177900-1
4
3
2
1
AMP
B16P
177908-1
4
3
2
1
SMC
R11
SY100-29-1
-
+
CHNG2
CP+24V
24GND
D+SUB
D-SUB
R-NG-OP-IN
R-NG-CL-IN
RPLATE #0
RPLATE #1
RPLATE #2
IN031
R-NG-OP-OUT
R-NG-CL-OUT
AMP
B16R
177900-1
4
3
2
1
UL#24 80/300-0.2mm2 BU UL#24 80/300-0.2mm2
Plate Identification Bit0
Plate Identification Bit1
Plate Identification Bit2
Nozzle Changer
Shutter Open
Nozzle Changer
Shutter Close
Nozzle Changer
Shutter Open
Plate Identification Bit3
Note1) Connector Pin arrangement is not sequential.
Note1)
1
1
1
1
1
1
1
2
2464C(BPF)VVP AWG#24×5P-B
3
3
2464-1061/ⅡA(PF) LF 5P×24AWG
2
Panasonic Smart Factory Solutions Co.,Ltd. パナソニック スマートファクトリーソリューションズ株式会社
Name
Drawing No.
Loc. No.
F4K1020-05A
1
2 3 4 5 6 7 8
A
B
C
D
E
F
1 2 3 4 5 6 7 8
A
B
C
D
E
F
Page. No.
Main Body Wiring : NPM-D3
(Nozzle Changer Rear)
N610159580+030AD
P030