YS24X(DS)_KKT_e.pdf - 第22页
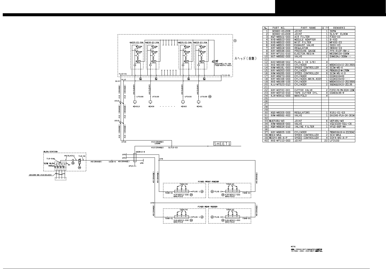
PA G E 20 Con fi dential & Proprietary Y S 2 4 X ( D S ) YS24X(DS) Air circuit H014051

PAG E
19
Confi dential & Proprietary
YS24X(DS)
YS24X(DS)
Air circuit
H014051

PAG E
20
Confi dential & Proprietary
YS24X(DS)
YS24X(DS)
Air circuit
H014051

Wiring parts list
KKT1006
PAG E
21
Confi dential & Proprietary
No Part No. Part Name Q'ty Remarks No Part No. Part Name Q'ty Remarks
1 KKE-M661A-002 HNS,XB11-QS11-QF11 1 J0001 39 KHJ-M536A-000 HNS,EARTH 2 J0014/J015
2 KJ3-M661A-000 HNS,AC IN 1 1 J0001 40 KHN-M661M-100 HNS,TAP CHANGE 1 J0015
3 KJ3-M662A-000 HNS,AC IN 1 1 J0001 41 KKE-M664G-000 HNS,KM12-QF51,52 1 J0018
4 KKE-M661L-001 HNS,QF11-TM11 1 J0002 42 KKE-M664A-000 HNS,GS31-KM12 1 J0019
5 KHJ-M661B-010 HNS,AC IN 2 1 J0002 43 KKE-M664F-002 HNS,QF51 QF52 +48V 1 J0021
6 KKE-M661E-000 HNS,TM11-QF31 1 J0003 44 KKE-M663E-000 HNS,I/O HEAD DC24V 2 J0022,J0023
7 KHJ-M662E-000 HNS,AC IN 3 1 J0003 45 KKE-M663F-000 HNS,Y-FLEX H.PWR EMG 1 J0024
8 KHJ-M664C-000 HNS,AC IN 3 1 J0003 46 KKE-M663F-000 HNS,Y-FLEX H.PWR EMG 2 J0024,J0025
9 KHJ-M661C-000 HNS,AC IN 3 1 J0003 47 KKE-M663F-000 HNS,Y-FLEX H.PWR EMG 1 J0025
10 KKE-M661F-001 HNS,QF31-NF11 GS31 1 J0004 48 KKE-M663G-001 HNS,X-FLEX HA PWR 1 J0026
11 KHJ-M662G-000 HNS,DC24V POWER 1 J0004 49 KKE-M663G-100 HNS,X-FLEX HB PWR 1 J0027
12 KHJ-M662N-000 HNS,BOARD.POWER 1 J0004 50 KKE-M662F-002 HNS,QF12-TC11 1 J0028
13 KHJ-M661D-010 HNS,AC IN 4 1 J0004 51 KKE-M662A-000 HNS,TC11-QF21 1 J0029
14 KKE-M661G-000 HNS,NF11-KM11 1 J0005 52 KKE-M662A-100 HNS,TC11-QF61 1 J0029
15 KHJ-M662K-000 HNS,QF21 QF22-KA01 1 J0005 53 KHY-M661M-000 HNS,C/R AC100V 1 J0030
16 KHJ-M664A-000 HNS,C.SEL - FEEDER 1 J0005 54 KHW-M66M4-000 HNS,V10 JUMPER 1 J0031
17 KHJ-M662A-000 HNS,CP DC24V 1 J0005 55 KHW-M66M4-000 HNS,V10 JUMPER 1 J0032
18 KKE-M661H-001 HNS,C/R AC230V 1 J0006 56 KGA-M662M-001 HNS,U10 JUMPER 1 J0033
19 KHJ-M662J-000 HNS,KA01 SIGNAL 1 J0006
57 KGA-M662M-001 HNS,U10 JUMPER 1 J0034
20 KHY-M66TE-002 HNS,F.CTRL - FDR 1 J0006 58 KKE-M662E-000 HNS,QF21-GS21 1 J0035
21 KHJ-M662B-000 HNS,LAMP 1 J0006 59 KKE-M663K-001 HNS,CONV PWR 1 J0036
22 KHJ-M662L-000 HNS,CART POWER 1 J0007 60 KKE-M663J-001 HNS,I/O CONV.PWR 1 J0037
23 KHJ-M66K2-000 HNS,CAM.FID1 1 J0007 61 KKE-M662E-111 HNS,QF22-GS22 1 J0038
24 KHJ-M662C-000 HNS,BRD.PWR 1 J0007 62 KHW-M662G-000 HNS,LCD POWER 1 2 J0039/J0040
25 KHN-M661M-000 HNS,TAP CHANGE 10 J0007-J0014,J0016-J0017 63 KKE-M663R-000 HNS,C/R EXT.POWER 1 J0041
26 KHJ-M66KA-000 HNS,FID LIGHT 1 J0008 64 KKT-M663M-000 HNS,MULTI CAM.DC24V 1 J0043
27 KHY-M66TE-002 HNS,F.CTRL - FDR 1 J0008 65 KHY-M663N-000 HNS,ANC POWER 1 J0045
28 KHJ-M662B-000 HNS,LAMP 2 J0008,J0009 66 KHY-M66RH-000 HNS, FDR ST. PWR 1 J0045
29 KHJ-M66K1-000 HNS,CAM.PC-C.SEL 1 J0009 67 KKE-M661C-000 HNS,QF11-QF12 1 J0046
30 KHJ-M663B-000 HNS,PITCH LED 1 J0009 68 KKT-M663V-000 HNS,ANC DC24V 1 J0047
31 KHJ-M536A-300 HNS,EARTH 1 J0010 69 KKE-M665F-000 HNS,CONV.DRIVER 3 J0051,J0053,J0056
32 KHJ-M663C-000 HNS,PITCH UP 1 J0010 70 KKE-M665E-000 HNS,CONV.MO 1 1 J0052
33 KHJ-M536A-200 HNS,EARTH 1 J0011 71 KKE-M665E-100 HNS,CONV.MO 2 EXIT 2 J0054,J0057
34 KHJ-M663D-000 HNS,PITCH DOWN 1 J0011 72 KKE-M665G-000 HNS,BRAKE SRV1 2 2 J0058,J0059
35 KHJ-M536A-100 HNS,EARTH 1 J0012 73 KJH-M66M3-000 HNS,CAM.SEL.24V 1 J0060
36 KHJ-M663E-000 HNS,PITCH SET 1 J0012 74 KKE-M536A-020 HNS,PE 1 J0071
37 KHJ-M536A-000 HNS,EARTH 1 J0013 75 KKE-M536A-020 HNS,PE 1 J0071
38 KHJ-M536A-100 HNS,EARTH 1 J0013 76 90K30-789080 HNS,EARTH 3 J0072-J0074