YS24X(DS)_KKT_e.pdf - 第8页
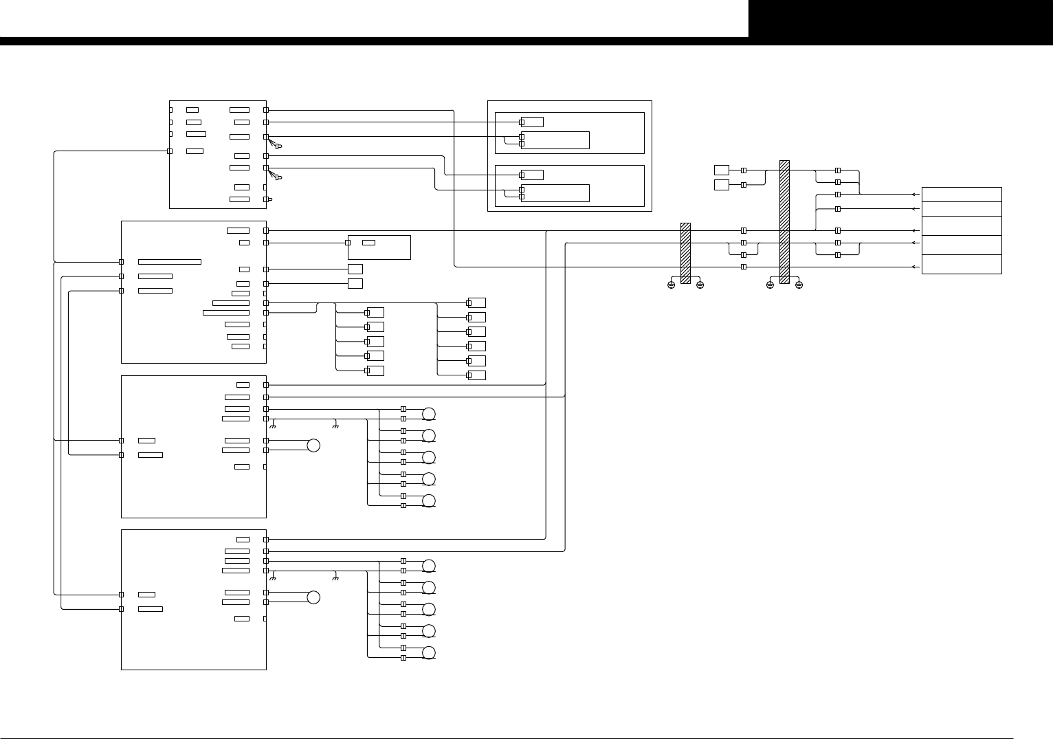
Confidential & Proprietary P A G E I/O CONVEYOR BOARD ASSY P025 CN43 CN43 +24VC1,+ 24VF3 J0022 I/O HEAD A POWER I/O HEAD A See Page 7 CN44 +24VS1 CN45 +24VF4,+ 24VB6 J0023 CN45 I/O HEAD B POWER I/O HEAD B See Page 8 …

Confidential & Proprietary
PAGE
I/O CONVEYOR BOARD ASSY P025
CN21
CN22
DO0,DO1
DO11
CN21
CN22
CN23DO12
CN24DO2,DO3
CN25GATE
CN25
J0759
J0755
CN24 J0201
J0189
+24VS2 CN26
CN27
CN27+24VF5
CN28+24VC2,+24VC3
CN28 J0043
J0041
CN29 J0045
SS FEEDER CN29
CN30
CN31
CN30
CN31+24VD4
+24VD3
CN32
CN2 CN3
CN1
DCN1
POWER CIRCUIT
KM11A
P011
CONVEYOR MOTOR DRIVER 1
J0753
J0754
CN32C/V MOTOR 1
CN2 CN3
CN1
DCN1
POWER CIRCUIT
KM11A
CN33C/V MOTOR 2
CN33
J0051
J0053
J0036
J0036
CONVEYOR MOTOR DRIVER 2
P012
J0052
J0054
P11 CN3
P12 CN3
CN34
+24E CN34
CN35 J0051
ANC CN2
ANC CN1
J0056
SQ061
NOZZLE STATION OPEN
ANC+24V
I/O A
I/O A
I/O ANC
I/O ANC
J0103
I/O A
INTERFACE BOARD
CONTROL BOX
See Page 2
CN35+24VF6
J0701
CN37
CN38
+24VD1
+24VD2 CN38
CN37
CN39
CN39FAN LOCK ALARM
J0190
J0751
J0752
CN40
CN40DO13
J0202
CN41
CN41AMF
J0203
CN36 J0060
CN36+24VF7
T0100034
T0100035
FAN4
REAR BOTTOM COVER
FAN6
UNDER RELAY PANEL
N01008B4
N01008B5
AMF1
AMF2
HL11
BUZZER
T01000D6
T01000D1
ALARM(RED/WHITE)
T01000D0
T01000D2
ERROR(YELLOW/BLUE)
RUN(GREEN)
HL11
See Page 6
INTERFACE CONNECTOR
EXT.PWR
CONTROL BOX
See Page 2
CAMERA UNIT SEL.
MULTI CAMERA POWER
See Page 9
SS FEEDER R2 CART POWER
SS FEEDER R1 CART POWER
ION CN3F
ION CN3R
ION I/F BOARD ASSY
SS FEEDER F1 CART POWER
SS FEEDER F2 CART POWER
+24V
CAMERA SELECTOR
See Page 9
UP DOWN
UP DOWN
UP DOWN
UP DOWN
F1 UP
T0100000
F2 UP
T0100002
F1 DOWN
T0100001
F2 DOWN
T0100003
FRONT-1
FRONT-2
YV043
YV044
YV041
YV042
R1 UP
T0100004
R2 UP
T0100006
R1 DOWN
T0100005
R2 DOWN
T0100007
REAR-1
REAR-2
FES24 FEEDER STRUCTURE(OPTION)
IONIZER ASSY(OPTION)
3D CO-PLANARITY CHECKER(OPTION)
FES24 DO
See Page 3
REAR COVER SW
FRONT COVER SW
P11 CN2
P12 CN2
FAN4
FAN6
□60 MAX 300rpm
□60 MAX 300rpm
J0083
M38
M39
CV1
CV2
J0116
CN5A
SQ062
NOZZLE STATION CLOSE
CN4
CN5
CN9
DO00,DO01/ANC YV022
ANC OPEN NOZZLE STATION OPEN
T0100280
CN10
CN11A
DI00/ANC
H-UDI
DI01/ANC
DBG/4A5
COM2
COM1
DC24V IN
CN1
CN2
CN11
CN3
CN3A
CN10A J0220
F.FDR ST FDR ST J0901 CN1
CN1 CN3 SB51
PITCH UP SW
PITCH DOWN SW
SB53
SB55
PITCH SET SW
CN4
CN5
CN6
PITCH UP
PITCH DWN
PITCH SET
FDR
+24V
CN1
CN2CN1 J0903
CN2 LED OUT
SS FEEDER
CN3
CN4
CN5
J0905
J0907
J0909
J0911
FDR ST CN1
CN1 CN3
PITCH UP SW
PITCH DOWN SW
PITCH SET SW
CN4
CN5
CN6
PITCH UP
PITCH DWN
PITCH SET
FDR
+24V
CN1
CN2CN1
CN2 LED OUT
SS FEEDER
CN3
CN4
CN5
R.FDR ST J0902
J0904
J0906
J0908
J0910
J0912
SB52
SB54
SB56
ON
OFF
1 2
DIP SW(S1)
ON
OFF
1 2
DIP SW(S1)
REAR FEEDER SET STATION(OPTION)
FRONT FEEDER SET STATION(OPTION)
FDR ST BOARD ASSY P107
FDR ST BOARD ASSY P109
P108
P110
PITCH LED BOARD ASSY
PITCH LED BOARD ASSY
LED IN
LED IN
ANC UNIT(OPTION)
ANC CTRL BOARD ASSY P016
N0100BF0
N0100BF1
REAR LEFT(R2) REAR CENTER REAR RIGHT(R1)
COVER EARTH
FRONT CENTER FRONT RIGHT USB
J0086 J0087
J0088 J0089 J0090
J0091
See Page 11,12
See Page 11,12
See Page 13
See Page 15
See Page 15
See Page 12
YV001
T0100020
T0100024
OPERATION PANEL SEL.
ACTIVE CHANGE(T0100027)
YV002
YV003
YV004
YV005
YV006
YV007
CAM1 UP
CAM2 UP MULTI-CAM2 UP
MULTI-CAM1 UP
T0100030
T0100026
T0100025
T0100023
T0100022
T0100021
T0100031
See Page 10
YV008
YV009
CONVEYOR E EXIT STOPPER UP
CONVEYOR 2 PCB CLAMP
CONVEYOR 2 MAIN STOPPER 2 UP
CONVEYOR 2 MAIN STOPPER 1 UP
CONVEYOR 1 SUB STOPPER UP
CONVEYOR 1 PCB CLAMP
CONVEYOR 1 MAIN STOPPER UPMAIN ST 1
CLAMP 1
SUB ST
MAIN ST 2-1
MAIN ST 2-2
CLAMP 2
EXIT ST
EX
CONVEYOR MOTOR 1 30W
CONVEYOR MOTOR 2 30W
CONVEYOR 1
5
I/O CONVEYOR -3-
YS24X(DS)

Confidential & Proprietary
PAGE
I/O CONVEYOR BOARD ASSY P025
CN43
CN43+24VC1,+24VF3
J0022
I/O HEAD A POWER
I/O HEAD A
See Page 7
CN44+24VS1
CN45+24VF4,+24VB6
J0023CN45
I/O HEAD B POWER
I/O HEAD B
See Page 8
CN49FAN LOCK ALARM
CN49 J0191
FAN1
FAN2
SIDE PANEL
SIDE PANEL
FAN YA1
FAN YA2
FAN YB1
FAN YB2
YA1 MOTOR
YA2 MOTOR
YB1 MOTOR
YB2 MOTOR
CN48EMG3
CN45
HEAD B SENSOR UNIT
YB OT
YB ORG
YB SAFE
See Page 8
CN47
BRAKE
C/V MOTOR 3
CN46
FAN LOCK ALARM CN50
CN50 J0179
FAN XA
FAN XB
XA MOTOR
XB MOTOR
GATE CN51
CN51
FAN T1
FAN T2
RIGHT OF TOP COVER
LEFT OF TOP COVER
J0231
J0232
J0200
FAN T1
FAN T2
N0100906
N0100952
N0100946
N0100945
N01009F0
N01009F1
N01009F2
N01009F3
N01009F4
N01009F5
CN25
I/O CONVEYOR BOARD
See Page 5
J0189
INTERFACE PANEL
NEXT
PREV B
PREV A
NEXT B
NEXT A
INTERFACE PANEL
PREV C
J0192
J0193 PREV
A-GATE2
J0163
BUSY OUT:T01000E4 / LR OUT:T01000E7
BA OUT :T01000E5 / UR OUT:T01000E6
LE OUT :T01000F3
BA IN :N0100921 / UR IN :N0100922
BUSY IN:N0100920 / LR IN :N0100923
LE IN :N0100924
J0204
NEXT
J0205
PREVIOUS
FAN T2
FAN T1
FAN2
FAN1
FAN YB2
FAN YB1FAN YA1
FAN YA2
FAN XA
FAN XB
CN2 CN3
CN1
DCN1
POWER CIRCUIT
KM11A
J0036
□60 MAX 300rpm
See Page 15
M40
CONVEYOR MOTOR E 30W
CONVEYOR E
J0084
J0057 CV3P13 CN3
P013
P13 CN2CN46 J0056
CONVEYOR MOTOR DRIVER 3
NEXT INTERFACE
PREVIOUS INTERFACE
6
I/O CONVEYOR -4-
YS24X(DS)

Confidential & Proprietary
PAGE
SRVB
See Page 2
CONTROL BOX
CN43
CN12
See Page 3
POWER CIRCUIT
I/O CONVEYOR BOARD
I/O CONVEYOR BOARD
SRV A1
SRV A2
See Page 2
CONTROL BOX
SQ001
YA-AXIS ORG
YA-AXIS OVER TRAVEL
SQ003
HA+24V
HA EMG
YAOT
YAORG
QF51,XT31
INTERFACE BOARD 1
VISION BOARD
FLEXIBLE
DUCT YA
CAM2
HA+48V
DC48V,0V48POW/EMG CN1
VAC
CN1 VAC
VAC SENSOR BRD ASSY
CN5AD
P051
I/O CN5
I/O CN1
SQ301
CN7OT
ORG CN8
XA-AXIS ORIGIN
SQ303
XA-AXIS OVER TRAVEL
N002D002
N002D001
CN2 SRV POW1 SRV POW2 CAMERA
CN3 SRV SIGNAL 2
SRV SIGNAL 1
I/O CN2
HEAD I/O BOARD ASSY P041
CN4
CN9SPARE
CN10
I/O CN10 J0312
HEAD1(VACUUM/BLOW)
HEAD2(VACUUM/BLOW)
HEAD3(VACUUM/BLOW)
HEAD4(VACUUM/BLOW)
HEAD5(VACUUM/BLOW)
YV301
HEAD6(VACUUM/BLOW)
HEAD7(VACUUM/BLOW)
HEAD8(VACUUM/BLOW)
HEAD7(VACUUM/BLOW)
SH BLOW SHAFT BLOW
YV303
YV305
YV307
YV309
YV311
YV313
YV315
YV317
YV319
YV321
HEAD 1
HEAD 2
HEAD 3
HEAD 4
HEAD 5
HEAD 6
HEAD 7
HEAD 8
HEAD 9
HEAD 10
CN11
I/O CN11
CN12
CN13
LINER IN
ENC OUT
CN348V
HS2 CN3
HS2 CN6
SERVO IF CN6
CN1
CN8
Zaxis MO
Zaxis ENC
HS2 CN1
HS2 CN8
J0314
J0322
Raxis MO
Raxis ENC
R1P
R1M
M32
RA1-AXIS 15W
□42 MAX 2000rpm
CN9CPLD
CN4
CN5
POWER
DI/DO/AD
HS2 CN4
HS2 CN5
CN348V
SERVO IF CN6
HS1 CN3
HS1 CN6
CN4
CN5
POWER
DI/DO/AD
CN1
CN8
Zaxis MO
Zaxis ENC
Raxis MO
Raxis ENC
□42 MAX 2000rpm
CN9CPLD
J0308
I/O CN3
I/O CN4
J0328
J0326
FIDUCIAL CAMERA RIGHT is standard,FIDUCIAL CAMERA LEFT is option .
・In case that conveyer's fixation is rear side and PCB's transportation is R>L,
FIDUCIAL CAMERA RIGHT is standard,FIDUCIAL CAMERA LEFT is option .
・In case that conveyer's fixation is rear side and PCB's transportation is L>R,
FIDUCIAL CAMERA LEFT is standard,FIDUCIAL CAMERA RIGHT is option .
HEAD SERVO BOARD ASSY 2 P046
HS1 CN4
HS1 CN5
HS1 CN1
HS1 CN8
R2M
R2P
RA2-AXIS 15W
M33
J0316
J0324
HEAD10(VACUUM/BLOW)
T003C401/T003C403
T003C001/T003C003
T003C000/T003C002
T002CC01/T002CC03
T002CC00/T002CC02
T002C801/T002C803
T002C401/T002C403
T002C400/T002C402
T002C804
T002C001/T002C003
T002C000/T002C002
HEAD SERVO BOARD ASSY 1 P045
J0310
N0100981
N0100980
M21
M20
M19
M18
M17
ZA1-AXIS 10W
ZA2-AXIS 10W
ZA3-AXIS 10W
ZA4-AXIS 10W
ZA5-AXIS 10W
MAX 1m/s
MAX 1m/s
MAX 1m/s
MAX 1m/s
MAX 1m/s
MAX 1m/s
MAX 1m/s
MAX 1m/s
MAX 1m/s
MAX 1m/s
ZA6-AXIS 10W
ZA7-AXIS 10W
ZA8-AXIS 10W
ZA9-AXIS 10W
ZA10-AXIS 10W
M12
M13
M14
M16
M15
CAMERA SELECTOR P082
CN5
CN4
CN7
CN6
CN9
CN8
CN10
CN11
LIGHT3
J0306
CAMOUT
CAM1
CAM2
LIGHT1
LIGHT2
J0300
J0505
J0507
J0509
J0302
DC24V
VACUUM/BLOW 2
VACUUM/BLOW/SHAFT
J0162
J0521
J0021
J0523
J0024
J0195
J0503
・In case that conveyer's fixation is front side and PCB's transportation is R>L,
FIDUCIAL CAMERA LEFT is standard,FIDUCIAL CAMERA RIGHT is option .
・In case that conveyer's fixation is front side and PCB's transportation is L>R,
See Page 6
D.CAM1
CN1
CN2
FID.LIGHT BRD. ASSY
EL01
FIDUCIAL CAMERA RIGHT
CN1
CN2
FID.LIGHT BRD. ASSY
FIDUCIAL CAMERA LEFT
P091
P093
D.CAM2
FCAM R
FIDUCIAL CAMERA RIGHT
FIDUCIAL CAMERA LEFT
FCAM R
FCAM L
FCAM L
FIDUCIAL LIGHT LEFT
FIDUCIAL LIGHT RIGHT
EL02
YAORG
YAOT
FLEXIBLE
DUCT XA
J0026
J0525
CAM2
HA S2
HA POW/EMGPOW/EMG
HA S1
LIGHT1
LIGHT2
CN2
CN7
CN2
CN7
SPARE CN16
CN1
CN2
CN3 RS232C
FPGA
CPU CAMOUT
CAM1
LIGHT1
CAM2
LIGHT2
CAM3
LIGHT3
DC24V
Z1M
Z1P
Z2M
Z2P
Z5P
Z5M
Z4P
Z4M
Z3P
Z3M
Z10P
Z10M
Z9P
Z9M
Z8P
Z8M
Z7P
Z7M
Z6P
Z6M
I/O A CN8
I/O A CN7
J0300(NOTE1)
J0302(NOTE1)
NOTE1:
See NOTE1
See Page 15
J0092J0094
J0022
7
HEAD A
YS24X(DS)