YSi-X_HD_cwd_je.pdf - 第18页
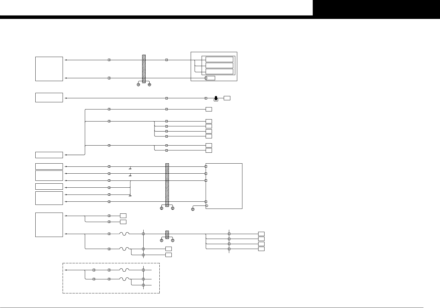
Confidential & Proprietary P A GE J0224 J0512 SQ043 N010034 1 N010034 0 HZ-AXIS ORGIN SQ010 1TURN E08 SQ053 LASER HEAD CURL CABLE N010034 5 SQ013 HL-AXIS ORIGIN LIGHT UNIT ASSY. CAM1 P032 BOARD,KD L P031 INSP U.LIGHT…

Confidential & Proprietary
PAGE
I/O CONVEYOR BOARD ASSY P021
CDTE FANJ0286
J0057
+24VD2 CN38
+24VD1 CN37
CN36+24VF7
J0221
BUZZER
T01000D6
T01000D1
ALARM(RED/WHITE)
T01000D0
T01000D2
ERROR(YELLOW/BLUE)
RUN(GREEN)
HL11
HL11
CN40
CN40DO13
CN49
CN49
FAN LOCK ALARM
J0220
SERVO AMP RIGHT 1
SERVO AMP RIGHT 2
N01003F6
N01003F5
LEFT SIDE PANEL 1
LEFT SIDE PANEL 2
N01003F3
N01003F4
PANEL
FAN4
FAN4 FAN4
FAN4
CDTE PWR
CdTe PWR
N01002B7
CDTE FAN
CDTE PWRCDTE PWR
CdTe DEVICE
CAM2
CdTE CAM
CDTE PWR
LX SEN
LY SEN
FG
0V
+24V
J0102
HEAD
E05
J0511
J0184CN48
J0222
CN48
EMG3
CN47
BRAKE
C/V MOTOR 3
CN46
CN45
+24VF4,+24VB6
CN44+24VS1
LASER HEAD
HEAD
LASER GND
LASER 24V
LASER CONTROLLER
CN43
CN43+24VC1,+24VF3
J0235CN39
CN39FAN LOCK ALARM
LX-AXIS LY-AXIS
FAN7FAN7
FAN8 FAN8
FAN9FAN9
FAN10 FAN10
SQ005
N01003E2
LY-AXIS ORIGIN
SQ006
N01003E4
LY-AXIS OVER TRAVELLY OTLY OT
LY ORG LY ORG
A21
J0100
E06
BASE REAR BOTTOM COVER
BASE REAR LEFT
CONTROL BOX
N01002B6
N01002B5
N01002B4
FAN3
FAN2
FAN1 FAN1
FAN2
FAN3
CN41AMF
I/O CONVEYOR -1-CN41 J0209
PARTS CHK
FAN5
FAN6
FAN5
FAN6
N01003F0
N01003F1
UPPER COVER 2
UPPER COVER 1
E07
CONTROL BOXJ0274
USB
USB2
A22
CN36 J0255 CN35 I/O CONVEYOR -2-
CAM2
VISION BOARD
CAMINCAMOUT
DC24V
P040
E09 E10
1TURN 1TURN
1TURN
See Page 12
See Page 8
See Page 11
See Page 15
See Page 8
CAM2
SQ002
SQ001
N01003E6
N01003E3
YT-AXIS OVER TRAVEL
YT OT
YT ORGYT SEN
J0238
YT-AXIS
LYP
LYM
See Page 10
SERVO AMP -2-
YT-AXIS ORIGIN
J0056
DC5V
DC12VPOWER CIRCUIT -1-
See Page 4
J0128
LYP
LYM
J0155
LX ORGLX ORG
LX OTLX OT
PANEL
SQ008
SQ007
N01003B7
N01003E0
LX-AXIS OVER TRAVEL
LX-AXIS ORIGIN
LYP
LYM
See Page 10
SERVO AMP -2-
J0244
CAM PWR
REPEATER ASSY
J0502
CAM2
CAM PWR
E11 E12
Notes
YSi-X has different camera variation.
Choose the interconnection diagram by camera type.
The details of camera type are as follows.
TYPE HB:Direct conversion panel method Long service life type
TYPE HD:FOS flat panel system High speed type
CC.V0
14
I/O CONVEYOR -3- TYPE HB
YSi-X HD/HB

Confidential & Proprietary
PAGE
J0224
J0512
SQ043
N0100341
N0100340
HZ-AXIS ORGIN
SQ010
1TURN
E08
SQ053 LASER HEAD
CURL CABLE
N0100345
SQ013
HL-AXIS ORIGIN
LIGHT UNIT ASSY.
CAM1
P032
BOARD,KDL
P031
INSP U.LIGHT BRD.ASSY
P030
INSP L.LIGHT BRD.ASSY
LIGHT
HL ORG
HZ ORG
J0507
J0504
J0227
J0055
J0314
J0309
J0308
J0097
FLEXIBLE
DUCT HS
J0053
J0312
J0303
J0217
J0302
I/O CONVEYOR -2-
CN18
CONTROL BOX
COM2
I/F1 CN7
CAM1
I/F1 CN4
J0505
J0501
CONTROL BOX
HEAD
LASER CONTROLLER J0511
J0215I/O CONVEYOR -1-
CN7
KA11
KA10
XT42
QF43
J0301
I/O CONVEYOR -1-
POWER CIRCUIT -1-
D.CAM1
J0225
SQ042
N0100342
N0100343
HS-AXIS COAXIAL POSITION
HS-AXIS ORGIN
HS POS
HS ORG
SQ011
HZ SAFE2
HZ SAFE3
HZ SAFE1
SQ044
HZ-AXIS SAFETY1
HZ-AXIS SAFETY2
HZ-AXIS SAFETY3
SQ045
X-RAY SOURCE
INT2
J0101
XRAY COM
A20
COM
XRAY PWR
INT1
DC24V
J0098
FLEXIBLE
DUCT HZ
N0100346
N0100347
J0234
N0100331
N0100330
MS-AXIS OFFLINE
MS-AXIS ONLINE
SQ066
SQ065
MS OFFLINE
I/O CONVEYOR -1-
CN5
CN6
J0237
PANEL
MS SEN MS SEN
N01002A6
MS-AXIS ORIGIN
SQ014
MS ORGMS ORG
SQ064
SQ063
SQ062
SQ061
N01002A2
N01002A3
N01002A4
N01002A5
MS OFF
MS ON
MS SAFETY
MS-AXIS PCB CHECK
PANEL
MS PCBMS PCB
MS OFF MS OFF
MS ON MS ON
MS SAFE MS SAFE
DUCT MS
FLEXIBLE
J0214
J0099
MS SEN MS SENJ0214
MS ORGMS ORG
L -> R
SQ067
LOCK POS. LOCK POS. MS LOCK POS.
XRAY INT1
XRAY INT2
N01002A7
LOCK POS. LOCK POS.
CAM1
LIGHT
XRAY COM
XRAY TRG
XRAY INT2
XRAY INT1
XRAY PWR
HL ORG
HZ SEN
HS SEN
MS ONLINE
MS ORG
MS SEN
XRAY LAMP
MS SEN
MS ORG
MS SEN
J0230
MS ORG
J0229
J0228
J0236
J0236
J0228
INSPECTION CAMERA
INSPECTION CAMERA ASSY
MS-AXIS
MS-AXIS
MS-AXIS
MS-AXIS
See Page 8
See Page 13-14
See Page 11
See Page 3-4
See Page 11
See Page 12
See Page 8
See Page 11
CC.V0
15
HEAD
YSi-X HD/HB

Confidential & Proprietary
PAGE
TM11:The selection of POWER SOURCE 4.50KVA
TC11:The selection of POWER SOURCE 1.5KVA
U50
V50
U50
V50
W50W50
U50
V50
W50
U50
V50
W50
U50
V50
W50
U50
V50
W50
U50
V50
W50200V 200V
200V
200V
200V
200V
200V
200V
200V
200V
200V
200V
200V
200V
200V
200V
200V
200V
200V
R3R3R3R3R3R3R3
S3
S3
S3
S3
S3
S3
S3
230V
230V
240V
220V
208V
200V
190V
0V
240V
220V
208V
200V
190V
0V
240V
220V
208V
200V
190V
0V
240V
220V
208V
200V
190V
0V
240V
220V
208V
200V
190V
0V
240V
220V
208V
200V
190V
0V
230VW
V
U
230V
230V
230V
230V
230V
230V
230V
230V
230V
230V
240V
220V
208V
200V
190V
0V
240V
220V
208V
200V
190V
0V
240V
220V
208V
200V
190V
0V
240V
220V
208V
200V
190V
0V
240V
220V
208V
200V
190V
0V
240V
220V
208V
200V
190V
0V
230VW
V
U
240V
220V
208V
200V
190V
0V
240V
220V
208V
200V
190V
0V
240V
220V
208V
200V
190V
0V
240V
220V
208V
200V
190V
0V
240V
220V
208V
200V
190V
0V
240V
220V
208V
200V
190V
0V
230VW
V
U
240V
220V
208V
200V
190V
0V
240V
220V
208V
200V
190V
0V
240V
220V
208V
200V
190V
0V
240V
220V
208V
200V
190V
0V
240V
220V
208V
200V
190V
0V
240V
220V
208V
200V
190V
0V
230VW
V
U
240V
220V
208V
200V
190V
0V
240V
220V
208V
200V
190V
0V
240V
220V
208V
200V
190V
0V
240V
220V
208V
200V
190V
0V
240V
220V
208V
200V
190V
0V
240V
220V
208V
200V
190V
0V
230VW
V
U
240V
220V
208V
200V
190V
0V
240V
220V
208V
200V
190V
0V
240V
220V
208V
200V
190V
0V
240V
220V
208V
200V
190V
0V
240V
220V
208V
200V
190V
0V
240V
220V
208V
200V
190V
0V
230VW
V
U
220V
220V
240V
220V
208V
200V
190V
0V
240V
220V
208V
200V
190V
0V
240V
220V
208V
200V
190V
0V
240V
220V
208V
200V
190V
0V
240V
220V
208V
200V
190V
0V
240V
220V
208V
200V
190V
0V
230V
230V
230V
W
V
U
240V
0V
190V
200V
208V
220V
0V
100V
240V
0V
190V
200V
208V
220V
240V
0V
190V
200V
208V
220V
0V
100V
240V
0V
190V
200V
208V
220V
240V
0V
190V
200V
208V
220V
0V
100V
240V
0V
190V
200V
208V
220V
240V
0V
190V
200V
208V
220V
0V
100V
240V
0V
190V
200V
208V
220V
240V
0V
190V
200V
208V
220V
0V
100V
240V
0V
190V
200V
208V
220V
240V
0V
190V
200V
208V
220V
0V
100V
240V
0V
190V
200V
208V
220V
240V
0V
190V
200V
208V
220V
0V
100V
240V
0V
190V
200V
208V
220V
0V
0V
100V
100V
0V
0V
100V
100V
0V
0V
100V
100V
0V
0V
100V
100V
0V
0V
100V
100V
0V
0V
100V
100V
0V
0V
100V
100V
T2
T2
T2
T2
T2
T2
T2
S2
S2
S2
S2
S2
S2
S2
R2
R2
R2
R2
R2
R2
R2NNN
U10
V10
U10
V10
U10
V10
U10
V10
U10
V10
U10
V10
U10
V10
NN
416V400V380V240V220V208V200V
NN
416V400V380V240V220V208V200V
CC.V0
16
POWER TRANSFORMER
YSi-X HD/HB